首页 > 建筑材料行业标准(JC) > JC 693-1998 热反射玻璃
JC 693-1998

基本信息

标准号: JC 693-1998

中文名称:热反射玻璃

标准类别:建筑材料行业标准(JC)

标准状态:已作废

实施日期:1998-12-01

出版语种:简体中文

下载格式:.rar.pdf

下载大小:154622

相关标签: 反射 玻璃

标准分类号

中标分类号:建材>>陶瓷、玻璃>>Q33建筑玻璃

关联标准

替代情况:被GB/T 18915.1-2002替代

采标情况:等效JIS R3221:1990

出版信息

页数:8页

标准价格:15.0 元

相关单位信息

标准简介

JC 693-1998 热反射玻璃 JC693-1998 标准下载解压密码:www.bzxz.net

标准图片预览

JC 693-1998 热反射玻璃
JC 693-1998 热反射玻璃
JC 693-1998 热反射玻璃
JC 693-1998 热反射玻璃
JC 693-1998 热反射玻璃

标准内容

JC 693-1998
本标准在制定过程中,除耐辐照性能外,其他光学性能和理化性能等效采用了日本工业标准 JIS R3221—1990《热反射玻璃》,且本标准中规定的外观质量指标严于JISR3221--1990中的规定。同时,根据我国的实际情况,增加了色差指标。本标准由国家建筑材料工业局寨皇岛玻璃研究设计院提出并归口。本标准起草单位:国家建筑材料工业局泰坠岛玻璃研究设计院、国家建筑材料工业局标准化研究所。
本标准参加起草单位:广东宏江玻璃公司。本标准起草人,张苗青、刘起英、尹靖宇、张志勇。561wwW.bzxz.Net
代授搜
1范面
中华人民共和国建材行业标准
热反射玻璃
Heat reflecting glass
JC693-1998
本标准规定了热反射玻璃的分类、要求、检验方法、检验规则及标志、包装、运输和贮存。适用于建筑及其他方面使用的热反射玻璃。2引用标准
下列标准所包含的条文,通过在本标准中引用而构成为本标准的条文。本标准出版时,所示版本均为有效。所有标准都会被修订,使用本标准的各方应探讨使用下列标准最新版本的可能性。GB/T 2680-—1994建筑玻璃可见光透射比、太阳光直接透射比、太阳能总透射比、紫外线透射比及有关窗玻璃参数的测定
GB5137.1—1996汽车安全玻璃力学性能试验方法GB11614—1989浮法玻璃
GB/T11942--1989彩色建筑材料色度测量方法3产品分类
3.1产品按外观质量和理化性能分为优等品和合格品。3.2产品按厚度分为5、6.8.10.12mm五类。4要求
4.1尺寸允许偏差(包括偏斜)应符合表1的规定。表1尺寸允许偏差
不大于2000×2000
2000×2000以上
4.2厚度偏差、裂口、弯曲度和边部凸出或残缺部分及缺角深度应符合GB11614的规定。4.3外观质量
热反射玻璃的外观质量应符合表2的规定。国豪建筑材料工业局1998~07-22批准562
标准授搜网
1998-12-01实施
缺陷名称
(孔洞)
直径<1.2mm
JC 693-1998
表2热反射玻璃的外观质量
优等品
不允许集中
1.2mm≤直径≤1.6mm
每平方米允许个数
1.6mm≤直径≤2.5mm
每平方米允许个数
直径>2.5mm
不充许
1.6mm<直径≤5.0mm
每平方米允许个数
0. 1mm<宽度<0. 3mm
每平方米允许条数
宽度>0.3mm
每平方米允许条数
中部不允许
75mm边部,3
不充许
不允许
不充许
不允许
长度≤50mm
不允许
注:集中针孔(孔润)是指直径在100mm面积内超过20个4.4
光学性能
热反射玻璃的光学性能应符合表3的规定。表 3热反射玻璃的光学性熊
可见光(380~780nm)
透射比
反射比(玻璃面)
热反射玻璃的反射色差不应大于3CIELAB色差单位。4.6耐磨性
合格品
75mm边部:8
中部:3
不充许
不充许
充度<0.8mm
长度≤100mm
太阳光(340~1800nm)
反射比(被璃面)
总避射比
热反射玻璃的耐磨性,按5.4进行试验,其磨前、磨后可见光避射比差值的绝对值不应大于 4%,4.7耐酸性
热反射玻璃的耐酸性,按 5. 5 进行试验,其试验前后可见光透射比差值的绝对值不应大于 4% 。4. 8耐碱性
热反射玻璃的耐碱性,按 5. 6 进行试验,其试验前后可见光透射比差值的绝对值不应大于 4%。5试验方法
5. 1 厚度偏差、尺寸偏差、弯曲度及外观质量按 GB 11614 规定的方法进行检验。针孔的测定使用装有五只间距300mm的40瓦日光灯管的黑色框架。玻璃垂直放量,与日光灯管平行且相距600mm,观察者距玻璃 60cm,视线垂直玻璃进行观案,缺陷尺寸用糖度 0. 1mm 的读数显摄健测定。5.2光学性能
光学性能按GB/T2680进行测定。5.3色差
准授搜网
5.3.1测量方法
JC 693—1998
反射色差的测量依据GB/T11942进行,照明与观测条件为垂直照明/漫射接收(含镜面反射,0/t)或漫射照明/垂直接收(含镜面反射,t/0)。被测试样的背面应装集光器或垫黑绒,或在整个色差测量过程中,被测试样的背景保持一致。采用镜面反射体作为工作标准,如镀铝镜或镀银镜,而不采用漫反射体工作标准。色差(△E)按CIE1976LAB均勾色空间色差公式评价,色差单位为CIELAB。测量应取中间部位。测量单面镀膜玻璃反射色时,应以玻璃面(非镀膜面)为测量面。5.3.2同片玻璃的色差
在一片玻璃的四角和正中间取50mm×50mm的试样五片,试样外边缘距该片玻璃边缘50mm(如图1所示),以中间样品作为标准片,其余四片均与该片进行反射额色比较,分别测得4个△E值,4个值的平均值即为该片玻璃的色差。1.5050
测定位置
测定位量
图1取样位量
5.3.3一批玻璃的色差
图2~测定位置
从一批玻璃随机抽取的样本中再随机抽出五片,测量其L、a\、b值,以其中α“或b”最大或最小的1片作为标准片,其余四片均与该片进行反射颤色比较,分别测得4个^E.值,4个值的平均值即为该批玻璃的色差。
5.4耐磨性
5.4.1试样
以与制品相同工艺方法制造的约100mm×100mm的试片为试样。5.4.2磨耗试验机
磨耗试验机按GB 5137.1的规定。5.4.3步骤
5.4.3.1磨耗前试样用符合GB/T 2680的分光光度计测得图2所示4点的可见光透射比,计算其平均值。
2以膜面为磨耗面,将试样安装在磨耗试验机的旋转台上旋转试样。试样旋转的次数按表4规定。
表4“磨耗试验的旋转次数
优等品
合格品
200次
100次
5.4.3.3对磨耗后的试样,用同样仪器测定图2所示的4点的可见光透射比,计算其平均值。5.4.3.4求磨耗前后可见光透射比差值之绝对值。5.5耐酸性
5.5.1试样
正低提
JC 693-—1998
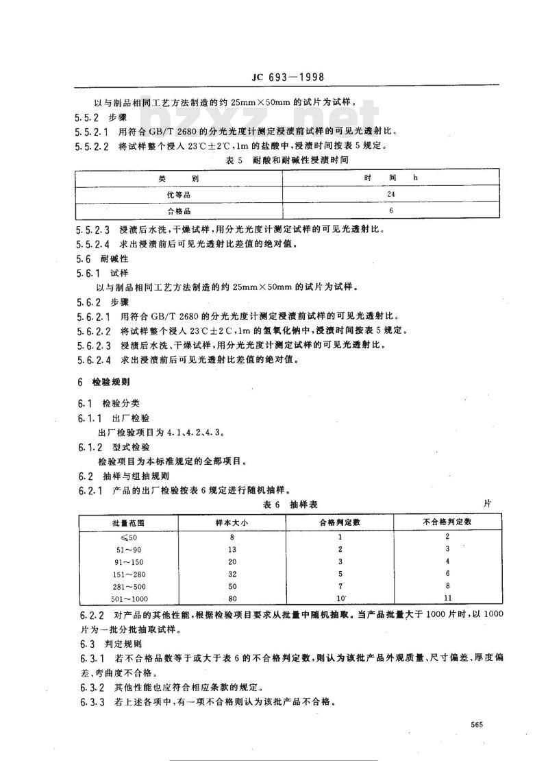
以与制品相同工艺方法制造的约25mm×50mm的试片为试样。5.5.2步骤
5.5.2.1用符合GB/T2680的分光光度计测定浸溃前试样的可见光透射比。5.5.2.2将试样整个浸入23℃2℃,1m的盐酸中,浸溃时间按表5规定。表 5 耐酸和耐碱性浸溃时间
优等品
合格品
5.5.2.3浸渍后水洗,干燥试样,用分光光度计测定试样的可见光透射比。5.5.2.4求出浸渍前后可见光透射比差值的绝对值。5.6耐碱性
5.6.1试样
以与制品相同工艺方法制造的约25mm×50mm的试片为试样。5.6.2步骤
5.6.2.1用符合GB/T2680的分光光度计测定浸溃前试样的可见光透射比。5.6.2.2
将试样整个浸入23℃士2C,1m的氢氧化钠中,浸渍时间按表5规定。5.6.2.3浸渍后水洗、干燥试样,用分光光度计测定试样的可见光透射比。5.6.2.4求出浸溃前后可见光透射比差值的绝对值。6检验规则
6.1检验分类
6.1.1出厂检验
出厂检验项目为4.1、4.2、4.3。6.1.2型式检验
检验项目为本标准规定的全部项目。6.2抽样与组抽规则
6.2.1产品的出厂检验按表6规定进行随机抽样。表6抽样表
批量范围
51~90
91~150
151~280
281~500
501~1000
样本大小
合格判定数
不合格判定数
6.2.2对产品的其他性能,根据检验项目要求从批量中随机抽取。当产品批量大于1000片时,以1000片为一批分批抽取试样。
6.3判定规则
6.3.1若不合格品数等于或大于表6的不合格判定数,则认为该批产品外观质量、尺寸偏差、厚度偏差、弯曲度不合格。
6.3.2其他性能也应符合相应条款的规定。6.3.3若上述各项中,有一项不合格则认为该批产品不合格。565
标准搜
7标志、包装、运输及购存
7.1标志
JC693-1998
木箱表面应印有工厂名称、商标、产品名称、产品等级、类别、规格、数量、顏色、防潮向、装箱日期等标志。集装箱也要有相应的标志。7.2包装
7.2.1 包装箱应坚固。边角、表面应有防碰撞措施,但不准有漏钉、透钉。7.2.2箱底要内垫泡沫塑料,箱内垫塑料布,玻璃片之间应有保护材料。7.2.3集装箱(架)包装,玻璃片之间加保护材料,外包塑料布防潮。7.3贮存及运输
7.3. 1玻璃必须在干燥房间内保管,在运输和装卸时应有防雨措施。7.3.2玻璃在贮存、运输和装卸时,箱盖向上,箱子不得斜放和侧放。7.3.3运输时箱头朝向运输方向,并采取措施防止倾倒滑动。566
标准授搜网
标行业
年费下关
易碎、堆放方
小提示:此标准内容仅展示完整标准里的部分截取内容,若需要完整标准请到上方自行免费下载完整标准文档。