首页 > 建筑材料行业标准(JC) > JC 705-1998 化工陶管及配件
JC 705-1998

基本信息

标准号: JC 705-1998

中文名称:化工陶管及配件

标准类别:建筑材料行业标准(JC)

标准状态:现行

发布日期:1998-05-14

实施日期:1998-10-01

出版语种:简体中文

下载格式:.rar.pdf

下载大小:279732

相关标签: 化工 配件

标准分类号

标准ICS号:玻璃和陶瓷工业>>陶瓷>>81.060.20陶瓷制品

中标分类号:建材>>陶瓷、玻璃>>Q31建筑卫生陶瓷

关联标准

替代情况:JC 705-1984(原标准号GB 4671-1984)

采标情况:JIS R1201-1991 NEQ ASTM C4-1996 NEQ ASTM C700-1996 NEQ BS 65-1991 NEQ DIN 1230-1992 NEQ

出版信息

出版社:中国标准出版社

页数:14页

标准价格:17.0 元

相关单位信息

起草人:李东升、袁振琦、鲁凤华、马燕

起草单位:国家建筑材料工业局山东工业陶瓷研究设计院

归口单位:全国工业陶瓷标准化技术委员会

提出单位:国家建筑材料工业局

发布部门:国家建筑材料工业局

标准简介

本标准规定了化工陶管及配件的规格形状、技术要求、试验方法、检验规则及标志、包装、运翰和贮存。本标准适用于排物酸性废水及其他腐蚀性介质用的承擂式陶管及配件(以下简称陶管及配件)。 JC 705-1998 化工陶管及配件 JC705-1998 标准下载解压密码:www.bzxz.net

标准图片预览

JC 705-1998 化工陶管及配件
JC 705-1998 化工陶管及配件
JC 705-1998 化工陶管及配件
JC 705-1998 化工陶管及配件
JC 705-1998 化工陶管及配件

标准内容

中华人民共和国建材行业标准
JC705-1998
化工陶管及配件
1998-05-14发布
国家建筑材料工业局
标准摄损网mm.bzaomn.com各关标准行业资料免费下载1998-10-01实施
JC705-1998
本标准是在我国现行的JC705一84《化工陶管及配件》的基础上修订的。修订时规格尺寸主要参考了日本的JISR1201-1991、美国的ASTMC4—1996和ASTMC700-1996,抗外压强度主要参考了JISR1201-1991、ASTMC700-1996和英国的BS65-1991,吸水率主要参考了ASTMC700—1996和JISR1201-1991,水压抗渗性能主要参考了ASTMC700-1996和德国DIN1230-1992:耐酸性能主要参考了JISR1201-1991、BS65—1991和DIN1230-1992等国外标准的规定。本标准由全国工业陶瓷标准化技术委员会归口。本标准由国家建筑材料工业局山东工业瓷研究设计院负责起草。本标准主要起草人李东升袁振琦鲁凤华马燕本标准委托国家建筑材料工业局山东工业陶瓷研究设计院负费解释。本标准1984年首次发布。
标准提损网mmcbaaomo.com各关标准行业资料免费下载1范围
中华人民共和国建材行业标准
化工陶管及配件
JC705-1998
代警JC705-84
本标准规定了化工陶管及配件的规格形状,技术要求、试验方法、检验规则及标志、包装、运输和存。
本标准适用于排输酸性废水及其他腐蚀性介质用的承插式陶管及配件(以下简称陶管及配件)。2引用标准
下列标准所包含的条文,通过在本标准中引用而构成本标准的条文,本标准出版时,所示版本均为有效。所有标准都会被修订,使用本标准的各方应探讨使用下列标准最新版本的可能性。GB/T2832-1996陶管抗外压强度试验方法GB/T2833-1996陶管弯曲强度试验方法GB/T2834-1998陶管吸水率试验方法GB/T2835-1998陶管耐酸性能试验方法陶管水压试验方法下载标准就来标准下载网
GB/T2836—1998F
GB/T2837-1998陶管尺寸与偏差测量方法3规格形状及标记
3.1直管的规格和形状如图1和表1.V
图1直管形状
国家建筑材料工业局1998-05-14批准标准摄捷网,
com各类标准行业资料免费下维
1998-10-01实施
公称直径
3.2直管标记
有效长度
500、600.、700、
JC705-1998
直管规格
管身整厚
直管公称直径Dg×长度L本标准号标记示例:
承口整摩
公称直径为150mm,长度为1000mm的直管标记为:直管Dg150X1000JC705-1998
承口深度
承插口间龄
承口倾斜
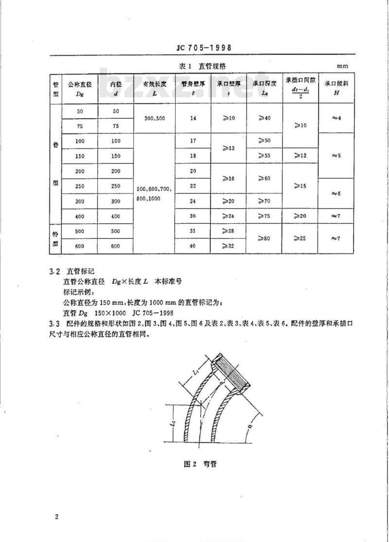
3.3配件的规格和形状如图2、图3、图4、图5、图6及表2、表3、表4、表5、表6.配件的整厚和承插口尺寸与相应公称直径的直管相同,图2李管
标准换网m.bzzowo.com各类标准行业宽料免费下数公称直径
30*弯管
JC705-1998
表2弯管规格
45弯管
图390°三通管及四通管
60°管
标准授捷网b口品0.g各美标准行业统料免费下载山
90°套管
公称直径
50×50
75×50
75×75
100×50
100×75
100×100
150×50
150×75
150×100
150×150
200×50
200×75
200X100
200×150
200×200
250×75
250×100
250×150
250×200
250X250
300×75
300×100
300×150
300×200
300×300
400×75
400X100
400×200
400X300
400×400
主管内径
JC705-1998
表390°三通管及四通管规格
支管内径
主管有效长度
标准损找网wmbsoso.a0m各美标准行业统科免费下载L
公称直径
50×50
75×50
100×50
100×75
100×100
150×50
150×75
150×100
150×150
主管内径
JC705-1998
图445°三通管及四通管
表445°三通管及四通管规格
支管内径
主管有效长度
标准授摄网masbanoD.com150
公称直径
200×50
200×75
200×100
200×150
200×200
250×75
250×100
250X150
250×200
250×250
300×75
300×100
300×150
300×200
300×300
400×75
400×100
400×200
400×300
400×400
主管内径
JC705-1998
表4(完)45三通管及四通管规格支管内径
主管有效长度
图5Y型三通管
标准提提网m.b:soso.comL
公称直径
公称直径
100×50
100X75
150×75
150×100
200×100
200×150
250×150
250×200
300×200
300×250
主支管内径
JC705-1998
表5Y型三通管规格
主管有效长度
图6异径管
表6异径管规格
标准授摄网m.bznon.con各美标准行业资料免费下载mm
支管有效长度
有效长度
3.4弯管标记
DgX弯度本标准号
弯管公称直径
标记示例:
JC705-1998
公称直径为100mm的90°弯管标记为:弯管Dg100X90°JC705-1998
3.4.1三通管标记
三通管Dg主管内径dX支管内径d'×弯度本标准号标记示例:
主管内径为150mm,支管内径为50mm的90°三通管标记为:三通管Dg150×50×90°JC705-19983.4.2四通管标记
四通管Dg主管内径d×支管内径d'×弯度本标准号标记示例:
主管内径为100mm,支管内径为50mm的45四通管标记为:四通管Dg100×50×45JC705-19983.4.3Y型三通管标记
Y型三通管Dg公称直径本标准号
标记示例:
公称直径为100mm的Y型三通管标记为:Y型三通管Dg100JC705-1998
3.4.4异径管标记
异径管Dg异径管内径d异径管内径d本标准号标记示例:
公称直径从100mm至50mm的异径管标记为:异径管Dg100X50JC705-1998
注,异径管应生产正向、反向两种。3.5其他规格形状的直管及配件,可由供需双方商定,3.6在承插口连接部位,以适当间隔刻划深约3mm的环形沟槽。其数县如下:公称直径(mm)
50~150
4技术要求
4.1外观质录
沟槽的最少菌数
4.1.1陶管的外观质量应符合表7的规定。4.1.2除陶管及配件的承插口联接部位及承口底部、插口端面不施釉外,其余部分均应施釉。施用盐釉的产品不受此限。
4.1.3用质量不大于100g的金属锤轻轻蔽击陶管及配件中部,应发出清音。4.2尺寸偏差
4.2.1陶管的尺寸偏差应符合表8的规定。4.2.2各种配件的尺寸允许偏差与相应公称直径的陶管相同。弯管、三通管及四通管的角度偏差不超过士5%
标准授网mbzme.con各美标准行业资料免费下线缺陷名称
管身裂纹
承口裂纹
承口底部
插口外壁裂纹
公称直径
JC705-1998
表7陶管的外观质量要求
充许范围
内壁不允许
外壁宽1,每处长≤20,聚计长≤40宽≤0.5,长≤25,允许3条
横纹宽≤1,累计长<60
竖纹宽≤1,长≤25
不负及管穿,允许1条
横纹宽≤1.长<1/5周长
坚纹宽≤0.5.不贯及管身,累计长20宽1,累计长25
内壁不允许
外整深(或高)≤3,面积≤25×25,允许1处内整不允许
外壁总面积≤40×40
不允许
面积≤10×10,深≤整厚的1/5,允许1外整
直径≤12
直径≤4,深<2.允许5处
长30,深≤厚的1/3,允许1处
内整不允许
宽≤1,每处长≤35,累计长≤80内壁宽<1,长<25,允许3条
横纹宽≤1,累计长<1/4周长
坚效宽≤1.长≤30,
不货及管身,允许1条
横纹宽≤1,长<1/4周长
竖纹宽≤1,不贯及管身,累计长≤20宽≤1,累计长≤50
内壁不允许
深(或高)≤3,面积≤30×30,允许1处内整不允许
总面积≤50×50
面积≤5×5,深≤整厚的1/5,允许1处面积≤10×10深<壁厚的1/4,允许1处直径≤15
直径≤5,深≤3允许5处
长≤30,深≤整厚的1/3.允许2处表8陶管的尺寸允许偏差
充许偏差
公称长度的
公称长度的
标准提搜网bzz0mo:com各美标准行业统料免费下载端面斜度
承插口圆度
4.3物理化学性能
JC705-1998
4.3.1陶管的抗外压强度应不低于表9的规定,表9陶管抗外压强度要求
公称直径
≥500
4.3.2陶管及配件的吸水率应不大于8%。4.3.3附管及配件的耐酸度不得低于98%。抗外压强度
按协议要求
4.3.4陶管及配件承受0.275MPa水压并保持5min,不得有渗漏现象。4.3.5公称直径100mm.150mm,长度至少为1m的陶管的弯曲强度应不低于表10的规定,表10陶管弯曲强度要求
公称直径
5检验方法
存曲强度
5.1外观质盘用目测并配合使用精度为0.5mm的钢板直尺进行检验.5.2规格尺寸差按GB/T2837进行检验,5.3抗外压强度按GB/T2832进行检验。5.4吸水率按GB/T2834进行检验。5.5耐酸度按GB/T2835进行检验。5.6水压抗渗性能按GB/T2836进行检验,5.7弯曲强度按GB/T2833进行检验。6检验规则
检验分类
标准提搜网bzz0mo:com各美标准行业统料免费下载
小提示:此标准内容仅展示完整标准里的部分截取内容,若需要完整标准请到上方自行免费下载完整标准文档。