首页 > 建筑材料行业标准(JC) > JC 707-1997 坐便器低水箱配件
JC 707-1997

基本信息

标准号: JC 707-1997

中文名称:坐便器低水箱配件

标准类别:建筑材料行业标准(JC)

标准状态:已作废

发布日期:1997-04-29

实施日期:1997-08-01

作废日期:2008-01-23

出版语种:简体中文

下载格式:.rar.pdf

下载大小:233445

相关标签: 坐便器 水箱 配件

标准分类号

中标分类号:建材>>陶瓷、玻璃>>Q31建筑卫生陶瓷

关联标准

替代情况:已被JC 987-2005代替。

采标情况:DIN 19542-1984 NEQ

出版信息

页数:11页

标准价格:8.0 元

相关单位信息

标准简介

JC 707-1997 坐便器低水箱配件 JC707-1997 标准下载解压密码:www.bzxz.net

标准图片预览

JC 707-1997 坐便器低水箱配件
JC 707-1997 坐便器低水箱配件
JC 707-1997 坐便器低水箱配件
JC 707-1997 坐便器低水箱配件
JC 707-1997 坐便器低水箱配件

标准内容

中华人民共和国建材行业标准
坐便器低水箱配件
JC707—1997
国家建筑材料工业局1997-04-29批准并发布1997-08-01实施
本标是对原国家标准GB8219--87《坐便器低水箱配件》的修订,非等效采用德国标准DIN19542一84《便器冲水箱的构造与试验原理》,其要求中的外观、橡胶件材质和浮球体的强度、渗水试验等指标严于DIN19542-84。与原GB8219—87比较,本标准将主要试验方法列人了标准的附录A、B、C,增加了橡胶件的性能指标,对检验规则也作了适当的修订。
本标准的附录 A~附录 C 为标准的附录。本标谁自实施日期起,原国家标准GB8219--87《坐便器低水箱配件》同时作废。本标推由国家建筑材料工业局威阳陶瓷研究设计院提出并技术归口。本标准起草单位:国家建筑材料工业局威阳陶瓷研究设计院、国家建筑材料工业局标推化研究所、福建南安长江机械有限公司、南京福天洁具公司、广东中山榄源洁具实业有限公司、唐山市建筑陶瓷厂、广西平南县水暖器材厂、广东开平市水暖器材厂、广东顺德市腾达洁具实业公司、大连通力企业有限公司。本标崔主要起草人:沈朝洪赵瑞芳章伟黄建全
季源孝
李展开 郑志民梁岳阳
许国森
潘炽荣
王心超
1范围
本标准规定了坐便器低水箱配件(连体便器除外)的产品分类,等级,要求,试验方法,检验规则和标志、包装、运输、贮存等。本标准适用于安装在供水管路上、公称压力为0.6MPa与坐便器配套作冲便用的低水箱配件的生产和检验。
2引用标准
下列标准所包含的条文,通过在本标准中的引用而构成为本标准的条文。本标准出版时,所示版本均为有效。所有标准都会被修订,使用本标准的各方应探讨使用下列标准最新版本的可能性。
橡胶邵尔A型硬度试验方法
GB 531—-83
GB 1176—87
GB 2828--87
GB 2829-87
GB 4892-—85
铸造铜合金技术条件
逐批检查计数抽样程序及抽样表(适用于连续批的检查)周期检查计数抽样程序及抽样表(适用于生产过程稳定性的检查)硬质直方体运输包装尺寸系列
GB6060.2--85表面粗糙度比较样块磨、车、镗、铣、插及刨加工表面。运输包装收发货标志
GB6388—86
GB 9876---88
给、排水管道用橡胶密封圈胶料GB12670—90
GB 12671—90
GB 12672—90
聚丙烯树脂
聚苯乙烯树脂
丙烯腈丁二烯-苯乙烯(ABS)树脂JB2115—77金属覆盖厚度试验方法——计时液流法JC/T551一94坐便器低水箱配件排水阀密封及寿命试验方法3分类
3.1低水箱配件按排水阀和进水阀结构分类代号采用汉语拼音的第1个字母表示。见图1,规格尺寸见表1。mm 表 1.
进水管内径
排水阀内径
溢流管内径
进水密封胶垫外
排水密封胶垫外
3.2标记示例
公称尺
@≥16
@≥75
进水阀连接长度
排水阀连接长度
销口连接长度
,排水口连接螺纹尺
例:1991年研制的塑料产品,排水阀为翻板式,进水阀为浮简式。公称尺寸
M58X3(2)
4要求
4.1材料
1-进水:2—排水阀;3—进水密封胶望,4—弯管5—锁,6—排水翻封胶垫,7浮球;8补水管SF
4.1、1铜件材质应符合GB1176的规定。9
研制年份
一浮简式
·板式
4.1.2塑料件材质应分别符合GB12670、GB12671和GB12672的规定。4.1.3橡胶件材质应符合GB9876的规定。4.1.4搬把必须使用、铜合金和ABS等工程塑料或具有足够强度的其他材料。4.2般要求
4.2.1应能方便安装和拆卸。各活动部件必须动作灵活,无卡阻现象。4.2.2应具有方便调节有效水量的专门结构。溢流管必须高于有效工作液面20mm。4.2.3
4.2.4进水阀应有有效的防虹吸装置,否则出水口应高于溢流管20mm。4.2.5进水阀应有补水管,其补水量必须满足水封要求。4.3外观质量
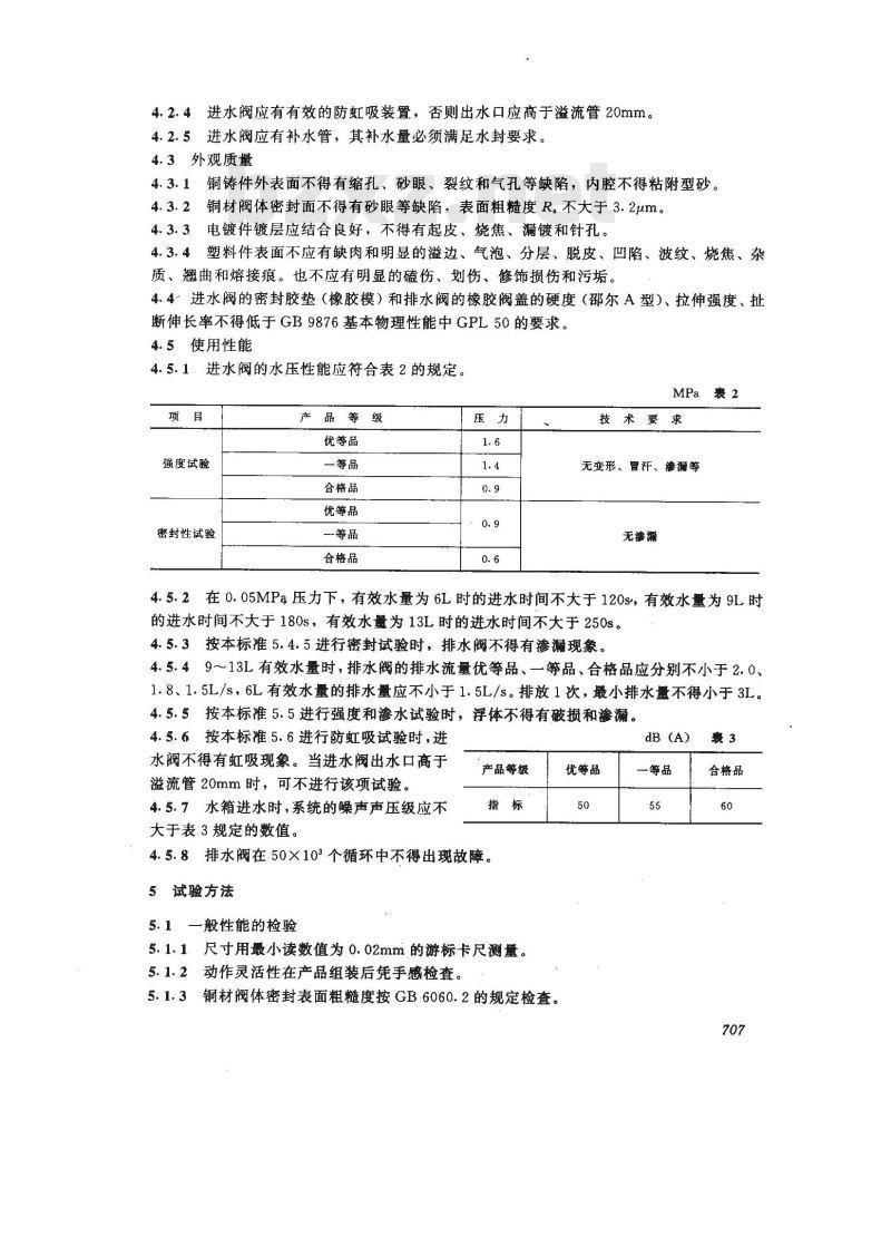
4.3.1铜铸件外表面不得有缩孔、砂眼、裂纹和气孔等缺陷,内腔不得粘附型砂。4.3.2铜材阀体密封面不得有砂眼等缺陷,表面粗糙度R.不大于3.2μm。4.3.3电镀件镀层应结合良好,不得有起皮、烧焦、漏镀和针孔。4.3.4塑料件表面不应有缺肉和明显的溢边、气泡、分层、脱皮、凹陷、波纹、烧焦、杂质、翘曲和熔接痕。也不应有明显的磕伤、划伤、修饰损伤和污垢。4.4进水阀的密封胶垫(橡胶模)和排水阀的橡胶阀盖的硬度(邵尔A型)、拉伸强度、扯断伸长率不得低于GB9876基本物理性能中GPL50的要求。4.5使用性能
4.5.1进水阀的水压性能应符合表2的规定。MPa 裹2
强度试验
密封性试验
产品等级
优等品
一等品wwW.bzxz.Net
合格品
优等品
一等品
合格品
技术要求
无变形、胃汗、渗等
无渗漏
4.5.2在0.05MPa压力下,有效水量为6L时的进水时间不大于120s,有效水量为9L时的进水时间不大于180s,有效水量为13L时的进水时间不大于250s。4.5.3按本标准5.4.5进行密封试验时,排水阀不得有渗漏现象。4.5.49~13L有效水量时,排水阀的排水流量优等品、一等品、合格品应分别不小于2.0、1.8、1.5L/s,6L有效水量的排水量应不小于1.5L/s。排放1次,最小排水量不得小于3L。4.5.5按本标准5.5进行强度和渗水试验时,浮体不得有破损和渗漏。4.5.6按本标准5.6进行防虹吸试验时,进水阀不得有虹吸现象。当进水阀出水口高于溢流管20mm时,可不进行该项试验。4.5.7水箱进水时,系统的噪声声压级应不大于表3规定的数值。
产品等级
4.5.8排水阀在50×103个循环中不得出现故障。5试验方法
5. 1一般性能的检验
5.1.1尺寸用最小读数值为0.02mm的游标卡尺测量。5.1.2动作灵活性在产品组装后凭手感检查。5.1.3铜材阀体密封表面粗糙度按GB6060.2的规定检查。优等品
dB (A)
一等品
合格品
5.1.4产品的外观缺陷在距离500mm,照度不低于300Lx,不借助任何放大仪器的条件下目测。
5.2镀层质量的检查
5.2.1外观按本标准5.1.4检查。5.2.2表面粗糙度参照GB6060.2规定检查。5.2.3镀层结合强度按JB2115的规定检查。5.3进水阀密封胶垫和排水阀橡胶阀盖的硬度按GB531的规定检查其邵尔A型硬度。5.4进水阀、排水阀的密封和流量检验5.4.1进水阀密封、进水时间、排水阀密封、排水流量等试验在标准水箱中进行,水箱内积尺寸为长×宽×高:400mm×175mm×300mm。5.4.2进水阀强度试验按本标准附录B(标准的附录)进行。5.4.3进水阀密封试验按本标准附录A(标准的附录)中A3.1进行。5.4.4进水时间试验按本标准附录A(标准的附录)中A3.2进行。5.4.5排水阀密封试验按本标准附录A(标准的附录)中A3.3进行。5.4.6排水流量试验按本标准附录A(标准的附录)中A3.4进行。5.5浮体的强度和渗水试验
5.5.1强度试验:将浮体提到其底部距水泥地面2m高度时自由落体1次,检查浮体有无破损。铜质浮体可免试。
5.5.2渗水试验:将浮体浸没在室温的水中,使其最高点距水面不小于100mm,保持时间应不小于10min,检查浮体有无渗漏。铜质浮体在60~85℃的热水中进行。5.6防虹吸试验
5.6.1在进水阀密封面上垫一根0.4~0.8mm的金属丝。5.6.2向水箱中注人有效水量为9L的水,抽真空使供水系统真空度不小于0.08MPa,并在此条件下持续3min,检查有无虹吸现象。5.7噪声试验
按本标准附录C(标准的附录)的规定进行。5.8寿命试验
必要时,按JC/T551进行排水阀寿命试验。6检验规则
6.1检验分类
6.1.1出厂检验包括4.3、4.5.1、4.5.3规定的项目。6.1.2型式检验包括本标准要求的全部项目。正常情况下,每年至少进行1次。有下列情况之一时,一般应进行型式检验:a)新产品或老产品转厂生产的试制定型鉴定;b)正式生产后,如结构、材料、工艺有较大改变,可能影产品性能时;c)正常生产时,定期或积累一定产量后,一年应进行1次检验;d)产品停产半年以上,恢复生产时;708
e)出厂检验结果与上次型式检验有较大差异时;f)国家质量监督检验机构提出进行型式检验的要求时。6.2组批与抽样规则
以同品种、同等级的产品每200~1000套为一批,不足200套的以一批计。6.3出厂检验
按GB2828的规定进行,采用特殊检验水平S--2,正常检验一次抽样方案。出厂检验的项目、不合格类别、合格质量水平(AQL)按表4的规定。表4
不合格类别
检验项目
进水阀密封
排水阀密封
外观质量
6.4型式检验
不合格类别
检验项目
进水阀密封胶垫和排水阀橡
胶阀盖
进水阀强度
进水时间
排水流量
浮体强度和渗水
防虹吸
般要求
按GB2829的规定进行,采用判别水平I的一次抽样方案。表5
型式检验的样本在提交的合格批中抽取,其项目、不合格类别、不合格质量水平(RQL)按表5规定。
标志、包装、运输和整存
7.1产品上应有明显清晰,不易涂改的注册商标。7.2产品包装盒上应标明厂名、品名、生产日期、注册商标和本标准代号。7.3每套产品应分别包装,并附有合格证和安装使用说明书。保证产品之间不发生碰撞。应用全封闭木箱或纸箱作外包装,包装外型尺寸与标志应符合GB4892和GB6388的规定。
7.4产品在运输中应防止雨淋、受潮和磕碰,搬运时应轻放。7.5产品应贮存在通风良好、干燥的室内,不得与酸、碱及有腐蚀性的物品共贮。709
A1适用范围
附录A
(标准的附录)
坐便器低水箱配件密封性试验
和流量的定
本方法适用于检验坐便器低水箱配件进水阀、排水阀的密封性及流量。A2设备
卫生洁具配件性能测试台。
A3试验步骤
A3.1进水阀密封试验
A3.1.1将进水阀在标准水箱(内积尺寸长×宽×高为:400mm×175mm×300mm)中安装成使用状态
A3,12开动空压机,在升压的同时,接通供水系统,将贮水罐中的水加压至0.6MPa,当水箱中的液面升到一定商度时,靠浮体(简)的浮力关闭进水,并找到平衡点,但浮体在水中的体积不得大于3/4,此时液面不再升。A3.1.3记录该液面的准确刻度,并保持30s,观察液面有无变动。A3.2进水时间试验
A3.2.1将进水阀在标准水箱中安装成使用状态。43.2.2用量简测量预定水量,并做出该液面高度的明显标记。A3.2.3调整供水压力为0.05MPa,将进水阀完全打开,用秒表计算达到预定水量的时间。在此压力下,重复上述试验3次,取算术平均值。A3.3排水阀密封试验
A3.3.1将排水阀在标推水箱中安装调试成使用状态。A3.3.2水箱注水后,启闭阀盖,并在水箱中注够9L有效水量,用干毛巾擦净阀座底部的余水,检查密封面是否有渗漏,如有渗漏,可作适当调整。,调整后重复上述试验,保持时间不得少于3min。
A3.3.3按上述步骤,启闭阅盖3次检查有无渗。A3.4排水流试验
A3.4.1在标准水箱内的标尺上标定有效水量为9L、13L(用量筒测量)的刻度线。并向水箱内注水至规定有效水量的刻度线。A3.4.2打开排水阀的同时用秒表测定排尽规定水量的时间。记录排水时间并计算排水流量。
A3.4.3按上述形骤量复试验3次,取算术平均值。710
适用范围
附录B
(标准的附录)
进水阀强度的测定
本方法适用于测定坐便器低水箱配件进水阀的强度。B2设备
手动试压泵。
B3试验步骤
将被测试样安装在试压泵上,关闭阀门,手动加压到规定压力,在此压力下保持30s,仔细观察阀体各部位是否出现破裂、变形及渗水等异常。附录C
(标准的附录)
进水噪声的测定
C1适用范围
本方法适用于检验坐便器低水箱配件进水阀在规定压力下进水时的噪声。C2仪器
精密脉冲声级计
C3环境条件
环境噪声声压级不大于30dB(A)C4 试验步骤
将声级计水平放置在使测头距离水箱正前方边缘1m,高于地面1m处。打开开关,调C4.1
整零点。
C4.2将试样安装在水箱中,调节进水压力至0.3MPa,测量并记录进水时的最大噪声值。C4.3按上述步骤重复3次,取算术平均值。711
小提示:此标准内容仅展示完整标准里的部分截取内容,若需要完整标准请到上方自行免费下载完整标准文档。