首页 > 建筑材料行业标准(JC) > JC 840-1999 自粘橡胶沥青防水卷材
JC 840-1999

基本信息

标准号: JC 840-1999

中文名称:自粘橡胶沥青防水卷材

标准类别:建筑材料行业标准(JC)

标准状态:现行

发布日期:1999-04-09

实施日期:1999-08-01

出版语种:简体中文

下载格式:.rar.pdf

下载大小:216845

相关标签: 橡胶 沥青 防水 卷材

标准分类号

标准ICS号:建筑材料和建筑物>>建筑材料>>91.100.50粘合料、密封材料

中标分类号:建材>>建材产品>>Q17屋面、铺面防水与防潮材料

关联标准

出版信息

出版社:中国标准出版社

页数:8页

标准价格:14.0 元

相关单位信息

起草人:杨斌、李鑫全、朱志远、袁卫东、詹福民、甄玉成、韩震雄

起草单位:国家建筑材料工业局标准化研究所、上海市北蔡防水材料厂、中国化学建材公司苏州防水材料研究设计所

归口单位:全国轻质与装饰建筑材料标准化技术委员会

提出单位:国家建筑材料工业局

发布部门:国家建筑材料工业局

标准简介

本标准规定了自粘橡胶沥青防水卷材的分类、技术要求、试验方法、检验规则、标志、贮存和运输等本标准适用于以SBS等弹性体、沥青为基料,以聚乙烯膜、铝箔为表面材料或无膜(双面自粘)、采用防粘隔离层的自粘防水卷材(以下简称“自粘卷材”)。 JC 840-1999 自粘橡胶沥青防水卷材 JC840-1999 标准下载解压密码:www.bzxz.net

标准图片预览

JC 840-1999 自粘橡胶沥青防水卷材
JC 840-1999 自粘橡胶沥青防水卷材
JC 840-1999 自粘橡胶沥青防水卷材
JC 840-1999 自粘橡胶沥青防水卷材
JC 840-1999 自粘橡胶沥青防水卷材

标准内容

JC840-1999
本标准是在总结我国生产与使用自粘橡胶沥青防水卷材经验、参照国外技术资料,经调查研究与试验验证基础上制定的。本标准无国外同类产品标准可等效采用。自粘橡胶沥青防水卷材是一种有广泛发展前景的新型建筑防水材料,具有不透水性、低温柔性、延伸性能、自愈性、粘结性能好等特点,易于施工,施工速度快,能保证建筑防水工程质量,适用于屋面、地下与室内防水工程。
为了保证产品与防水工程质量,本标准技术要求中除规定了卷材常规的物理力学性能外,还增列了剪切性能、剥离性能、抗穿孔性与人工候化试验。本标准由全国轻质与装饰建筑材料标准化技术委员会归口。本标准负责起草单位:国家建筑材料工业局标准化研究所、上海市北蔡防水材料厂、中国化学建材公司苏州防水材料研究设计所。本标准参加起草单位:保定石油化工厂防水材料分厂、盘锦禹王防水建材集团、北京市建筑工程研究院、上海市建筑材料及构件质量监督检验站。本标准主要起草人:杨斌、李鑫全、朱志远、袁卫东、詹福民、甄玉成、韩雄。428
中华人民共和国建材行业标准
自粘橡胶沥青防水卷材
Self adhesive rubber-asphalted membranes for waterproofingJC840—1999
本标准规定了自粘橡胶沥青防水卷材的分类、技术要求、试验方法、检验规则、标志、贮存和运输等。本标准适用于以SBS等弹性体、沥青为基料,以聚乙烯膜、铝箔为表面材料或无膜(双面自粘)、采用防粘隔离层的自粘防水卷材(以下简称“自粘卷材”)。2引用标准
下列标准所包含的条文,通过在本标准中引用而构成为本标准的条文。本标准出版时,所示版本均为有效。所有标准都会被修订,使用本标准的各方应探讨使用下列标准最新版本的可能性。GB326--1989石油沥青纸胎油毡、油纸GB/T328一1989沥青防水卷材试验方法GB/T528-1992硫化橡胶和热塑性橡胶拉伸性能的测定GB12952---1991聚氯乙烯防水卷材JC/T560—1994弹性体沥青防水卷材JC/T633—1996改性沥青聚乙烯胎防水卷材3分类
3.1分类
按表面材料分为聚乙烯膜(PE)、铝箔(AL)与无膜(N)三种自粘卷材;按使用功能分为外露防水工程(O)与非外露防水工程(I)两种使用状况。3.2规格
面积:20m2、10m2、5m2;宽:920mm、1000mm;厚:1.2mm、1.5mm2.0mm。注:生产其他规格尺寸的防水卷材,可由供需双方协商确定。3.3标记
按产品名称、使用功能、表面材料、卷材厚度和标准编号顺序标记。标记示例:2mm厚表面材料为非外露使用的聚乙烯膜的自粘橡胶沥青防水卷材。自粘卷材IPE2JC840-—1999
3.4用途
聚乙烯膜为表面材料的自粘卷材适用于非外露的防水工程;铝箔为表面材料的自粘卷材适用于外露的防水工程;无膜双面自粘卷材适用于辅助防水工程。4技术要求
4.1卷重与尺寸允许偏差
4.1.1卷重应符合表1规定。
国家建筑材料工业局1999-04-09批准1999-08-01实施
表面材料
标称卷重/(kg/10m)
最低卷重/(kg/10m2)
尺寸允许偏差应符合表2规定。
面积/(m2/卷)
厚度/(mm)
4.2外观
平均值》
最小值
JC840-1999
尺寸允许偏差
成卷卷材应卷紧、卷齐,端面里进外出差不得超过20mm。4.2.1
卷材表面应平整,不允许有可见的缺陷,如孔洞、结块、裂纹、气泡、缺边与裂口等。成卷卷材在环境温度为柔度规定的温度以上时应易于展开,4.2.3
4.2.4每卷卷材的接头不应超过1个。接头处应剪切整齐,并加长150mm。一批产品中有接头卷材不应超过3%。
4.3物理力学性能
物理力学性能应符合表3规定。
表3物理力学性能
耐热度
压力/MPa
保持时间/min
拉力/(N/5cm)
断裂延伸率/%
剪切性能/
(N/mm)
卷材与卷材
卷材与铝板
剥离性能/(N/mm)
抗穿孔性
人工候
化处理
拉力保持率/%
120,不透水
30.不透水
80℃,加热2h,无气泡,无滑动100
20℃,20mm,3S,180°无裂纹
2.0或粘合面外断裂
1.5或粘合面外断裂
不渗水
无裂纹、无气泡
-10℃,$20mm,3s,180°无裂纹450
粘合面外断裂
粘合面外断裂
5试验方法
JC 840---1999
5.1卷重、尺寸允许偏差与外观按GB326附录进行。厚度按JC/T560进行。卷重不包括卷芯与隔离纸。随机抽取10m2隔离纸与10根卷芯,称取其重量,计算出隔离纸单位面积的重量(kg/m2)与每根卷芯的平均重量,计算卷重时扣除。5.2物理力学性能
5.2.1试样
5.2.1.1被检测的卷材试样在试验前,应在23℃士2℃标准试验条件下至少放置4h。5.2.1.2将被检测的卷材,在距端部500mm处沿纵向截取长度为1500mm的全幅卷材进行物理力学性能试验。
5.2.1.3试样按图1截取,尺寸数量按表4。1500
图1试件的截取位置
表4试件尺寸与数量
不透水性
耐热度
拉伸性能
剪切性能
剥离性能
抗穿孔性
人工候化处理
5.2.2不透水性
试件尺寸(长×宽)/mm
150×150
100×50
GB/T582—1992I型或50×150
100×50
100×25
120×25
150X150
250×200
不透水性按GB12952进行。撕去试件表面的隔离纸,将与透水盘密封圈尺寸一样的滤纸制成的431
JC 840—1999
纸环置于试件自粘面上,自粘面迎水进行试验。双面自粘卷材背水面的隔离纸同时撕去,放置张同样尺寸的滤纸,再在试件上加上一块相同尺寸、孔径为2mm的金属网。次升到规定压力,保持120min与 30 min。
5.2.3耐热度
耐热度按GB/T328规定进行。试件粘贴在光洁的铝板上,铝板尺寸为110mm×50mm,上部有孔可以悬挂。在标准规定的温度下加热2h,观察其表面变化。5.2.4拉伸性能
聚乙烯膜与无膜自粘卷材拉力、断裂延伸率按GB/T528进行,采用I型试件。纵、横拉力与断裂延伸率分别以5个试件的中值作为测定值,按式(1)将拉力换算为5cm宽试件的拉力值。X50
式中:P-
5cm宽时的拉力,N/5cm;
F——I型试件的拉力,N;
bI型试件的宽度,mm。
(1)
铝箔面自粘卷材的拉力、断裂延伸率按JC/T633-1996中5.7进行,拉伸速度250mm/min。以五块度件纵、横拉力与断裂延伸率的算术平均值作为测定值。断裂延伸率是卷材沥青层出现孔洞、裂口时的结果。
5.2.5柔度
将试件与20mm弯板或圆棒同时放人一20℃的低温冰箱中,在此温度下保持2h。然后迅速取出试件(自粘面朝外),在3s内绕弯板或圆棒勾速弯曲180°,观察其表面有无裂纹与断裂现象。5.2.6剪切性能
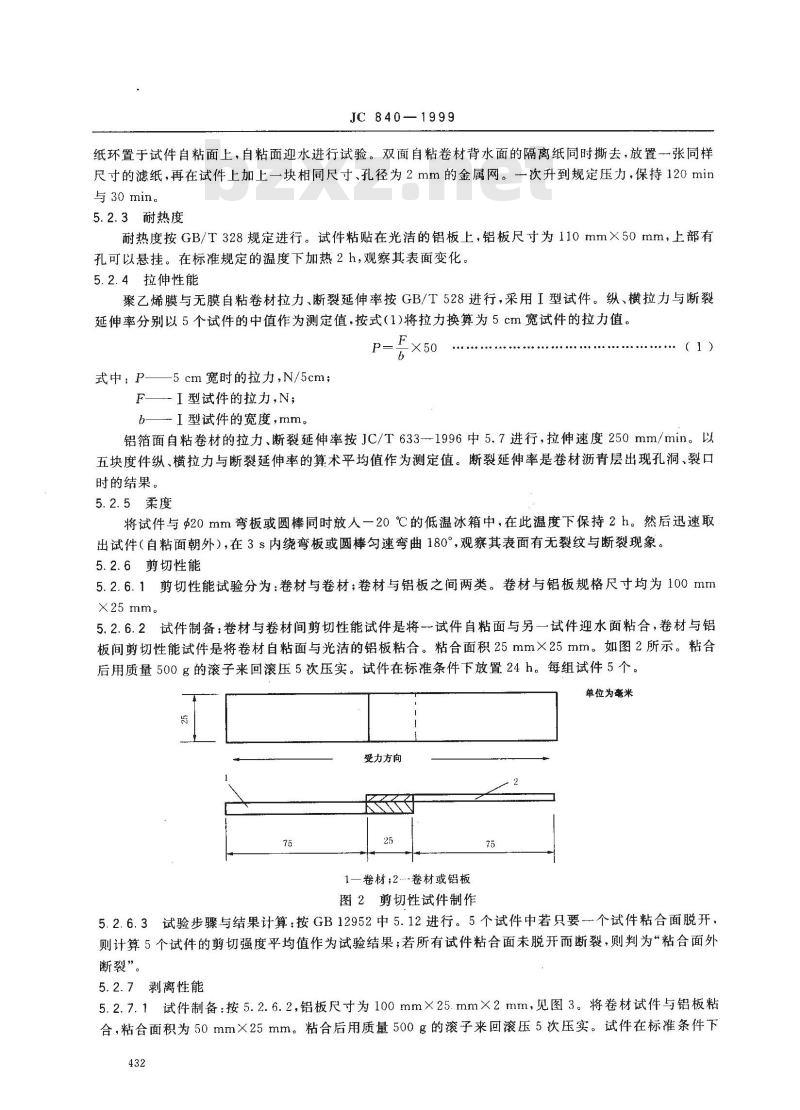
5.2.6.1剪切性能试验分为:卷材与卷材;卷材与铝板之间两类。卷材与铝板规格尺寸均为100mmX25 mm。
5.2.6.2试件制备:卷材与卷材间剪切性能试件是将一试件自粘面与另一试件迎水面粘合,卷材与铝板间剪切性能试件是将卷材自粘面与光洁的铝板粘合。粘合面积25mm×25mm。如图2所示。粘合后用质量500g的滚子来回滚压5次压实。试件在标准条件下放置24h。每组试件5个。单位为毫米
受力方向
1—卷材;2卷材或铝板
图2剪切性试件制作
5.2.6.3试验步骤与结果计算:按GB12952中5.12进行。5个试件中若只要一个试件粘合面脱开,则计算5个试件的剪切强度平均值作为试验结果;若所有试件粘合面未脱开而断裂,则判为粘合面外断裂”。
5.2.7剥离性能
5.2.7.1试件制备:按5.2.6.2,铝板尺寸为100mm×25.mm×2mm,见图3。将卷材试件与铝板粘合,粘合面积为50mm×25mm。粘合后用质量500g的滚子来回滚压5次压实。试件在标准条件下432
放置24 h。每组试件5个。
JC840—1999
受力方向
1--卷材;2-铝板
图3剥离性试件制作
5.2.7.2试验步骤与结果计算:按5.2.6.3进行,取最大拉力。5.2.8抗穿孔性
单位为毫米
抗穿孔性按GB12952-1991中5.11进行。在穿孔仪中,卷材迎水面朝上。水密性试验,将卷材自粘面朝上,并可用底涂料封闭玻璃管外圈。5.2.9人工候化处理
按GB12952—1991中5.14进行。光源为氙灯,功率4.5kW~6.5kW,样板与光源中心距离为250mm~400mm,试件连续光照720h后,在标准条件下放置24h。然后检查外观,测定拉力与柔度,计算拉力保持率,根据表3规定判定其人工候化性能。6检验规则
6.1检验分类
6.1.1按检验类型分为出厂检验与型式检验:出厂检验项目包括:卷重、尺寸偏差、外观、不透水性、耐热度、拉力、断裂延伸率、柔度、剪切性能。型式检验项目包括技术要求中的所有规定。6.1.2在下列情况下进行型式检验:a)新产品投产或产品定型鉴定时;b)正常生产时,每半年进行1次。人工候化处理每两年进行1次;c)原材料配比、工艺等发生较大变化,可能影响产品质量时;d)出厂检验结果与上次型式检验结果有较大差异时;e)产品停产6个月后恢复生产时;f)国家质量监督检验机构提出型式检验要求时。6.2批量
以同一类别、同一规格5000m2为一批量。不足5000m2时亦可按一批量计。6.3抽样
从每批中抽取三卷进行检验。
6.4判定规则免费标准bzxz.net
6.4.1卷重
对抽取的三卷进行称量,全部达到规定时为卷重合格。若发现有低于规定指标的卷材时,应在该批433
JC840—1999
产品中再抽三卷复验,全部达到规定为卷重合格。若仍有卷材卷重低于规定时,则判该批产品卷重不合格。
6.4.2尺寸偏差、外观
卷重合格后,开卷检查尺寸偏差与外观,若三卷均符合4.1、4.2规定要求,判定该批量合格;若其中有一项不符合标准规定,则从该批中再取同样数量的卷材进行复验。若符合标准规定,判定该批合格;若仍有不符合标准规定的项目,则判该批产品尺寸偏差、外观不合格。6.4.3物理力学性能
从卷重、尺寸偏差与外观检查合格的产品中任取一卷作物理力学性能试验。6.4.3.1不透水性、抗穿孔性三个试件均未发现渗水判为合格。6.4.3.2耐热度三个试件表面均未发现滑动或集中性气泡判为合格。6.4.3.3拉力、断裂延伸率以五个试件的中间值(或平均值)作为测定值,纵、横向值均符合标准判为合格。
6.4.3.4柔度六个试件中至少五个试件表面未发生裂纹判为合格。6.4.3.5剪切、剥离性能根据5.2.6.3与5.2.7.2测定的结果,符合标准判为合格。6.4.3.6人工候化处理符合表3规定判为合格。6.4.3.7判定:若检验的各项物理力学性能均符合标准要求时,则判该批产品物理力学性能合格。若有一项性能不合格,允许在该批产品中重新抽样,对该项进行复验。若检验结果符合标准,则判该批产品合格;若仍达不到标准规定,则判该批产品物理力学性能不合格。6.4.4总判定
卷材卷重、尺寸偏差、外观、物理力学性能均符合标准时,则判该批量产品合格。标志、包装、贮存与运输
7.1标志
卷材外包装上应注明生产厂名、商标、产品标记、生产日期、批量编号、生产许可证号、储运图示标志等。
7.2包装
卷材应有卷芯并以粘胶带或纸包装、盒包装。7.3贮存
卷材应在干燥、通风的环境下贮存,防止日晒雨淋。不同类别、规格的卷材应分别堆放。卷材应平放,堆放高度不宜超过5层。
在正常条件下,贮存期自生产之日起为一年。7.4运输
卷材运输时应平放,不得倾斜或交叉横压,防止日晒雨淋。434
小提示:此标准内容仅展示完整标准里的部分截取内容,若需要完整标准请到上方自行免费下载完整标准文档。