首页 > 建筑材料行业标准(JC) > JC 854-1999 玻璃纤维增强水泥通风管道
JC 854-1999

基本信息

标准号: JC 854-1999

中文名称:玻璃纤维增强水泥通风管道

标准类别:建筑材料行业标准(JC)

标准状态:已作废

发布日期:1999-06-15

实施日期:2000-01-01

作废日期:2008-12-01

出版语种:简体中文

下载格式:.rar.pdf

下载大小:711387

相关标签: 玻璃纤维 增强 水泥 通风管道

标准分类号

标准ICS号:建筑材料和建筑物>>建筑物中的设施>>91.140.30 通风和空调系统建筑材料和建筑物>>建筑材料>>91.100.40纤维增强水泥制品

中标分类号:建材>>建筑构配件与设备>>Q76建筑暖通、空调器材设备

关联标准

替代情况:被JC/T 854-2008代替

出版信息

出版社:中国建材工业出版社

页数:10页

标准价格:8.0 元

出版日期:2004-08-19

相关单位信息

起草人:崔玉忠、崔琪、刘玉兰、王瑾、焦明江、李圣勇、吕锋

起草单位:中国建筑材料科学研究院水泥科学与新型建筑材料研究所

归口单位:全国水泥制品标准化技术委员会

提出单位:国家建筑材料工业局

发布部门:国家建筑材料工业局

标准简介

本标准规定了玻璃纤维增强水泥(英文名称缩写为GRC)通风管道产品的分类、原材料、技术要求、试验方法、检验规则和标志、运输、贮存。本标准适用于以耐碱玻璃纤维为增强材料,低碱度水泥为应材料,砂子或其他种类的顺粒状材料为骨料预制而成的,用于建筑物厨房和卫生间排烟与排气的通风管道以及燃气热水器的废气排放管道和厨房与卫生间的立管管道井。本标准不适用于工业用通风管道和空调工程中的通风管道。 JC 854-1999 玻璃纤维增强水泥通风管道 JC854-1999 标准下载解压密码:www.bzxz.net

标准图片预览

JC 854-1999 玻璃纤维增强水泥通风管道
JC 854-1999 玻璃纤维增强水泥通风管道
JC 854-1999 玻璃纤维增强水泥通风管道
JC 854-1999 玻璃纤维增强水泥通风管道
JC 854-1999 玻璃纤维增强水泥通风管道

标准内容

中华人民共和国建材行业标准
JC854-1999
玻璃纤维增强水泥通风管道
Glassfiber reinforced cement duct for ventilation1999—06-15发布
国家建筑材料工业局发布
2000—01-01实施
JC 8 5 4-1 9 9 9
玻璃纤维增强水泥(GRC)是一种轻质、高强、防火、耐水、适宜于制做薄壁构件的无机复合材料,用此种材料制造的风管造真有整体密闭性好、安装施工快捷、可藏轻建筑物自重等特点。近儿年国内许多厂家都在生产玻璃纤维增强水泥通风管道,并且得到了广泛的应用,但是目前尚无可供来用的统一标准对此种新型产品进行质量控制和监备,国外也无同类产品标准可等同或等效采用,因此特制定本标准。
本标推于2000年1月1日实施。
本标准由全国水泥制品标准化技术委员会归口。本标推负责起草单位:中国建筑材料科学研究院水泥科学与新型建筑材料研究所。本标准参加起草单位:大连经济技术开发区新型建材制品厂、青岛青通排油烟管道厂,北京万正化学建材制品有限公司,成都市高翔新型建筑材料厂。本标准主要起草人:崔玉忠崔琪刘玉兰王瑾蕉明江李圣勇吕锋曲维戴家军
本标准委托中国建筑材料科学研究院水泥科学与新型建筑材料研究所负责解释。本标准为首次发布。
1范围
中华人民共和国建材行业标准
玻璃纤维增强水泥通风管道
Glassftberreinforced cementductforventilationJC 8 5 4 - 1 9 9 9
本标准规定了玻璃纤维增强水泥(英文名称缩写为GRC)通风管道产品的分类、原材料,技术要求、试验方法、检验规则和标志,运输、贮存。本标准适用于以耐碱玻璃纤维为增强材料,低碱度水泥为胶凝材料,砂子或其他种类的颗粒状材料为骨料预制而成的,用于建筑物厨房和卫生间排炳与排气的通风管道以及燃气热水器的废气排放管道和厨房与卫生间的立管管道井。本标准不适用于工业用通风管道和空调工程中的通风管道。2引用标准
下列标推所包含的条文,通过在本标准中引用而构成为本标准的条文。本标准出版时,所示版本均为有效。所有标准都会被修订:使用本标准的各方应探讨使用下列标准最新版本的可能性。GB2828—1987逐批检查计数抽样程序及抽样表GB5464-1985建筑材料不燃性试验方法GB/T146841993建筑用砂
GB/T15231-1994玻璃纤维增强水泥性能试验方法JC/T572—1994耐碱玻璃纤维无捻粗纱JC/T659-1997低碱度硫铝酸盐水泥JC 714—1996快硬硫铝酸盐水泥JC/T841—1999耐碱玻璃纤维网格布JGJ63-1989混凝土拌和用水
JG/T3028—1995住宅厨房排烟道3分类
3.1类型
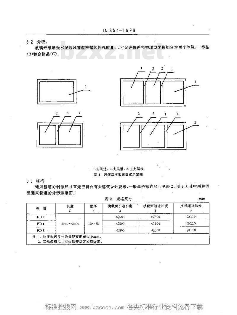
玻璃纤维增强水泥通风管道的载面型式为矩形。按风道数量分为单风道,一主一支型双风道、一主两支型三风道和两主一支型三风道四种构造类型。玻璃纤维增强水泥通风管道为整根制做,进气口位置按照设计要求预留。四种构造类型的基本截面型式如图1。产品类型和代号见表1。表1产品类型和代号
产品类型
单风道
~主一支双风道
一主两支型三风道
两生一支型三风道
国案建筑材料工业局 1 9 9 9-0 6-1 5 批准代
2 0 0 0-0 1-0 1 实施
JC B 54—1999
3.2分级:
玻璃纤维增强水泥通风管道根据其外观质量、尺寸允许偏差和物理力学性能分为两个等级:一等品(B)和合格品(C)。
1-主风道,2-支风道,3-主支隔板图 1风过基本截面型式示意图
3.3规格
通风管道的制作尺寸首先应符合有关建筑设计要求,一般规格标称尺寸见表2。图2为其中两种类型通风管道的外形示意图。
表 2规格尺寸
2700--3000
注:1、长度实际尺寸为楼层高虚减去10mm。2.其他规格尽寸可由供需双方协商快定,横截西长边长度
横截面短边长度
支道净边长
m3.4标记
JC 854--1999
图2玻璃纤维增强水泥通风管道外形示意图产品标记顺序为规格尺寸、类型(代号)、等级和标准编号。示例:玻璃纤维增强水泥通风管道,长度2800mm,截面尺寸600mm×300mm,一主两支型三风道,一等品,标记为,
GRC2800X600X300FDI.1BJC854—19994原材料
生产所采用的原材料必须符合下列标推。4.1玻璃纤维:采用符合JC/T572规定的耐碱玻璃纤维无抢粗纱或符合JC/T841的耐碱玻璃纤维网格布。
4.2水泥:采用符合JC/T659或JC714规定的硫铝酸盐永泥。4.3骨料:砂子应符合GB/T14684规定,其他骨料应符合相应的标准要求。4.4水:采用符合JGJ63规定的水。5 技术要求
5.1外观质量
5.1.1通风管道的内、外表面不应有裸露纤维、垠陷等现象。内表面应光滑平整。5、1.2通风管道流通截面为矩形,其内拐应做戒困弧倒角。管道内的预留导风口应通畅。5.1.3管道两端破损,宽不应超过边长的1/20,高不应超过50mm。5.1.4主支隔板不应有破摄现象,主支隔板应垂直于横截面边板。5.1.5管道表面不允许有费通性裂纹。JC 8 5 4-1 9 9 9
5.1.6管道表面的非贯通性裂纹长度,-等品不大于20mm,合格品不大于40mm。5.2尺寸充允许偏差
玻璃纤维增强水泥通风管道的尺寸允许偏差应符会表3规定。表3通风管道的尺寸允许偏差
一等品
合格品
5.3物理力学性能
横截面
长达长度
通风管道的物理力学性能应符合表4规定。横栽面
短逆长度
表 4物理力学性能
检验项,目
体积密度,g/cma
吸水率,%
抗弯骥度,MPa
抗冲击强度,kJ/m
垂直承载,kN
抗柔性冲击性
燃烧性能
6试验方法
支风道
净边长
对角线差
合格品
10kg砂袋,1m高度自由落下,同一烷量冲击5次,不开裂,不燃
试件试验时的龄期应大于14天。6.1外观质量
6. 1.1 量具:
直尺:量程0mm~300mm,最小分度值1mm,真角尺。6.1.2方法
平整度
距试件0.5m左右,目测其内外表面是否有裸露纤维、塌陷等现象以及内表面是否光滑平整,预留导风口是否通畅。
6.1.3用直尺测量管道两蹦破损尺寸和非贯通性裂纹长度。6.1.4用直角尺测量主支隔板的垂直度。6.2尺寸允许偏差
6.2.1 量具
卷尺:量程0mm~4000mm,最小分度值1mm;游标卡尺:量程0mm150mm,最小分度值0.02mm直尺:量程0mm~300mm,最小分度值1mm;楔形塞尺:量程0mm~10mm,2m靠尺。6.2.2测量方法
a)长度:用卷尺在任意一对对称面的中心线上测意,取两个测量值的算术平均值为检测数值,精确至1mm。
b)横截面长边长度、横截面短边长度及支风道净边长,用卷尺分别测量任意一端两个对称面的边长,取两个测量值的算术平均值为检测数值,精确至1mm。JC B 5 4- 1.9 9 9
c)壁厚:用游标卡尺测量管壁厚度,在每个侧面中间部位各测量一次,取其算术平均值为检测数值,精确至 1nm。
d)截面对角线差:用卷尺测量两个端面的对角线差,取其算术平均值为检测数值,精确至1mm。e)平整度:用2m靠尺和塞尺测量沿通风管道长度方向的四个表面的间隙,取最大间隙值为平整度检测结果。
6.3物理力学性能
6.3.1体积密度,吸水率
6.3.1.1仪器、量具
电热鼓风干燥箱:最高温度200℃,灵敏度±1.5℃,架盘药物关平:最大称量2000g,感量1g。游标卡尺:同6.2.1。
6. 3. 1. 2试件尺寸与数量
从成品上截三个试件,尺寸为100mm×100mm×厚度。6.3. 1.3试验步骤
测量试件的边长Ll、L.和厚度e,每个尺寸测量两个点,分别取其算术平均值.精确至0.1mm。将试件放人电热鼓风干爆箱中,恒温(105士2)℃,烘到连续两次称量之差小于0.5g时为值量,记录试件的十燥质量机1:然后将试件放入室温水中24h,从水中取出试件,用拧干的湿毛巾擦去表面附着承,称量并记录试件的饱水质量m26.3.1.4结果计算
体积密度按式(1)计算:免费标准bzxz.net
L,XLXe
吸水率按式(2)计算:
W=mg-m
式中:mi-干燥试件质量,gt
m—饱水试件质量,g;
P—体积密度.g/cm
W——吸水率,%,
L.试件边长,mm·
L,—-试件逆长,mmI
一试件厚度,mm.
取三个试件检测结果的算术乎均值为检测数值,体积密度精确至0.1g/cm,吸水率精确至0.1%。6.3.2抗弯强度
在成品上沿通风管道的长度方向截取试件,试验方法按GB/T15231规定进行。6.3.3抗冲击强度
在成品上沿通风管道的长度方向截取试件,试验方法接GB/T15231规定进行。6.3.4垂直承载
6.3.4.1仪器设备、量具
压力试验机,荷载500kN以上,上下压板间有效间距1.5m以上,精度2%,卷尺、直角尺:同6.2.1。6.3.4.2试件尺寸与数量
按制作整根风道的要求取三根长度为1.0m的试件,试件两对应边的长度差不大于2mm,两端口应乎整且互相平行;试件的长度面应垂直于两切口平面。6. 3. 4. 3试验来骤
JC854-1999
将试件直立于压力机上,试件上下两端面应垫厚度3mm5tm、面积大于试件口径的胶合板,垂直度不应大于2mm/m。否则应用木片或硬质薄片垫平。以恒定加荷速度加载裁,使试样在30s~605内破坏,记录试件破坏时的荷载值,即为该试件的垂直承载值,精确至1kN。
以三个试件试验结果的算术平均值为检测结果,精确至1kN。6.3.5抗柔性冲击性
以整根通风管道为测试试件。将试件大面水平支承于支距为1.8m的两条木棱上,木棱高宽尺寸为50mm×50mm,长度大于试件的横裁面长边。用10kg标准砂袋在试样中部上方,按接本标准规定的冲击高度和冲击次数,自由落下冲击同一部位。标准砂袋是将10kg干燥的标准砂,装入缝制的底部直径为200mm,高度为300mm的帆布袋中,冲击高度为从砂袋底部至试样被冲击面之间的距离。冲击5次后,检查试件是否开裂。
6.3.6燃烧性能
按接GB5464规定进行。
7检验规则
7.1检验分类
产品检验分为出厂检验和型式检验两类。7.1.1出广检验
产品出广检验项目包括5.1和5.2中的全部规定以及体积密度,吸水率和抗柔性冲击性。7.1.2型式检验
产品型式检验项目为第5章中的全部内容。型式检验的条件为:8)试制的新产品进行投产监定时;b)产品的材料、配方、工艺有重大改变,可能影响产品性能时:c)连续生产的产品每两年或生产30000根时;d)产品停产半年以上,恢复生产后;e)出厂检验结果与上次型式检验结果有较大差异时;f)用户有特殊要求时;
g)质量监督检验机构提出进行型式检验时。7.2抽样方法
7.2.1出厂检验抽样
产品出厂检验时外观质量和尺寸允许偏差按GB2828中正常二次捆样方案进行抽样,如表5。体积密度、吸水率、抗柔性冲击性在外观质量和尺寸允许偏差全部合格的产品中抽取二根进行检验。表5产品二次抽样方案
批盐范围
151~280
281~500
501~1200
样本大小
合格判定数
不合格判定数
批量范画
3201-10000
7.2.2型式检验抽样
JC 8 5 4-1 9 9 9
表5(完)
样本大小
合格判定数
不合格判定数
产品进行型式检验时,外观质量和尺寸允许偏差按GB2828中正常二次抽样方案进行抽样,物理力学性能的检验从外观质量和尺寸允许偏差全部合格的产品中抽取四根进行。7.3判定规则
7.3.1外观质量和尺寸偏差
7.3.1.1根据单个样品的检验结果,若受检样品的外观质量和尺寸偏差均符合5.1.5.2中相应规定时,则判该样品合格。若受检样品的外观质量和尺寸偏差有1项或多于1项不符合5.1、5.2中相应规定时,则判该样品不合格。
7.3.1.2根据样本检验结果,若在第一样本(nl)中不合格样品数()小于或等于表6中第一合格判定数(Ac),则判该批产品合格;若在第一样本(n)中不合格样品数()大于或等于表6中第一不合格判定数(Re),则判该批产品不合格。若在第一样本(n)中,不合格样品数<μ)大于第-·合格判定数(Ac)而小于第-不合格判定数(Re),则抽第二样本(.)进行检验。若在第和第二样本中的不合格样品总和(M十双)小于或等于第二合格判定数(Ac),则判该批产品合格,若在第一和第二样本中的不合格样品总和(凸十2)大于或等于第二不合格判定数(Rez),则判该批产品不合格。判定条件与判定结果如表6。表6判定条件与判定结果
判定条件
Ac<μμ+μAc
+μRes
判定结采
合格产品
不合格产品
抽第二样本进行检验
台格产品
不合格产品
7.3.2物理力学性能
若受检样品的物理力学性能均符合5.3中相应规定时,则判该批产品符合相应等级,若有2项或2项以上不符合5.3中相应规定时,则判该批产品不符合相应等级。若有1项不符合5.3中相应规定时,在原样本中抽取双倍样品对不合格项目进行复验,若全部合格则判该批产品符合该等级,若仍不合格者则判该批产品不符合该等级。
8标志与出厂合格证
8.1 标志
B.2出厂合格证
JC854-7999
凡经检验合格的产品,应填写出厂合格证。发货时,将出厂合格证随同发货单交给用户,其中应包括:
a)合格证编号:
b)生产厂名称;
C)产品标记、数量与生产日期等:d)出厂检验结果,
e)生产厂检验部门及检验人员签名盖章。9运输与贮存
9.1运输
装卸过程应轻起轻放,严禁抛掷。运输过程中应采取措施,以减缓振动,防止碰擅。9.2贮存
堆放场地必须坚实平坦,不同规格的产品应分别堆放,堆放高度不应超过2m。中华人民共和国建材
行业标准
玻璃纤维增强水泥通风管道
Glassfiber reinforced cement ductfor ventilation
JC B 5 41 9 9 9
国家建筑材料工业局标准化研究所出版发行地址:北京朝阳区管庄
邮政编码:100024
电话:65755125
机械科学研究院标准出版中心印刷版权专有不得网印
开本880×12301/16印张%字数18,0001999年12月第一版1999年12月第一次印刷印数1-700定价8.00元
编号 1133
小提示:此标准内容仅展示完整标准里的部分截取内容,若需要完整标准请到上方自行免费下载完整标准文档。