首页 > 建筑材料行业标准(JC) > JC/T 207-1996 建筑防水沥青嵌缝油膏
JC/T 207-1996

基本信息

标准号: JC/T 207-1996

中文名称:建筑防水沥青嵌缝油膏

标准类别:建筑材料行业标准(JC)

标准状态:现行

发布日期:1996-10-29

实施日期:1997-03-01

出版语种:简体中文

下载格式:.rar.pdf

下载大小:147968

相关标签: 建筑 防水 沥青

标准分类号

标准ICS号:建筑材料和建筑物>>建筑材料>>91.100.50粘合料、密封材料

中标分类号:建材>>建材产品>>Q24密封材料

关联标准

替代情况:JC 207-1976

出版信息

页数:6页

标准价格:10.0 元

相关单位信息

起草人:李谷云、丁苏华、胡学敏、田风兰、李勇、

起草单位:河南建筑材料研究设计院

归口单位:全国轻质与装饰装修建筑材料标准化技工术委员会

提出单位:国家建筑材料工业局

发布部门:国家建筑材料工业局

标准简介

本标准适用于冷施工程建筑防水沥青嵌缝油膏。 JC/T 207-1996 建筑防水沥青嵌缝油膏 JC/T207-1996 标准下载解压密码:www.bzxz.net

标准图片预览

JC/T 207-1996 建筑防水沥青嵌缝油膏
JC/T 207-1996 建筑防水沥青嵌缝油膏
JC/T 207-1996 建筑防水沥青嵌缝油膏
JC/T 207-1996 建筑防水沥青嵌缝油膏
JC/T 207-1996 建筑防水沥青嵌缝油膏

标准内容

中华人民共和国建材行业标准
建筑防水沥青嵌缝油膏
JC/T207—1996
国家建筑材料工业局1996-10-29批准并发布1997-03-01实施
建筑防水沥青嵌缝油膏是以石油沥青为基料,加入改性材料、稀释剂、填料等配制而成的黑色膏状嵌缝材料。原标准已应用了近二十年,这期间我国密封材料工业有了迅速的发展,并颁布了GB/T13477--92《建筑密封材料试验方法》和GB/T14682-—93《建筑密封材料术语》两项国家标准。为了尽可能与其他密封材料标准的内容相统一,并反映出此产品的特性,有必要对JC207一76《建筑防水沥青嵌缝油膏》进行修订。修订的主要内容包括:以GB/T13477一92的相关试验方法取代原标准中粘结性和漫水后粘结性的试验方法,并更名为“拉伸粘结性’:低温柔性所用基材也改用GB/T13477--92中规定的粘结基材。同时为满足建筑嵌缝施工中计算料量的需要,增加了“密度”指标。其余技术性能名称也均按GB/T14682-93规定进行了修订。本标准作为推荐性行业标准执行。本标准自实施之日起,同时代替JC207—76。本标准由全国轻质与装饰装修建筑材料标准化技术委员会归口。本标准负责起草单位:河南建筑材料研究设计院。本标准参加起草单位:北京一奥克兰防水材料有限公司、北京沥青绝缘材料厂和武汉新型防水材料厂。
本标准主要起草人:李谷云、丁苏华、胡学敏、田凤兰、李勇、曹治秋、邓超。本标准首次发布日期为1976年,此次为第一次修订。833
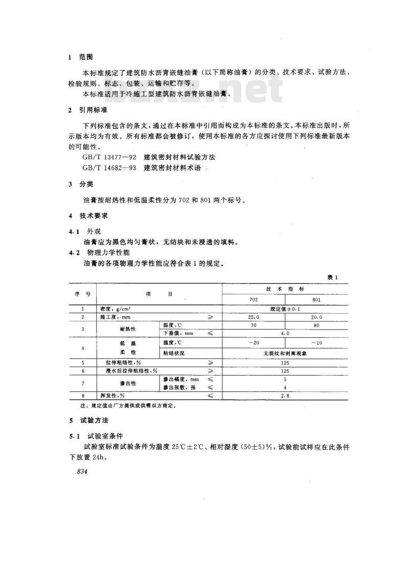
1范围
本标准规定了建筑防水沥青嵌缝油膏(以下简称油膏)的分类、技术要求、试验方法、检验规则、标志、包装、运输和贮存等。本标准适用于冷施工型建筑防水沥青嵌缝油膏,引用标准
下列标准包含的条文,通过在本标准中引用而构成为本标准的条文。本标准出版时,所示版本均为有效。所有标准都会被修订,使用本标准的各方应探讨使用下列标准最新版本的可能性。下载标准就来标准下载网
GB/T13477-92建筑密封材料试验方法GB/T 14682--93
3分类
建筑密封材料术语
油膏按耐热性和低温柔性分为702和801两个标号。技术要求
4.1外观
油膏应为黑色均勾膏状,无结块和未浸透的填料。4.2物理力学性能
油膏的各项物理力学性能应符合表1的规定。表1
密度,g/cm2
施工度,mm
耐热性
拉伸粘结性,%
浸水后拉伸粘结性,%
渗出性
挥发性,%
温度,℃
下垂值,mm
温度,℃
粘结状况
渗出幅度,mm
渗出张数,张
注:规定值由厂方提供或供需双方商定。试验方法
5.1试验室条件
技术指标
规定值士0.1
无裂纹和剥离现象
试验室标准试验条件为温度25℃±2℃、相对湿度(50士5)%,试验前试样应在此条件下放置24h。
5.2外观
打开容器,取中部油膏目测。
5.3密度
按GB/T13477第3章规定进行试验。5.4施工度
将油膏填入金属罐(见图1),装满压实刮平。然后浸入25℃土1℃水中45min,用装有金属落锥(见图2)的针入度仪(锥和杆总质量156g)测定5s时的沉人量(mm),每测一次,需用浸汽油或煤油的棉纱及干软布将落锥擦拭干净。共测3点,各点均匀分布在距离金属罐边缘约20mm处。试验结果取3个数据的算术平均值。若3个数据中有与平均值相差大于2mm者,允许重测一次。若仍有与平均值相差大于2mm者,则应重新制样进行检测。单位:m
单位:mm
图 金属罐
5.5耐热性
图2金属落锥
将金属槽(见图3)用丙酮擦洗干净,用刮刀将油膏仔细密实地嵌入槽内,刮平表面及两端。同时制备三个试件,随即将试件放于45°支架上(见图3),按产品标号置于70℃士2℃或80℃士2℃烘箱中恒温5h,然后取出试件,分别测量每个试件从金属槽下端到油膏下垂端点的长度,精确至0.1mm。
指空腺距高
单位:m
图3金属槽及支架
5.6低温柔性
采用GB/T13477第9章规定的水泥砂浆粘结基材,隔离垫块尺寸为22.5mm×15mm×12mm,制备三个试件,成型时底部用条格纸隔离。试件尺寸为30mm×15mm×12mm,成型后将试件(见图4)除去隔离垫块平放于瓷砖上,按标号置于一10℃士2℃或一20℃士2℃冰箱内恒温2h,迅速在金属试台(见图5)上弯曲,在2s内完成。检查每个试件表面的粘结状况。
5.7拉伸粘结性
单位:mm
图4试件
图5金属试台
单位mm
按GB/T13477第9章规定制备五个试件,成型时隔离垫块涂以隔离剂(甘油:滑石粉=1:3),并用透明胶粘带进行固定,底部用4g/m2油光纸隔离。除去试件上的隔离垫块,于25℃士1℃恒温水槽中放置45min后,置于拉力试验机上,以5mm/min~10mm/min的速度拉伸至油膏破坏(出现孔洞,裂口或边缘产生5mm以上的粘结破坏)时,测量并记录其伸长值(mm),按(1)式计算其伸长率。L
式中 L——伸长率,%;
L。---试件的原始长度,mm;
试件破坏时的长度,mm。
2×100
试验结果取五个试件中三个接近数据的算术平均值,精确至1%。5.8浸水后拉伸粘结性
按5.7制备五个试件,经室内停放24h,25℃土1℃水中浸泡24h后进行拉伸粘结性试验,并以相同方法计算试验结果。5.9渗出性
取干燥的中速定性滤纸五张,叠放在玻璃板上,在滤纸中央压上金属环(见图6),将油膏密实地填人环内,刮平表面,同时制备三个试件。然后按产品标号将其放入70℃土2℃或80℃士2℃的烘箱中恒温1h,分别测定油离在金属环外壁油分渗出的最大幅度(mm)和渗溃滤纸的张数(包括油膏接触的滤纸在内)。5.10挥发性
取油膏20士0.5g填人恒重的玻璃培养血(深12mm,内径65mm)内,用刮刀嵌实展平后称量(精确至0.001g),制备三个试件。将试件放人80℃士2℃烘箱内5h,取出放人干燥器内冷却30min:再次称量,按(2)式计算挥发率。M
式中M-
Mi M2
M - M。
挥发率,%;
单位;mm
图6金属环
M—加热前培养血和油膏的质量,g;M2——加热后培养血和油膏的质量,g;M。培养血质量,g。
试验结果取三个试件的算术平均值,精确至0.1%。检验规则
6.1出厂检验
出厂检验项目为外观、施工度、下垂度、低温柔性、拉伸粘结性。6.2型式检验
型式检验项目为技术要求中的全部项目。有下列情况之一时,应进行型式检验:a)新产品试制或老产品转产的试制定型鉴定;b)正常生产时,每半年进行一次型式检验;c)产品的原料、配方、工艺有较大改变,有可能影响产品质量时;d)产品停产一年以上,恢复生产时;e)国家质量监督机构提出型式检验要求时。6.3批量与抽样
以同一标号的产品20t为一批,不足20t也按一批计,每批随机抽取三件产品,离表皮大约50mm处各取样1kg,装于密封容器内,-份作试验用,另两份留作备查。6.4判定规则
6.4.1单项结果判定
外观不符合4.1的规定则为不合格品。耐热性、低温柔性、渗出性试验每个试件均符合规定,则判该项目合格。密度、施工度、拉伸粘结性、浸水后拉伸粘结性、挥发性每组试件的平均值符合规定,则判该项目合格。
6.4.2在出厂检验和型式检验中,若有两项或两项以上指标不符合规定时,则该批产品为不合格品;若有一项不符合规定时,可用备用样品复验。若仍有一项不符合要求,该批产品为不合格。
7标志、包装、运输与贮存
7.1标志
每件产品应标有生产厂名、地址、产品名称、标号、生产日期、净质量、商标、执行标准及产品合格证。
7.2包装
油膏应以密闭的铁桶或内衬塑料袋的纸箱等包装,每件25kg或按供需双方商定的规格包装。
7.3运输与贮存
油膏在运输与贮存时,应远离火源、热源,不得碰撞、挤压。自生产之日起产品贮存期为一年。
小提示:此标准内容仅展示完整标准里的部分截取内容,若需要完整标准请到上方自行免费下载完整标准文档。