首页 > 建筑材料行业标准(JC) > JC/T 222-1994 石棉绳
JC/T 222-1994

基本信息

标准号: JC/T 222-1994

中文名称:石棉绳

标准类别:建筑材料行业标准(JC)

标准状态:现行

发布日期:1994-05-27

实施日期:1994-12-01

出版语种:简体中文

下载格式:.rar.pdf

下载大小:143207

相关标签: 石棉

标准分类号

标准ICS号:采矿和矿产品>>73.080非金属矿

中标分类号:建材>>其他非金属矿制品>>Q61石棉材料

关联标准

替代情况:JC 222-1979

采标情况:JIS R3452-1979(1986) NEQ

出版信息

出版社:中国标准出版社

页数:8页

标准价格:12.0 元

相关单位信息

起草人:胡慧芬

起草单位:上海石棉制品厂

归口单位:咸阳非金属矿研究所技术

提出单位:国家建筑材料工业局

发布部门:国家建筑材料工业局

标准简介

本标准规定了石棉绳的产品分类与分级、技术要求、试验方法、检验规则等。本标准适用于以干法纺成的石棉纱、线制作的石棉绳。 JC/T 222-1994 石棉绳 JC/T222-1994 标准下载解压密码:www.bzxz.net

标准图片预览

JC/T 222-1994 石棉绳
JC/T 222-1994 石棉绳
JC/T 222-1994 石棉绳
JC/T 222-1994 石棉绳
JC/T 222-1994 石棉绳

标准内容

中华人民共和国建材行业标准
石棉绳
主题内容与适用范围
JC/T222—94
代替JC222—79
本标准规定了石棉绳的产品分类与分级、技术要求、试验方法、检验规则等。本标准适用于以干法纺成的石棉纱、线制作的石棉绳。2引用标准
JC/T221石棉纱、线
3分类与分级
3.1石棉绳按制造方法分为四类,产品名称及代号见表1。表1
产品名称
石棉扭绳
石棉圆绳
石棉方绳
石棉松绳
用石棉纱、线扭合而成
用石棉纱、线编结成國形的绳
用右棉纱、线编结成方形的绳
用石棉绒作芯,以石棉纱、线编成菱形网状外皮的松软的圆形绳3.2石棉绳按烧失量分为六级,见表2。分
AAAA级
AAA级
烧失量,%
16.1~19.0
19.1~24.0
24.1~28.0
28.1~32.0
32.1~35.0
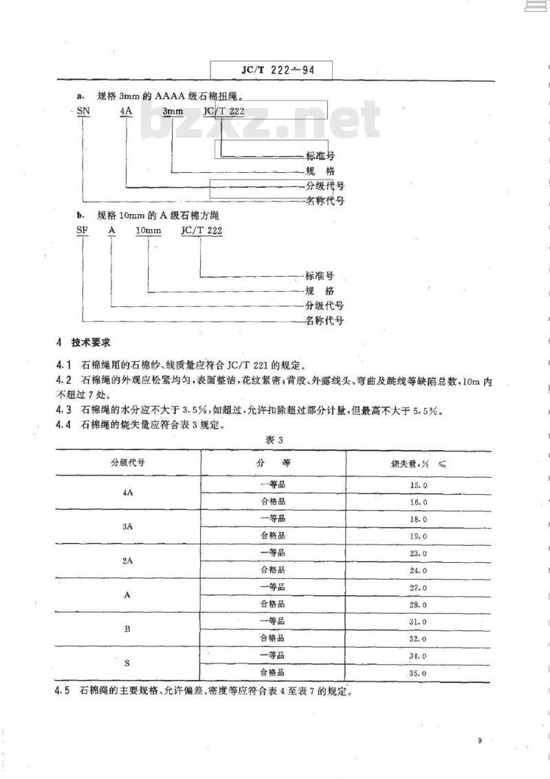
3.3产品标记
3.3.71石棉绳产品标记由名称代号、分级代号、规格和标准号组成。3.3.2标记示例
国家建筑材料工业局1994-05-27批准标准费报图
品各类标准行业场料免究
1994-12-01实施
规格3mm的AAAA级石棉扭绳
JC/T222-94
JC/T222
标准号
一分级代号
名称代号
规格10mm的A级石棉方绳
4技术要求
JC/T222
标准号
-规格
分级代号
名称代号
4.1石棉绳用的石棉纱、线质量应符合JC/T221的规定。4.2石棉绳的外观应松紧均匀,表面整洁,花纹紧密;背股、外露线头、弯曲及跳线等缺陷总数,10m内不超过7处。
4.3石棉绳的水分应不大于3.5%,如超过,允许扣除超过部分计量,但最高不大于5.5%。4.4石棉绳的烧失量应符合表3规定。表3
分级代号
一等品
合格品
一等品
合格品
一等品
合格品
一等品
合格品
一等品
合格品
一等品
合格品
4.5石棉绳的主要规格、允许偏差、密度等应符合表4至表7的规定。烧失量,%≤
规格(直径)
规格(直径)
允许偏差
JC/T222-94
表4石棉扭绳
允许偏差
表5石棉圆绳
编结层数
一层以上
二层以上
三层以上
四层以上
标准控控区温上能总品各类标准行业资型免费下密度
规格(边长)
允许偏差
规格(直径)
5试验方法
5.1试验仪器
JC/T222-94
表6石棉方绳
规格(边妹)
表7石棉松绳
允许偏差
天平:精度为5×10-和2×10-3
干燥箱;
高温炉
d玻璃干燥器。
5.2试验条件
充许偏差www.bzxz.net
石棉绳在测定物理性能时,可就当地实际气候条件下进行。如需仲裁时,应将试样放在温度为20士1℃及相对湿度为(50士2)%的条件下保持4h以后进行测定。5.3外观及规格的测定
采用精度为0.02mm的游标卡尺测量,任意选择一点作起点,以后每隔1m测量一次,测量石棉绳的外径或边长,准确至0.1mm,以五次测量的平均值为测定结果。在测定规格的尚时用目测法检验外观。
务类标准业格
5.4水分的测定
JC/T222-94
取试样三份,各重约3~10g,称量准确至0.001g,将试样置于105~110℃干燥箱中烘干至恒重,水分含量W(%)按式(1)计算,取三个试样的平均值为测定结果:mo
式中:ma—试样原质量,g;
m1-—试样干燥后质量,g。
5.5烧失量的测定
(1)
自选出的试样中,称取3~10g试样三份,在105~110℃温度条件下烘干至恒重,分别在天平上称量,准确至0.001g,置于高温炉中,在750~800℃温度条件下灼烧30min,取出后待至红色消退,移入玻璃干燥器中冷却,再称量,烧失量IL(%)按式(2)计算,取三个试样的平均值为测定结果:IL
式中:ml-试样干燥后质量,g;m2~试样灼烧后质量,g。
(2))
5.6密度的测定
测量试样的长度准确至1mm,称量准确至0.001g,截面积按实际测定的规格求得,密度按式(3)计算,取三个试样的平均值为测定结果:p
式中:p——试样的密度,g/cm;M-试样的质量,g;
A—一试样的截面积,mm;
L-试样的长度,mm。
5.7编结层数测定
由试样的横截面剥离观察。
6检验规则
(3)
6.1同-一类别、等级和规格的石棉绳,卷装重量为2.5kg和5kg,每250kg为一批,不足250kg仍按批计;卷装重量10kg和25kg,每500kg为一批,不足500kg仍按一批计。6.2从每批产品中随机抽取3卷,进行规格和外观检验,合格后再逐项进行其他各项指标测定。6.3每批产品均需经过检验,检验结果应符合技术要求规定;若有任何一项不符合技术要求,应加倍取样对该项指标复验,以复验结果为最终判断该批产品合格或不合格的依据。7标志、包装、运输及贮存
7.1标志
每包石棉绳应附有产品合格证,并具有下列标志:制造厂名;
b.产品名称;
c.商标;
d.产品标记;
制造日期或生产批号。
7.2包装
标准投热园m上各类标准行业质报JC/T222~
石棉绳根据规格分2.5,5.010.0,25.0kg卷装,每卷用塑料袋或防潮纸包装,以50土0.5kg为一包
7.3运输及贮存
石棉绳在运输及贮存中应防潮。13
anebeam会
附加说明:
石棉扭绳
JC/T222-94
附录A
石棉绳重量
(参考件)
石棉圆绳
本标准由咸阳非金属矿研究所技术归口。本标准由上海石棉制品厂负责起草。本标准主要起草人胡慧芬。
本标准首次发布于1961年12月。本标准参照采用日本工业标准JISR3452—79(86)《石棉绳》14
标准控技图各类标准行业核料免石棉方绳
石棉松绳
小提示:此标准内容仅展示完整标准里的部分截取内容,若需要完整标准请到上方自行免费下载完整标准文档。