首页 > 纺织行业标准(FZ) > FZ/T 13010-1998 橡胶工业用合成纤维帆布
FZ/T 13010-1998

基本信息

标准号: FZ/T 13010-1998

中文名称:橡胶工业用合成纤维帆布

标准类别:纺织行业标准(FZ)

标准状态:现行

发布日期:1998-06-29

实施日期:1999-01-01

出版语种:简体中文

下载格式:.rar.pdf

下载大小:670082

相关标签: 橡胶 合成纤维 帆布

标准分类号

标准ICS号:纺织和皮革技术>>纺织产品>>59.080.70土工布

中标分类号:纺织>>纺织制品>>W59其他纺织制品

关联标准

采标情况:JIS L1096-90 NEQ

出版信息

出版社:中国标准出版社

书号:155066.2-12465

页数:21页

标准价格:15.0 元

出版日期:2004-03-23

相关单位信息

起草单位:上海市纺织工业技术监督所、安丘帘帆布厂

归口单位:上海市纺织工业技术监督所

提出单位:中国纺织总会

发布部门:国家纺织工业局

标准简介

本标准规定了橡胶工业用合成纤维帆布的产品品种、规格、技术要求、外观质量要求、试验方法、标志、包装、贮存和运输。本标准适用于鉴定机织生产橡胶工业用合成纤维本色帆布和浸胶帆布的品质。 FZ/T 13010-1998 橡胶工业用合成纤维帆布 FZ/T13010-1998 标准下载解压密码:www.bzxz.net

标准图片预览

FZ/T 13010-1998 橡胶工业用合成纤维帆布
FZ/T 13010-1998 橡胶工业用合成纤维帆布
FZ/T 13010-1998 橡胶工业用合成纤维帆布
FZ/T 13010-1998 橡胶工业用合成纤维帆布
FZ/T 13010-1998 橡胶工业用合成纤维帆布

标准内容

FZ/T13010—1998
橡胶工业用合成纤维帆布是在棉帆布的基础上,以合成纤维原料代替棉纤维的产品,作为输送带的骨架材料,在断裂强力和断裂伸长率方面实用性更好。随着新原料、新工艺的不断开发,促进了合成纤维帆布生产的大力发展,不少新型企业引进了国外先进设备后不仅拥有了生产本色帆布的能力,而且具备了浸胶加工设备。故本标准内容包括橡胶工业用合成纤维本色帆布和漫胶帆布两个部分,并以不同纤维成分分为涤锦帆布(代号为\EP”)和锦纶帆布(代号为“NN\)两大类为主要内容。本标准浸胶帆布中的物理指标参考日本帝人公司技术交流资料结合我国生产实际应用情况确定,技术指标上具有一定的先进性。试验方法采用日本标准JISL1096—1990《普通织物试验方法》内容。本标准的附录都是标准的附录。本标准由中国纺织总会提出。
本标雄由上海市纺织工业技术监督所归口。本标准由上海市纺织工业技术监督所、安丘帘帆布厂负责起草。324
1范围
中华人民共和国纺织行业标准
橡胶工业用合成纤维帆布
Synthetic fibres canvas for rubber industryFZ/T 13010—1998
本标准规定了橡胶工业用合成纤维帆布的产品品种、规格、技术要求、外观质量要求、试验方法、标志、包装、贮存和运输。
本标准适用于鉴定机织生产橡胶工业用合成纤维本色帆布和浸胶帆布的品质。2引用标准下载标准就来标准下载网
下列标准所包含的条文,通过在本标准中引用而构成为本标准的条文。本标准出版时,所示版本均为有效。所有标准都会被修订,使用本标准的各方应探讨使用下列标准最新版本的可能性。GB/T3820-1997纺织品和纺织制品厚度的测定GB/T6759—86输送带的层间粘合强度测定方法FZ/T10003--92帆布织物的试验方法3产品品种、规格
3.1橡胶工业用合成纤维帆布包括橡胶工业用合成纤维本色帆布和浸胶帆布两个部分。3.2橡胶工业用合戒纤维帆布按其纤维种类分为以下两个品种:a)涤锦帆布其经向为聚酯(涤纶)纤维,纬向为锦纶66,代号为“EP”。b)锦纶帆布其经向和纬向均为锦纶6,代号为\NN”。3.3合成纤维本色帆布与其漫胶帆布对应品种规格均以输送带的经向强力分为80、100、125、150200、250.300.350、400、500、600N/mm等11种规格,以输送带宽度划分根据用户需要确定。4技术要求
4.1技术要求项目
橡胶工业用合成纤维本色帆布的技术要求包括织物结构、幅宽、密度、厚度、断裂强度、断裂伸长率、平方米干重。漫胶帆布技术要求除上述各项外,再加上粘合强度、10%定负荷伸长率、干热收缩率、干热收缩率不匀率四项。
4.2分等规定
4.2.1橡胶工业用合成纤维帆布以匹(或卷)为单位检验,由物理指标及外观疵点的品等结合评定。分为优等品、一等品、合格品,达不到合格品要求的为不合格品。4.2.2当物理指标与外观疵点品等不同时,按最低品等评定。4.2.3物理指标中本色帆布的断裂强力,浸胶帆布的断裂强力和粘合强度为主要指标,有一项不符合标准规定就为不合格品。
4.2.4物理指标分批试验,按批评等。分批规定如下:a)本色帆布以同一只经线简子生产的帆布作为一批,国家纺织工业局1998-06-29批准1999-01-01实施
FZ/T 13010—1998
b)浸胶帆布的分批,若不是连续浸胶或不同工艺生产的均应另行分批。橡胶工业用合成纤维本色帆布代表性品种技术要求见表1、表2。4.3-
橡胶工业用合成纤维漫胶帆布代表性品种技术要求见表3、表4。EP本色帆布技术要求
断裂强值
断裂伸
平方米
断裂强值
断裂伸
平方米
优等品
一等品
下纬向
930×1
1100×1930×1
1100×1
120±2
230±10
优等品
120±2
240±10
0.55±0.05
合格品
1100×1
930×1
120±2
250士10
900-20~1750-20
810+1°
EP-125
一等品
合格品
优等品
EP-100
一等品
合格品
930×11100×1930×1
1100x1
1100×1930×1
160±2
160±2
86±2160±2
280±10
优等品
290±10
0.55±0.10
900-20~1750-20
EP-150
一等品
300±10
合格品
1100870100214002
1670140016701140011670
40010028702
145±2
350±15
145±2
360±15
0.75±0.10
900-20~1750-和
810+°
145±2
72±2148±2
370±15
440±15
148±2
148±2
450±15
0.80±0.10
900-2o-175020
810+10
460±15
优等品
FZ/T13010---1998
表1(续)
EP-200
一等品
合格品
优等品
dtex1100×21400×21100×21400×21100×21400×21100×4根/
162±2
断裂强值
断裂伸
平方米
6厚度
断裂强值
520±15
优等品
162±2
530±15
0.90±0.15
900-20~1750-20
405+10
EP-300
一等品
EP-250
一等品
合格品
187021100×41870×21100×41100×244±2102±238±2
162±2
540±15
合格品
1100×41870×21100×41870×21100×4130±2
断裂伸
平方米
750±20
130±2
130±2
760±20
1.4±0.10
900-%1750-20
405+1°
650±15
优等品
102±2
660±20
1.25±0.15
900-~1750_20
405+10
EP-350
102±2
670±20
合格品
1870×2
167031870×2167031870×21670x31870×238±2
770±20
38±2132±238±2132±2
132±2
830±20
840±30
1.45±0.20
900-~1750-2
405+10
850±30
优等品
FZ/T13010
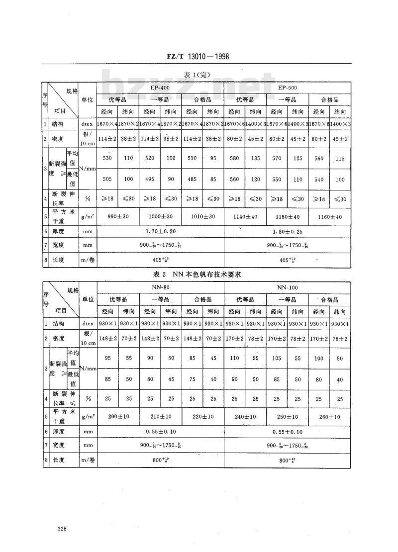
表1(完)
一等品
合格品
优等品
EP-500
一等品
合格品
纬向,
1400x31670×61400×31670×61400×31670×41870X21670X41870X21670X41870×21670×61114±238±2114±2
断裂强值
断裂伸
平方米
8长度
2密度
断裂强值
990±30
优等品
1000±30
1.70±0.20
114±2
1010±30
900_20~1750_20
405+1°
1140±40
表2NN本色帆布技术要求
一等品
合格品
930×1
930×1
930×1|930×1
1930X1
930×1
断裂伸
平方米
8长度
148±2
200±10
148±2
210±10
0.55±0.10
900-20~1750.-20
800+10
148±2
220±10
优等品
930×1
170±2
930×1
240±10
1150±40
1.80±0.25
900-%~1750.-20
405+30
NN-100
1160±40
合格品
930xi930×1
930×1
930×1
78±2170±278±2
170±2
250±10
0.55±0.10
900-%~1750-2
260±10
优等品
FZ/T 13010 -- 1998
表2(续)
NN-125
一等品
合格品
优等品
NN-150
一等品
合格品
1400×11400×11400×11400×11400×11400×11870×111870×11870x11870×118701
11870×1
断裂强值
断裂伸
平方米
6厚度
122±260±2
122±2
122±2
260±15
优等品
270±15
0.70±0.10
900-20~1750-20
800+10
NN-200
一等品
280±15
合格品
108±2
310±15
108±256±2
108±2
320±15
0.90±0.10
900-20~1750-2
800+10
NN-250
优等品
一等品
330±15
合格品
11400×21870×11400×21870x11400×21870×1dtex1870×11870×11870×11870×11870×11870×1
断裂强
断裂伸
平方米
162±2
380±20
162±2
400±20
0.90±0.15
900-20~1750-20
160±2
60±2126±260±2
410±20
480±20
126±2
490±20
0.95±0.15
900-20~1750-2
400+1°
126±260±2
500±20
断裂强值
优等品
FZ/T13010—1998
表2(完)
NN-300
一等品
合格品
优等品
NN-400
一等品
合格品
1870×21400× 21870×21400X 21870×21400×21870×311870×21870×31870×21870×31870×2120±2
断裂伸
平方米
6厚度
2密度
断裂强值
断裂伸
平方米
6厚度
8长度
600±25
120±2
615±25
1.35±0.20
120±2
630±25
900-201750-20
110±2
760±30
NN-500
优等品
1870×4
112±2
1870×2
1120±50
1870×4
112±2
一等品
1870×2
1170±50
1.80±0.30
900-2~1750-
400+1°
110±236±2
780±30
1.70±0.20
110±2
800±30
900-%0~~1750~20
合格品
1870×4
112±2
1870×2
1300±60
断裂强值
优等品
1100×1 930X1
155±2
10%定
断裂伸
手热收缩
率(150℃
X30min)
粘合强
300±10
优等品
经向「纬向
FZ/T 13010 -—
EP浸胶帆布技术要求
二等品
合格品
优等品
EP-100
一等品
合格品
1100×1930×11100×1930×11100×1930×1930×11100x1930×1
1100×1
155±2
310±10
0.55±0.05
800-201400-20
800+1°
EP-125
一等品
155±2
320±10
合格品
194±2
340±15
优等品
经向纬向
194±2
350±15
0.55±0.05
800-20~1500-20
800+1°
EP-150
一等品
194±2
360±15
合格品
16701140011100×2187011100×21870×11100×2187011670×11400×11670×114001
170±2
断裂强值N/mm
10%定
断裂伸
干热收缩
率(150℃
X30min)
粘合强
平方米
425±20
170±2
435±20
0.60±0.05
800-20~1500-20
170±2
445±20
166±2
530±20
166±2
540±20
0.70±0.05
800-20~1550-20
800+1°
166±2
550±20
优等品
FZ/T13010--1998
表3(续)
EP-200
一等品
合格品
优等品
EP-250
一等品
合格品
经向纬向
1100×2/400×2100×21400×2/1002140021100×487021100×41870×21100×41870×2dtex
断裂强值
10%定
负荷伸
断裂伸
干热收缩
率(150℃
×30min)
干热收
缩率不
粘合强
平方米
断裂强值
186±2
44±2186±2
600±20
优等品
630±20
0.80±0.05
800-201600-20
800+10
EP-300
一等品
186±2
650±20
合格品
120±2
780±30
优等品
120±2
790±30
1.07±0.10
800-20~1600-20
EP-350
经向纬向
120±2
800±30
合格品
11004187021100418702110041870216703187021670387021670318702dtex
aN/mmi
10%定
负荷伸
断裂伸
干热收缩
率(150℃
X30min
手热收
缩率朵
粘合强
平方米
国宽度
146±238±2
860±30
146±2
870±30
1.20±0.10
800-20~1600-20
400+10
146±2
880±30
150±2
1000±35
150±2
1010±35
150±2
1020±35
1.26±0.10
800-%160020
400+10
优等品
FZ/T13010-1998
EP-400
一等品
表3(完)
合格品
优等品
EP-500
合格品
经向纬向
16704187021670418702167041870216701400316706140031670614003dtex
10%定
负荷伸
断裂伸
干热收缩
率(150℃
X30min)
缩率朵
粘合强
id厚度
2长度
125±2
1040±40
125±2
1050±40
1.40±0.10
800-20~1600..9
优等品
125±2
1060±40
104±2
104±2
104±2!
1300±50
NN漫胶帆布技术要求
一等品
合格品
930x1930x1930x1
175±2
值N/mml
10%定
干热收缩
率(150℃
X30min
粘合强
2长度
175±2
260±10
优等品
1310±50
1.50±0.14
800-20~1600-20
EP-100
一等品
9301930x19301
93019301
1175±2
270±10
0.45±0.05
800-2~1400-%
800+10
280±10
1320±50
合格品
经向纬向
930×1930×1
9301930×1
196±2
290±12
196±2
300±12
196±2
310±12
0.50±0.05
800-%。1400-2
800+°
规格单位
优等品
FZ/T 13010—1998
表4(续)
NN-125
一等品
合格品
优等品
NN-150
合格品
1870x1
1400×11400×11400x11400×11400×11400×11870×11400x11400X11870X11400×1
断裂强值
10%定
负荷伸
断裂伸
干热收缩
率(150℃
X30 min)
干热收
缩率不
粘合强
平方米
国长度
150±2
[150±2
330±15
优等品
340±15
0.55±0.05
150±2
350±15
800-20~1400-20
800+10
NN-200
合格品
135±2
390±20
优等品
135±2
410±20
0.65±0.05
135±2
420±20
800-201400-%
NN-250
一等品
合格品
经向纬向
1870×11870x11870x11870x1187011870x11400x21870x11400x21870x11400x21870x1dtex
断裂强值
10%定
负荷伸
断裂伸
干热收缩
率(150℃
X30min)
干热收
缩率采
粘合强
平方米
9厚度
12长度
176±2
490±20
176±2
510±20
176±2
520±20
0.80±0.05
80020~1600-2
400+1°
145±2
560±25
145±2
590±25
0.90±0.10
800-20~1600-2
400+10
145±2
620±25
1结构
优等品
FZ/T 13010
表4(完)
NN-300
一等品
合格品
优等品
NN-400
一等品
合格品
经向纬向
dtex187021400218702140021870214002187031870218703187021870318702根/
断裂强值
10%定
负荷伸
断裂伸
干热收缩
率(150℃
x30min)
手热收
缩率不
粘合强
平方来
五宽度
序号國
规格单位
3断裂强值
10%定
负荷伸
断裂伸
干热收缩
率(150℃
X30 min)
干热收
缩率不
粘合强
平方米
国宽度
2长度
136±2
690±30
136±2
710±30
1.2±0.10
80020~160020
400+°
优等品
1870×4
120±2
1870×2
1200±50
136±2
720±30
120±2
830±35
120±2
860±35
1.35±0.12
800-20~1600-20
400+1°
NN-500
1870×4
120±2
一等品
1870×2
1250±50
1.40±0.14
800-20~1600-
200+g°
1870×4
120±2
120±2
880±35
合格品
1870×2
1300±50
小提示:此标准内容仅展示完整标准里的部分截取内容,若需要完整标准请到上方自行免费下载完整标准文档。