首页 > 纺织行业标准(FZ) > FZ/T 93057-1999 合成长丝用筒管技术条件
FZ/T 93057-1999

基本信息

标准号: FZ/T 93057-1999

中文名称:合成长丝用筒管技术条件

标准类别:纺织行业标准(FZ)

标准状态:现行

发布日期:1999-11-19

实施日期:1999-12-01

出版语种:简体中文

下载格式:.rar.pdf

下载大小:135898

相关标签: 合成 筒管 技术

标准分类号

标准ICS号:纺织和皮革技术>>纺织机械>>59.120.20络纱机器和设备

中标分类号:纺织>>纺织机械与器具>>W93纺部机械与器具

关联标准

出版信息

出版社:中国标准出版社

书号:155066.2-13043

页数:5页

标准价格:8.0 元

出版日期:2004-04-24

相关单位信息

起草人:赵玉生、朱锡根、盛泉夫、徐伟、朱文玉、黄和根

起草单位:陕西纺织器材研究所、上海实宏纸业有限公司、天津石化精卫实业总公司纺织器材厂

归口单位:陕西纺织器材研究所

提出单位:原中国纺织总会技术装备部

发布部门:国家纺织工业局

标准简介

本标准规定了合成长丝用筒管(以下简称“筒管”)的技术要求、试验方法、检验规则和标志、包装。本标准适用于卷绕采用熔体纺丝法生产聚对笨二甲酸乙二醋(统一名为涤纶)、聚己内酞胺(统一名为锦纶)等预取向丝、全拉伸丝、全取向丝用筒管。 FZ/T 93057-1999 合成长丝用筒管技术条件 FZ/T93057-1999 标准下载解压密码:www.bzxz.net

标准图片预览

FZ/T 93057-1999 合成长丝用筒管技术条件
FZ/T 93057-1999 合成长丝用筒管技术条件
FZ/T 93057-1999 合成长丝用筒管技术条件
FZ/T 93057-1999 合成长丝用筒管技术条件
FZ/T 93057-1999 合成长丝用筒管技术条件

标准内容

FZ/T93057—1999
本标准与FZ/T90107.5-1999《圆柱形简管合成长丝用简管的尺寸、偏差和标记》相协调,所规定的技术要素是对合成长丝用简管标准要素的补充。本标准由原中国纺织总会技术装备部提出。本标准由陕西纺织器材研究所归口。本标准起草单位:陕西纺织器材研究所、上海实宏纸业有限公司、天津石化精卫实业总公司纺织器材厂、江西南丰长红纺织器材总厂、江苏靖江市纸制品厂。本标准主要起草人:赵玉生、朱锡根、盛泉夫、徐伟、朱文玉、黄和根。本标准首次发布。
1范围
中华人民共和国纺织行业标准
合成长丝用筒管技术条件
Specification of tubes for continuousspin-drawn synthetic filament yarnsFZ/T 93057 - 1999
本标准规定了合成长丝用简管(以下简称“简管”)的技术要求、试验方法、检验规则和标志、包装。本标准适用于卷绕采用熔体纺丝法生产聚对苯二甲酸乙二酯(统一名为涤纶)、已内酰胺(统一名为锦纶)等预取向丝、全拉伸丝、全取向丝用简管。2引用标准
下列标准所包含的条文,通过在本标准中引用而构成为本标准的条文。本标准出版时,所示版本均为有效。所有标准都会被修订,使用本标准的各方应探讨使用下列标准最新版本的可能性。GB/T1958—1980形状和位置公差检测规定GB/T2828—-1987逐批检查计数抽样程序及抽样表(适用于连续批的检查)GB/T2829-1987周期检查计数抽样程序及抽样表(适用于生产过程稳定性的检查)GB/T4892—1985硬质直方体运输包装尺寸系列FZ/T90107.5—1999圆柱形简管合成长丝用简管的尺寸、偏差和标记(idtISO3914-5:1994)FZ/T93056--1999变形丝用简管技术条件3技术要求
3.1简管应能在表1规定的使用条件下正常使用。表1使用条件
卷绕线速度(机械),m/min
卷绕线速度(工艺),m/min
≥4000
>4000~6000
3.2简管应按订货方卷绕丝特性及材质的要求,采用纸管原纸制造。8000
>6 000~8 000
3.3简管内径、长度尺寸及偏差应按FZ/T90107.5—1999第3章规定,外径、尾丝槽形状、尺寸及偏差由供订货双方商定。
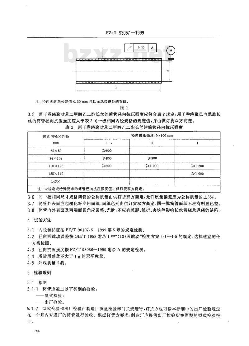
3.4简管径向圆跳动公差应按图1规定。国家纺织工业局1999-11-19批准1999-12-01实施
FZ/T 93057—1999
注:径向圆跳动公差值0.30mm包括面纸接缝处的突跳。图1
3.5用于卷绕聚对苯二甲酸乙二酯长丝的筒管径向抗压强度应符合表2规定,用于卷绕聚己内酰胺长丝的筒简管径向抗压强度应大于表2同一一级相同内径规格的规定值,并由供订货双方商定。表 2用于卷绕聚对苯二甲酸乙二酯长丝的简管径向抗压强度简管内径×外径
75×89
94X108
110×126
125×140
≥900
≥800
径向抗压强度,N/100mm
≥1000
注:未规定或特殊要求的简管径向抗压强度值由供订货双方商定1
≥1 200
≥1000
3.6同一批相同尺寸规格简管的公称质量由供订货双方商定,允许质量偏差应为公称质量的土3%。3.7简管外表面应包覆化纤专用面纸,面纸色别由供订货双方商定,同一批简管面纸不应有明显色差。3.8简管内外表面及两端面圆角应圆整、光滑,不应有破裂、皱折、夹块等影响长丝卷绕及退绕的缺陷。4试验方法
4.1内径和长度按FZ/T90107.5—1999第5章的规定检测。4.2径向圆跳动误差按GB/T1958附录1中“(13)圆跳动”检测方案4-1~~4-5的规定,选择适宜的任一方案检测。
4.3径向抗压强度按FZ/T93056-1999附录A的规定检测。4.4质量用感量不大于1g的天平称量。4.5外观质量目测。
5检验规则
5.1总则
5.1.1简管应通过以下类别的检验:-型式检验;
出厂检验。免费标准下载网bzxz
5.1.2型式检验和出厂检验由制造厂质量检验部门负责进行,订货方也可按本标准中的出厂检验规定在…个月内对进厂的简管进行验收。根据订货方要求,制造厂应提供出厂检验所在周期的型式检验报告。
FZ/T 93057—1999
5.1.3凡在型式检验或出厂检验中,被检查的样本单位(即每个简管)若有不符合本标准有关规定时,即为不合格。
5.2检验
5.2.1型式检验
5.2.1.1连续生产的简管应定期进行型式检验,在改进主要制造工艺、更换材料或中断生产后再恢复生产时,也应进行型式检验。
5.2.1.2型式检验按GB/T2829中判别水平I的二次抽样方案,检验项目、不合格质量水平和不合格分类应按表3规定。
表3简管的型式检验方案
检验项目名称
径向圆跳动
径向抗压强度
外观质量
要求的章条号
试验方法的章条号
不合格质量水平
样本的抽取和检查按GB/T2829—1987中4.9和4.10规定进行。5.2.1.3
不合格分类
型式检验合格或不合格的判断和检查后的处置按GB/T2829—1987中4.11和4.12规定进5.2.1.4
5.2.2出厂检验
5.2.2.1每批简管都应进行出厂检验,经型式检验合格后方可进行出厂检验。出厂检验按GB/T2828中的二次抽样方案,从正常检查开始,并按GB/T2828-1987中5.2.2. 2
4.6.3和4.6.4规定进行,检验项目、检查水平、合格质量水平和不合格分类应按表4规定。表4简管的出厂检验方案
检验项目名称
径向圆跳动
径向抗压强度
外观质量
要求的章条号试验方法的章条号3.3
样本单位检查水平
合格质量水平
样本的抽取和检查按GB/T2828--1987中4.9和4.10规定进行。不合格分类
出厂检验合格或不合格的判断和检查后的处置按GB/T2828--1987中4.11和4.12规定进5.2.2.4
6标志、包装
6.1产品包装的准备
6.1.1产品
简管经检查合格并附有合格证,方可进行包装。6.1.2包装容器
FZ/T 93057—1999
6.1.2.1包装件基本尺寸应尽量采用GB/T4892中规定。6.1.2.2外包装彩用双瓦楞纸箱。6.2产品包装
6.2.1包装要求
6.2.1.1包装方法:简管采用多件包装方法并用塑料薄膜袋封装,竖直排列在包装箱内。6.2.1.2封箱与捆扎:封箱采用粘合方法,粘合用胶带宽度不小于50mm,封箱也可采用图2所示使用塑料捆扎带捆扎的方法。
塑料拥扎带
图2双瓦楞纸箱
6.2.2包装标志
6.2.2.1外包装上应有包装标志(运输包装收发货标志和包装储运图示标志),其内容应按以下规定:a)运输包装收发货标志:
1)制造厂名、厂址及商标;
2)产品标记;
3)适用卷绕长丝类别及使用条件级别;4)数量;
5)毛重;
6)色别;
7)生产年月或生产批号;
8)体积(长×宽×高=
b)包装储运图示标志按图3所示。tf
怕显标志
向上标志
6.2.2.2标志应用油漆、油墨等印色材料涂打或印刷,标志应清晰、耐久。308
小提示:此标准内容仅展示完整标准里的部分截取内容,若需要完整标准请到上方自行免费下载完整标准文档。