首页 > 纺织行业标准(FZ) > FZ/T 93056-1999 变形丝用筒管技术条件
FZ/T 93056-1999

基本信息

标准号: FZ/T 93056-1999

中文名称:变形丝用筒管技术条件

标准类别:纺织行业标准(FZ)

标准状态:现行

发布日期:1999-11-19

实施日期:1999-12-01

出版语种:简体中文

下载格式:.rar.pdf

下载大小:144022

相关标签: 变形 筒管 技术

标准分类号

标准ICS号:纺织和皮革技术>>纺织机械>>59.120.20络纱机器和设备

中标分类号:纺织>>纺织机械与器具>>W93纺部机械与器具

关联标准

出版信息

出版社:中国标准出版社

书号:155066.2-13044

页数:7页

标准价格:10.0 元

出版日期:2004-04-24

相关单位信息

起草人:赵玉生、朱锡根、盛泉夫、徐伟、朱文玉、黄和根

起草单位:陕西纺织器材研究所、上海实宏纸业有限公司、天津石化精卫实业总公司纺织器材厂

归口单位:陕西纺织器材研究所

提出单位:原中国纺织总会技术装备部

发布部门:国家纺织工业局

标准简介

本标准规定了变形丝用筒管(以下简称“简管,)的技术要求、试验方法、检验规则和标志、包装。本标准适用于合成纤维变形丝用筒管,也适用于卷绕和加捻用交叉卷绕筒管. FZ/T 93056-1999 变形丝用筒管技术条件 FZ/T93056-1999 标准下载解压密码:www.bzxz.net

标准图片预览

FZ/T 93056-1999 变形丝用筒管技术条件
FZ/T 93056-1999 变形丝用筒管技术条件
FZ/T 93056-1999 变形丝用筒管技术条件
FZ/T 93056-1999 变形丝用筒管技术条件
FZ/T 93056-1999 变形丝用筒管技术条件

标准内容

FZ/T93056-1999
本标准与FZ/T90107.4—-1999《圆柱形筒管变形丝用简管的尺寸、偏差和标记》相协调,所规定的技术要紊是对变形丝用筒管标准要素的补充。本标准由原中国纺织总会技术装备部提出。本标准由陕西纺织器材研究所归口。本标准起草单位:陕西纺织器材研究所、上海实宏纸业有限公司、天津石化精卫实业总公司纺织器材厂、江西南丰长红纺织器材总厂、江苏靖江市纸制品厂。本标准主要起草人:赵玉生、朱锡根、盛泉夫、徐伟、朱文玉、黄和根。本标准首次发布。
1范围
中华人民共和国纺织行业标准
变形丝用筒管技术条件
Specification of tubes for textured yarnsFZ/T93056—1999
本标准规定了变形丝用筒管(以下简称“简管”)的技术要求、试验方法、检验规则和标志、包装。本标准适用于合成纤维变形丝用简管,也适用于卷绕和加捻用交叉卷绕简管。2 引用标准
下列标准所包含的条文,通过在本标准中引用而构成为本标准的条文。本标准出版时,所示版本均为有效。所有标准都会被修订,使用本标准的各方应探讨使用下列标准最新版本的可能性。GB/T1958-1980形状和位置公差检测规定GB/T2828—1987逐批检查计数抽样程序及抽样表(适用于连续批的检查)GB/T2829~1987周期检查计数抽样程序及抽样表(适用于生产过程稳定性的检查)GB/T48921985硬质直方体运输包装尺寸系列FZ/T90107.4—1999圆柱形筒管变形丝用简管的尺寸、偏差和标记(idtISO3914-4:1994)3技术要求
3.1简管应按订货方卷绕丝特性及材质的要求,采用纸管原纸制造,3.2简管内径、长度尺寸及偏差应按FZ/T90107.4—1999第3章规定,外径尺寸及偏差由供订货双方商定。
3.3简管径向圆跳动公差应按图1规定。0.30
注:径向圆跳动公差值0.30mm包括面纸接缝处的突跳。图1
3.4简管的径向抗压强度由供订货双方商定。3.5同一批相同尺寸规格筒管的公称质量由供订货双方商定,允许质量偏差应为公称质量的士4%。3.6简管外表面应包覆化纤专用面纸,面纸颜色由供订货双方商定,同一批筒管面纸不应有明显色差。国家纺织工业局1999-11-19批准298
1999-12-01实施
FZ/T93056--1999
3.7筒管内外表面及卷头圆孤应圆整、光滑,不应有破裂、皱折、夹块等影响长丝卷绕及退绕的缺陷。4试验方法
4.1内径和长度按FZ/T90107.4第5章的规定检测。4.2径向圆跳动误差按GB/T1958附录1中\(13)圆跳动\检测方案4-1~4-5的规定,选择适宜的任一方案检测。
4.3径向抗压强度按附录A的规定检测。4.4质量用感量不大于1g的天平称量。4.5外观质量目测。
5检验规则
5.1总则
5.1.1筒管应通过以下类别的检验:一型式检验;
出广检验。
5.1.2型式检验和出厂检验由制造厂质量检验部门负责进行,订货方也可按本标准中的出厂检验规定在一个月内对进厂的简管进行验收。根据订货方要求,制造厂应提供出厂检验所在周期的型式检验报告。
5.1.3凡在型式检验或出厂检验中,被检查的样本单位(即每个简管)若有不符合本标准有关规定时,即为不合格。
5.2检验
5.2.1型式检验
5.2.1.1连续生产的简管应定期进行型式检验,在改进主要制造工艺、更换材料或中断生产后再恢复生产时,也应进行型式检验。
5.2.1.2型式检验按GB/T2829中判别水平I的一次抽样方案,检验项目、不合格质量水平和不合格分类应按表1规定。
表1筒简管的型式检验方案
检验项目名称
径向圆跳动
径向抗压强度
外观质量
要求的章条号
3.6、3.7
试验方法的章条号wwW.bzxz.Net
不合格质量水平
样本的抽取和检查按GB/T2829--1987中4.9和4.10规定进行。5.2.1.3
5. 2. 1. 4
不合格分类
型式检验合格或不合格的判断和检查后的处置按GB/T2829-1987中4.11和4.12规定进5.2.2出厂检验
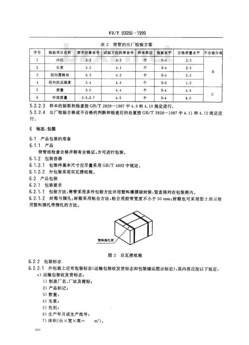
5.2.2.1每批简管都应进行出厂检验,经型式检验合格后方可进行出厂检验。5.2.2.2出厂检验按GB/T2828中的二次抽样方案,从正常检查开始,并按GB/T2828-—1987中4.6.3和4.6.4规定进行,检验项目、检查水平、合格质量水平和不合格分类应按表2规定。299
检验项目名称
径向圆跳动
径向抗压强度
外观质量
FZ/T 93056-1999
表2简管的出厂检验方案
要求的章条号试验方法的章条号样本单位3.2
检查水平
样本的抽取和检查按GB/T2828—1987中4.9和4.10规定进行。合格质量水平不合格分类
5.2.2.4出厂检验合格或不合格的判断和检查后的处置按GB/T2828—1987中4.11和4.12规定进行。
6标志、包装
6.1产品包装的准备
6.1.1产品
简管经检查合格并附有合格证,方可进行包装。6.1.2包装容器
6.1.2.1包装件基本尺寸应尽量来用GB/T4892中规定。6.1.2.2外包装采用双瓦楞纸箱。6.2产品包装
6.2.1包装要求
6.2.1.1包装方法:簡管采用多件包装方法并用塑料薄膜袋封装,竖直排列在包装箱内。6.2.1.2封箱与捆扎:封箱采用粘合方法,粘合用胶带宽度不小于50mm;封箱也可采用图2所示使用塑料捆扎带捆扎的方法。
塑料捆扎带,
图2双瓦楞纸箱
6.2.2包装标志
6.2.2.1外包装上应有包装标志(运输包装收发货标志和包装储运图示标志),其内容应按以下规定:a)运输包装收发货标志:
1)制造厂名、厂址及商标;
2)产品标记;
3)数量;
4)毛重;
5)色别;
6)生产年月或生产批号;
7)体积(长×宽×高=
b)包装储运图示标志按图3所示,怕
怕湿标志
FZ./T93056—1999
向上标志
6.2.2.2标志应用油漆、油墨等印色材料涂打或印刷,标志应清晰、耐久。301
A1定义
FZ/T 93056--1999
附录A
(标准的附录)
圆柱形筒管径向抗压强度试验方法圆柱形简管的径向抗压强度是指单位长度简管径向承受荷载的最大能力。A2装置
试验机应满足下列要求:
a)按国家有关计量检定规程定期检定合格;b)试验应能在满标负荷的10%~85%范围内使用;c)试验机上压头和支座应为平行平面,平面尺寸均不小于120mm×120mm(见图A1);d)加荷速度为30mm/min。
1777777
1—上压头,2—简管试样;3-支座图A1试验装置
A3试样制备
从检验合格的成品简管上沿轴向随机切取(避开卷头部位及尾丝槽)一个长度为100mm士1mm的试样,试样两端切面应平整、光滑。A4试验条件
A4.1试验标准环境
a)温度:(20±2)℃;
b)相对湿度:(65±5)%。
A4.2试样状态调节
简管试样应置于标准环境条件中调整到7%~11%的含水率,当室温不在此范围内时,需调整相对湿度,以保证达到7%~11%的含水率。302
A5程序
A5.1调整试验机零点和速度。
FZ/T93056--1999
A5.2如图A1所示,将试样安放在试验机上压头和支座之间,并使试样中心处于试验机加荷中心线上。
A5.3开动试验机,以30mm/min的速度加荷直至试样弹性变形到最大时,读取试验机压力值,精确至10N,即为筒管径向抗压强度值(N/100mm)。303
小提示:此标准内容仅展示完整标准里的部分截取内容,若需要完整标准请到上方自行免费下载完整标准文档。