首页 > 纺织行业标准(FZ) > FZ/T 93028-1993 针筒式粗纱机
FZ/T 93028-1993

基本信息

标准号: FZ/T 93028-1993

中文名称:针筒式粗纱机

标准类别:纺织行业标准(FZ)

标准状态:现行

发布日期:1993-12-20

实施日期:1994-04-01

出版语种:简体中文

下载格式:.rar.pdf

下载大小:102181

相关标签: 筒式

标准分类号

标准ICS号:纺织和皮革技术>>纺织机械>>59.120.20络纱机器和设备

中标分类号:纺织>>纺织机械与器具>>W93纺部机械与器具

关联标准

替代情况:FJ/JQ 114-87

出版信息

出版社:中国标准出版社

页数:6页

标准价格:12.0 元

相关单位信息

起草人:艾盛栋、黄国富、俞英英、贺乐珊、王庆海

起草单位:上海纺织机械研究所、上海第一纺织机械厂

归口单位:上海纺织机械研究所

提出单位:纺织工业部

发布部门:中国纺织总会

标准简介

本标准规定了毛纺针筒式粗纱机的型式与基本参数、技术要求、试验方法、检验规则和标志、包装、运输、贮存。本标准适用于羊毛和化学纤维的纯纺和混纺精梳条纺制粗支纱的针筒式粗纱机。 FZ/T 93028-1993 针筒式粗纱机 FZ/T93028-1993 标准下载解压密码:www.bzxz.net

标准图片预览

FZ/T 93028-1993 针筒式粗纱机
FZ/T 93028-1993 针筒式粗纱机
FZ/T 93028-1993 针筒式粗纱机
FZ/T 93028-1993 针筒式粗纱机

标准内容

中华人民共和国纺织行业标准
针筒式粗纱机
主题内容与适用范围
FZ/T93028-1993
代替FJ/JQ114—1987
本标准规定了毛纺针简式粗纱机的型式与基本参数、技术要求、试验方法、检验规则和标志、包装、运输、贮存。
本标准适用于羊毛和化学纤维的纯纺和混纺精梳条纺制粗支纱的针筒式粗纱机。2引用标准
GB 191
包装储运图示标志
FZ 90001
纺织机械产品包装
FZ/T92024LZ系列下罗拉轴承
FJ120.1纺织机械铭牌
FJ120.2纺织机械铭牌内容
FJ527纺织机械噪声声压级的测量方法FJ/Z122纺织机械电气设备技术条件ZBW 90001
ZBW 90007
纺织机械产品标准编写规定
纺织机械产品涂装
型式与基本参数(见表 1)
头距,mm
头数/球数
适纺线密度,tex(Nm)
牵伸倍数
出条速度,m/min
牵伸型式
喂入型式
喂人简管,mm
喂人条简,mm
成球尺寸,mm
中国纺织总会1993-12-20批准
左手车
12/24.18/36、24/48
0.12~0.72(8333~1388)
3.50~5.58
针简及二档轻质作中间控制的双区牵伸簡管(毛球)暇人、条簡(毛条)喂人$45X210、45X230.$45X245
$300×780
$160×180
1994-04-01实施
罗拉直径
加捻方式
技术要求
4.1传动系统
输出下罗拉
中罗拉
喂入下罗拉
针圈规格(号数)
梳理宽度,mm
针尖包络圆,mm
动程,mm
FZ/T93028—1993
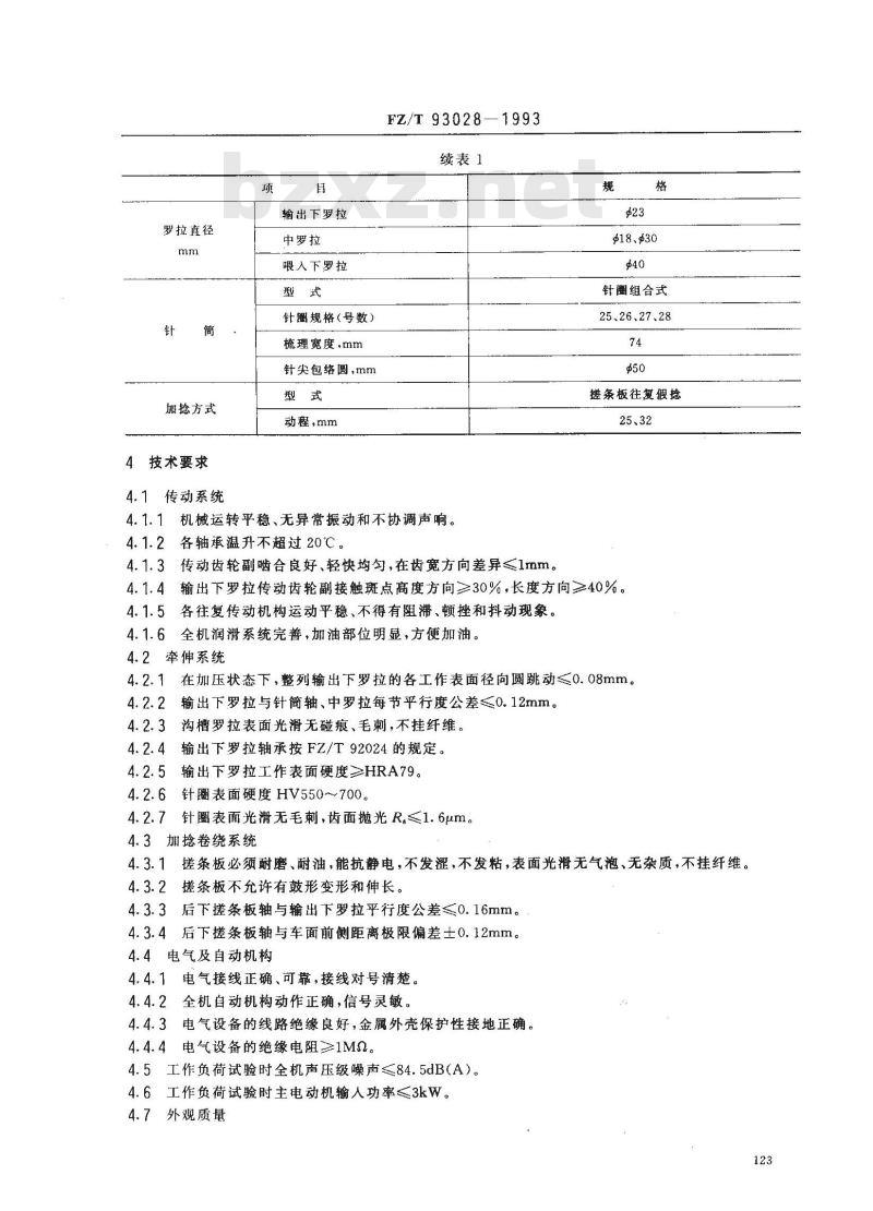
续表1
机械运转平稳、无异常振动和不协调声响。4.1.2各轴承温升不超过20℃。
4.1.3传动齿轮副啮合良好、轻快均勾,在齿宽方向差异≤1mm。规
18、430
针圈组合式
25、26、27、28
搓条板往复假捻免费标准bzxz.net
25、32
4.1.4输出下罗拉传动齿轮副接触斑点高度方向≥30%,长度方向≥40%。4.1.5
各往复传动机构运动平稳、不得有阻滞,顿挫和抖动现象。4.1.6全机润滑系统完善,加油部位明显,方便加油。4.2牵伸系统
在加压状态下,整列输出下罗拉的各工作表面径向圆跳动≤0.08mm。4.2.2
输出下罗拉与针简轴、中罗拉每节平行度公差≤0.12mm。沟槽罗拉表面光滑无碰痕、毛刺,不挂纤维。输出下罗拉轴承按FZ/T92024的规定。输出下罗拉工作表面硬度≥HRA79。针圈表面硬度HV550~700。
针圈表面光滑无毛刺,齿面抛光R.≤1.6um。4.3加捻卷绕系统
搓条板必须耐磨、耐油,能抗静电,不发涩,不发粘,表面光滑无气泡、无杂质,不挂纤维。4.3.2
搓条板不允许有鼓形变形和伸长。后下搓条板轴与输出下罗拉平行度公差≤0.16mm。后下搓条板轴与车面前侧距离极限偏差土0.12mm。4.4电气及自动机构
4.4.1电气接线正确、可靠,接线对号清楚。4.4.2全机自动机构动作正确,信号灵敏。4.4.3电气设备的线路绝缘良好,金属外壳保护性接地正确。4.4.4电气设备的绝缘电阻≥1MQ。4.5工作负荷试验时全机声压级噪声≤84.5dB(A)。4.6工作负荷试验时主电动机输人功率<3kW。4.7外观质量
FZ/T 93028-1993
4.7.1产品外露件(包括冲压件、成形件)表面平整、接缝平齐、无明显凸起凹陷等影响外观的缺陷,全机各盖板组装后高低平齐,缝隙基本均匀一致。4.7.2罩壳密封良好、启闭灵活。4.7.3涂装按ZBW90007的规定。
4.8粗纱质量
4.8.1粗纱条干变异系数及重量不匀率应符合表2的规定。表2
线密度,ktex
变异系数 CV,%
条干重量不勾率,%
人(毛条或粗纱)
4.8.2粗纱成形良好,无脱圈等不良现象。5试验方法
5.1空车运转试验
5.1.1试验条件
5.1.1.1罗拉按适纺品种相应设计的最大值加压。5.1.1.2各运动部件按产品说明书调整到符合设计工艺要求的位置。5.1.1.3各润滑部位加注润滑油。5.1.1.4毛刷及清洁绒板均应调整到正确位置。5.1.1.5出条速度为25m/min。
5.1.1.6空车连续运转时间≥2h。5.1.2检验项目
见第4.1,4.2.1~~4.2.3,4.3.1~4.3.4,4.4,4.7条。5.1.3检验方法
5.1.3.1用点温计检测第4.1.2条。5.1.3.2第4.4.4条绝缘电阻的测定按FJ/Z122第12.1条的规定。5.2工作负荷试验
5.2.1试验条件
5.2.1.1工作环境温度20℃~33℃、相对湿度65%~~75%。输出(粗纱)
5.2.1.2纺纱工艺、牵伸隔距、牵伸倍数、出条速度等参数均按合理的工艺方案配置。5.2.1.3喂人条子的质量符合表2的规定。5.2.1.4正常生产连续运转30天后进行。5.2.2检验项目
见第4.6,4.5,4.8条。
5.2.3检验方法
5.2.3.1第4.5条声压级噪声的测定按FJ527的规定。5.2.3.2用三相功率表检测第4.6条的规定。6检验规则
6.1制造厂在每月或每批产品中抽-台进行全装,并按第5.1条进行空车运转试验。6.2每台产品须经制造厂质量管理部门检验合格,并附有产品合格证方可出厂。124
FZ/T93028—1993
6.3使用厂在进行安装、调整试验中发现有不符合本标准时,由制造厂负责处理。6.4产品在符合ZBW90001第5.11.1.2条的情况下进行型式检验。7标志、包装、运输、整存
7.1标志
7.1.1包装储运图示标志按GB191的规定。7.1.2产品铭牌的内容按FJ120.1和FJ120.2的规定。7.2包装
产品包装按FZ90001的规定。
7.3运输
产品运输过程中,应按规定的起吊位置起吊,包装箱应按规定的朝向放置,不得倾倒或改变方向。7.4贮存
产品出厂后在良好的防雨及通风贮存条件下,包装箱内的零件防锈、防潮有效期为一年。附加说明:
本标准由纺织工业部提出。
本标准由上海纺织机械研究所归口。本标准由上海纺织机械研究所、上海第一纺织机械厂负责起草。本标准主要起草人艾盛栋、黄国富、俞英英、贺乐珊、王庆海。125
小提示:此标准内容仅展示完整标准里的部分截取内容,若需要完整标准请到上方自行免费下载完整标准文档。