首页 > 纺织行业标准(FZ) > FZ/T 93051-1998 前纺和细纱机械上罗拉包覆物--胶管
FZ/T 93051-1998

基本信息

标准号: FZ/T 93051-1998

中文名称:前纺和细纱机械上罗拉包覆物--胶管

标准类别:纺织行业标准(FZ)

标准状态:现行

发布日期:1998-10-07

实施日期:1998-11-01

出版语种:简体中文

下载格式:.rar.pdf

下载大小:242923

相关标签: 机械 罗拉 包覆 胶管

标准分类号

标准ICS号:纺织和皮革技术>>纺织机械>>59.120.20络纱机器和设备

中标分类号:纺织>>纺织机械与器具>>W93纺部机械与器具

关联标准

替代情况:FZ/T 93014-1992 FZ/T 90038.1-1992 FZ/T 90038.2-1992 FZ/T 90038.3-1992 FZ/T 90038.4-1992

采标情况:ISO 98-1977 NEQ

出版信息

出版社:中国标准出版社

书号:155066.2-12583

页数:8页

标准价格:10.0 元

出版日期:2004-04-24

相关单位信息

起草人:王玉华、鹿益民、吴国轩、展盛仙、陈亮、高锦祥、周家骤

起草单位:陕西纺织器材研究所

归口单位:陕西纺织器材研究所

提出单位:原中国纺织总会技术装备部

发布部门:国家纺织工业局

标准简介

本标准规定了前纺和细纱机械上罗拉包覆物— 胶管(以下简称“胶管”)的产品分类与命名、要求、试验方法、检验规则和包装、贮存。本标准适用于邵尔A硬度60.90度的精梳、并条、粗纱、细纱机纺棉、化纤用胶管。 FZ/T 93051-1998 前纺和细纱机械上罗拉包覆物--胶管 FZ/T93051-1998 标准下载解压密码:www.bzxz.net

标准图片预览

FZ/T 93051-1998 前纺和细纱机械上罗拉包覆物--胶管
FZ/T 93051-1998 前纺和细纱机械上罗拉包覆物--胶管
FZ/T 93051-1998 前纺和细纱机械上罗拉包覆物--胶管
FZ/T 93051-1998 前纺和细纱机械上罗拉包覆物--胶管
FZ/T 93051-1998 前纺和细纱机械上罗拉包覆物--胶管

标准内容

FZ/T93051--1998
本标准非等效采用国际标准ISO98:1977《纺织机械与附件前纺和细纱机械上罗拉包覆物的
规格》。
本标准是根据FZ/T93014--1992《棉纺牵伸胶辊用胶管》进行修订的。根据我国前纺和细纱机械上罗拉包覆物一胶管的使用情况,由于ISO98中所列出的大部分尺寸规格与我国所用规格不相符合,因而本标准仅采用了ISO98中列出的胶管的少量尺寸规格,补充了适于我国现行前纺和细纱机械使用的胶管的尺寸规格,同时按照我国产品标准编写规定的要求,补充了产品分类与命名、要求、试验方法、检验规则、包装、贮存的技术内容。本标准根据GB/T1.1和GB/T1.3的要求,标准名称突出主体要素,定名为《前纺和细纱机械上罗拉包覆物胶管》;编排格式上增加了前言和附录,技术内容方面,保留了原标准中的尺寸规格,同时根据标准的实施及近几年来新产品开发、技术发展情况,在产品分类与命名一章增列了双层胶管及相关内容;对技术要求作了适当修改;补充完善了检验规则。对FZ/T93014—1992进行修订时,涉及到FZ/T90038.1~90038.4—1992《纺纱牵伸胶辊用胶管试验方法》系列标准同时修订,因本标准不规定胶管的回弹性和恒定压缩永久变形要求,因而相应的两项试验方法标准,即FZ/T90038.3-1992《纺纱牵伸胶辊用胶管试验方法回弹性》和FZ/T90038.4—1992《纺纱牵伸胶辊用胶管试验方法恒定压缩永久变形》随之取消。其他两项试验方法标准,即FZ/T90038.1—1992《纺纱牵伸胶辊用胶管试验方法内径和壁厚》和FZ/T90038.2—1992《纺纱牵伸胶辑用胶管试验方法邵尔A型硬度》,由于仅被本标准使用,因而不需制定为独立的试验方法标准,故将其作为本标准的附录。本标准自生效之日起,同时代替FZ/T93014--1992、FZ/T90038.1~~90038.2—1992(FZ/T90038.390038.4—1992作废)。本标准的附录A、附录B都是标准的附录。本标准由原中国纺织总会技术装备部提出。本标准由陕西纺织器材研究所归口。本标准由陕西纺织器材研究所负责起草,如东纺织橡胶厂、无锡二橡胶股份有限公司、天津市纺织橡胶厂、天津市纺织机械器材研究所参加起草。本标准主要起草人:王玉华、鹰益民、吴国轩、展盛仙、陈亮、高锦样、周家襄。265
1范围
中华人民共和国纺织行业标准
前纺和细纱机械
上罗拉包覆物
Spinning preparatory and spinning machineryCovering of top rollers--RubbercotFZ/T 93051—1998
neq ISO 98: 1977
代替FZ/T93014—1992
FZ/T 90038. 1~90038. 2 --1992本标准规定了前纺和细纱机械上罗拉包覆物一一-胶管(以下简称“胶管”)的产品分类与命名、要求、试验方法、检验规则和包装、贮存。本标准适用于邵尔A硬度60~~90度的精梳、并条、粗纱、细纱机纺棉、化纤用胶管。2引用标准
下列标准所包含的条文,通过在本标准中引用而构成为本标准的条文。本标准出版时,所示版本均为有效。所有标准都会被修订,使用本标准的各方应探讨使用下列标准最新版本的可能性。GB191—1990包装储运图示标志
GB/T2828-1987逐批检查计数抽样程序及抽样表(适用于连续批的检查)GB/T2829-1987周期检查计数抽样程序及轴样表(适用于生产过程稳定性的检查)GB/T4892—1996硬质直方体运输包装尺寸系列GB/T6543—1986瓦楞纸箱
JB/T6830-1993投影仪
3产品分类与命名
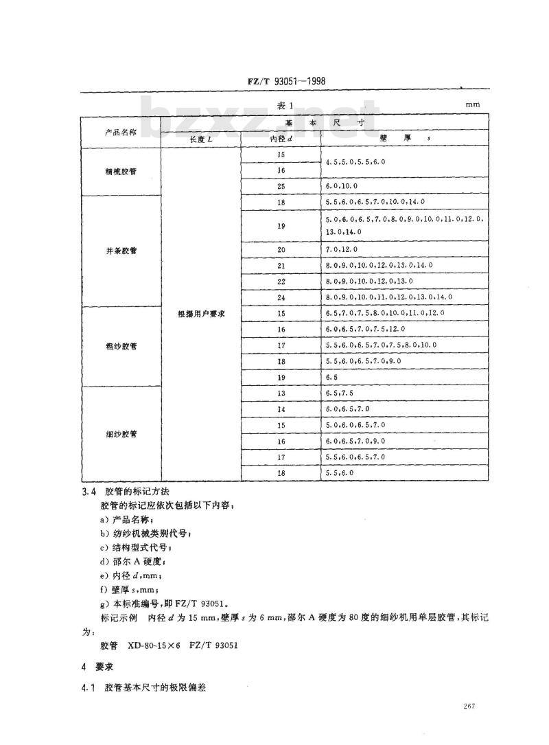
3.1根据纺纱机械的类别,胶管分为精胶管(代号J)、并条胶管(代号B)、粗纱胶管(代号C)和细纱胶管(代号X)。
3.2根据结构型式,胶管分为单层胶管(代号D)和双层胶管(代号S)。3.3胶管的结构型式见图1,基本尺寸见表1。外层
强力层
a)单层胶管(D型)
国家纺织工业局1998-10-07批准266
b)双层胶管(S 型)
1998-11-01实施
产品名称
精梳胶管
并条胶管
粗纱胶管
细纱胶管
3.4胶管的标记方法
根搁用户要求
胶管的标记应依次包括以下内容:a)产品名称,
b)纱机械类别代号:
c)结构型式代号,
d)邵尔A硬度,
e)内径d,mm,
f)壁厚s,mm,
g)本标准编号,郎FZ/T93051。FZ/T 93051--1998
内径d
4. 5,5. 0,5. 5,6. 0
5.5,6.0,6. 5,7.0,10. 0,14. 0mm
5. 0,6. 0,6. 5,7. 0,8. 0,9. 0,10. 0,11. 0,12. 0,13.0.14.0
8.0,9.0,10.0,12.0,13. 0,14. 08.09.0,10.0,12.0,13.0
8.0,9.0,10.0,11.0,12.0,13.0.14.06.5,7.0.7.5,8.0,10.0,11.0,12.06. 0,6. 5,7. 0,7. 5,12. 0
5.5,6.0,6.5,7.0.7.5,8, 0,10. 05.5,6. 0,6. 5,7. 0,9. 0
6.0,6.5,7.0
5.0,6.0,6.5,7.0
6. 0,6. 5,7. 0,9. 0
5.5,6.0,6.5,7.0wwW.bzxz.Net
标记示例内径d为15mm,壁厚s为6mm,邵尔A硬度为80度的细纱机用单层胶管,其标记为:
XD-80-15X6 FZ/T 93051
4要求
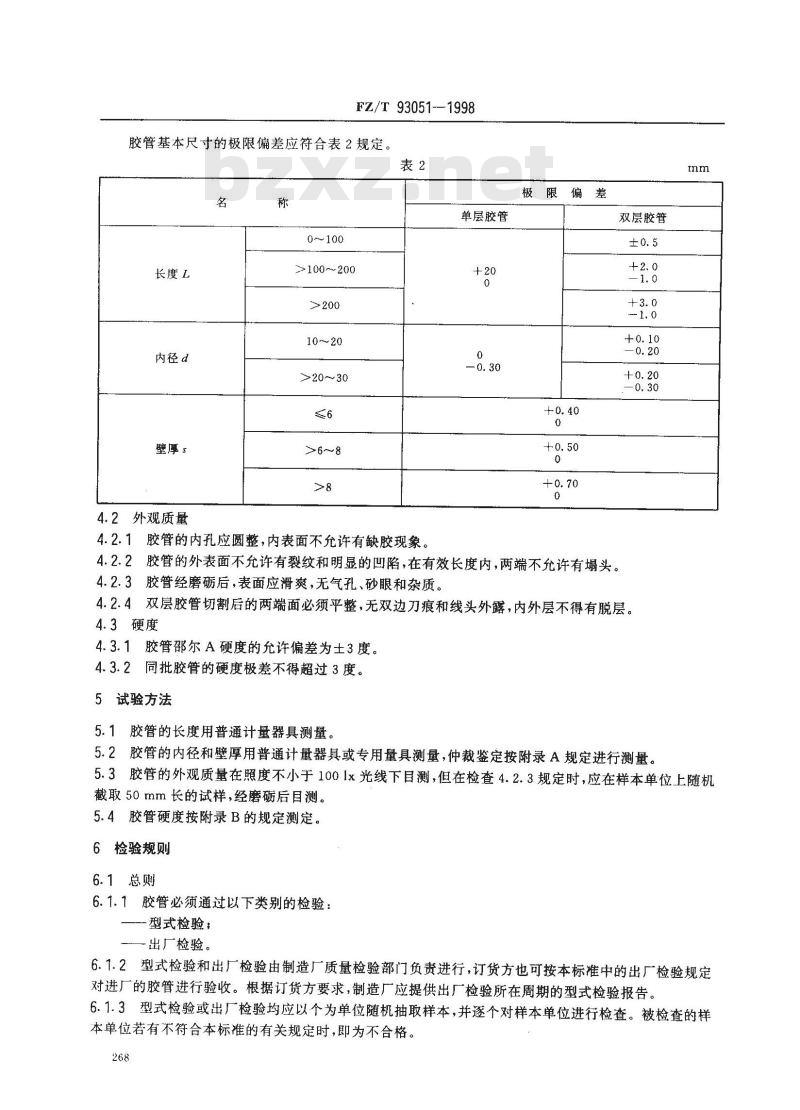
4.7胶管基本尺寸的极限偏差
FZ/T93051-1998
胶管基本尺寸的极限偏差应符合表2规定。表2
长度L
内径d
壁厚5
4.2外观质量
单层胶管
0~100
>100~200
>20~30
>6~8
4.2.1胶管的内孔应圆整,内表面不充许有缺胶现象。+20
极限偏差
双层胶管
+2:。
4.2.2胶管的外表面不允许有裂纹和明显的凹陷,在有效长度内,两端不允许有塌头。4.2.3胶管经磨砺后,表面应滑爽,无气孔、砂眼和杂质。4.2.4双层胶管切割后的两端面必须平整,无双边刀痕和线头外露,内外层不得有脱层。4.3硬度
4.3.1胶管邵尔A硬度的允许偏差为士3度。4.3.2
同批胶管的硬度极差不得超过3度。5试验方法
5.1胶管的长度用普通计量器具测量。mm
5.2胶管的内径和壁厚用普通计量器具或专用量具测量,仲裁鉴定按附录A规定进行测量。5.3胶管的外观质量在照度不小于1001x光线下目测,但在检查4.2.3规定时,应在样本单位上随机截取50mm长的试样,经磨砺后目测。5.4胶管硬度按附录B的规定测定。6检验规则
6.1总则
6.1.1胶管必须通过以下类别的检验:-型式检验;
出厂检验。
6.1.2型式检验和出厂检验由制造厂质量检验部门负责进行,订货方也可按本标准中的出厂检验规定对进厂的胶管进行验收。根据订货方要求,制造厂应提供出厂检验所在周期的型式检验报告。6.1.3型式检验或出厂检验均应以个为单位随机抽取样本,并逐个对样本单位进行检查。被检查的样本单位若有不符合本标准的有关规定时,即为不合格。268
6.2检验
6.2.1型式检验
FZ/T 93051-1998
6.2.1.1连续生产的胶管每月应进行一次型式检验,在改变设计、改进主要制造工艺、更换材料时,也应进行型式检验。
6.2.1.2型式检验采用GB/T2829中判别水平I的一次抽样方案。型式检验项目、样本大小、不合格质量水平和不合格分类应符合表3规定。6. 2. 1. 3
检验项目
内孔、内表面
切割后两端面
同批硬度极差
外表面
磨砺后表面
要求的章条
!试验方法的章条
样本的抽取和检查按GB/T2829-
样本大小
不合格质量水平
按检查结果判定
-1987中4.9和4.10规定进行。
不合格分类
型式检验合格或不合格的判断和检查后的处置按GB/T2829--1987中4.11和4.12规定进6. 2. 1. 5
6.2.2出厂检验
6.2.2.1每批胶管都应进行出厂检验,经型式检验合格后方可进行出厂检验。6.2.2.2出厂检验采用GB/T2828中一般检查水平1的一次抽样方案,从正常检查开始,并按GB/T2828—1987中4.6.3和4.6.4规定进行。6.2.2.3出厂检验项目,合格质量水平和不合格分类应符合表4规定表4
检验项目
内孔、内表面
切割后两端面
外表面
磨砺后表面
要求的章条
试验方法的章条
合格质量水平
4样本的抽取和检查按GB/T2828—1987中4.9和4.10规定进行。6. 2. 2. 4
不合格分类
出厂检验合格或不合格的判断和检查后的处置按GB/T2828一1987中4.11和4.12规定进7包装、贮存
7.1包装
7.1.1产品包装的准备
FZ/T93051--1998
7.1.1.1胶管经检验合格并附有合格证,方可进行包装。7.1.1.2包装件基本尺寸应尽量采用GB/T4892中规定。7.1.1.3外包装采用GB/T6543一1986表1中2类双瓦楞纸箱,当受到内装物尺寸限制时,可使用适宜的包装(箱)袋。
7.1.2产品包装
7.1.2.1胶管采用适宜的内包装方法,防止在运输过程中受损。7.1.2.2成箱后采用粘合方法封箱,粘合时应采用宽度不小于50mm的胶带。7.1.2.3封箱后应用塑料捆扎带按图2所示方法捆扎。塑料捆扎带
7.1.3包装标志
7.1.3.1外包装上应有包装标志(运输包装收发货标志和包装储运图示标志),其内容应符合以下规定:
7.1.3.1.1运输包装收发货标志
a)制造厂名;
b)产品标记;
c)数量;
d)颜色,
e)毛重:
f)生产年月或生产批号;
g)体积(长×宽×高一
7.1.3.1.2包装储运图示标志
“怕热标志”“怕湿标志”应符合GB191一1990表1中规定。7.1.3.2运输包装收发货标志和包装储运图示标志应分别位于包装箱的侧面和端面。7.1.3.3标志应用油漆、油墨等印色材料涂打或印刷,标志应清晰耐久。7.2存
7.2.1胶管存放时应远离热源,免受日光直射和雨雪浸袭,并不得接触酸、碱、油等有损橡胶的物质。7.2.2胶管自制成之日起,使用前应有1~2个月的回性期,胶管在生产厂的贮存时间(包括回性期)不应超过半年,在使用厂的贮存时间不应超过一年。270
A1范围
本方法仅适用于仲裁鉴定。
A2仪器
FZ/T 93051—1998
附录A
(标准的附录)
胶管内径和壁厚的测定方法
a)投影仪应符合JB/T6830规定;b)投影仪的放大倍数为10。
A3试样
A3.1试样在距胶管两端50 mm(D型)或10mm(S型)以上长度内随机截取,每个胶管截取一个试样,其长度为10mm士0.1mm。
A3.2试样两端面应平整、光滑。A4试验条件
A4.1试验标准环境
a)温度:(23±2)℃;
b)相对湿度:(50±5)%。
A4.2试样状态调节
试样在试验标准环境下放置时间不少于16h。A5测量步骤及结果的表示
A5.1试样平放在投影仪载物台上,调节升降机构,使试样在投影屏上成像清晰,边缘清楚。A5.2用分划间隔为0.5mm的普通玻璃尺在投影屏上测量试样相互垂直方向的两内径,取算术平均值,精确到0.01mm。
A5.3用分划间隔为0.5mm的普通玻璃尺在投影屏上测量试样的壁厚(从水布纹处开始),每个试样应在圆周方向等距离测三处,取测量值的中位数为试验结果,精确到0.01 mm。附录B
(标准的附录)
胶管邵尔A硬度试验方法
B1试验仪器
B1.1硬度计压针的形状和尺寸应符合图B1和表B1的规定,并且压针应位于孔的中心。B1.2硬度计压针在自由状态时,其指针应指零度,当压针被压入小孔,其端面与硬度计底面在同一平面时,指针所指刻度应为100度。271
1.25±0.15
0.79±0.03
Z/T 93051—1998
2.50±0.04
35°±0.25°
3. 0 0.。
B1.3弹簧对压针所施力的大小同硬度计指示值的关系应符合式(B1),允许偏差为士75mN(即硬度1度)。
F=550+75HA
式中:F-
一弹簧对硬度计压针所施加的力,mN;550-—压针未压入试样时(硬度计示值为零时)弹簧对压针所施加的初始力,mN;75—一硬度计每1度所对应的弹簧在其压针上的力,mN;H.邵尔A型硬度计指示的度数。
B2试样
B2.1在样本单位有效长度内截取试样,其长度为30mm士0.5mmB2.2将试样按规定的套差套在铁芯上进行磨砺,磨砺后其壁厚为5mm士0.1mm。B3试验条件
B3.1试验标准环境
a)温度:(23±2)℃;
b)相对湿度:(50±5)%。
B3.2试样状态调节
试样在试验标准环境下放置时间不少于16h。B4试验步骤
调整硬度计水平,使指针在自由状态下指零。·(B1 )
B4.2把试样放置在仪器的V型工作台上,平稳地扳动手柄,给试样缓慢地施加质量为1kg的负荷。B4.3当硬度计底面与试样表面平稳地完全结合时起1s内读数。B4.4试样上的每一点只准许测量-次,测量点间距离不小于8mm。B5试验结果的表示
B5.1以硬度计示值为测定值。
B5.2每个试样沿圆周方向随机测量三点,取测量值的中位数为试验结果。272
小提示:此标准内容仅展示完整标准里的部分截取内容,若需要完整标准请到上方自行免费下载完整标准文档。