首页 > 纺织行业标准(FZ) > FZ/T 90086-1995 纺织机械与附件下罗拉轴承和有关尺寸
FZ/T 90086-1995

基本信息

标准号: FZ/T 90086-1995

中文名称:纺织机械与附件下罗拉轴承和有关尺寸

标准类别:纺织行业标准(FZ)

标准状态:现行

发布日期:1995-06-13

实施日期:1995-06-13

出版语种:简体中文

下载格式:.rar.pdf

下载大小:159052

相关标签: 纺织机械 附件 罗拉 轴承 尺寸

标准分类号

标准ICS号:纺织和皮革技术>>59.120纺织机械

中标分类号:纺织>>纺织机械与器具>>W93纺部机械与器具

关联标准

替代情况:原标准号GB 12139-89

采标情况:eqv ISO 3464-1977

出版信息

出版社:中国标准出版社

书号:155066.2-11669

页数:5页

标准价格:8.0 元

出版日期:2004-03-24

相关单位信息

起草人:董玉英、陈冠君、李星火

起草单位:衡阳纺织机械厂

归口单位:中国纺织总会纺织机电研究所

提出单位:原纺织工业部

发布部门:中国纺织总会

标准简介

本标准规定了下罗拉轴承系列,轴承盖的结构型式、技术参数及下罗拉轴承与下罗拉和轴承座的有关尺寸。本标准适用于纺纱准备、纺纱和并(捻)机械的下罗拉轴承。 FZ/T 90086-1995 纺织机械与附件下罗拉轴承和有关尺寸 FZ/T90086-1995 标准下载解压密码:www.bzxz.net

标准图片预览

FZ/T 90086-1995 纺织机械与附件下罗拉轴承和有关尺寸
FZ/T 90086-1995 纺织机械与附件下罗拉轴承和有关尺寸
FZ/T 90086-1995 纺织机械与附件下罗拉轴承和有关尺寸
FZ/T 90086-1995 纺织机械与附件下罗拉轴承和有关尺寸
FZ/T 90086-1995 纺织机械与附件下罗拉轴承和有关尺寸

标准内容

中华人民共和国纺织行业标准
纺织机械与附件
下罗拉轴承和有关尺寸
FZ/T 90086—95
本标准等效采用国际标准ISO3464—1977《纺织机械与附件—下罗拉轴承和有关尺寸—中凸块轴承盖和侧凸块轴承盖》。
1主题内容与适用范围
本标准规定了下罗拉轴承系列,轴承盖的结构型式、技术参数及下罗拉轴承与下罗拉和轴承座的有关尺寸。
本标准适用于纺纱准备、纺纱和并(捻)机械的下罗拉轴承。2型号、结构型式和主要技术参数2.1轴承型号的表示方法
攀生型式代号
罗拉轴承座宽度B21)
罗拉轴承的外径
罗拉轴承的代号
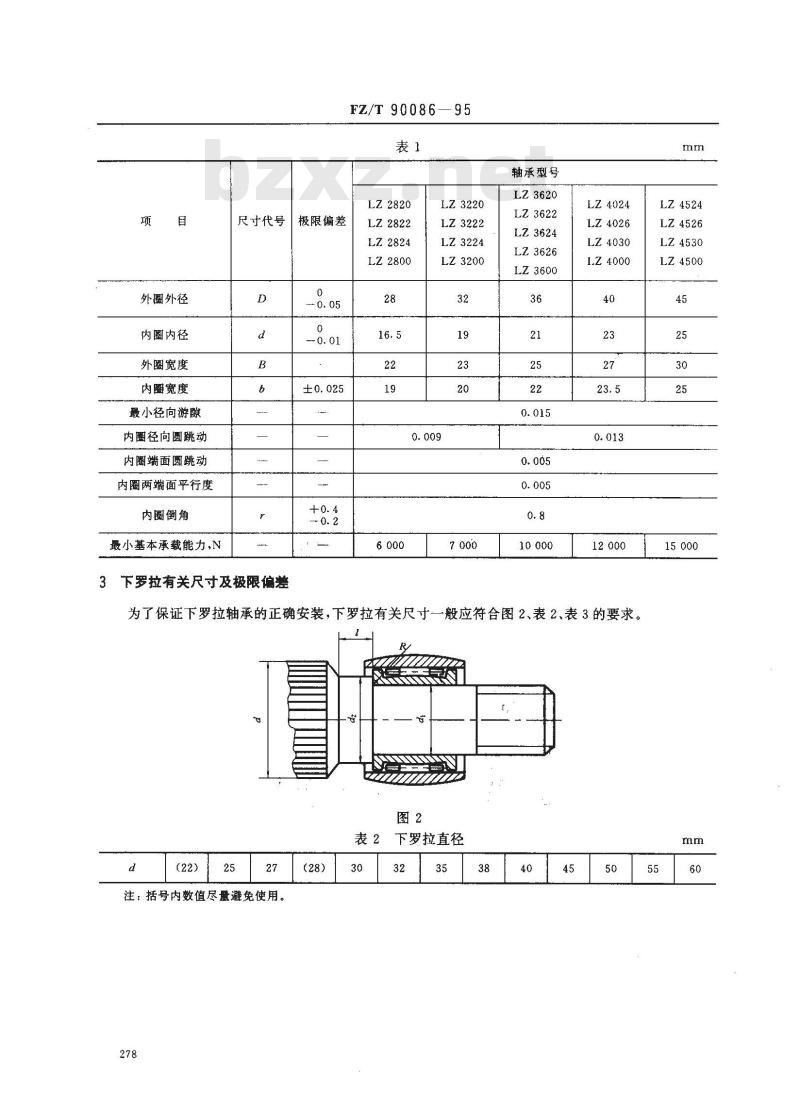
注:1)当附有中凸块轴承盖时用“00\表示。2.2轴承结构及主要技术参数见图1、表1。0
采用说明:
1]根据国内实际情况增加的。
中国纺织总会1995-06-13批准
1995-06-13实施
外圈外径
内圈内径www.bzxz.net
外圜宽度
内图宽度
最小径向游隙
内圈径向圆跳动
内圈端面圆跳动
内圈两端面平行度
内圈倒角
最小基本承载能力,N
尺寸代号
3下罗拉有关尺寸及极限偏差
FZ/T9008695
LZ2820
极限偏差
LZ 2822
LZ 2824
LZ 2800
LZ3220
LZ3222
LZ3224
LZ3200
轴承型号
LZ3620
LZ3622
LZ3624
LZ3626
LZ3600
LZ4024
LZ4026
LZ4030
为了保证下罗拉轴承的正确安装,下罗拉有关尺寸一般应符合图2、表2、表3的要求。N
注:括号内数值尽量避免使用。278
下罗拉直径
LZ4524
LZ4526
LZ4530
LZ4500
导柱直径
肩部直径
肩部长度
圆角半径
FZ/T 90086—95
“下罗拉轴颈尺寸
LZ2820
尺寸代号
极限偏差
轴承盖及轴承座的主要尺寸
4.1轴承座宽度B2见表4。
LZ2822
LZ 2824
LZ 2800
LZ3220
LZ3222
LZ3224
LZ3200
表4轴承座宽度
注:1)B2与轴承尺寸无固定关系,选用时,建议Bz≤B(B见表1)。2)括号内数值尽量避免使用。
4.2中凸块轴承盖和轴承座主要尺寸见图3~图4,表5。N
图3中凸块轴承盖
轴承型号
1Z3620
LZ3624
LZ3626
(25)2)
LZ4030
IZ4524
LZ4526
图4中凸块轴承盖的轴承座
凸块宽度
凸块到中心距离
凸块高度
凸块高度
凸块凸出量
轴承座
尺寸代号
FZ/T 90086—95
中凸块轴承盖和轴承座主要尺寸极限偏差
LZ2800
LZ3200
侧凸块轴承盖和轴承座主要尺寸见图5~图6,表6~表7。4.3
侧凸块轴承盖
轴承型号
LZ3600
LZ4000
LZ4500
图6侧凸块轴承盖的轴承座
侧凸块轴承盖和轴承座主要尺寸轴承型号
盖总高
侧凸块高度
侧凸块高度
轴承座
尺寸代号
极限偏差
LZ2820
LZ2822
LZ2824
LZ3220
LZ3222
LZ3224
LZ3620
LZ3622
LZ3626
LZ4024
(LZ 4025)
LZ4026
LZ4030
LZ4524
(LZ4525)
LZ4526
LZ4530
LZ2820
LZ2822
附加说明:
LZ3220
LZ3222
LZ3224
本标准由原纺织工业部提出。
FZ/T90086-95
侧凸块间距W和轴承座宽度B2
LZ3620
LZ3622
本标准由中国纺织总会纺织机电研究所归口轴承
LZ4024
(1.Z4025)
LZ 4026
LZ4030
25.2)(25)
本标准由衡阳纺织机械厂负责起草,由上海纺织轴承一厂参加起草。本标准主要起草人董玉英、陈冠君、李星火。本标准制定于1989年,1995年由国家标准调整为本行业标准,26
LZ 4524
(1.Z4525)
J(25.2)
自本标准实施之日起,原国家标准GB12139—89《纺织机械与附件下罗拉轴承和有关尺寸》
作废。
小提示:此标准内容仅展示完整标准里的部分截取内容,若需要完整标准请到上方自行免费下载完整标准文档。