首页 > 纺织行业标准(FZ) > FZ/T 93041-1995 毛纺环锭捻线机
FZ/T 93041-1995

基本信息

标准号: FZ/T 93041-1995

中文名称:毛纺环锭捻线机

标准类别:纺织行业标准(FZ)

标准状态:现行

发布日期:1995-06-13

实施日期:1995-10-01

出版语种:简体中文

下载格式:.rar.pdf

下载大小:168860

相关标签: 毛纺 环锭

标准分类号

标准ICS号:纺织和皮革技术>>纺织机械>>59.120.20络纱机器和设备

中标分类号:纺织>>纺织机械与器具>>W93纺部机械与器具

关联标准

替代情况:FJ/JQ 214-88

出版信息

出版社:中国标准出版社

页数:4页

标准价格:8.0 元

相关单位信息

起草人:施尧训、徐明苏、王德兴、高翔

起草单位:上海纺织机械研究所、上海二纺机股份有限公司、东台纺织机械厂

归口单位:上海纺织机械研究所

提出单位:中国纺织总会技术装备部

发布部门:中国纺织总会

标准简介

本标准规定了毛纺环锭捻线机的基本参数、技术要求、试验方法、检验规则和标志、包装、运输、贮存本标准适用于羊毛、化纤的纯纺或混纺纱加捻成股线的毛纺环锭捻线机,也适用于毛纺环锭并捻线机。 FZ/T 93041-1995 毛纺环锭捻线机 FZ/T93041-1995 标准下载解压密码:www.bzxz.net

标准图片预览

FZ/T 93041-1995 毛纺环锭捻线机
FZ/T 93041-1995 毛纺环锭捻线机
FZ/T 93041-1995 毛纺环锭捻线机
FZ/T 93041-1995 毛纺环锭捻线机

标准内容

中华人民共和国纺织行业标准
毛纺环锭捻线机
1主题内容与适用范围
FZ/T 93041—95
代替FJ/JQ214—88
本标准规定了毛纺环锭捻线机的基本参数、技术要求、试验方法、检验规则和标志、包装、运输、贮存。
本标准适用于羊毛、化纤的纯纺或混纺纱加捻成股线的毛纺环锭捻线机,也适用于毛纺环锭并捻线机。
2引用标准
GB191包装储运图示标志
GB443L-AN全损耗系统用油
GB 2543
FZ 90001
纱线抢度的测定
纺织机械产品包装
FZ/T 90071
FZ/T 90074
FZ/T 92014
FZ/T92015
FZ/T 92016
FZ/T 92024
FZ/T 92053
FZ/T 93009
FZ/T 99014
FJ 120. 1
纺织机械噪声声压级的测量方法纺织机械产品涂装
粉末冶金钢领
精梳毛纺环锭细纱锭子
LZ系列下罗拉轴承
轴承内径$10 mm环锭锭子
毛纺用经纱管
纺织机械电气设备技术条件
纺织机械铭牌
纺织机械铭牌内容
基本参数(见表1)
基本锭数
捻线密度
拾度范围
中国纺织总会1995-06-13批准
4000~10000
50/2~10/2
(20/2~100/2)
200~1200
规格及参数
4000~10000
55/2~10/2
(18/2~~100/2)
175~1200
2700~6400
80/2~20.8/2
(12.5/2~48/2)
120~800
1200~4000
333.3/2~35.7/2
(3/2~28/2)
90-500
1995-10-01实施
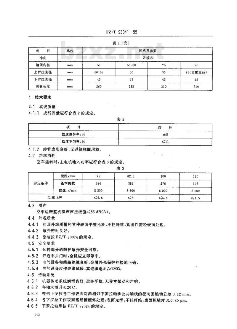
钢领内径
上罗拉直径
下罗拉直径
簡管长度
技术要求
4.1成线质量
60、68
4.1.1成线质量应符合表2的规定。项
拾度差异率,%
擒度不匀率,%
4.1.2纱管成形良好,无退绕脱圈现象。4.2功率消耗
FZ/T93041—95
表1(完)
55、60
空车运转时,主电机输入功率应符合表3的规定。表3
锭距,mm
评定条件
基本锭数
锭速,r/min
功率,kw
4.3噪声
空车运转整机噪声声压级值≤85dB(A)。4.4外观质量
规格及参数
4.4.1涉及外观质量的零件表面平整光滑,不挂纤维,紧固件需经表面处理。4.4.2
罩壳密封良好。
4.4.3涂装按FZ/T90074的规定。4.5安全要求
4.5.1运转部分的防护罩壳安全可靠。4.5.2开启车头门时,全机应立即停车。4.5.3电气设备和线路绝缘良好,金属外壳保护性接地正确。4.5.4电气设备应作绝缘试验,其绝缘电阻≥1MQ。4.6传动系统
机器传动系统润滑良好、运转平稳、无异常振动和声响。4. 6. 1
各轴承温升≤20℃。
75(包覆直径)
整列下罗拉各工作表面对两相邻下罗拉轴承公共轴线的径向圆跳动公差0.12mm。4.6.4
各下罗拉工作表面需经镀硬铬处理,表面光滑,不挂纤维,表面粗糙度R.0.80μm。下罗拉轴承按FZ/T92024的规定。4.6.5
4.6.6滚盘按FZ/T92014的规定。4.7卷绕系统
FZ/T93041-95
4.7.1在升降全程一半高度上,锭子中心对钢领中心的同轴度公差1.2mm。4.7.2导纱杆、导纱钩、气圈环等纱道表面光滑,不挂纤维。4.7.3钢领板、导纱板、气圈环升降平稳,不得有阻滞、顿挫或振动现象。4.7.4断头自停装置动作灵敏可靠。4.7.5锭子
轴承内径$7.8mm、§8.8mm锭子按FZ/T 92016的规定。轴承内径$10mm锭子按FZ/T92053的规定。4.7.6钢领按FZ/T92015的规定。4.8电气及自动机构
4.8.1电气接线正确可靠。
4.8.2自动机构动作准确、灵敏。5试验方法
5.1空车运转试验
5.1.1试验条件见表4。
基本锭数
锭子油位高度
5.1.1.1锭子用油为GB443标准中L-AN7全损耗系统用油。5.1.1.2空车连续运转时间>4h。5.1.2试验项目
见4.2~4.6.4、4.7.1~4.7.4、4.8条。5.1.3检验方法
5.1.3.1用I级精度三相功率表检测第4.2条。5.1.3.2第4.3条噪声的测定按FZ/T90071的规定。锭带张力
5.1.3.3第4.5.4条绝缘电阻的测定按FZ/T99014第12.1条的规定。5.1.3.4用点温计检测第4.6.2条。下罗拉转速Www.bzxZ.net
5.1.3.5第5.1.1条锭带公称张力用小定量弹簧测力仪串入锭带,沿锭带张紧边运动方向与全机纵向垂直,徐徐拉动弹簧测力仪至锭带张力轮刚开始摆动时的读数。5.2工作负荷试验
5.2.1试验条件
5.2.1.1线工艺按合理的工艺方案配置。5.2.1.2喂入毛纱应符合表5的规定。表5
全毛纱、毛混纺纱及化纤纱
号数标准差,%
捻度不匀率,%
FZ/T 9304195
5.2.1.3简管的质量按FZ/T93009的规定。5.2.1.4正常生产连续运转30天后进行。5.2.2试验项目
见4.1条。
5.2.3按GB2543的规定检测第4.1.1条。6检验规则
6.1制造厂在每月或每批中全装一台按第5.1条进行空车运转试验。6.2每台产品需经制造厂质量检查部门检查合格,签发质量合格证后方能出厂。6.3使用厂在进行安装、调整、试验中,发现不符合本标准时,由制造厂负责进行处理。6.4在下列情况之一时,要进行型式检验:a.新产品或老产品转厂生产的试制定型鉴定;b.连续生产5年或停产2年再生产时;c.国家质量监督机构提出进行型式检验的要求时。7标志、包装、运输、贮存
7.1标志
7.1.1包装、储运的图示标志按GB191的规定。7.1.2产品铭牌按FJ120.1和FJ120.2的规定。7.2包装
产品包装按FZ90001的规定。
7.3运输
产品在运输过程中,应按规定的起吊位置起吊,包装箱应按规定朝向安置,不得倾倒或改变方向。7.4贮存
产品出厂后,在有良好防雨及通风的贮存条件下,包装箱内的零件防潮防锈有效期自出厂日起为,年。
附加说明:
本标准由中国纺织总会技术装备部提出。本标准由上海纺织机械研究所归口。本标准由上海纺织机械研究所、上海二纺机股份有限公司、东台纺织机械厂负责起草。本标准主要起草人施尧训、徐明苏、王德兴、高翔。204
小提示:此标准内容仅展示完整标准里的部分截取内容,若需要完整标准请到上方自行免费下载完整标准文档。