首页 > 纺织行业标准(FZ) > FZ/T 93047-1998 针刺机
FZ/T 93047-1998

基本信息

标准号: FZ/T 93047-1998

中文名称:针刺机

标准类别:纺织行业标准(FZ)

标准状态:现行

发布日期:1998-05-25

实施日期:1998-07-01

出版语种:简体中文

下载格式:.rar.pdf

下载大小:152616

相关标签: 针刺

标准分类号

标准ICS号:纺织和皮革技术>>纺织机械>>59.120.40针织机械

中标分类号:纺织>>纺织机械与器具>>W93纺部机械与器具

关联标准

出版信息

出版社:中国标准出版社

页数:6页

标准价格:10.0 元

出版日期:1998-07-01

相关单位信息

起草人:施尧训、贺冬娣、汪之光、范臻、王建中、周鸣秋

起草单位:上海纺机研究所、江苏仪征纺机厂、万隆非织造布有限公司

归口单位:上海纺织机械研究所

提出单位:中国纺织总会技术装备部

发布部门:国家纺织工业局

标准简介

本标准规定了针刺机的产品分类、技术要求、试验方法、检验规则和标志、包装、运输、贮存。本标准适用于生产针刺法非织造布用的平板式针刺机。该机器通过刺针对纤网反复穿刺,使纤维相互缠结,将蓬松纤网加固。其他型式的针刺机也可以参照采用。注:平板式针刺机可简称针刺机,其他型式的针刺机均不得简称或省略。 FZ/T 93047-1998 针刺机 FZ/T93047-1998 标准下载解压密码:www.bzxz.net

标准图片预览

FZ/T 93047-1998 针刺机
FZ/T 93047-1998 针刺机
FZ/T 93047-1998 针刺机
FZ/T 93047-1998 针刺机
FZ/T 93047-1998 针刺机

标准内容

FZ/T 93047—-1998
根据中国纺织总会1994年国家、行业标准制定计划的要求,制定本标准。标准起草工作组由上海纺机研究所、江苏仪征纺机厂、万隆非织造布有限公司(太仓市双凤非织造布设备厂)、江苏飞天无纺机械制造公司、常熟市光学机械厂组成。近年来,随着非织造布产品的广泛应用,非织造设备国产化程度越来越高,作为非织造设备主机之一的针刺机,在国内亦有多家生产厂制造,但无统一标准,因此制定针刺机行业标准是必须的。本标准重点内容之一是制定针刺机的产品分类、产品型号表示方法,可统一名词、术语及产品型号的表达。标准的另-重点是制定产品的基本参数、技术要求,规定产品的质量要求,以促进技术进步,提高产品质量。
本标准由中国纺织总会技术装备部提出。本标准由上海纺织机械研究所归口。本标准起草单位:上海纺机研究所、江苏仪征纺机厂、万隆非织造布有限公司、江苏飞天无纺机械制造公司、常熟市光学机械厂。
本标准主要起草人:施尧训、贺冬娣、汪之光、范臻、王建中,周鸣秋。226
1范围
中华人民共和国纺织行业标准
针刺机
Needle loom
FZ/T 93047—1998
本标准规定了针刺机的产品分类、技术要求、试验方法、检验规则和标志、包装、运输、贮存。本标准适用于生产针刺法非织造布用的平板式针刺机。该机器通过刺针对纤网反复穿刺,使纤维相互缠结,将蓬松纤网加固。其他型式的针刺机也可以参照采用。注:平板式针刺机可简称针刺机,其他型式的针刺机均不得简称或省略。2引用标准
下列标准所包含的条文,通过在本标准中引用而构成为本标准的条文。本标准出版时,所示版本均为有效。所有标准都会被修订,使用本标准的各方应探讨使用下列标准最新版本的可能性。GB191—90包装储运图示标志
FZ90001-91纺织机械产品包装
FZ/T90016--91零件的铸刻字
FZ/T90045--93纺织机械产品型号的编制和管理FZ/T90071-—95纺织机械噪声声压级的测量方法FZ/T90074—95纺织机械产品涂装FZ/T90089.1-1996纺织机械铭牌型式、尺寸及技术要求FZ/T90089.2—1996纺织机械铭牌内容FZ/T93048-1998针刺用针
FZ/T99014—95纺织机械电气设备技术条件3产品分类
3.1名词术语
3.1.1预针刺机
对纤网进行初步穿刺加固,使高度蓬松而无强力的纤网初具强力、厚度变薄的机器。3.1.2主针刺机
对经预针刺的纤网进一步穿刺加固,达到一定强力要求的机器。3.1.3上刺式针刺机
刺针由下向上穿刺纤网的针刺机。3.1.4下刺式针刺机
刺针由上向下穿刺纤网的针刺机。3.1.5对刺式针刺机
在纤网两面的刺针,交叉或相对穿刺纤网的针刺机。3.1.6针板
国家纺织工业局1998-05-25批准1998-07-01实施
FZ/T 93047 -- 1998
装有刺针后可对纤网进行穿刺加固的多孔板。3.1.7剥网板
刺针穿刺纤网过程中,刺针退出纤网时,阻止纤网跟随刺针运动,使其剥离的多孔板。3.1.8托网板
刺针穿刺纤网过程中,刺针进入纤网时,托住纤网的多孔板。3.1.9刺针
在针刺机上对纤网反复穿刺的带刺的针。3.1.10针刺深度
刺针针尖通过托网板表面的距离(以毫米(mm)表示,表面是指纤网与托网板接触的面)。3.1.11植针密度
针板单位长度上可植刺针数(以枚/m表示)。3.1.12针刺频率
单位时间内刺针往复的次数,一个往复为一次[以次/min 表示}。3.1.13工作宽度
针刺机对纤网穿针的有效宽度【以厘米(cm)表示)。3.1.14刺针动程
刺针往复运动的上至点到下至点的距离【以毫米(mm)表示】。3.1.15针刺机速度
针刺机速度可分为输入速度和输出速度。输入速度和输出速度是指纤网的输入和输出速度均以米/分钟(m/min)表示)。
3.2产品型号表示方法
产品型号表示方法按FZ/T90045的规定。3.3基本参数
见表1。
工作宽度.cm
针刺频率,次/min
针刺动程,mm
植针密度,枚/m
4技术要求
按针板数
按针刺方式
单针板
双针板
4.1针刺非织造布成品质量
4.1.1成品表面平整。
4.1.2成品针孔分布均勾,无油斑。4.2功率消耗
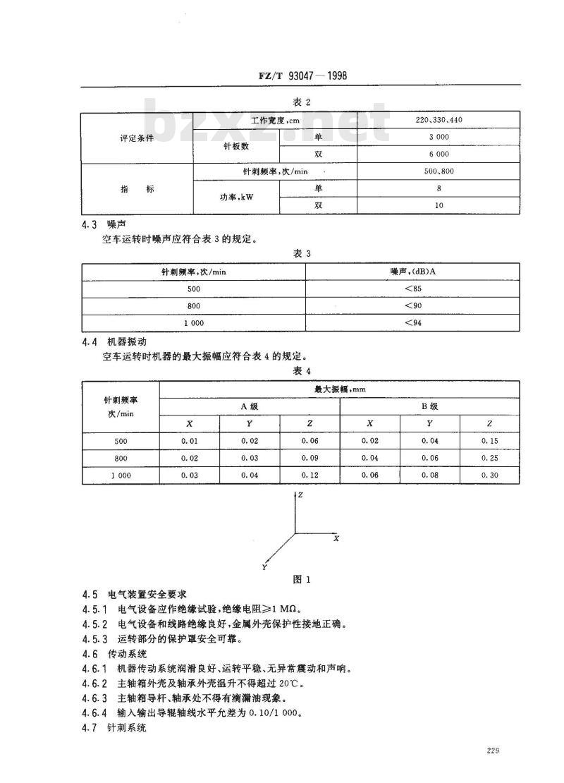
空车运转时,主电机输入功率不超过表2中规定。228免费标准下载网bzxz
单针板、双针板、多针板
上刺、下刺、对刺
110、220、330.440、550、660
120、240、360、480、600
500,800.1 000.1 200
25.30、40,50,60
1 500.3 000.4 000,5 000
3 000,6 000.8 000.10 000
评定条件
4.3噪声
FZ/T93047—1998
工作宽度,cm
针板数
针刺频率,次/min
功率,kw
空车运转时噪声应符合表3的规定。单
针刺率,次/min
4.4机器振动
空车运转时机器的最大振幅应符合表4的规定。表4
针刺频率
次/min
4.5电气装置安全要求
最大振幅,mm
4.5.1电气设备应作绝缘试验,绝缘电阻≥1MQ。X
4.5.2电气设备和线路绝缘良好,金属外壳保护性接地正确。4.5.3运转部分的保护罩安全可靠。4.6传动系统
4.6.1机器传动系统润滑良好、运转平稳、无异常震动和声响。主轴箱外壳及轴承外壳温升不得超过20℃。4. 6. 2
主轴箱导杆、轴承处不得有滴漏油现象。4.6.33
4.6.4输入输出导辊轴线水平允差为0.10/10004.7针刺系统
220、330、440
500、800
噪声,(dB)A
FZ/T 93047— 1998
4.7.1托网板、剥网板工作表面必须平整光滑无毛刺。4.7.2刺针中心对托网板中心调整后的位置度为Φ1.5mm,允许在纤网运动方向上偏差1.5mm。4.7.3刺针中心对剥网板中心调整后的位置度为1.5mm,允许在纤网运动方向上偏差1.5mm。4.7.4托网板与剥网板之间的距离按工艺要求可以进行调整,调整后托网板与剥网板必须保持平行,平行度为0.2/1000。
4.7.5托网板与针板之间的平行度为0.15/1000。4.7.6针刺频率应在使用范围内可调。4.8刺针按FZ/T93048针刺用针的规定4.9零件的铸刻字应符合FZ/T90016的规定。4.10产品的涂装应符合FZ/T90074的规定。5试验方法
5.14.6.2用半导体点温计测量。5.24.6.3用白纸检测。
5.34.6.4用水平仪在导辊中部测量。5.44.7.1用回丝在工作表面拖擦,不得有拉丝现象。5.54.7.2,4.7.3用平板、直角座、带指示器的测量架检测。5.64.7.4,4.7.5用带指示器的测量架检测。5.74.7.6针刺频率用主轴转速代替,在主轴端用转速表测定。5.8机器噪声按FZ/T90071的规定测定。5.9机器振幅用测振仪检测。测点在针刺机中部下机架的上平面上。5.10针刺成品质量目测。
5.11主电机输入功率用三相功率表或电流、电压表测定。绝缘电阻按FZ/T99014的规定测定。5.12空车运转试验
5.12.1试验条件
5.12.1.1针刺频率从0逐渐增加到测定频率。5.12.1.2成品输出速度从0逐渐增加到测定速度。5.12.1.3空车运转按测定频率连续运转2h。5.12.2试验项目
4.2,4. 3,4. 4,4.5,4.6。
5.13工作负荷试验
5.13.1试验条件
5.13.1.1必须在空车运转试验正常后方能进行。5.13.1.2纤网原料、成品克重、针刺频率、针刺成品密度、成品幅宽等均按制造厂所提供的合理的针刺工艺配置。
5.13.2试验项目
见4.1。
6检验规则
6.1出厂检验
6.1.1每台产品全装,并经制造厂质量检验部门按本标准检验合格,附有产品合格证后方可出厂。6.1.2每批产品中应抽10%,且不少于一台进行空车运转试验。6.2型式检验
6.2.1型式检验按本标准第4章。FZ/T93047—1998
6.2.2在下列情况之一时,要进行型式检验:a)新产品或老产品转厂生产的试制定型鉴定;b)连续生产五年或停产二年再生产时;c)国家质量监督机构提出进行型式检验的要求时。7标志、包装、运输、贮存
7.1标志
7.1.1包装、储运的图示标志按GB191的规定。7.1.2产品铭牌按FZ/T90089.1和FZ/T90089.2的规定。7.2包装
产品包装按FZ90001的规定。
7.3运输
产品在运输过程中,应按规定的位置起吊,包装箱应按规定朝向安置,不得倾倒或改变方向。7.4贮存
产品出厂后,在有良好防雨及通风的贮存条件下,包装箱内的零件防潮防锈有效期自出厂之日起为一年。
小提示:此标准内容仅展示完整标准里的部分截取内容,若需要完整标准请到上方自行免费下载完整标准文档。