首页 > 石油化工行业标准(SH) > SH/T 0006-2002 工业白油
SH/T 0006-2002

基本信息

标准号: SH/T 0006-2002

中文名称:工业白油

标准类别:石油化工行业标准(SH)

标准状态:现行

发布日期:2002-05-31

实施日期:2002-07-01

出版语种:简体中文

下载格式:.rar.pdf

下载大小:178319

相关标签: 工业

标准分类号

标准ICS号:石油及相关技术>>75.140石蜡、沥青材料和其他石油产品:

中标分类号:石油>>石油产品>>E42石油蜡

关联标准

替代情况:SH/T 0006-1990(1998)

采标情况:JIS K2231-1993 MOD

出版信息

页数:8页

标准价格:14.0 元

相关单位信息

标准简介

SH/T 0006-2002 工业白油 SH/T0006-2002 标准下载解压密码:www.bzxz.net

标准图片预览

SH/T 0006-2002 工业白油
SH/T 0006-2002 工业白油
SH/T 0006-2002 工业白油
SH/T 0006-2002 工业白油
SH/T 0006-2002 工业白油

标准内容

ICS 75. 140
中华人民共和国石油化工行业标准SH/T 0006—2002
工业白油
Industrialmineraloit
2002-05-31发布
国家经济贸易委员会
2002-07-01实施
SH/T 006—70C2
本标注等效采用口本业标准S2231-1993液体含折对SI006—90(98)工业户拍》产品标胜进行参汀。
本标准上JISK2231-1993的差导:本标准的引用标准采刃离相成的国家标准。两个牌
技代指标中增加了机域杂质利水分这两项措标。将工业内洲分为光额品和合格虽两个等级,本标准与STI0006—90(%>的差异:本乐准为挂荐性行业标证,
在优级品中增加了5\和100\两个障号准合客品中增加了5个牌号。
取消了附录A的3,4中对标准比色波有效期的规定:将附录H中3.1\取SmL95乙醇\改为\取1.5mT.95%乙爵\。本标准口实施泛口起代替 SHN690)本标准的闲求A、附录卫民标准的附录,本杭准由中石汇化工股份有限公司提山本标限山中国石泊化工股份有限公川抚顺在润化工研究院归本标准兰要起草人:一州看与俊兴,本标准首发布广19年,15年重新确认中华人民共和国石油化工行业标准工业白油
Endnstrial nrineral cil
1主题内容与适用范围
SH/T 0006—2592
化SHT0006—08)
本标准规定了工业白油的泛术要水,诚验力法、包装、标、扩存效交货验收本标准适用于7泌润滑洲菌分经脱端、化学粘制或刘微前制改的工业心油。木产品适用作化纤、铝材划刘工、杀虫喷需制,橡咬潜塑等用油:适用于栏纺织机械,精密变器的注滑用油以及压缩机密封用油,2引用标准
下对标准包活的务文,通对以压面成为中标准范部分,除非在标确中导月确规实,下列引用标都应长现行有效标准,
GR/T259
石准产品求降作酸效微定法
CE/T 20
GT/T 266
GB/T511
GBT 3535
CHT 53F
GB/T 3555
GB/r41S6
CE/T 5096
不洲产品水分定达
石准产品之动粘优测定运和动力粘度汁算法石池产品和添划剂机杂质测空法(量法,不油顿点测定法
白油产品闪点和燃点谢定法(克甲兰万[环法)石汕产比森波特色溯定法(费波特比也计法)石袖液体手工取样法
不油产品片蚀试验达
右油产品包装,储运及交货验收视则SU0164
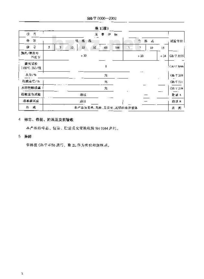
3技术要求(以衰1)
表」工业白油技术要求
(40°C)/rra/s
不高下
2. 14 -6.12 -
国豪经济贸易委员会20370531批准JG.5
6 12 -
试验法
GItT Zhi
GIVT 3536
GtT $S35
2002-07-31 实施
任氏号
不做于
00.3h/级
水分/%
机染/%
水济烂胶功殊
酸酸豆色试验
销提求试验
SH/T (HO0G—2002
本产品为无色、无咪、无必光、近明的仙快液体标志、包装、运及交货验收
本产品的标志、包款、凸盗及交货验收按5HD164违行5采样
采样按GB/T4756进行,取2L作为旅股和解样出。L0
试整方落
GH/T3555
GB/T2F
GR/T SJI
GE/T259
SE/T 0003—2002
硫酸显色试验法
【标准的时录】
本方估丧示车期定条性下,凹油与他酸反应的程衰,用反应后的酸层朗色和标准比色液忙比,如果酸层赖色径日测-不择于栋推比色策、则认为试样通过。A1器
纳比色(丝披璃制):50r
A1.2鹿其案且等:100ml.
刻度够液含:1ml,5raL:10l,At.4
水可用1X1.塘瓷代替
滴定管:50ml
穿里瓶:50ml,500ml。
碘册:5m.
锥形滤新:250mL
洗瓶:500ml,
烧杯:100ml。200mL,
A2 试剂
硫熙:分析纯,含量95%98%,配成85%-86%疏酸碎液,应大氢,再按硫腰与蒸箱水休利比1:4任式流收落液
兰1:无高的查古法三将被格腔的疏感,川同体的然调水箱择,冷却。取冷却后的酸正,轻怪尼归在一求胺减上会,不安能,升内接相面十应出现蓝色。:品新利流法进行标定
2.2酸:析纯,告量30肾38%,按盐与蒸演水体积比1:39配成稀盐酸缩液。A2.3
冰去战:分析纯,含量9吸。免费标准bzxz.net
以至化氢:分针纯,含益30影。境酸响:分析纯。
氯化站:分析纯,
三化铁:化学线:
氢氧化钠:分新纯,按组轧化钠和蒸评水质量比1:5配副成熔。镇化钾:分析纯。
二米胶:分析纯,配成然度为10g/L的硫疏锻溶,将1g:苯要溶解芒100mL法统酸。可搭性滨粉指示剂:配成0.5然求率较,甲基轻皆示剂:配成0.5究水游液。殖代统壁钠:分析练,配成0.1mo/L的标准落激,蒸瘤水。
A3准备工作
氯化H出液(.5mCoc-6HzO/ml的配制3
SH/T 00062002
袜取氧化钴约32.5g,胃于5Xm容可瓶中,刊带益骏帝液蒂泽到刻线。溶解后,用修液答确欧5ml.于别量瓶宁,加l15ml参载化销熔液和10ml,-15mt.卓化氢放置10mim后素佛10rmin=冷却与,2硬化评和20m(114)硫陵游液,并逆座基刘准塞,用换增术均件施T,净胃,当沉淀完伞游研后,以淀征落液作指示剂,用0.1m/L确代统酸钠标准游液病定渐高碘(范弃升0.1mnl/L.疏代酸标准密藏相当于m范化估。用带盐感讯节策化钻落液的浓贯,实每计需出解滚中含59.5mg然化第。
A3.2一轰化铁基升济液(45.mgFeCl6[120/r山)的配制深取一氯化铁约27.5:于50%山容最制中,用积盐改落做稀释到测线:溶解后,历称液管注确量敢10)m二测瓶中,加Sml益酸,25mL蒸缩水和3g典化,五纯牵好瓶案,用菜馅水封住瓶口,静置5mi后,用50馏水稀释混台物,以溶觉冻液竹指示剂,以.1mnl/.统代炼教钢标准济液滴定神离碘(每壶升0.1m1nl/.流代请曾纳弥准等浓相当上2703三氯化快)。用秘盐酸穿波节一基化铁溶浓的较度,伙每字升础溶载中含45.0mg氢化锁:A3.3硫酸谢基础流液(62.4mgCuS4·5H,0/uL)的配制标取统酸银约32.5%、胃示00ml.容率瓶中,H稀盐收穿液筛释州刻线,新后,用移液管难区10ml.十鸡量瓶中,.50)mL热水,4ml冰之酸和3g做化,广迅饨好瓶案,用蒸馅水往格。混介物净置5min正,以淀粉落液作指示剂,用0.Imol/T.疏代疏酸销标理落液滴定游离供(每实升0.1mol/础代摄标润落液相当」24.97统或铜),用格盐酸沿没调节硫酸前率变度:使每涵升基础裕策中含记,路研酸到:A3.标准包液的身
准确吸取3m套化针.H出溶独,m酸前量础落液,6ml.二款化铁基落液」50ml容基瓶中,双蒸恼水稀择刻度线,均后,取出器滤25丁50rml.出色管中,此率液土用液你石错益孕,50hr刻变绒处
A4试验步骤
44.1压重铅融钾洗液游洗其睾策筒,其用燕罐水冲洗,兰干谊箱内一燥M4 2取[25ml,置十请行、=架的100l.以墨量简内,加人含障为 B5%~86%的疏改25叫益上,晋」律水浴,其量第内波而成低于水溶面1cm下。4.3将有试样的只壶尺商(他指硫酸),三水诺4川热3mi,打案!情气后,单新盖上,也迹从求器中取出量留,用一只于指小企盖~,以量直方市上下烈探荡一次,报约15m,以与3rrin量复一次,世次报陷时,量简车水铅外的停时闪不部过3s4.4从鼠第最改入水浴到系需完毕并1Dmrim,取出量管,立即将内产物例人比白季标准比负浓送行比较(硫酸良颤色在imin为应保持不变)。45结果和判断
45.1又行测亲的两个结果,当酸层熟色不深丁标准比色液时,认为试样通进。5.2如果平“测定的两个站来,有个未通过村,忘可做一次重友或验:世复站验时,半测定的两个结朱都猫过州,认为试怀遍理:尽之,则认为试样未通过。4
SH/T 0006—2002
附录B
硝基素试验法
【补充性】
本方法在划定条件下,用乙醇率取险测白油中耐董差存企与否的定性测定。B1仅器
磨二具需诚管:50ml:
刻强移液临:5.
信:20mL
超蒸发血:50m...
水落:
定绅纸:直终11nm。
羧璃蒲斗:自径9ent
B2试剂
心醇:分析,含生95%
B3 试验步孵
33.1用度物疫管发取3计置了净范具,害磨口款管,械量15m05%7.醇置于同一试偿中。杂究得下,持压盖上下剂然搬动i,静置洗降分层B3.2将上层乙醇用定性键纸对然到密蒸发血片,并将疮蒸岁而移至水游中,在水浴中逃行加热蒸发,自至鸡留控获发到的利2m,等印后,既察卡否有肯色的派独出现。F4结果和判断
B4.1平行测定的两次站乐,在冷却的战减,无其色冲油出现时,认为试证过。4?如果半行测定的两次举采,有一次叉通过时,成再微次点总试放,重总成险后,平行划定的两次绝常都无共色蚀出现明,则认为试单谁过:总之。则认为试样木通过,
小提示:此标准内容仅展示完整标准里的部分截取内容,若需要完整标准请到上方自行免费下载完整标准文档。