首页 > 煤炭行业标准(MT) > MT/T 154.8-1996 煤矿辅助运输设备型号编制方法
MT/T 154.8-1996

基本信息

标准号: MT/T 154.8-1996

中文名称:煤矿辅助运输设备型号编制方法

标准类别:煤炭行业标准(MT)

标准状态:现行

发布日期:1996-12-03

实施日期:1997-10-01

出版语种:简体中文

下载格式:.rar.pdf

下载大小:99474

相关标签: 煤矿 辅助 运输设备 型号 编制 方法

标准分类号

中标分类号:矿业>>矿山机械设备>>D93提升、贮运设备

关联标准

出版信息

出版社:中国煤炭工业出版社

页数:5页

标准价格:8.0 元

出版日期:1997-10-01

相关单位信息

起草人:李亦娥、潘素梅

起草单位:煤炭科学研究总院常州科研试制中心

归口单位:煤矿专用设备标准化技术委员会

提出单位:煤炭工业部科技教育司

发布部门:中华人民共和国煤炭工业部

标准简介

本标准规定了煤矿辅助运输设备及配套车辆、装置(统称产品)的型号编制方法和管理办法。本标准适用于煤矿辅助运输设备及配套车辆、设施的型号编制和管理。 MT/T 154.8-1996 煤矿辅助运输设备型号编制方法 MT/T154.8-1996 标准下载解压密码:www.bzxz.net

标准图片预览

MT/T 154.8-1996 煤矿辅助运输设备型号编制方法
MT/T 154.8-1996 煤矿辅助运输设备型号编制方法
MT/T 154.8-1996 煤矿辅助运输设备型号编制方法
MT/T 154.8-1996 煤矿辅助运输设备型号编制方法
MT/T 154.8-1996 煤矿辅助运输设备型号编制方法

标准内容

MT/T154.8—1996
为满足国内煤矿井下辅助运输设备迅速发展的需要,避免设备型号混乱和进行统一管理,针对目前各设计、生产单位的型号编制方法不统一的情况,必须制定煤矿辅助运输设备型号的编制方法和管理办法。
本标准是根据MT/T154.1--1992《煤矿机电产品型号的编制导则和管理办法》的要求而制定的。本标准由煤炭工业部科技教育司提出。本标准由煤矿专用设备标准化技术委员会归口。本标准由煤炭科学研究总院常州科研试制中心负责起草。本标准主要起草人:李亦娥、潘素梅。本标准委托煤矿专用设备标准化技术委员会辅助运输设备分会负责解释。509
1范围
中华人民共和国煤炭行业标准
煤矿辅助运输设备型号编制方法MT/T 154.8—1996
本标准规定了煤矿辅助运输设备及配套车辆、装置(统称产品)的型号编制方法和管理办法。本标准适用于煤矿辅助运输设备及配套车辆、设施的型号编制和管理。2引用标准
下列标准包含的条文,通过在本标准中引用而构成为本标准的条文。在标准出版时,所示版本均为有效。所有标准都会被修订,使用本标准的各方应探讨使用下列标准最新版本的可能性。MT/T154.1一92煤矿机电产品型号的编制导则和管理办法3产品型号编制原则
3.1产品型号的命名应力求简明。3.2同类型的不同产品的型号不允许出现重号。3.3由成套设备组成的辅助运输系统,其主机和附属装置应分别编制产品型号。3.4产品型号由大写的汉语拼音字母和阿拉伯数字组成。4产品型号的组成和排列方式
4.1产品型号主要由该产品的“产品类型代号”和“主参数”组成。如果这种表示仍难以区分时,再逐一增加“第一特征代号”“第二特征代号”以致“补充特征代号”和“修改序号”。4.2产品型号的组成和排列方式如下:修改序号
补充特征代号
主参数
-第二特征代号
第一特征代号
产品类型代号
5产品型号的编制方法
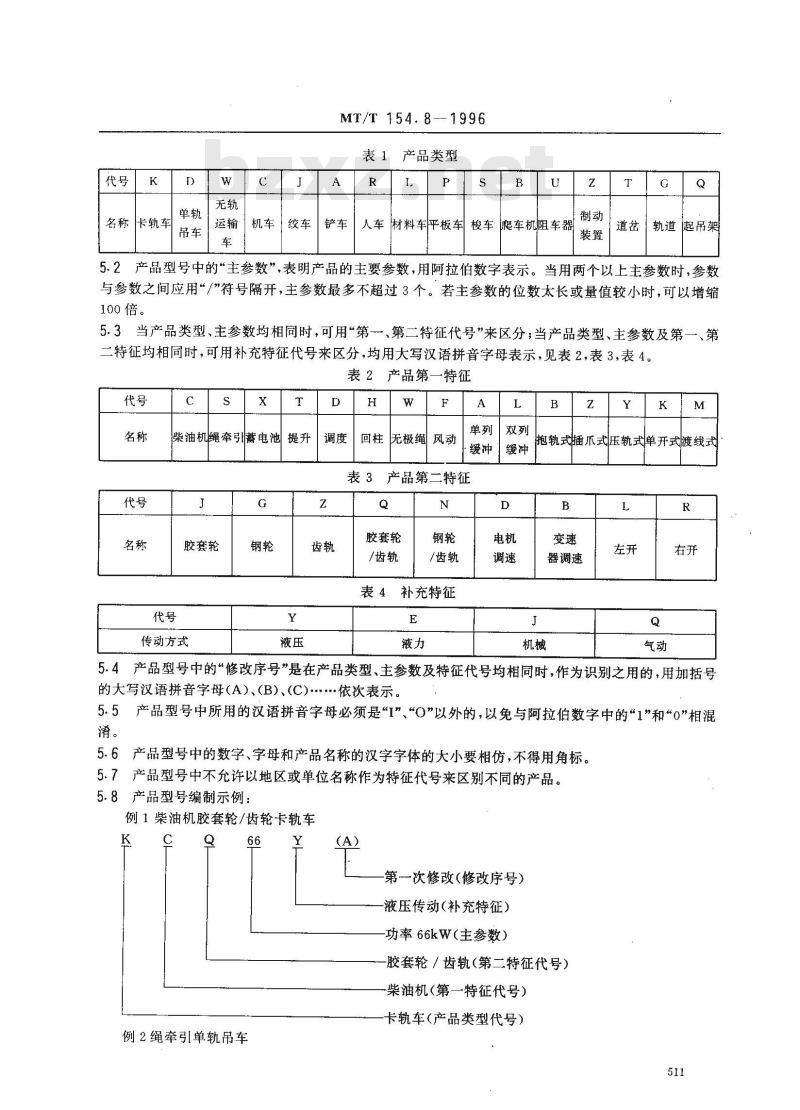
5.1产品型号中的“产品类型代号”,表明产品的类别,用大写汉语拼音字母表示,见表1。中华人民共和国煤炭工业部1996-12-03批准510
1997-10-01实施
卡轨车
名称H
机车绞车
MT/T 154.8-1996
表1产品类型
人车材料车平板车梭车爬车机阻车器Z
道岔轨道起吊架
5.2产品型号中的“主参数”,表明产品的主要参数,用阿拉伯数字表示。当用两个以上主参数时,参数与参数之间应用“/”符号隔开,主参数最多不超过3个。若主参数的位数太长或量值较小时,可以增缩100倍。
5.3当产品类型、主参数均相同时,可用“第一、第二特征代号”来区分;当产品类型、主参数及第一、第二特征均相同时,可用补充特征代号来区分,均用大写汉语拼音字母表示,见表2,表3,表4。表2 产品第一特征
柴油机绳牵引替电池提升
胶套轮
传动方式
无极绳风动
表3产品第二特征
胶套轮
/齿轨
/齿轨
表4补充特征
抱轨式插爪式压轨式单开式渡线式B
器调速
5.4产品型号中的“修改序号”是在产品类型、主参数及特征代号均相同时,作为识别之用的,用加括号的大写汉语拼音字母(A)、(B)、(C)·依次表示。5.5产品型号中所用的汉语拼音字母必须是I”“O”以外的,以免与阿拉伯数字中的1\和“0”相混淆。
5.6产品型号中的数字、字母和产品名称的汉字字体的大小要相仿,不得用角标。5.7产品型号中不允许以地区或单位名称作为特征代号来区别不同的产品。5.8产品型号编制示例:
例1柴油机胶套轮/齿轮卡轨车bzxz.net
例2绳牵引单轨吊车
第一次修改(修改序号)
液压传动(补充特征)
功率66kW(主参数)
-胶套轮/齿轨(第二特征代号)柴油机(第一特征代号)
卡轨车(产品类型代号)
例3蓄电池胶套轮机车
例4调度绞车
例5平板车
10/600
15/600
例6液控抱轨式安全制动装置
例7道岔
12/600
MT/T 154.8-1996
牵引力60kN(主参数)
绳牵引第一特征代号)
单轨吊车(产品类型代号)
自重10t轨距600mm(主参数)
胶套轮(第二特征代号)
蓄电池(第特征代号)
机车(产品类型代号)
第二次修改(修改序号)
功率11.4kW(主参数)
调度(第一特征代号)
绞车(产品类型代号)
载重15t轨距600mm(主参数)
单列缓冲器(第一特征代号)
平板车(产品类型代号)
液压式(补充特征代号)
制动力80kN轨道30kg/m(主参数)抱轨式(第一特征代号)
制动装置(产品类型代号)
弯道半径12m轨距600mm(主参数)-左开(第二特征代号)
单开式(第一特征代号)
道岔(产品类型代号)
6产品型号的管理和申报办法
按MT/T154.1的规定执行。
MT/T 154.8--1996
小提示:此标准内容仅展示完整标准里的部分截取内容,若需要完整标准请到上方自行免费下载完整标准文档。