首页 > 机械行业标准(JB) > JB/T 7751-2005 滚动轴承 推力圆锥滚子轴承
JB/T 7751-2005

基本信息

标准号: JB/T 7751-2005

中文名称:滚动轴承 推力圆锥滚子轴承

标准类别:机械行业标准(JB)

标准状态:现行

发布日期:2005-09-23

实施日期:2006-01-01

出版语种:简体中文

下载格式:.rar.pdf

下载大小:155213

相关标签: 滚动轴承 推力 圆锥 滚子 轴承

标准分类号

标准ICS号:机械系统和通用件>>轴承>>21.100.20滚动轴承

中标分类号:机械>>通用零部件>>J11滚动轴承

关联标准

替代情况:JB/T 7751-1995

出版信息

出版社:机械工业出版社

页数:7页

标准价格:10.0 元

出版日期:2006-01-01

相关单位信息

起草人:苏敏、徐玲玲、马忠超

起草单位:洛阳轴承集团有限公司

归口单位:全国滚动轴承标委会

提出单位:中国机械工业联合会

发布部门:中华人民共和国国家发展和改革委员会

标准简介

本标准规定了内径d≤1250mm、外形尺寸符合GB/T 273.2-1998规定的推力圆锥滚子轴承的技术要求、测量方法、检验规则、标志及包装。 JB/T 7751-2005 滚动轴承 推力圆锥滚子轴承 JB/T7751-2005 标准下载解压密码:www.bzxz.net

标准图片预览

JB/T 7751-2005 滚动轴承 推力圆锥滚子轴承
JB/T 7751-2005 滚动轴承 推力圆锥滚子轴承
JB/T 7751-2005 滚动轴承 推力圆锥滚子轴承
JB/T 7751-2005 滚动轴承 推力圆锥滚子轴承
JB/T 7751-2005 滚动轴承 推力圆锥滚子轴承

标准内容

ICS21.100.20
备案号:166752005
中华人民共和国机械行业标准
JB/T7751--2005
代替JB/T7751—1995
滚动轴承
推力圆锥滚子轴承
Rolling bearings-Thrust tapered rollerbearings2005-09-23发布
2006-02-01实施
中华人民共和国国家发展和改革委员会发布前言
规范性引用文件
3符号(见图1、图2和图3)
4技术要求bzxz.net
4.1材料及热处理.
4.2公差.
4.3表面粗糙度
其他技术要求
测量方法。
检验规则
推力滚子轴承,
表!轴圈公差.
座圈公差.
高度公差
表面粗糙度Ra值
JB/T7751—2005
本标准代替JB/T7751—1995《滚动轴承推力圆锥滚子轴承公差》。本标准与JB/T7751---1995相比,主要变化如下:标准名称改为《滚动轴承推力圆锥滚子轴承》:一更改了标准的适用范围(原版和本版的第1章):JB/T7751—2005
内径尺寸范围扩大到1250mm,并根据尺寸范围的扩展对表1、表2、表3进行了修改:增加了材料要求(见本版的4.1):增加了表面粗糙度的要求(见本版的表4):-增加了清洁度的要求(见本版的4.4):增加了残磁的要求(见本版的4.5);增加了测量方法的要求(见本版的第5章):增加了检验规则的要求(见本版的第6章);增加了标志及包装的要求(见本版的第7章、第8章)。本标准由中国机械工业联合会提出。本标准由全国滚动轴承标准化技术委员会(SAC/TC98)归口。本标准起草单位:洛阳轴承集团有限公司、瓦房店轴承集团有限责任公司。本标准起草人:苏敏、徐玲玲、马忠超。本标准所代替标准的历次版本发布情况为:-JB/T7751—1995。
1范围
滚动轴承推力圆锥滚子轴承
JB/T7751—2005
本标准规定了内径d≤1250mm、外形尺寸符合GB/T273.2—1998规定的推力圆锥滚子轴承的技术要求、测量方法、检验规则、标志及包装。本标准适用于推力圆锥滚子轴承的制造、检查和验收,2规范性引用文件
下列文件中的条款通过本标准的引用而成为本标准的条款。凡是注日期的引用文件,其随后所有的修改单(不包括勘误的内容)或修订版均不适用于本标准,然面,鼓励根据本标准达成协议的各方研究是否可使用这些文件的最新版本。凡是不注日期的引用文件,其最新版本适用于本标准。
GB/T273.2—1998滚动轴承推力轴承外形尺寸总方案(eqvISO104:1994)GB/T274-2000滚动轴承倒角尺寸最大值(idtISO582:1995)GB/T307.2-2005滚动轴承测量和检验的原则及方法(ISO1132-2:2001,RollingbearingsTolerances-Part2: Measuring and gauging principles and methods, MOD)GB/T4199--2003滚动轴承公差定义(ISO1132-1:2000,Rollingbearings—Tolerances—Part1:Terms and definitions,MOD)
GB/T8597—2003滚动轴承防锈包装GB/T18254—2002高碳铬轴承钢
JB/T12552001高碳铬轴承钢滚动轴承零件热处理技术条件滚动轴承产品标志
JB/T3574—1997
JB/T6641~—1993
JB/T7051-1993
JB/T8196-1996
滚动轴承残磁及其评定方法
滚动轴承零件表面粗糙度测量及评定方法滚动轴承滚动体残磁及其评定方法JB/T8921—[999
滚动轴承及其商品零件检验规则3符号(见图1、图2和图3)
除下列符号外,本标准所引用的符号其定义规定在GB/T4199中。41180°-28:推力圆锥滚子轴承轴圈滚道圆锥角度的偏差4:180°-2α:推力圆锥滚子轴承座圈滚道圆锥角度的偏差图1推力滚子轴承
JB/T7751--2005
4技术要求
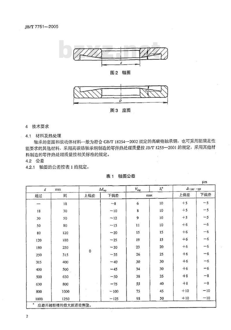
图2轴圈
图3座圈
4.1材料及热处理
轴承的套圈和滚动体材料-般为符合GB/T18254—2002规定的高碳铬轴承钢,也可采用能满足性能要求的其他材料,采用高碳铬轴承钢制造的零件热处理质量按JB/T1255--2001的规定,采用其他材料制造的零件热处理质量按相关标准的规定。4.2公差
4.2.1轴圈的公差按表1的规定。表1轴圈公差
上偏差
应避开越程樽的最大滚道处测量。2
下偏差
4(180°-25
上偏差
下偏差
4.2.2座圈的公差按表2的规定,D
上偏差
应避开越程槽的最大滚道处测量。表2座圈公差
下偏差
4.2.3推力圆锥滚子轴承实际高度偏差按表3的规定,表3高度公差
上偏差
与同一轴承轴
圈S,的相同
4.2.4推力圆锥滚子轴承倒角尺寸最大值按GB/T2742000的规定。4.3表面粗糙度
表面粗糙度参数R值按表4的规定。JB/T7751—2005
上偏差
下偏差
与同一轴承轴圈的
4180°-2p相同
下偏差
—1000
JB/T7751—2005
表4表面粗糙度R.值
轴圈内孔表面
座图外圆柱表面
垫圈背面
4.4残磁
垫圈残磁的技术要求按JB/T6641--1993的规定,滚子残磁的技术要求按JB/T8196~1996的规定。4.5其他技术要求
4.5.1轴承零件不应有裂纹,工作表面不应有烧伤、软点和脱碳。4.5.2本标准未规定的项目,应符合产品图样及现行标准的规定。5测量方法
5.1轴承公差的测量按GB/T307.2—2005的规定。5.2表面粗糙度的测量和评定方法按JB/T7051—1993的规定5.3垫圈残磁的评定方法按JB/T6641—1993的规定,滚子残磁的评定方法按JB/T8196—2001的规定。5.4轴承零件的裂纹、烧伤、软点和脱碳的检查方法按JB/T1255--2001的规定6检验规则
轴承和零件的验收规则按JB/T8921-—1999的规定,轴承和垫圈合格质量水平AQL值主要检查项目为4,次要检查项目6.5。检查水平:轴承使用一般检查水平I级,垫圈及滚动体使用特殊检查水平S—4级。
7标志
轴承标志应符合产品图样及JB/T3574—1997的规定。8包装
轴承的包装按GB/T8597--2003的规定。中华人民共和国
机械行业标准
滚动轴承推力圆锥滚子轴承
JB/T7751—2005
机械工业出版社出版发行
北京市百万庄大街22号
邮政编码:100037
开本890mm×1240mm1/16?0.75印张·13千字2006年2月第1版第1次印刷
书号:15111·7715
网址:http:/cmpbook.com
编辑部电话:(010)88379779
直销中心电话:
(010)88379693
封面无防伪标均为盗版
版权专有
侵权必究
小提示:此标准内容仅展示完整标准里的部分截取内容,若需要完整标准请到上方自行免费下载完整标准文档。