首页 > 机械行业标准(JB) > JB/T 6084-1992 钻探用三角形金刚石烧结体
JB/T 6084-1992

基本信息

标准号: JB/T 6084-1992

中文名称:钻探用三角形金刚石烧结体

标准类别:机械行业标准(JB)

标准状态:已作废

发布日期:1992-05-16

实施日期:1993-01-01

作废日期:2007-11-01

出版语种:简体中文

下载格式:.rar.pdf

下载大小:92815

相关标签: 钻探 三角形 金刚石 烧结

标准分类号

中标分类号:机械>>工艺装备>>J43磨料与磨具

关联标准

替代情况:被JB/T 6084-2007替代

出版信息

出版社:机械工业出版社

页数:8 页

标准价格:12.0 元

相关单位信息

归口单位:郑州磨料磨具磨削研究所

发布部门:郑州磨料磨具磨削所

标准简介

本标准规定了三角形金刚石烧结体的产品型式、规格以及产品的技术要求、试验方法、检验规则、包装标志等。 JB/T 6084-1992 钻探用三角形金刚石烧结体 JB/T6084-1992 标准下载解压密码:www.bzxz.net

标准图片预览

JB/T 6084-1992 钻探用三角形金刚石烧结体
JB/T 6084-1992 钻探用三角形金刚石烧结体
JB/T 6084-1992 钻探用三角形金刚石烧结体
JB/T 6084-1992 钻探用三角形金刚石烧结体
JB/T 6084-1992 钻探用三角形金刚石烧结体

标准内容

中华人民共和国机械行业标准
钻探用三角形金刚石烧结体
主题内容与适用范围
JB/T 6084-92
本标准规定了三角形金刚石烧结体的产品型式、规格以及产品的技术要求、试验方法、检验规则、包装标志等。
本标准适用于石油、冶金、地质、煤田地质钻头等钻探工具用的三角形金刚石烧结体。2引用标准
GB2828逐批计数抽样程序及抽样表(适用于连续批检查)JB3235人造金刚石烧结体磨耗比测定方法3产品型式、规格
3.1产品名称
钻探用三角形金刚石烧结体。
3.2产品代号
三角形
烧结体产品
金刚石
钻探用
3.3产品形状与基本尺寸代号按下图所示。3.4产品型号规格按表1规定。
中华人民共和国机械电子工业部1992-05-16批准188wwW.bzxz.Net
1993-01-01卖施
产品型号
产品标记示例
JB/T 6084—92
基本尺寸为6.3×3.5的钻探用三角形金刚石烧结体标记为:DDP-T6335JB/T6084
4技术要求
4.1产品基本尺寸及极限偏差应符合表2规定。表2
品型号
基本尺寸
极限偏差
基本尺寸
角度α
极限偏差
4.2产品表面要求平整,不得有裂纹;缺角及棱边缺损不超过相应棱边尺寸的十分之~-;缺角数不超过2个,只允许发生在同一侧棱上。4.3产品锻烧前磨耗比值不低于30×10°4.4产品抗冲击韧性应符合表3规定。表3
产品型号
试验方法
5.1尺寸用分度值为0.02mm游标卡尺测量。5.2外观质量用20倍带刻度放大镜检查5.3磨耗比测定按JB3235规定进行,并补充规定:a.
磨削部位为六个尖角之一,
进给压力规定为2.94N。
抗冲击韧性,J
5.4抗冲击韧性测定采用“KR-1型抗冲击韧性测定仪”,测定方法见附录A(补充件)。6检验规则
6.1产品出厂(或交收)检验,须按本标准技术要求规定遂项进行,合格者应附有质量合格证明。6.2产品检验以包装粒数作为检查批”,按GB2828实施抽样检验。6.2.1
检查水平规定
JB/T6084-92
6.2.1.1基本尺寸偏差及外观项,采用“一般检查水平1”。6.2.1.2磨耗比值、抗冲击韧性项,采用\特殊检查水平S-3”。6.2.2合格质量水平(AQL)规定为4.0。6.2.3抽样方案规定采用一次正常检查抽样方案。7标志和包装
外包装应有下列标志:
制造厂名称;
产品名称;
产品标记;
注册商标;
数量;
生产日期或批号。
包装物内应附有产品合格证,合格证必须注明以下内容:7.2
产品名称;
产品型号(规格);
数量、批号;
捡验印章。
7.3产品采用内、外层包装。
7.4烧结体包装单位分别为50,100,200,500,1000,2000,5000粒。190
A1设备仪器
JB/T 6084-92
附录A
钻探用三角形烧结体抗冲击韧性测定方法(补充件)
A1.1仪器型号名称:KR-1型抗冲击韧性测定仪A1.2仪器调试
A1.2.1检查测试平台的水平度:用框式水平仪(精度:0.02/1000)调整平台至水平度≤0.05/1000。A1.2.2擦拭抗冲击韧性测试仪的各个部件:底座、套筒、球夹、钢球和平台,其上不得有灰尘颗粒和油污,以免影响测试结果。
A2测试方法
A2.1试样准备
A2.1.1试样应按GB2828规定随机抽取。A2.1.2超声清洗试样。
A2.1.3用JTT型投影仪复验三角平面的平整度。A2.1.4将平整的一面向下,依序排列待测。A2.2用镊子依序把试样摆放到仪器底座中心罩圈内。A2.3从套筒下口放人钢球,做好钢球下击的谁备。A2.4捏住两侧弹片,使钢球落下,冲击烧结体。A2.5观察烧结体被冲击后的现象并记录。A2.6若烧结体未被击碎,则按顺序重复进行A2.3~A2.5条的操作,直到烧结体被击碎为止。每次放上待测烧结体之前,用酒精棉花擦净底盘。A2.7破裂标准:破碎的三角形烧结体中,最大的一块等于或小于原三角形烧结体重量的2/3即为此粒烧结体破裂。
A2.8记录烧结体被击碎的冲击次数、现象和特征。A3计算
记录每粒烧结体破裂的冲击次数,乘以冲击功0.2J/次,即为该粒烧结体的抗冲击韧性。I-NE
式中:I———三角形烧结体抗冲击韧性,J;N——-抗冲击次数,次;
E———冲击功,0.2J/次。
A4结果判定
按GB2828和本标推第6章检验规则进行判定。(A)
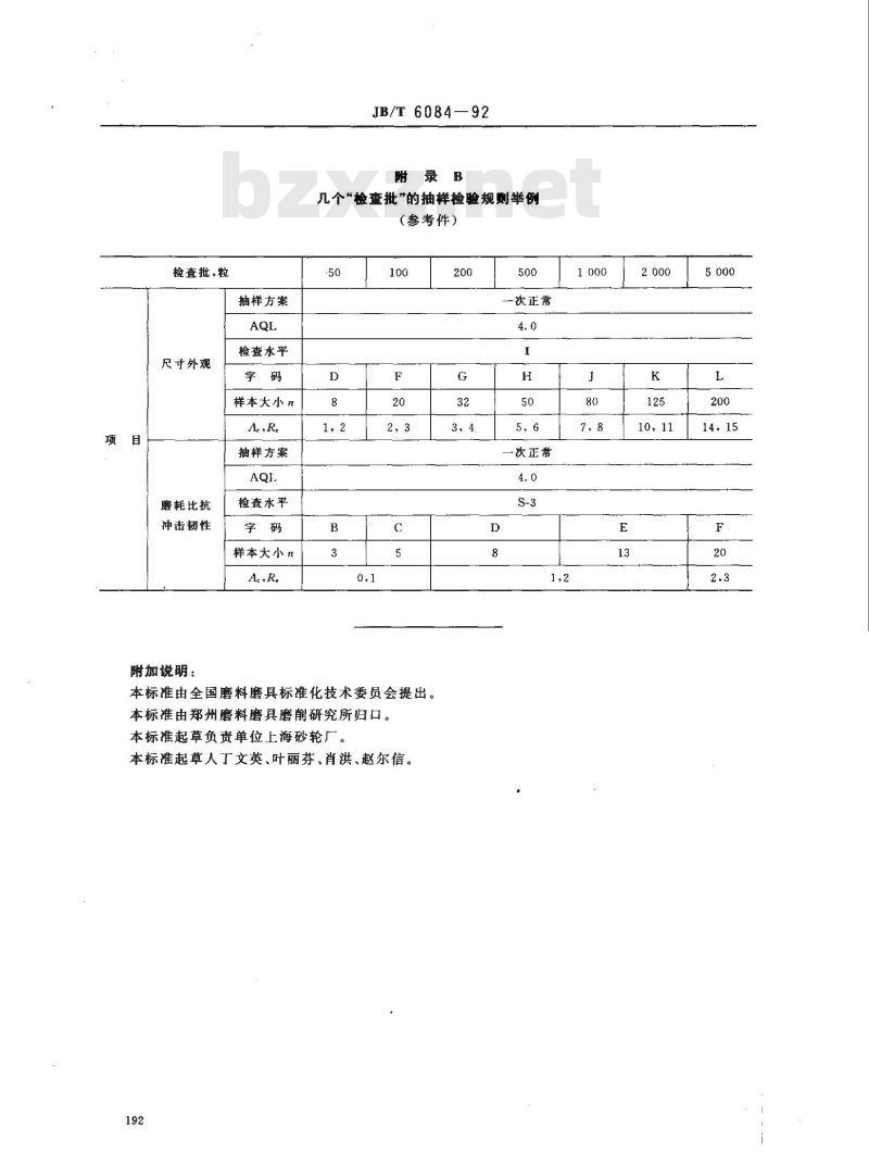
检查批,粒
尺寸外观
轴样方案
检查承平
样本大小㎡
抽样方案
磨耗比抗
冲击韧性
附加说明:
检查水平
样本大小n
JB/T6084—92
附录B
几个“检查批”的抽样检验规则举例(参考件)
本标准由全国磨料磨具标准化技术委员会提出。本标准由郑州磨料磨具磨削研究所归口。本标准起草负责单位上海砂轮厂。本标准起草人丁文英、叶丽芬、肖洪、赵尔信。192
-次正常
一次正常
小提示:此标准内容仅展示完整标准里的部分截取内容,若需要完整标准请到上方自行免费下载完整标准文档。