首页 > 机械行业标准(JB) > JB/T 6353-1992 树脂和橡胶薄片砂轮
JB/T 6353-1992

基本信息

标准号: JB/T 6353-1992

中文名称:树脂和橡胶薄片砂轮

标准类别:机械行业标准(JB)

标准状态:已作废

发布日期:1992-07-01

实施日期:1993-01-01

作废日期:2007-05-01

出版语种:简体中文

下载格式:.rar.pdf

下载大小:99535

相关标签: 树脂 橡胶 薄片 砂轮

标准分类号

中标分类号:机械>>工艺装备>>J43磨料与磨具

关联标准

替代情况:原标准号GB 2489-1984;被JB/T 6353-2006代替

采标情况:参照ISO525-86

出版信息

出版社:机械工业出版社

页数:7 页

标准价格:12.0 元

出版日期:1993-01-01

相关单位信息

归口单位:郑州磨料磨具磨削研究所

发布部门:郑州磨料磨具磨削所

标准简介

本标准规定了树脂和橡胶薄片砂轮的产品分类、技术要求、试验方法、检验规则及标志、包装、运输和贮存。 JB/T 6353-1992 树脂和橡胶薄片砂轮 JB/T6353-1992 标准下载解压密码:www.bzxz.net

标准图片预览

JB/T 6353-1992 树脂和橡胶薄片砂轮
JB/T 6353-1992 树脂和橡胶薄片砂轮
JB/T 6353-1992 树脂和橡胶薄片砂轮
JB/T 6353-1992 树脂和橡胶薄片砂轮
JB/T 6353-1992 树脂和橡胶薄片砂轮

标准内容

中华人民共和国机械行业标准
树脂和橡胶薄片砂轮
1主题内容与适用范围
JB/T635392
本标准规定了树脂和橡胶薄片砂轮(以下简称“砂轮”)的产品分类、技术要求、试验方法、检验规则及标志、包装、运输和贮存。
本标适用于树脂和橡胶结合剂制造的切割、开槽等用途的薄片砂轮。不适用于纤维增强树脂、纤维增强橡胶结合剂薄片砂轮。
引用标准
GB2484
GB2492
GB2493
GB2494
GB2495
GB 2828
GB9202
3产品分类
磨具代号
砂轮静平衡检验方法及静不平衡数值砂轮回转强度的检验方法
磨具安全规则
磨具标志和包装
逐批检查计数抽样程序及抽样表(适用于连续批检查)磨具的检查方法
1砂轮的断面形状见下图。
注:砂轮端面允许制成环形波纹状表面。厚度为3mm及更厚的砂轮,允许制戒从外缘到内孔厚度逐渐减薄的形状。3.2基本尺寸
3.2.1通用切割砂轮基本尺寸见表1。3.2.2磨钢丝针布砂轮基本尺寸见表2。3.2.3磨转子槽砂轮基本尺寸见表3。3.3砂轮标记中所使用的代号应符合GB2484规定。中华人民共和国机械电子工业部1992-07-01批准1993-01-01实施
注:—表示树脂结合剂;
①——表示橡胶结合剂;
?表示树脂或橡胶结合剂。
JB/T6353--92
结合剂
3.4标记示例:
JB/T6353--92
结合剂
尺寸为400mm×4mm×32mm、棕刚玉磨料、30粒度、Q级硬度、树脂结合剂、工作线速度50m/s的薄片砂轮,标记为:
4技术要求
砂轮外径的极限偏差按表4的规定。d
~200
4.2砂轮厚度的极限偏差按表5规定。H1
>0.8~1. 5
>1. 5~3
>5~8
4.3砂轮孔径的极限偏差按表6规定。50
最高工作线速度,m/s
结合剂
孔径d
厚度H
外径D
形状代号
磨钢丝针布砂轮
极限偏差
其他砂轮
>30~50
>50~80免费标准下载网bzxz
>80~120
JB/T6353--92
镶孔砂轮
4.4砂轮的平面度(包括挠曲)公差应按表7规定。表7
~200
4.5砂轮的同轴度公差为1.0mm
4.6砂轮两端面的平行度公差应按表8规定。表8
~200
4.7砂轮不得有裂纹。
磨钢丝针布砂轮
不镶孔砂轮
平面度公差
平行度公差
其他砂轮
4.8外径为250mm及更大,重量为0.2kg及更重的砂轮,允许的最大静不平衡数值应符合GB2492的规定。
4.9外径为150mm及更大的砂轮应进行强度检验。其最高工作线速度应符合GB2494的规定。5试验方法
5.1砂轮的尺寸偏差、形位偏差、裂纹的检查方法应符合GB9202的规定。5.2砂轮静平衡检查方法应符合GB2492的规定。5.3砂轮强度的检查方法应符合GB2493的规定。6
检验规则
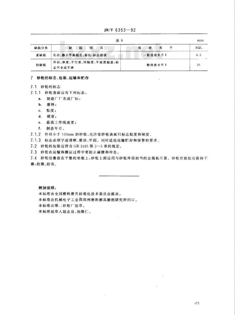
6.1砂轮强度的检验应按GB9202的规定进行。6.2砂轮缺陷的分类、缺陷项目、检查水平及AQL应按表9规定表9中所列缺陷项目的检验使用GB2828中表3所列-次正常检查抽样方案”。重缺陷按片计数。轻缺陷按缺陷项计数。472
缺陷分类
重缺陷
轻缺陷
JB/T6353—92
孔径、静不平衡超差,裂纹,标志错误外径、厚度、平行度、同轴度、平面度超差,标志不全或不清
砂轮的标志、包装、运翰和贮存砂轮的标志
砂轮表面应有下列标志:
制造厂厂名或厂标;
磨料;
粒度,
硬度;
最高工作线速度;
制造年月。
-般检查水平1
·般检查水平Ⅱ
外径小于100mm的砂轮,允许在砂轮表面只标志粒度和硬度标志必须字迹清晰、整洁、牢固。同时适应运输贮存和保管的要求。砂轮的包装应符合GB2495第3~5章的规定。7.2
砂轮在运输和搬运过程中要防止碰撞和冲击。7.3
7.4砂轮应叠放在平整的垫板上,砂轮上面应用与砂轮外径相当的金属板压紧。砂轮存放处应保持干燥,防潮、防冻。
附加说明:
本标准由全国磨料磨具标准化技术委员会提出。本标准由机械电子工业部郑州磨料磨具磨削研究所归口。本标准由第二砂轮厂起草。
本标准起草人赵志良、杨隆仁。¥73
小提示:此标准内容仅展示完整标准里的部分截取内容,若需要完整标准请到上方自行免费下载完整标准文档。