首页 > 机械行业标准(JB) > JB/T 4204-1994 菱苦土砂轮
JB/T 4204-1994

基本信息

标准号: JB/T 4204-1994

中文名称:菱苦土砂轮

标准类别:机械行业标准(JB)

标准状态:已作废

发布日期:1994-09-06

实施日期:1995-07-01

作废日期:2007-05-01

出版语种:简体中文

下载格式:.rar.pdf

下载大小:119023

相关标签: 砂轮

标准分类号

中标分类号:机械>>工艺装备>>J43磨料与磨具

关联标准

替代情况:替代JB 4204-86;被JB/T 4204-2006代替

采标情况:非等效JIS R6219-86

出版信息

出版社:机械工业出版社

页数:7 页

标准价格:14.0 元

出版日期:1995-07-01

相关单位信息

归口单位:郑州磨料磨具磨削研究所

发布部门:郑州磨料磨具磨削所

标准简介

本标准代替JB 4204-86。 JB/T 4204-1994 菱苦土砂轮 JB/T4204-1994 标准下载解压密码:www.bzxz.net

标准图片预览

JB/T 4204-1994 菱苦土砂轮
JB/T 4204-1994 菱苦土砂轮
JB/T 4204-1994 菱苦土砂轮
JB/T 4204-1994 菱苦土砂轮
JB/T 4204-1994 菱苦土砂轮

标准内容

中华人民共和国机械行业标准
菱苦土砂轮
主题内容与适用范围
JB/T4204—94
代替JB4204--86
本标准规定了菱苦士砂轮的代号,形状,尺寸,技术要求,试验方法,检验规则,标志、包装和贮存。本标准适用于著苦土结合剂砂轮2
引用标准
GB/T 2484
GB2485
GB2490
GB2492
GB2493
GB2494
GB 2495
GB2828
GB 3479
GB 9202
3产品分类
代号和标记
普通磨具
喷砂硬度机检验磨具硬度的方法砂轮静平衡检验方法及不平衡数值砂轮回转强度的检验方法
磨具安全规则
磨具的标志和包装
逐批检查计数抽样程序及抽样表(适用于连续批的检查)磨具组织号的划分方法
磨具的检查方法
砂轮的形状、磨料、粒度、硬度、结合剂代号按GB/T2484的规定。3.1
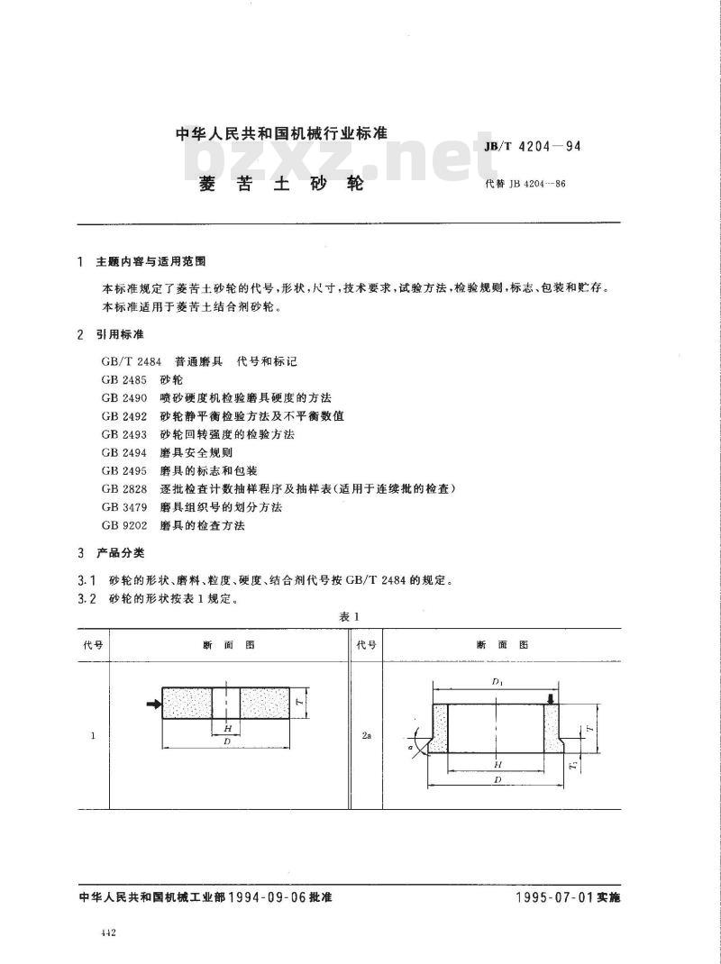
砂轮的形状按表1规定。
断面图
中华人民共和国机械工业部1994-09-06批准+42
断面图
1995-07-01实施
3.3砂轮的尺寸
断面图
JB/T4204—94
续表1
3.3.1平形砂轮按表2所规定的尺寸组合。表2
简形和杯形砂轮按表3规定的尺寸组合。T
断面图
JB/T4204-—94
砂轮的最高工作速度分为2024,27,30m/s。产品标记按GB/T2484的规定。
技术要求
平形砂轮基本尺寸的极限偏差应符合GB2485的规定。D
4.2筒形和杯形砂轮基本尺寸的极限偏差应符合表4的规定。表4
基本尺寸
极限偏差
砂轮的形位公差应符合表5的规定。4.3
砂轮不得有裂纹、哑声、夹杂。5砂轮表面气孔应符合表6的规定。4.5
气孔尺寸,mm
6砂轮的组织号按表7的规定。
组织号
磨粒率,%
同轴度
≥400
(10×10)cm2面积上气孔数量
不多扫5个
不充许
30~39
4.7砂轮的硬度等级与硬度值应符合附录A(补充件)中表A1的规定。4S
3外径为150mm及更大的平行砂轮应进行静平衡检验。静平衡系数的选择应符合表8的规定。4.8
砂轮单重,kg
静平衡系数
>1~10
9外径为150mm及更大的平形和杯形砂轮应进行回转检验。4.9
>10~30
5试验方法
JB/T4204-—94
5.1砂轮的外观、尺寸偏差、形位公差的试验方法按GB9202的规定。5.2砂轮的组织号按GB3479的规定,组织号在正常情况下可不作检查,当用户提出异议时应按标准规定测定磨粒率,其误差不应大于1.5%。5.3砂轮硬度的试验按GB2490的规定。5.4砂轮静平衡的试验按GB2492的规定。5.5砂轮回转试验方法按GB2493和GB9202的规定,以最高工作速度的1.5倍回转试验,并在达到最高速度时维持30s。
6 检验规则
6.1产品出厂(或交收)检验,须按本标准技术要求逐项进行,合格者方可出厂并附有质量合格证。6.2砂轮的回转试验按GB9202的规定,全部进行检验。其他项目按GB2828实施抽样检验。6.2.1抽样方案采用次正常抽样方案。6.2.2检查水平采用“一般检查水平I”。6.2.3
合格质量水平(AQL)应符合表9的规定。表9
B类不合格『
配合尺寸、静平衡、裂纹、哑
声、标志错误
标志、包装和贮存
砂轮表面应有下列标志:
制造厂广名或商标;
磨料;
粒度;
硬度;
最高工作速度;
制造日期。
7.2砂轮的包装应符合GB2495的规定。B 类不合格 1
硬度、夹杂
砂轮存放场所相对湿度应为50%~75%并防冻。7.3
砂轮的存放期不应超过年。
C类不合格
非配合尺寸、形位公差、气孔,组织号、标志不全或不清
JB/T4204-94
附录A
砂轮的硬度等级与硬度值
(补充件)
砂轮的硬度等级与硬度值见表A1。表A1
硬度值及
允许范围
硬度值
充许范围
硬度值
充许范图
硬度值
充许范围
硬度值
允许范围
硬度值
充许范围
硬度值
允许范围此内容来自标准下载网
36#~40#
2.62~2.15
2.92~1.95
2.14~~1.76
2.38~1.61
1. 75~1. 46
1. 94 ~1. 35
1. 45~1.24
1.60~1.14
1.23~1.05
1. 34 ~ 0. 98
1.04~0.92
1.13~0.86
B1抽样方案见表B1。
检查批(片)
抽样方案
检查水平
不合格
不合格
样本数n
样本数n
附加说明:
46#~54*
3. 31 ~2.74
3.66~2.50
2.73~2.27
3.02~2.10
2.26~1. 94
2.49~1.80
1.93-1.66
2. 09 ~1. 54
1.65~1.43
1.79~1.34
1.42~1.26
1.53~1.20
60#~90#
4. 00~~3. 36
4.38~3.10
3.35~2.84
3.67~2. 64
2.83~2.44
3.09~2.28
2.43~2.13
2. 63~2. 00
2.12~1.88
2.27~1.77
1.87~1.67
1.99~1.61
附录B
抽样方案
(参考件)
9~15
100*~150#
4.55~4.16
4.78~3.96
4.15~3.76
4.35~3.58
3.75~3.41
3.95~3.26
3.40~3.11
3.57~~3.00
3.10~~2.90
3.25~2.80
2.89~2.70
2. 99~~2. 62
180#~220*
4.45~4.00
4. 70~3. 80
3.99~3.60
4.22~~3.42
3.59~3.23
3.79~3.06
3. 22~2. 89
3. 41~~2.75
2.88~2.60
3. 05 ~2. 47
2.59~2.34
2. 74~~2. 22
240\~W5
4.16~3.74
4.39~3.56
3.73~3.37
3.95~3.21
3.55~2.90
3.04~2.75
3.20~~2.62
2.74~2.49
2. 89~~2. 37
2. 48~2. 24
2.61~2.14
191~150151~280281~500
一次正常
本标准由全国磨料磨具标准化技术委员会提出。本标准由郑州磨料磨具磨削研究所归口。本标准由合肥砂轮厂负责起草。本标准主要起草人苏永慧、朱明峰。446
小提示:此标准内容仅展示完整标准里的部分截取内容,若需要完整标准请到上方自行免费下载完整标准文档。