首页 > 机械行业标准(JB) > JB/T 8070-1995 冲模模架零件 技术条件
JB/T 8070-1995

基本信息

标准号: JB/T 8070-1995

中文名称:冲模模架零件 技术条件

标准类别:机械行业标准(JB)

标准状态:已作废

发布日期:1996-04-14

实施日期:1996-04-14

作废日期:2008-07-01

出版语种:简体中文

下载格式:.rar.pdf

下载大小:1647900

相关标签: 冲模 模架 零件 技术

标准分类号

中标分类号:机械>>工艺装备>>J46模具

关联标准

替代情况:替代原标准号GB/T 12446-90;被JB/T 8070-2008代替

出版信息

页数:3 页

标准价格:8.0 元

相关单位信息

归口单位:桂林电器所

发布部门:桂林电器所

标准简介

JB/T 8070-1995 冲模模架零件 技术条件 JB/T8070-1995 标准下载解压密码:www.bzxz.net

标准图片预览

JB/T 8070-1995 冲模模架零件 技术条件
JB/T 8070-1995 冲模模架零件 技术条件
JB/T 8070-1995 冲模模架零件 技术条件
JB/T 8070-1995 冲模模架零件 技术条件
JB/T 8070-1995 冲模模架零件 技术条件

标准内容

UDC 621.961-21
中华人民共和国国家标准
Jbh 8070-8071 ~15
冲模模架
Diesets forpresstools
1990-07-23发布
1991-05-01实施
国家技术监督局发布
GB/T2851.1—90
GB/T 2851.3—90
GB/T2851.4-90
GB/T2851.5--90
GB/T2851.6—90
GB/T2851.7—90
GB/T2852.1—90
GB/T2852.2-—90
GB/T 2852.3—90
GB/T2852.4-90
冲模滑动导向模架
冲模滑动导向模架
冲模滑动导向模架
冲模滑动导向模架
冲模滑动导向模架
冲模滑动导向模架
冲模滚动导向模架
冲模滚动导向模架
冲模滚动导向模架
冲模滚动导向模架
GB/T2854-90
冲模模架技术条件
GB/T 2855.1-90
冲模滑动导向模座
GB/T 2855.2—90
GB/T 2855.5-90
GB/T 2855.6—90
GB/T 2855.7—90
GB/T2855.890
GB/T2855.9--90
GB/T 2855.10-90
GB/T2855.11+
GB/T2855.12-
GB/T 2855.13-90
GB/T 2855.14-90
GB/T 2856.1—90
GB/T2856.2-90
GB/T2856.3--90
GB/T2856.4-90
GB/T2856.5-90
GB/T2856.6--90
GB/T2856.7—90
GB/T2856.8-90
GB/T2861.1-90
GB/T2861.290
GB/T2861.3--90
GB/T2861.6--90
GB/T2861.7—90
GB/T2861.8—90
GB/T2861.10--90
GB/T2861.11-90
GB/T2861.12-90
冲模滑动导向模座
冲模滑动导向模座
冲模滑动导向模座
冲模滑动导向模座
冲模滑动导向模座
冲模滑动导向模座
冲模滑动导向模座
冲模滑动导向模座
冲模滑动导向模座
冲模滑动导向模
冲模滑动导向模座
冲模滚动导向模座
冲模滚动导向模座
冲模滚动导向模座
冲模滚动导向模座
冲模滚动导向模座
冲模滚动导向模座
冲模滚动导向模座
冲模滚动导向模座
冲模导向装置
冲模导向装置
冲模导向装置
冲模导向装置
冲模导向装置
冲模导向装置
冲模导向装置
冲模导向装置
冲模导向装置
对角导柱模架
后侧导柱模架
后侧导柱窄形模架
中间导柱模架
中间导柱圆形模架
四导柱模架
对角导柱模架
中间导柱模架
四导柱模架
后侧导柱模架…
对角导柱上模座
对角导柱下模座
后侧导柱上模座
后测导柱下模座
后侧导柱窄形上模座
后侧导柱窄形下模座
中间导柱上模座
中间导柱下模座
中间导柱圆形上模座
中间导柱圆形下模座
四导柱上模座.Www.bzxZ.net
上扌下模座.
对角导柱上模座
对角导柱下模座
中间导柱上模座
中间导柱下模座
四导柱上模座
四导柱下模座
后侧导柱上模座
后侧导柱下模座
A型导柱
B型导柱
C型导柱
A型导套
B型导套
C型导套
钢球保持圈
圆柱螺旋压缩弹簧·
A型可卸导柱·
(16)
(20)
(28)
(33)
(38)
(42)
(46)
(50)
(54)
(.57)
(63)
(68)
(73)
(77)
(80)
(83)
(89)
(94)
(98)
(102)
(107)
(111)
(114)
...(117)
(120)
(123)
·(126)
(129)
:(132)
.…(135)
:(139)
:(146)
..(149)
:(153)
.(158)
.(161)
:(166)
(168)
GB/T2861.13—90
GB/T2861.14—90
GB/T2861.15—90
GB/T2861.16—90
GB/T12446—90
GB/T 12447—90
冲模导向装置
冲模导向装置
冲模导向装置
冲模导向装置
B型可卸导柱
......
冲模模架零件技术条件
冲模模架精度检查
...........................
.......
(181)
(190)
(192)
(194)
(197)
中华人民共和国国家标准
冲模模架零件技术条件
Technial specifications of elenents for press die sets1主题内容与适用范围
本标准规定了冲模模架零件技术条件。本标准适用于冲模滑动导向模架和冲模动导向模架。2引用标准
GB196普通螺纹基本尺寸(直径1~600mm)GB197普通螺纹公差与配合(直径1~355mm)GB1804公差与配合未注公差尺寸的极限偏差GB2828逐批检查计数抽样程序及抽样表(适用于连续批的检查)GB/T12447冲模模架精度检查
JB2854铸铁件机械加工余量、尺寸公差重量偏差3技术要求
GB/T12446—90
3.1零件的尺寸、精度、表面粗糙度和热处理等应符合有关零件标准的技术要求和本技术条件的规定。
3.2零件的材料除按有关零件标准的规定使用材料外,允许代料,但代用材料的机械性能不得低于原定材料。
3.3零件图上未注公差尺寸的极限偏差按GB1804规定的IT14级精度:孔尺寸为H14、轴尺寸为h14、长度尺寸为js14。
3.4.零件图上未注明倒角尺寸,所有锐边锐角均应倒角或倒圆,视零件大小,倒角尺寸为0.5×45°~2×45,倒圆尺寸为R0.5~1mm。
3.5零件图上未注明的铸造圆角半径为R3~R5mm。3.6铸件的非加工表面须清砂处理,表面应光滑平整,无明显凸凹缺陷。3.7铸件的尺寸公差:按JB2854的规定。3.8铸造模座加工前应进行时效处理,要求高的铸造模座在粗加工后再进行一次消除内应力的时效处理。
加工后的零件表面,不允许有裂纹和影响使用的砂眼、缩孔、机械损伤等缺陷。3.9
3.10经热处理后的零件不允许有裂纹和影响使用的软点、脱碳区,并清除氧化皮,脏物和油污。3.11
表面渗碳淬火的零件,其要求渗碳层为成品加工后的渗碳厚度。3.12.
钢制零件的非工作表面及非配合表面视使用要求应进行发黑处理。3.13名
各级精度模架用的模座,其平行度T必须达到表1的规定。模座上的起重孔为螺孔,螺孔的基本尺寸按GB196,公差按GB197。经供需双方协议可改为3.14桂
钻孔。
组成I级精度的滑动导向模架和滚动导向模架的铸造模座的非加工表面清理后涂漆。一般的铸3.15
国家技术监督局1990-07-23批准194
1991-05-01实施
GB/T12446-90
造模座的非加工表面清理后需不需要涂漆,由供需双方协商处理。3.16导套的导人端孔允许有扩大的锥度,孔直径小于或等于Φ55mm时锥度范围不大于3mm且在3mm长度内扩大值不大于0.02mm,孔直径大于55mm时锥度范围不大于5mm且在5mm长度内扩大值不大于0.04mm。
3.17滑动和滚动的可卸导柱与衬套的锥度配合面,其吻合长度和吻合面积均应在80%以上。3.18铆合在钢球保持圈上的钢球应在孔内自由转动而不脱落。3.19
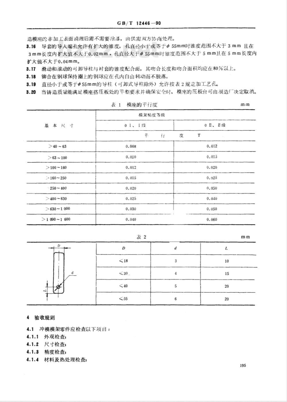
直径小于或等于Φ55mm的导柱(可卸式导柱除外)允许按表2规定加工艺孔。当铸造质量能满足模座搭压板处的平整要求并确保安全时,模座的压板台可由制造厂决定取消。表1模座的平行度
模架精度等级
基本尺寸
>40 ~ 63
>63~100
>100160
>160~250
250~400
>400~630
>630~1000
>1000~1600
4验收规则
4.1冲模模架零件应检查以下项目:4.1.1外观检查;
2尺寸检查,
精度检查;
材料及热处理检查;
0Ⅱ、I级
4.1.5表面粗糙度检查。
GB/T12446—90
4.2制造单位将所有的零件按相应标准的要求和本技术条件3.1~3.20进行尺寸检查和外观检查。4.3零件的精度分别按GB/T12447的规定进行检查。4.4表面粗糙度、材料及热处理的检查按相关标准的规定。4.5用户验收时按GB2828的规定(检查水平和AQL由←、需双方在订货合同中规定)进行抽样并按本技术条件检查。
5标记、包装、运输及保管
5.1检验合格的标准零件,每批出厂时应附有检验合格证书,其内容为:a。零件的名称、规格、标准号;b.制造厂名称。
5.2标记方法:打标记或挂标签。5.3包装前应将零件擦干净,并在所有加工表面涂上防锈油,并用防锈油纸单件包好装箱。5.4包装箱应干燥,箱内衬防潮油纸,周围卡紧,防止在运输过程中碰撞。5.5在运输过程中应防止装有零件的包装箱受潮。3装有模座的包装箱应放在干燥的库房内。5.6
附加说明:
本标准由中华人民共和国机械电子工业部提出。本标准由全国模具标准化技术委员会归口。本标准由机械电子工业部桂林电器科学研究所模具分所负责起草。本标准主要起草人主华昌、覃广伟。本标准委托机械电子工业部桂林电器科学研究所模具分所负贞解释。本标准实施后,原国家标准GB2879一81《冷冲模零件技术条件》中第1.10、1.11、1.14、1.18、1.19、1.20、1.21、1.22、1.23、1.24、1.25、1.26条作废。196
小提示:此标准内容仅展示完整标准里的部分截取内容,若需要完整标准请到上方自行免费下载完整标准文档。