首页 > 机械行业标准(JB) > JB/T 7427-1994 滚子链和套筒链链轮滚刀
JB/T 7427-1994

基本信息

标准号: JB/T 7427-1994

中文名称:滚子链和套筒链链轮滚刀

标准类别:机械行业标准(JB)

标准状态:已作废

发布日期:1994-09-06

实施日期:1995-07-01

作废日期:2007-04-01

出版语种:简体中文

下载格式:.rar.pdf

下载大小:160831

相关标签: 滚子 套筒 链轮 滚刀

标准分类号

中标分类号:机械>>工艺装备>>J41刀具

关联标准

替代情况:被JB/T 7427-2006代替

出版信息

出版社:机械工业出版社

页数:7 页

标准价格:14.0 元

出版日期:1995-07-01

相关单位信息

发布部门:成都工具所

标准简介

本标准规定了C级与D级滚子链和套筒链链轮滚刀的型式,基本尺寸,技术要求,性能试验以及标志和包装。 JB/T 7427-1994 滚子链和套筒链链轮滚刀 JB/T7427-1994 标准下载解压密码:www.bzxz.net

标准图片预览

JB/T 7427-1994 滚子链和套筒链链轮滚刀
JB/T 7427-1994 滚子链和套筒链链轮滚刀
JB/T 7427-1994 滚子链和套筒链链轮滚刀
JB/T 7427-1994 滚子链和套筒链链轮滚刀
JB/T 7427-1994 滚子链和套筒链链轮滚刀

标准内容

中华人民共和国机械行业标准
JB/T 7427—94
滚子链和套筒链链轮滚刀
1994-09-06发布
中华人民共和国机械工业部wwW.bzxz.Net
1995-(7-01实施
中华人民共和国机械行业标准
滚子链和套筒链链轮滚刀
主题内客与适用范围
JB/TT42794
本标难规定了心致与D统落子链和衰简魅链轮落小(简称轮衰刀)的巫式,基本尽寸·接术要求,性能试验以及标志和包装。
本标准追用于加工GB1244规突的链抢用载轮滚刀,2引用标泄
GE/T1244传动短节距精密液于链和套简链链轮齿.形和公差GB6132刀和铣刀刀杆的互换尺寸高连铜钢撑技术承件
GB/TSS43
3型式和尺寸
3.1链轮滚刀可数放单头、有凝、燃旋容屑情或平行于其轴线的直穿严模3.2链能渡刀的型式和尺寸接国1和表1的想定,图1
节更×恼了径
6. 75 *.3.3
9. 525:x5. 36
9. 55:: 5. 35
12. 7X 7.95
12. T 3. :
机榜工业部1991.n9-06批准
1995-07-01实施
节览?夜子直检
15.875X10.16
19.05x11.91
15.05×12.07
25.4×15.88
31.75×19.05
38,1×22.23
36. 1×25. 4
44.45×25.4
44.45X27.94
55.ax28.b8
50. 8x 29. 21
B2.5X8S.27
JB/T 7427-94
续表1
在,()龄限刀轴台直经由工具厂自行快定,其尺寸文尽可版改解大些接用户要求,链轮裂刀可做虑左3.3标记示例
钱节距X滚子直轻为38.1×25.4,精度等为C级的链轮滚刀的标记为:38.1×.25.4C年轮滚JB/T7427-94技术要求
链轮离刀表面不得有裂纹、前刃,烧伤及其他影响使用性能的缺陷。4.1
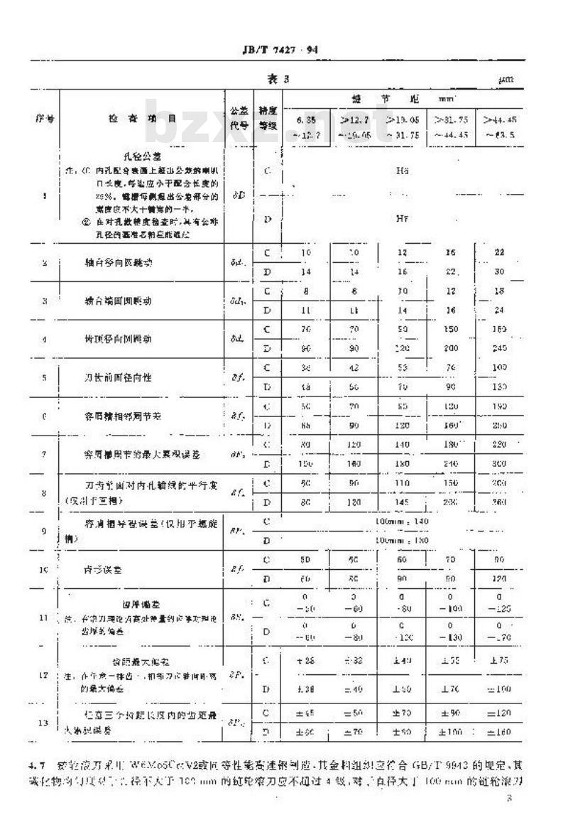
硅轮激刃的表面粗整魔的量大充许伯按丧2的规定。4. 2
内孔率面
辖公外园
刀齿断面
顶及齿洲
4.3外径d.的公差为b15。
4.4全长工的公为J515
表面抛磨变勤
4.5链尺寸和公左CB/T6122中的规定。4.6轮滋可谢造时的土要公差按表3的观定。C级
表而扭成放书
按查目
孔径公基
,《内孔医孕患西上斑山然的以口,号泌应小于配去长度的
26%,每增每测想出公差部分的
需度度不大十情您的一半,
在对孔效糖度者查时,其有公称
丑经的医准心的应能理位
轴户经向医跳动
齿项受血能动
闪齿前国径向性
容旧精相邻同节英
穿用增周卡的量人累双误差
为步为面对内化轴绿的半行案
存调捆学型做兰!仅用于抓能
青之误控
说为商量约
品是大活社
JB/T 142T . 94
的最士偏士
三距长区内的步是
大水定程学
10mml:140
1oumiml:1xo
-·+4. 4.5
上1mm
4.效整商来05或等性能高连钢到整金料组应合B,3的现定其成物:径下尺于1m的轮刀应不问过级,对,白径大」心m的轮应不超过5级。
JR/7427—94
4.链轮密刀切削都分硬度应为696号HRC5性能试验
成批生产的魅轮密刀,每批应避行切所性能轴样试始,5.1试验隶件
5.1、1机床,合精度要求的斑齿机。5.1.2刀兵样本大小次5件
5.1.3试环:材料为45M,碰度为170~200HB,试轻点径可装40齿计算,状证厚度51m,切前学试
闪削规范:按表4的规定。
节距um
6. 35~- 12, 2
>12- 7--19. 05
>19. 05~31. 75
>31. 75 ~44. 45
>44, 45-~53. 5
进举量m/
初剑建性
ot/min
s. 1. 5切削鹿;浓度 1 z 20 的乳化油本溶激或硫化油+流量不小于 5 L/血in5. 2试验结果评定
次切至全边
二改划至全齿深
三次切至全动深
经切削性能试验后的链轮滚刀木再有谢刃或显苦的爵钝现象·应保持链轮滚力原有的性能,并能继续愧用,妞有一件不符合上逆要求,即判此批为生能试验不合格,6标志和包装
6.1标志
石.1.1过轮漆刀上应标志,制造厂商标、被加工载轮规,精度等级,施升角、学施措导码,材料代号6,1.2链轮滚刀包装盒上应标志:制造」名称和地址,制造厂商标,产品名称,热加工链轮规格,度等级、材料状号、制道年月、本标准编号,6.2包费
群轮刀包要前应经防销处理。包装必须中固,并能防止运渐过程中的伤。JH/T 7427-94
附录A
滚子链和套衡钝链轮滚刀法向齿形尺寸(卷考件)
滚子和弃商链封轮频刀法问齿形尺寸按图AI和表A的规定,Al
节手径
8. 25 × 3. 3
9. 535× 5.n8
a. 595×e.25
12.7×7.65
15. 75x15. 1
20.n5×11.51
19.n5×12.c
23.4:15. 88
F1.7515.05
38.1:52. 22
38.1x26.
44. +5×25.4
44. 45×2*. 9.
55. $ ×28. 58
56. #×26. 31
93.5×3,7
53. 5×35. K
38 2753
JB/T 742T941
附录B
流子链和奢简链链轮意乃计真尺寸(萝考件)
宠于链利套简链链轮滤刀计算尺计按图B1和表I的规定。图
节距孩于立轻
. 35 × 3. 3
9. 525 X5.cB
9.525X6.35
72.7X7.55
15.375× 101f
15. 65×1-.
19.0512.07
25.4X15.68
38. 1× 22. 23
38.1X25.1
11. 45x75. 4
44.45×27.91
5e. sX28.58
56 #×29 2:
$3.535.27
62. Fx3r
85- 22
128-82
附加说明,
JB/r 742794
本标准由金国万具标准化技术委员会提出。本标准机核工业部成帮工具研究所归可,本标准由机械.L业部成帮工.目研究新、吉林工业大学钱传动研究所负资起单,车起准主零起单人宏课土秀,帮衡。
小提示:此标准内容仅展示完整标准里的部分截取内容,若需要完整标准请到上方自行免费下载完整标准文档。