首页 > 机械行业标准(JB) > JB/T 9432-1999 35mm胶卷片轴 尺寸
JB/T 9432-1999

基本信息

标准号: JB/T 9432-1999

中文名称:35mm胶卷片轴 尺寸

标准类别:机械行业标准(JB)

标准状态:现行

发布日期:1999-08-06

实施日期:2000-01-01

出版语种:简体中文

下载格式:.rar.pdf

下载大小:32735

相关标签: 胶卷 尺寸

标准分类号

标准ICS号:成像技术>>摄影技术>>37.040.20相纸、胶卷和暗盒

中标分类号:仪器、仪表>>电影、照相、缩微、复印设备>>N46照相机与照相器具

关联标准

替代情况:原标准号ZB N46004-1990

出版信息

出版社:机械工业出版社

页数:4 页

标准价格:8.0 元

出版日期:2000-01-01

相关单位信息

起草单位:杭州照相机械研究所

归口单位:全国照相机械标委会

提出单位:全国照相机械标准化技术委员会

发布部门:国家机械工业局

标准简介

本标准规定了35mm胶卷芯轴的尺寸。本标准不规定结构设计细节,如壁厚等,对胶卷芯轴材料不作规定。本标准适月于35mm胶卷用的芯轴。 JB/T 9432-1999 35mm胶卷片轴 尺寸 JB/T9432-1999 标准下载解压密码:www.bzxz.net

标准图片预览

JB/T 9432-1999 35mm胶卷片轴 尺寸
JB/T 9432-1999 35mm胶卷片轴 尺寸
JB/T 9432-1999 35mm胶卷片轴 尺寸

标准内容

ICS 37.040.20免费标准下载网bzxz
中华人民共和国机械行业标准
JB/T 94321999
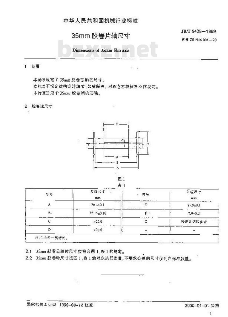
35mm胶卷片轴尺寸
Dimensions of35mmfil axis
1999-08-10 发布
国家机械工业局
2000-01-01实施
3E/T 9432—t999
本标准是对2N46004一90(35mm胶验片轴尺寸)的整订。修订时,对原标准作了编辑性修改,主要技术内容设有变化。
本标准自实施之日起,代替ZBN46D04—90。本标准由全国照相机标准化技术委员金提出关归口。本标准主要起草单位:枕州熙相机燃研究所。范围
中华人民共和国机械行业标准
35mm胶卷片轴尺寸
Dimensionsof3smmElmaxis
本保存规定了35mm胶学芯输尺寸。本标当不設定结构设计细芳,如整革等,对取专芯轴材料不作圾意:本标量月干35mm胶崇用的芯轴
2腔要禁尺寸
法一搭长,
对原只小
36 +±0.1
35.15±0.10
2.1 35am故当芯拍前尺寸应符合图1,表 1的规定。行号
JB/T 9432—1999
23N45D0490
17.9±0.1
按设计诺闪求
2.235mm象卷尺寸按图1,1的规定进行测量,不要求公考的尺下亿列出标准数值。属家权共工业总199-08-10批准
2000-01-01实均
小提示:此标准内容仅展示完整标准里的部分截取内容,若需要完整标准请到上方自行免费下载完整标准文档。