首页 > 电子行业标准(SJ) > SJ/T 10400-1993 半导体集成音响电路图示均衡电路测试方法的基本原理
SJ/T 10400-1993

基本信息

标准号: SJ/T 10400-1993

中文名称:半导体集成音响电路图示均衡电路测试方法的基本原理

标准类别:电子行业标准(SJ)

标准状态:现行

发布日期:1993-09-28

实施日期:1994-01-01

出版语种:简体中文

下载格式:.rar.pdf

下载大小:341958

相关标签: 半导体 集成 音响 电路 图示 测试方法 基本原理

标准分类号

中标分类号:化工>>化工综合>>G01技术管理

关联标准

出版信息

页数:7页

标准价格:12.0 元

相关单位信息

标准简介

SJ/T 10400-1993 半导体集成音响电路图示均衡电路测试方法的基本原理 SJ/T10400-1993 标准下载解压密码:www.bzxz.net

标准图片预览

SJ/T 10400-1993 半导体集成音响电路图示均衡电路测试方法的基本原理
SJ/T 10400-1993 半导体集成音响电路图示均衡电路测试方法的基本原理
SJ/T 10400-1993 半导体集成音响电路图示均衡电路测试方法的基本原理
SJ/T 10400-1993 半导体集成音响电路图示均衡电路测试方法的基本原理
SJ/T 10400-1993 半导体集成音响电路图示均衡电路测试方法的基本原理

标准内容

中华人民共和国电子行业标准
SJ/T10400—93www.bzxz.net
半导体集成音响电路图示均衡电路马达稳速电路、自动选曲电路
测试方法的基本原理
1993-09-28发布
1994-01-01实施
中华人民共和国电子工业部发布中华人民共和国电子行业标准
半导体集成音响电路图示均衡电路测试方法的基本原理
General prineiples of measuring methods forgraphic equalivers of semiconduclor audio integrated circuits1主题内容与适用范围
SJ:T10400
本标准规定了半导体集成产响电路图示均衡电路(以下简称器件)电参数测试方法的基本原理。
本标准适用于半导体集成音响电路图示均衡电路的电参数测试。2总的要求
2.1若无待殊说明,测试期间,环境或参考点温度应符合器件详细规范的规定。2.2测试期间,应避免外界干扰对测试精度的影响。测试设备引起的测试误差应符合器件详细规范的规定。
2.3测试期间,施于被测器件的电源电压误差应在电源电压规定值的士1%以内。施于被测器件的其它电参量的精度应符合器件详细规范的规定。2.4被测器件与测试系统连接或断开时,不应超过器件的使用极限条件。2.5测试期间,应无寄生振荡。
2.6测试期间,被测器件应按器件详细规范规定连接辅助电路或补偿电路。2.7当电参数值是由几步测试经计算而确定时,若有必要,这些测试的时间间隔由详细规范规定。
参数测试
3.1静态电流1e
3.1.1目的
测试器件输入端对地交流短路时,经电源端流入器件的电流。3.1.2测试原理图
1..的测试原理图如图1所示。
中华人民共和国电子工业部1993-09-28批准1994-01-01实施
-ITKAONKAa=
3.1.3测试条件
SJ/T10400-93
测试期间,下列测试条件应符合器件详细规范的规定。环境温度:
电源电压。
3.1.4测试程序
3.1.4.1在规定的环境温度下,将被测器件接入测试系统中。3.1.4.2电源端魔加规定的电压。3.1.4.3在电源端读取1.。。
3.2电压增益(平值)Am
3.2.1月的
测试器件工作在平直状态下输出电压与输入电压之比。3.2.2测试原理图
A,的测试原理图如图2所示。
3.2.3测试条件
测试期间,下列测试条件应符合器件详细规范的规定。a.
环境温度:
电源电压;
输出电压:
负载电阻:
负反馈网络:
信号频率。
3.2.4测试程序
SJ/T10400-93
3.2.4.1在规定的环境温度下,将被测器件接入测试系统中3.2.4.2电源端施加规定的电压。3.2.4.3调节输入信号电压V,使输出电压Vo达到规定值。读取V.。3.2.4.4按下式计算AP
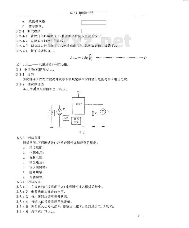
式中:AwF电压增益(平直)dB。3.3电压增益(提升)Avm)
3.3.1目的
Av(r)=20lg
测试器件工作在增益提升状态下和规定频率时的输出电压与输入电压之比。3.3.2测试原理图
Avn.的测试原理图如图3所示。
3.3.3测试条件
测试期问,下列测试条件应符合器件详细规范的规定。a.
环境温度:
电源电压;
负载电阻:
输出电压;
负反馈网络:
信号频率:
均衡网络。
测试程序
3.3.4.1在规定的环境温度下,将被测器件接入测试系统中。3.3.4.2电源端施加规定的电压。3.3.4.3将均衡网络调至提升状态。3.3.4.4将输入号频率调至规定值。3.3.4.5调节输入信号电压V.使输出电压Vo达到规定值,读取Vt。3.3.4.6按下式计算Am
-ITKAONKAa=
式中:Avn-一电压增益(提升),dB。3.4电压增益(衰减)Ac)
3.4.1目的
SJ/T10400-93
Av(n,=20lg
测试器件工作在增益衰减状态下规定频率时的输出电压与输入电压之比。3.4.2测试原理网
Avrc,的测试原理图如图4所示。Vec
3.4.3测试条件
测试期间,下列测试条件应符合器件详细规范的规定。a.
环境温度;
电源电压:
输出电压:
负载电阻;
负反馈网络:
信号频率:
均衡网络。
测试程序
在规定的环境温度下,将被测器件接入测试系统中。电源端施加规定的电压。
将均衡网络调至衰减状态。
将输入信号频率调至规定值。
调节输入信号电压V.使输出电压V。达到规定值。读取Vt。3.4.4.6按下式计算A4
Avie,=20lgV
式中:Av.--电压增益(枣减).dB。3.5全谐波失真度THD
3.5.1目的
测试器件输出总谐波电压有效值与基波电压有效值之比。4
·(3)
3.5.2测试原理图
THD的测试原理图如图5所示。
3.5.3测试条件
SJ/T10400—93
测试期间,下列测试条件应符合器件详细规范的规定。a.
环境温度;
电源电压:
输出电压;
负载电阻:
负反馈网络:
信号频率。
测试程序
在规定的环境温度下,将被测器件接入测试系统中。电源端施加规定的电压。
3.5.4.3调节输入信号电,使输出电压V。达到规定值。3.5.4.4在输出输读取THD。
3.6输出赚声电压V
3.6.1月的
测试器件当输入信号为零时输出端呈现的电压。3.6.2测试原理图
V的测试原理图如图6所示。
-ITKAONKAa=
3.6.3测试条件
SJ/T10400-93
测试期问,下列测试条件应符合器件详细规范的规定。a.
环境温度:
电源电压:
频带宽度;
负反馈网络;
负载电阻:
信号源内阻。
3.6.4测试程序
在规定的环境温度下,将被测器件接入测试系统中。电源端施加规定的电压。
输入端信号为零,信号源内阻为规定值。3.6.4.4在输出端读取Vno。
3.7最大输出电压VoMAV
3.7.1目的
全谐波失真度为规定值时.测试器件输出端的最大电压。3.7.2测试原理图
VoMAx的测试原理图如图7所示。NF
3.7.3测试条件
测试期间,下列测试条件应符合器件详细规范的规定。a.
环境温度:
电源电压:
信号频率:
负载电阻:
全谐波失真度:
负反馈网络。
测试程序
在规定的环境温度下,将被测器件接入测试系统中。3.7.4.2
电源端施加规定的电压。
调节输入电压,使输出信号的全谐波失真度为规定值。3.7.4.4在输出端读取VmMAv。
附加说明:
SJ/T10400-93
附录A
图形符号
(补充件)
本标准由电子工业部标准化研究所归口名
交流信号源
直流电流表
交流电压表
全诸波失真度测量仪
带通滤波器
负反馈网络
被测器件
本标准山中国华晶电子集团公司天光集成电路分厂负责起草。本标准主要起草人:朱建宁兴等。-ITKAONKAa=
小提示:此标准内容仅展示完整标准里的部分截取内容,若需要完整标准请到上方自行免费下载完整标准文档。