首页 > 电子行业标准(SJ) > SJ/T 11120-1997 电视和声音信号的电缆分配系统 设备与部件调频立体声和单声道调制器通用规范
SJ/T 11120-1997

基本信息

标准号: SJ/T 11120-1997

中文名称:电视和声音信号的电缆分配系统 设备与部件调频立体声和单声道调制器通用规范

标准类别:电子行业标准(SJ)

标准状态:现行

发布日期:1997-09-03

实施日期:1998-01-01

出版语种:简体中文

下载格式:.rar.pdf

下载大小:247942

相关标签: 电视 声音 信号 电缆 分配 系统 设备 部件 调频 立体声 调制器 通用 规范

标准分类号

标准ICS号:电信、音频和视频技术>>音频、视频和视听工程>>33.160.99其他音频、视频和视听

中标分类号:能源、核技术>>能源、核技术综合>>F01技术管理

关联标准

出版信息

页数:7页

标准价格:10.0 元

出版日期:1998-01-01

相关单位信息

起草人:吕君祥

起草单位:电子工业部三所、北京电视设备厂

归口单位:电子工业部标准化研究所

发布部门:中华人民共和国电子工业部

标准简介

本标准规定了5MHz~1750MHz电视和声音信号的电缆分配系统中调频立体声、单声道调制器(以下简称设备)的要求、试验方法、检验规则以及标志、包装、运输和贮存等。本标准适用于5MHz~1750MHz电视和声音信号的电缆分配系统中调频立体声、单声道调制器。 SJ/T 11120-1997 电视和声音信号的电缆分配系统 设备与部件调频立体声和单声道调制器通用规范 SJ/T11120-1997 标准下载解压密码:www.bzxz.net

标准图片预览

SJ/T 11120-1997 电视和声音信号的电缆分配系统 设备与部件调频立体声和单声道调制器通用规范
SJ/T 11120-1997 电视和声音信号的电缆分配系统 设备与部件调频立体声和单声道调制器通用规范
SJ/T 11120-1997 电视和声音信号的电缆分配系统 设备与部件调频立体声和单声道调制器通用规范
SJ/T 11120-1997 电视和声音信号的电缆分配系统 设备与部件调频立体声和单声道调制器通用规范
SJ/T 11120-1997 电视和声音信号的电缆分配系统 设备与部件调频立体声和单声道调制器通用规范

标准内容

ICS33.160.99
备案号:690-1997
中华人民共和国电子行业标准
SJ/T11120-1997
电视和声音信号的电缆分配系统设备与部件调频立体声和单声道调制器通用规范
Equipmentandcomponentsusedincableddistributionsystemsprimarilyintendedfor television and sound signalsGeneralspecification
for frequency modulated stereo and monotonic modulators1997-09-03发布
1998-01-01实施
中华人民共和国电子工业部发布TYYKAONKAca
本标准由电子工业部标准化研究所归口。本标准起草单位:电子工业部三所、北京电视设备厂。本标准主要起草人:吕君祥。
YKAoNrKAas
中华人民共和国电子行业标准
电视和声音信号的电缆分配系统设备与部件调频立体声和单声道调制器通用规范Equipment and components used in cableddistribution systems primarily intendedfor television and sound signalsGeneralspecification
for frequency modulated stereo and monotonic modulators1范围
SJ/T11120-1997
本标准规定了5MHz1750MHz电视和声音信号的电缆分配系统中调频立体声、单声道调制器(以下简称设备)的要求、试验方法、检验规则以及标志、包装、运输和贮存等。本标准适用于5MHz~1750MHz电视和声音信号的电缆分配系统中的调频立体声、单声道调制器。
2引用标准
下列标准包含的条文,通过在本标准中引用而构成为本标准的条文。本标准出版时,所示版本均为有效,所有标准都会被修订,使用本标准的各方应探讨使用下列标准最新版本的可能性。
GB/T6510—1996
GB/T11318.1—1996
GB/T11318.3-1996
3定义
电视和声音信号的电缆分配系统电视和声音信号的电缆分配系统设备与部件第1部分:通用规范
电视和声音信号的电缆分配系统设备与部件第3部分:电视调制器通用规范
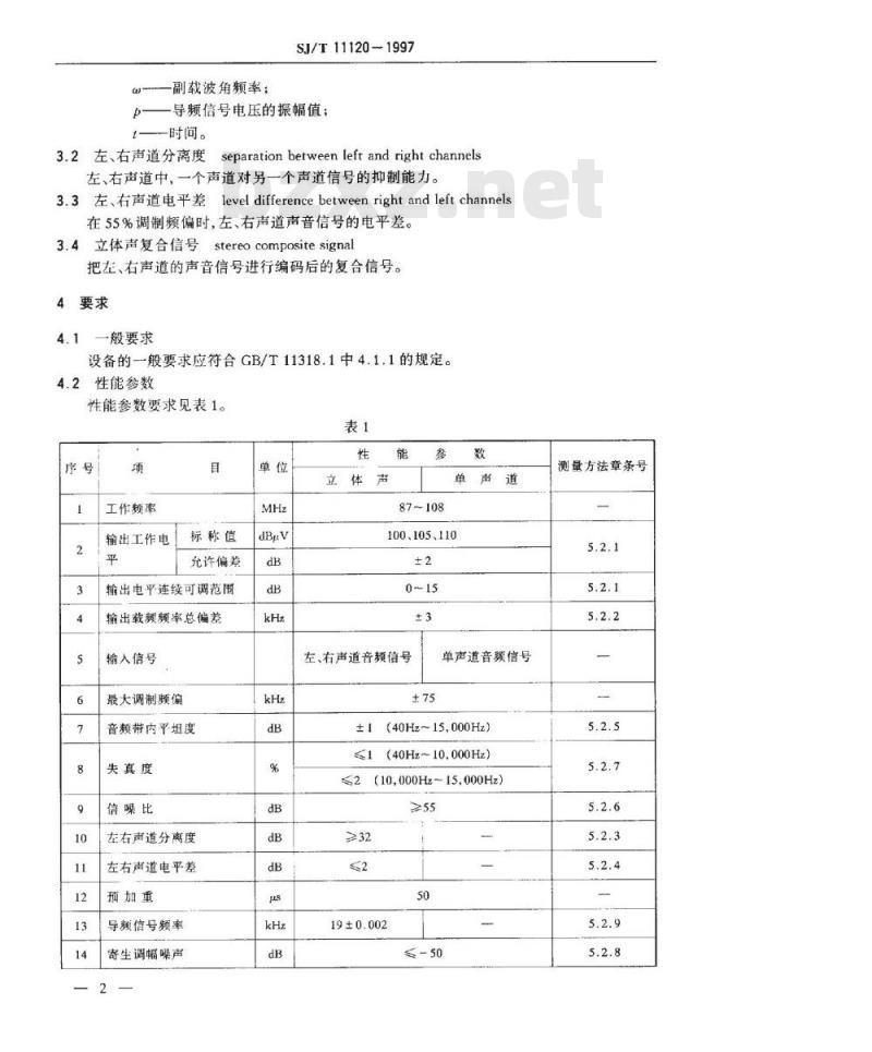
本标准采用下列定义,其他定义符合GB/T6510和GB/T11318.1中的有关规定。3.1立体声复合信号的表达式expressequationof stereocompositesignal立体声表达式为:
A=(L +R)+(L-R)sinot+psin(@/2-t)式中:A一立体声复合信号电压:L—左声道信号电压:
R-右声道信号电压;
中华人民共和国电子工业部1997-09-03批准YYKAONrKAcas
1998-01-01实施
一副载波角频率;
SJ/T11120-1997
一导频信号电压的振幅值;
一时间。
3.2左、右声道分离度separationbetweenleftandrightchannels左、右声道中,一个声道对另一个声道信号的抑制能力。3.3左,右声道电平差level differencebetweenrightandleftchannels在55%调制频偏时,左、右声道声音信号的电平差。3.4立体声复合信号stereocompositesignal把左、右声道的声音信号进行编码后的复合信号。4:要求
4.1一般要求
设备的一般要求应符合GB/T11318.1中4.1.1的规定。4.2性能参数
性能参数要求见表1。
工作频率
输出工作电
标称值
允许偏差
输出电平连续可调范围
输出载频频率总偏差
输入信号
最大调制频偏
音频带内平坦度
失真度
信噪比
左右声道分离度
左右声道电平差
预加重
导额信号频率
寄生调幅噪声
立体声
单声道
100、105、110
左、右声道音额信号
单声道音颁信号
(40Hz~15000Hz)
≤1(40Hz~10.000Hz)
≤2(10,000Hz15.000Hz)
19±0.002
rYKAOMrKAa
测量方法章条号
带外寄生抑制
音频输入电平
音频输入阻抗
射频负载阻抗
环境适应性
SJ/T 11120-1997
表1(完)
立体声
6000平衡
单声道
≥10kn不平衡
或≥10kn不平衡
测量方法章条号
GB/T11318.3
设备的环境适应性要求应符合GB/T11318.1中4.3的规定,中间检测项目应为最大调制频偏。合格判据为:当分别输入左、右声道频率为1kHz、幅度为0.775Vrms声音信号时,最大频偏变化不超出=5kHz。在高温、恒定湿热、扫频振动、碰撞试验后的检测项目为最大调制频偏特性,在气候试验和机械试验后按表1规定的项目进行检测,检测结果应符合表1的有关规定。
4.4可靠性
设备的平均无故障时间(MTBF)的下限值,值应不低于5000h。失效判据:当按表1输入音频信号时,最大调制频偏变化超过土5kHz。4.5安全下载标准就来标准下载网
设备的安全要求应符合GB/T11318.1中4.5的有关规定。4.6电磁兼容性
设备的电磁兼容性要求应符合GB/T11318.1中4.6的规定。试验方法
5.1般要求
设备一般要求的试验方法按GB/T11318.1中4.1.2的规定进行。5.2性能参数
5.2.1输出电平连续可调范围的测量5.2.11测量方图
如图1所示。
音频信号发生器
被测设备
选频电压表
输出电平连续可调范围测量的设备连接图1
YYKAONrKAca
5.2.1.2测量
SJ/T11120-1997
5.2.1.2.1G1、G2音频信号发生器分别输出频率为1kHz、幅度为0.775Vrms声音信号,做为立体声被测设备的左、右声道的输入信号(单声道设备只有一个信号输入被测设备)。5.2.1.2.2调整被测设备,在其输出衰减最小时,测量其输出电平,然后逐渐增加衰减量,输出电平连续减小。当被测设备输出衰减最大时,再测量其输出电平。两次输出电平的差值,即为该设备输出电平连续可调范围。5.2.2输出载频频率总偏差的测量5.2.2.1测量方框图
如图2所示。
数字额率计
音频信号发生器
被测设备
[图2输出载频频率总偏差测量的设备连接5.2.2.2测量
G1.G2音频信号发生器分别输出频率为1kHz、幅度为0.775Vrms声音信号,做为立体声被测设备的左、右声道的输入信号,调制度为75kHz频偏(单声道设备只输入一个信号)。在规定的环境温度上、下限恒温2h后,分别测量被测设备输出的载频频率,其与标称频率偏差最大值,即为载频频率总偏差(频率计闸门时间大于10ms)。5.2.3左、右声道分离度的测量
5.2.3.1测量方框图
如图3所示。
音频信号发生器
被测设备
频偏仪
解调器
左、右声道分离度测量的设备连接5.2.3.2测量
电压表
5.2.3.2.1被测设备的导频信号保持10%的调制度(以下同),调制器不加重,解调器不去重。
5.2.3.2.2音频信号发生器分别输出40Hz、1kHz、10kHz、15kHz音频信号到被测设备左(或右)声道输入端,调制度为100%(±75kHz)。5.2.3.2.3被测设备的输出信号经解调后,左(或右)声道的信号送至音频电平表,分别测出左、右声道输出电平;左、右声道输出信号电平之差,即为左、右声道在该频率点的分离度,用分贝表示。
YKAONrKAcas
5.2.4左、右声道电平差的测量
5.2.4.1测量方框图
同图3所示。
5.2.4.2测量
SJ/T11120-1997
5.2.4.2.1按5.2.3.2.1与5.2.3.2.2步骤,频率为1kHz使调制度为55%(频偏数约41kHz),测出其左声道输出电平。5.2.4.2.2将音频信号(1kHz)送至右声道输入端,测出解调器右声道输出电平,左与右输出电平差,即为左、右声道信号的电平差。5.2.5音频带内平坦度的测量
5.2.5.1测量方框图
如图3所示。
5.2.5.2测量
5.2.5.2.1导频保持10%调制度,调制器加重,解调器去重。音频信号发生器1kHz声音信号加到调频立体声调制器的左(或右)输入端,使调制度为55%(土41kHz左右),测出解调器左(或右)端的输出电平值作为基准电平,记下此时音频信号发生器的输出电平值。5.2.5.2.2保持音频信号发生器在各测试频率点40Hz、100Hz、1kHz、7kHz、10kHz、12kHz、15kHz上的输出电平不变,测量出此时立体声解调器在相应频率点的左(或右)端的输出电平,即为立体声调制器的音频带内平坦度。单声道调制器只输入一个信号。5.2.6信噪比的测量
5.2.6.1测量方框图
如图3所示。
5.2.6.2测量
5.2.6.2.1音频信号发生器送1kHz信号加到被测设备左(或右)的输入端,使调制度为100%(导频占10%)。单声道设备信号调制度为100%。5.2.6.2.2在立体声解调器输出端测出左(或右)端的输出电平。单声道设备测出其音频输出电平。
5.2.6.2.3去掉1kHz的调制信号,测出立体声解调器的左(或右)的输出噪声电平,信号电平与噪声电平之差,即为该调制器的信噪比,单声道设备则去掉单声道音频输入信号测试。5.2.7失真度的测量
5.2.7.1测量方框图
如图4所示。
音频信号发生器
5.2.7.2测量
被测设备
赖偏仪
解调器
图4失真度测量的设备连接
失真仪
5.2.7.2.1音频信号发生器依次输出的40Hz、1kHz、10kHz、15kHz音频信号分别送到被测5
YYKAONrKAcas
SJ/T11120-1997
设备左声道和右声道的输入端,使调制度为100%。单声道只输入一个信号。5.2.7.2.2用失真仪分别测出立体声解调器左和右端输出信号在各频率点的失真度。单声道调制器只输入单端信号测试。5.2.8寄生调幅噪声的测量
5.2.8.1测量方框图
如图5所示。
额偏仪
5.2.8.2测量
被测设备
图5调幅噪声测量的设备连接
被测设备在标称100%调制(1kHz.频偏75Hz),用频偏仪内的线性检波器,单声道测量只用一个信号。频偏仪在AM位置,测量出寄生调幅噪声。5.2.9导频信号频率的测量
5.2.9.1测量方框图
如图6所示。
5.2.9.2测量
被测设备
编码器
调制器
频率计数器
图6导频信号测量的设备连接
5.2.9.2.1把被测设备中的编码器与调制器部分断开。5.2.9.2.2设备不加调制信号,在编码器的输出端接用频率计测出导频信号的频率。5.3环境适应性
设备的环境适应性试验方法按GB/T11318.1中4.3的规定进行,试验温度组别为1组。5.4可靠性
设备的可靠性试验方法按GB/T11318.1中4.4的规定进行。5.5安全
设备的安全试验方法按GB/T11318.1中4.5的有关规定进行。5.6电磁兼容性
设备的电磁兼容性试验方法按GB/T11318.1中4.6的有关规定进行。6检验规则
设备的检验规则应符合GB/T11318.1中第5章的有关规定,交收检验时主要电性能参数检测项目为音频带内平坦度,失真度,信噪比,左、右声道分离度,输出工作电平及其连续可调范围。
YKAONrKAcas
标志、包装、运输和贮存
SJ/T11120-1997
设备的标志、包装、运输和贮存应符合GB/T11318.1中第6章的有关规定。TYKAONrKAa
小提示:此标准内容仅展示完整标准里的部分截取内容,若需要完整标准请到上方自行免费下载完整标准文档。