首页 > 电子行业标准(SJ) > SJ/T 10161.5-1991 真空橡胶密封平面法兰 挡圈尺寸
SJ/T 10161.5-1991

基本信息

标准号: SJ/T 10161.5-1991

中文名称:真空橡胶密封平面法兰 挡圈尺寸

标准类别:电子行业标准(SJ)

标准状态:现行

发布日期:1991-04-02

实施日期:1991-07-01

出版语种:简体中文

下载格式:.rar.pdf

下载大小:37220

相关标签: 真空 橡胶 密封 平面 法兰 挡圈 尺寸

标准分类号

中标分类号:机械>>机械综合>>J01技术管理

关联标准

采标情况:ISO 1609-86 NEQ

出版信息

页数:2页

标准价格:8.0 元

相关单位信息

标准简介

SJ/T 10161.5-1991 真空橡胶密封平面法兰 挡圈尺寸 SJ/T10161.5-1991 标准下载解压密码:www.bzxz.net

标准图片预览

SJ/T 10161.5-1991 真空橡胶密封平面法兰 挡圈尺寸
SJ/T 10161.5-1991 真空橡胶密封平面法兰 挡圈尺寸
SJ/T 10161.5-1991 真空橡胶密封平面法兰 挡圈尺寸

标准内容

中华人民共和国电子工业行业标准SJ/T 10161. 1~10161. 891
真空橡胶密封平面法兰
1991-04-02发布
1991-07-01实瓶
中华人民共和国机械电子工业部发布中华人民共和国电子工业行业标准真空橡胶密封平面法兰
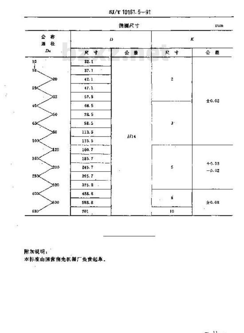
挡圈尺寸
Yacuunl rubber seal planeflagesDianepalopaorreLainingziags
SJ/T10161.5—91此内容来自标准下载网
本标准参照采用国际格准1501609-198B真空技术法兰尺寸*。1主题内容与适用范围
本标准规定了再空橡胶密封平而法兰国的尺寸本标准适用干压力为10\--[0-P*真空系统中夹紧法兰与施转法兰配合连接用的挡2引用标准
SI/T10161.1
真空法兰公称通径
真空橡腔布判平面祛兰连接型式及尺十SJ/1016L,3其空橡胶密对平面法兰夹紧法兰尺寸SI/T10161.4享空换胶密封平而送兰旋转法兰尺寸3挡趣尺寸
31公称通径按G及607C.I规定,
32挡留的结构与尺寸应符存下均及下丧的规定中华人民券利机撼电子工收部94悦批10
1991-07-01 实施
附加说明:
本标准由国营南光机厂负责起单,SJ/T10161.5-9t
持捌尺寸
小提示:此标准内容仅展示完整标准里的部分截取内容,若需要完整标准请到上方自行免费下载完整标准文档。