首页 > 电子行业标准(SJ) > SJ/T 10164-1991 十字槽螺钉旋具头
SJ/T 10164-1991

基本信息

标准号: SJ/T 10164-1991

中文名称:十字槽螺钉旋具头

标准类别:电子行业标准(SJ)

标准状态:现行

发布日期:1991-04-02

实施日期:1991-07-01

出版语种:简体中文

下载格式:.rar.pdf

下载大小:188515

相关标签: 十字 螺钉

标准分类号

中标分类号:机械>>机械综合>>J01技术管理

关联标准

出版信息

页数:11页

标准价格:15.0 元

相关单位信息

标准简介

SJ/T 10164-1991 十字槽螺钉旋具头 SJ/T10164-1991 标准下载解压密码:www.bzxz.net

标准图片预览

SJ/T 10164-1991 十字槽螺钉旋具头
SJ/T 10164-1991 十字槽螺钉旋具头
SJ/T 10164-1991 十字槽螺钉旋具头
SJ/T 10164-1991 十字槽螺钉旋具头
SJ/T 10164-1991 十字槽螺钉旋具头

标准内容

中华人民共和国电子行业标准
SJ/T 1016491
十字槽螺钉旋具头
1991-04-02发布
1991-07-01施
中华人民共和国机械电子工业部发布
中华人民共和国电子行业标准
十字搏螺钉旋具头
本标准参服采用了IS0874—88十字描螺钉施具头。1主题内奔与适用范围
SJ/T 10164—91
本标准规定了十字指《H型>课钉旋具头的型式、尺寸、技术要求和试验方达,作为制竞、检验的依据。
本标准适用于机用(气动、电动)航日用的一字挡想订旋具头(以下简称施具头\).用于安装符金国家标推(些部标准)的十字拍汀I型>螺灯、自攻燃订:2引用标准
CB12UX
GR1290
施案工具技术条件
台金工汇具解技术茶作
GB18618
金属表面路氏硬试验方法
表面担楚度态数及其数值
CB1U31
GR2828
GB2829
避批检在计数抽机程序改抑表
冏期换声计数抽样程序及拍样表3 型式与尺寸
气动单旋具头的型试与尺小别图1、表13.1
气动单端族月头
中华人民共和国机械电子工业部1931-4-02批准1991-07-01实监
—U.UTE:
SJ/T1016491
. 0. 20
3.2气动买期旋具头的型式与尺一见图2.衣。2
60,XD,:0D.
50、8、JoG、Jav、
200.230.300此内容来自标准下载网
SJT1154—91
因2气动双消旋具头
3.3中动益具头的型式与尺则图3表36.18
图3电动范只头
—心,1h
50,80,100,15c,
209,250.300.
—心, 心5
SJ/T 10164—91
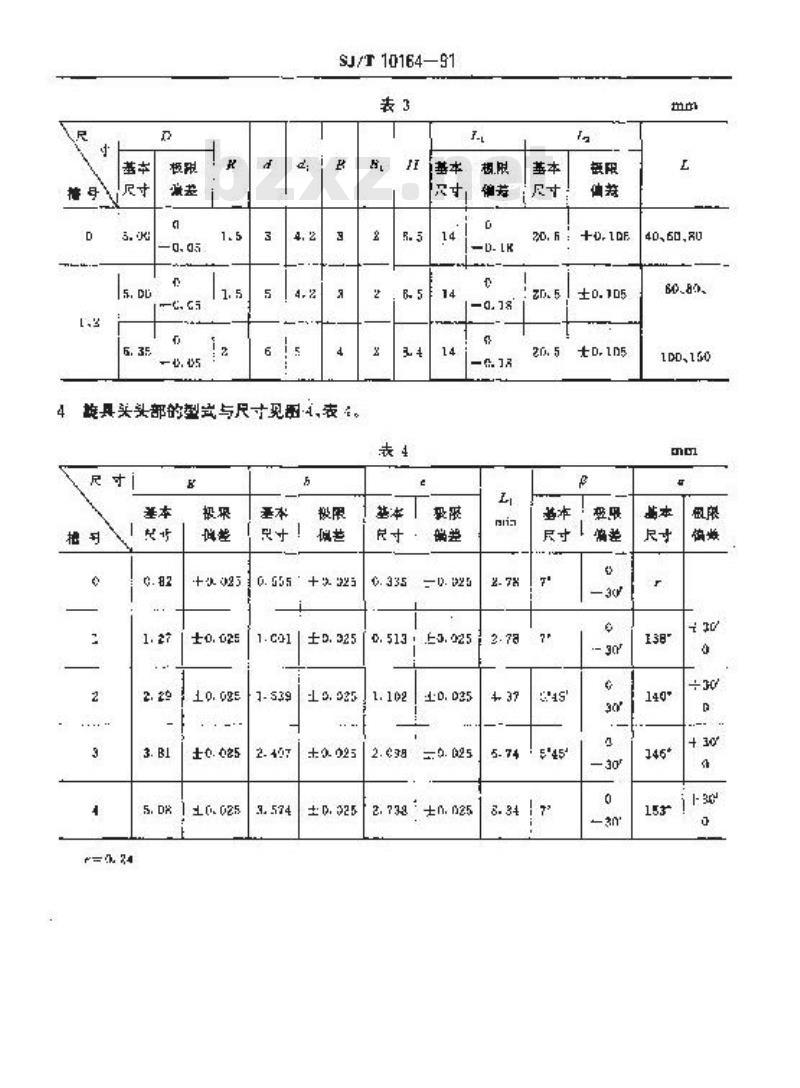
整具实头部的型完与尺寸见图4,表。尺
0.555+3.32
5.D8 11(.025
—0. 925
0. 513 : 0. 025
2.738±n.025
8.34 1 7*
40、60,80
1DD、150
5产品标记
产品名称
标记示例[
SJ/T10164—91
4 游具义头部
B-B快转
标准代号
SITJCG4-
[六角对达尺(气动》义长睡
轻电动长度
.1.2.3,4.
:单施.R头SA
动双端头SQF
电动能头S
十字世订旋具头
气动效站就具头.2号,六角对边尺为6.3.imm长度为100m5
SJ/T 10164—91
气动月头SQB-2-6.35X100SJ/101G4—91系记示例2
电动旋具买.1号槽,真径为Emm,长度为60mm,电动H买,SD-1-5×50SI/T10264916技术要求
6.1基本尺寸与极限偏差
旋具义的情本尺寸与控限偏差应符合表1至表4的规定.6.2外观质量
旋具头的外表而不应有裂和影响快用的伤提、毛刺、榜班及其它缺陷,6.3志面推度
旋其头工作部位的表面扭度师切除村料法获得的表面R.伪最大允许值为3.2m,6.4百类度
旅是买的百线虑在100mm长虑报固内,不得超过0.1msm5.5树料
提具泌应采用GB1298标准中规定降T7、T或G1299标准中规定的具,刃具用钢、耐冲击用制等。
5.6表面处理
施具头表面需进行弱护性处现。5-7弹度
较具头两端工作部位需经处州.头部硬度为HRt58--621端部硬度不低于HRC54。5.8打折
赖其头最小扭短应符合表5的规定。N.m
7试验方法
7.1尺寸检验
7.1.1担保证尺小精度的测量量要对施具头进行测量.其尺计应符丧1至表3的要求,7.1.2用专用环规对施具头的头郝进行检验,啦具头的项猫应在环规的\通端\与\止规\之间,并且努密贴合。
开规的型式和尺应符合附示A的规定。7.2外观验验
用目测法对旋具头进行外规检验,应符合6.2系的要求。7.3表而恒整度检验
按GH1031的规定进行表而相度检瓶,应符合6.3系的要求。7.4直线度检验
样靠具头放在平板上用座尺进行检题应许台6.4兼的要求,6
7.5硬度试验
SJ/T 10164--91
接G1A8的规定进行硬度试验,应符合.条的要求,7.6招版试购
用全用央其对旅具进行伍知试验,将乾县头靠部循入与缺是头头部尺寸相同的试情(如图5所示内,随以表5规定的扭矩值时旅具头不母变形、断裂。米具的试精尺小应符合附录A的规定。夹具的外形是寸应根错不同的扭矩试设备西确定,图5、扭测试设备
8抢验势别
殡具头应终质量检整部门控验,控验分交收检降例行势验。8.1定收检验
8.1.1变收检验按CB828中一达止常稳查抽样克案的现定进行,稳直水平1,合格质单水平AQL筑按表6规定。
苯本尽寸与极限期考
外观质量
农组临
SJ/T 116491
关开头头部尺寸
综只实其它尺寸
6.1中的*
G. [ 中表 [ 至左 3
合格质置本平[AQ.]
8.1.2交收控验不含格的批,评贷方可以拒收,包允许制造厂对谢产品来取措施,达对合格质盘水产后,可蓝新进行交收整验,更至合格。8.2室行检游
8.2.1例行趋验的样品应从交收试验合格的批中随机仙取。有不合格品,应换取合格品后再进行阅行检验,不会将原困号入检验报告,似不栏为例行趋骏内些定依据日2.2对取内样品应按交收检玩日班行全数检将,另外再按羽了.5条进行扭矩试整+扭矩试验应们合(.月承的要求,
日-23例行尬验按GB2829中的一次T常检查抽样方案进行,新别水1,RQL为4C,判定效租AR(23)
32.工若例行检验不合恰,则该批产最判为不告格,并停止交收,对已完工的产品由供需致为根据情记出两处现。
8-2.5根据汀货方的要求,制造,可提供检验告,3.2.6制行拉验应年进行·次·在改变结构制造工艺和更换材料时,亦需进行,9 标志、包萨,存
9.1标志
在施具头的杆部应有请帐旁整的号和制造厂代号,9.2包装
9.2.1经拉验合格的产品应衍理千,综1防绣剂,连同产品合格证装入包装盘或位载袋内,9.2.2包装念或包装将的外表应标明制适厂名、产品名称,商标、规格、数量、产最标准号、制造已剩。
9.3忙存
经包装后的产品存敬在通风干爆的室内,不得与有酸生、赋性或引起锈蚀的化学物品存效处。
产品在规定拍些存条件下.忙斤一年内表间产牛诱度由制造单位负费。SJ/T1016491
(补充件)
本附录规定十字摘炼钉能具头头部检验环规的型式与尺!字槽燃订整具头头部检龄坏规的型式与尺寸见图】,表A!。26*30
标记(据号)
技女要求,
1. 热处理HRC G0 A
规例钝.
B-B些轮
1 = 9, 24
附加说明:
ST/T 10164—91
本标准由机械电子工业部凸:
本标证由机子工业部良子标准化到率所期口。3.2
本标止机械电子工业部电标准化完所,4511F,714厂负或起草。五标准爱起点人刘雅牵,连兰年、案必您刘湖珍、张声0
小提示:此标准内容仅展示完整标准里的部分截取内容,若需要完整标准请到上方自行免费下载完整标准文档。