首页 > 电子行业标准(SJ) > SJ 2152-1982 烧结含油轴承
SJ 2152-1982

基本信息

标准号: SJ 2152-1982

中文名称:烧结含油轴承

标准类别:电子行业标准(SJ)

标准状态:现行

发布日期:1982-08-20

实施日期:1983-01-01

出版语种:简体中文

下载格式:.rar.pdf

下载大小:554447

相关标签: 烧结 含油 轴承

标准分类号

中标分类号:机械>>机械综合>>J01技术管理

关联标准

采标情况:日本住友公司标准 NEQ

出版信息

页数:21页

标准价格:19.0 元

相关单位信息

标准简介

SJ 2152-1982 烧结含油轴承 SJ2152-1982 标准下载解压密码:www.bzxz.net

标准图片预览

SJ 2152-1982 烧结含油轴承
SJ 2152-1982 烧结含油轴承
SJ 2152-1982 烧结含油轴承
SJ 2152-1982 烧结含油轴承
SJ 2152-1982 烧结含油轴承

标准内容

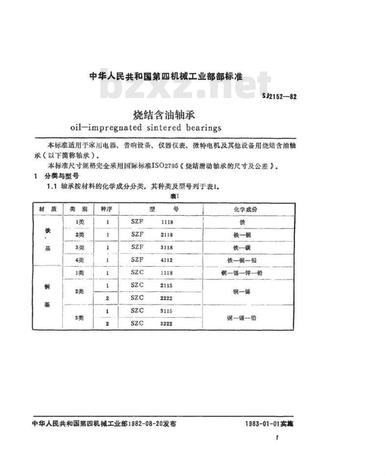
中华人民共和国第四机械工业部部标准SJ2152-82
烧结含油轴承
1982-08-20发布
1983-01-01实施
中华人民共和国第四机械工业部批准
中华人民共和国第四机械工业部部标准烧结含油轴承
oil-impregnatedsinteredbearingsSJ2152—82
本标准适用于家用电器、音响设备、仪器仪表、微特电机及其他设备用烧结含油轴承(以下简称轴承)。
本标准尺寸规格完全采用国际标准ISO2795《烧结滑动轴承的尺寸及公差》。分类与型号
1.1轴承按材料的化学成分分类。其种类及型号列于表1。表1
中华人民共和国第四机械工业部1982-08-20发布化学成份
铁一铜
铁一碳
铁一铜一铅
铜一锅一锌一铅
铜一锡
铜一锡一铅
1983-01-01实施
1.2型号示例:
外形尺寸与标注方法
SJ2152-—82
-含油率
一类别
一烧结含油轴承
2.1轴承按形状分为三类:圆简形、凸缘圆简形和球形,其基本尺寸分别列于图1、图2、图3和表2、表3、表4。
球形轴承的球面中部,允许有一-段圆柱部分,一般情况下,圆柱部分长度不超过L/3
SJ2152-82
表示不符合国际标准ISO2795。
2—2.6*—3-3.5*
3-—4—6
4-6-10
5-8-10
6-10-12
8-10-16
8--12-20
10-14-20
12-15-25
12-16-25
12—18-30
15-20-25-30
SJ2152-—82
20*—22
·表示不符合国际标准ISO2795
SJ2152-82
3—3.5*4*
4-6-10
5-8--10
6—8-12-16*
6-10-14
8-10-16
8-12-20
10-14-20
10-15-25
1216-25
12-18-30
12-20--25-30
15*-16
表示不合国际标准ISO2795。
SJ2152--82
3—4*
2.2轴承倒角允许按图4(a)或(b)型式制造。凸缘根部允许按图4(c)或(d)或(c)型式制造。
2.3轴承按下列方法标注,
SJ2152—82
2.3.1圆筒形:由轴承型号和内径×外径×长度一情度等级组成。示例:轴承SzC1118
2×6x31
SJ2152—82
精度等级
轴承型号
2.3.2缘圆菌形:出轴承型号和为径×外径(凸缘直径×厚度)×长度一精度等级组成。
SJ2152-82
示例:轴承.SZF4112±8×±16(中20×2)×16-2.3.3球形:由轴承型号和内径×球径×长度一精度等级组成。示例:轴承SZC2115中2X球中6×3-I3技术要求
3.1表面质量与外观
SJ2152—82
精度等级
凸缘厚度
凸缘直径
轴承型号
SJ2152-82
精度等级
-轴承型号
轴承表面应具有金属光泽,无裂纹、锈蚀及其他有害缺陷。3.2尺寸公差与形位公差
轴承按尺寸公差与形位公差分为三级:I级、Ⅱ级和直级
a、轴承内径尺寸偏差应符合表5b、轴承外径尺寸偏差应符含表6;c、轴承球径尺寸偏差应符合表7;d、轴承长度尺寸偏差应符合表8;e、轴承凸缘厚度尺寸偏差为±0.15mm;f、轴承凸缘外径尺寸偏差为±0.20mm;g、轴承的同轴度公差值应符合表9;8
SJ2152-82
h、球形轴承的圆跳动公差值应符合表10。注:不符合表5~表8的尺寸偏差,应在尺寸后面加注尺寸公差等级或偏差值。裹5
>10-18
>10~18
录音机机芯用轴承
I、I、I
>10~18
3.3化学成分
SJ2152--B2
jS11±0.045
js11±0.055
jsll±o.065
jS12±0.060
jS12±0.105
jS12±0.125
轴承的化学成分应符合表11。
jS14±0.090
jS13±0.165
jS13±0.195
1、1、
jS12±0.075
jS12±0.090
jS12±0.105
jS14±0.150
jS14±0.260
jS14±0.310
SZF1118
SZF2118
SZF3113免费标准bzxz.net
SZF4112
SZC1118
SZC2115
SZC2222
SZC3115
SZF3222
3.4含油率
含油率
18以上
18以上
18以上
12以上
13以上
15以上
22以上
15以上
22以上
压渍强度
kg/mm2
18以上
20以上
20以上
15以上
15以上
18以上
15以上
15以上
15以上
轴承的含油率应符合表11规定值。3.5压溃强度
SJ2152-82
化学成分%
<1余量
轴承的压溃强度应符合表11规定值。3.6表面多孔性
轴承受热后,在滑动工作表面上应有油渗出来。4试验方法
4.1轴承的表面质量及外观由肉眼判断。4.2轴承的尺寸公差及形位公差用下列方法测定:Pb
ZnC化合C总
4.2.1轴承的内径、外径及长度用游标卡尺、千分尺或专用量具测定。其他
适量<0.5
4.2.2轴承的外径面对内孔的同轴度与园跳动按GB1958一80《形状与位置公差检规定》进行测定。
4.3轴承的化学成分按下列标准规定分析测定:GB223--63《钢铁化学分析方法》JB2245—77《还原铁粉测试方法》YB493--64《锡青铜化学分析方法》4.4轴承的含油率按JB2870一81《烧结金属材料与制品开口孔隙率的测定》中规定的方法进行测定。
4.5轴承压溃强度按JB287181《烧结金属衬套径向压溃强度的测景》规定方法测定、
小提示:此标准内容仅展示完整标准里的部分截取内容,若需要完整标准请到上方自行免费下载完整标准文档。