首页 > 电子行业标准(SJ) > SJ 2459-1984 摆线针轮减速器技术条件
SJ 2459-1984

基本信息

标准号: SJ 2459-1984

中文名称:摆线针轮减速器技术条件

标准类别:电子行业标准(SJ)

标准状态:现行

发布日期:1984-03-19

实施日期:1984-10-01

出版语种:简体中文

下载格式:.rar.pdf

下载大小:435220

相关标签: 摆线 针轮 减速器 技术

标准分类号

中标分类号:机械>>机械综合>>J01技术管理

关联标准

出版信息

页数:12页

标准价格:16.0 元

相关单位信息

标准简介

SJ 2459-1984 摆线针轮减速器技术条件 SJ2459-1984 标准下载解压密码:www.bzxz.net

标准图片预览

SJ 2459-1984 摆线针轮减速器技术条件
SJ 2459-1984 摆线针轮减速器技术条件
SJ 2459-1984 摆线针轮减速器技术条件
SJ 2459-1984 摆线针轮减速器技术条件
SJ 2459-1984 摆线针轮减速器技术条件

标准内容

中华人民共和国电子工业部部标准SJ2459-84
摆线针轮减速器技术条件
1984-03-19发布
1984-10-01实施
中华人民共和国电子工业部批准中华人民共和国电子工业部部标准摆线针轮减速器技术条件
本标准主要适用于电子工业产品及一般桃械传动装罩1 型式、型母及代号
1.1型式
SJ2459-84
本标准包括单级与双级摆线针轮减速器,有双轴伸BW型、BL型利带电机BWY、BLY型.
B一摆线针轮减速器:
W——卧式:
L——立式
Y-带电动机。
1.2樊号
摆线针轮减速器型号,由产品代号,规格代号及精度等级三部分组成。1.2.1产品代号用汉语拼音字母(BW、BL、BWY、BLY)麦示。1.2.2规格代号,由机致号、传动比及输出扭矩组成。它们之用短线分开。1.2.2.1机型号,以针齿中心圆首径表示,单位为米。双级减速器机型号,按低速级和高速级连续表示,以顿号(,)隔开。1.2.2.2传动比,分双级和单级两种传动比.双级减速器的传动比,自低速级传动比乘以商速级传动比表示。
1.2.2.3输出扭矩,单位为牛顿·来。双级减速器的输出扭矩,以低速级输出扭矩表示,
1.2.3精度等级,分精密级和普通级两种,以“1*表示精密级、“1”表示普通级。双级减速器允许不同精度等级组合。型号示例1:
15---29-270--1
—精度等级,表示精密级。
规格代号,表示针齿中心圆直径为15厘米,传动比为29,输出扭矩为270牛颠·米
产品代号,表示双轴伸型卧式摆线针轮减速器。中华人民共和盛电子工业部1984-03-19发布1984-10-01实施
型号示例2:
08-10-11 ×17---60--
型导示例3:
SJ2459-84
一精度等级,表示两级均为精密级。规格代号,表示高速级针齿中心厕点径为8愿米,低速级针齿中心圆直径为10厘米,高速级传动比为11低速级传动比为17:低速级输出扭短为60牛懒·米。产品代号,表示双轴伸型立式摆线针轮减速器。08-10—11×17-60-11
一一精度等级,裘示高速级精度为耳级,低速级精度为I级.
现格代号,表示高速级针齿中心画真径为8厘米低速级针齿中心圆直径为!0厘米:高速级传动比为11,低速级传动比为17,低速级输出扭矩为60牛顿·米、
产品代号,表示双轴伸立式摆线针轮减速器。型号示例4:
22--43—850-1
精度等级,表示通级,
规格代号,表示针齿中心圆直径为22厘米,传动比为43,输出扭短为850牛顿·米,
产品代号,表示带电动机卧式摆线针轮减速器。2基本垂数
2.1传动比
单级摆线针轮碱速器传动比应符合表1规定:表1
双级摆线针轮减速器传动比应符含表2规定:要2
(11× 11)|(11× 17)(17×17)(17× 23)(11× 43)(17 ×35)[(17× 43)(28×2)SJ2459-84
单级藏速器输出扭矩(T。),针齿中心圆直径(D)应符合表3规定2.2wwW.bzxz.Net
T。(牛颍·米)
Dz(厄米)
8!10
2.3输入转速应符合表4 规定;
8—12
15—39
技术要求
3.1性能指标
801140270
450850156028504750
10: 12
2713338
允许输入转速(转/分钟)
3.1.1单级额定负载效率应为85%以上;双级为75%以上,3.1.2允许短时过载60%
31.3运转平稳,噪音不大于65分。3.1.4静摩擦力矩应符合表6规定:表 5
6—10
静摩掳力距(牛颜·匯米)
3.1.5使用环境温度为40~~+55℃。3.1.6润滑油温升不得超过45℃。3.2精度指标
3,2.1:摆线齿轮误差术语、定义及代号见附录A3
$2459-84
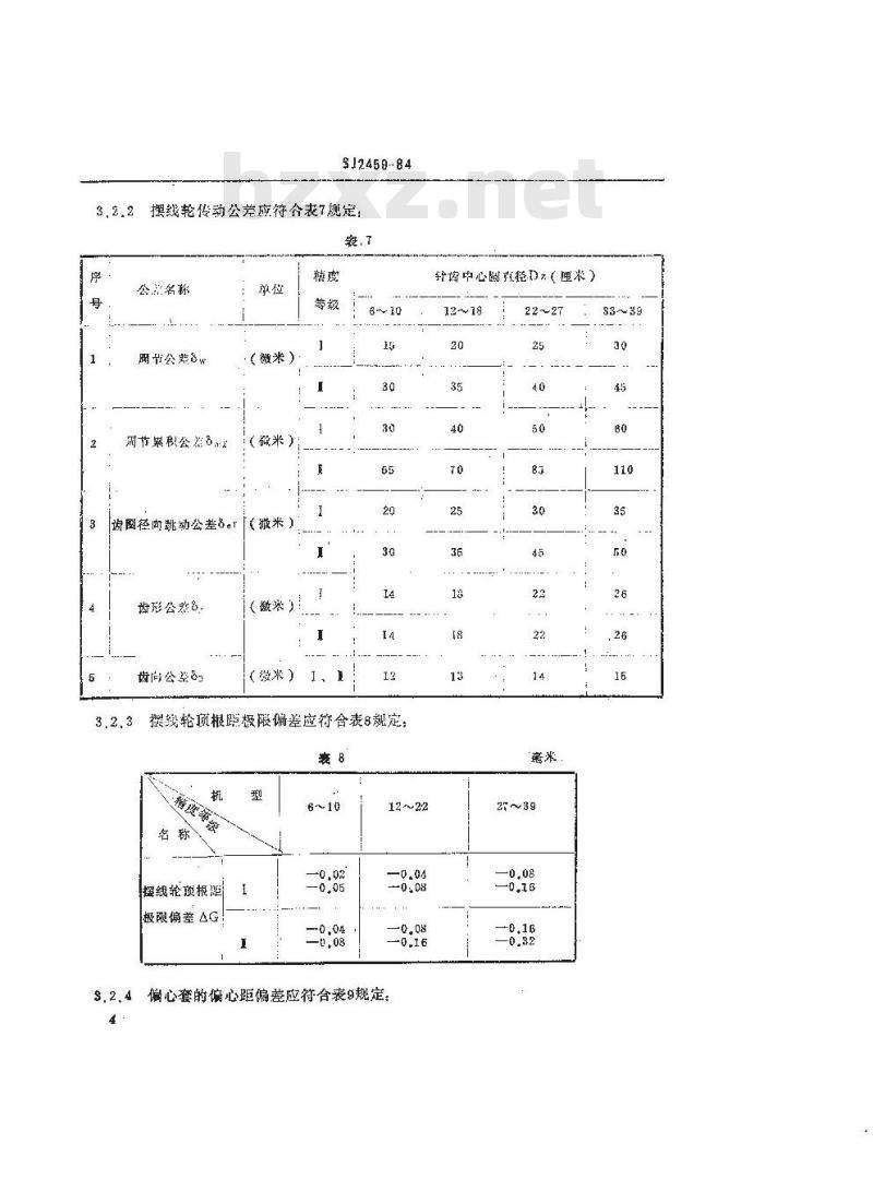
摆线轮传动公差应符合表7规定,裹.7
公名称
周书公茅心州
周节案积公8.2
(微米)
(磁米)
齿图径向跳动公差。
[(薇米】
资形公热&:
齿尚公垦8
(微米)
(微来)
摆线轮顶根照极限偏汽应衍合表8规定:轰8
摆綫轮预根理
极限偏差安
—0,05
—,08
偏心套的偏心距偏差应符合表9规定:$2.4
针均中心园有D(通装)
SJ2459-84
±0,015
摆线轮柱销孔的补偿间隙应符合表10规定:兼10
补会间际
12~22
单级理线针轮滋速器传动误差应符合表11规定表11
3.2.7单级摄线针轮减速器空程误差应符合表12规定12
27--39
4试验方法
4.1按3,1.1要求进行效率测试
$J2459-84
在额定转速下,对不同负载扭矩测出效率,每个测量点谢量三次,取乎均值绘阁,确定额定负载时的数值,符合要求。4.2按3.1.2要求进行过载试验,在过载试验前首先娶进行空载跑合。负载试验。4.2,1空载随合试验
速器连续空载跑合正、反转各--小时。(检查:4.2.1.1各联接件、紧固件均不得松动:4.2.1.2接合处不得油和接油,密封处不得漏油但允许有每小时不大于-克的渗油量:
4.2.1.,3.运转平稳,无异常响声,4.2,1,4采用油泵强制润滑的油略,应工作正常。4,2.2负载试验
空载跑合后,减速器在额定转速下,分别按额定负载的50%,100%逐步加裁,正反转各不少于二小时,以温升稳定为止。检查:1,2.2.1与空载跑合试验查项目棋同:4.2,2.2润滑油温升不得超过45℃。4,2,3过载试验
负载试验通过后,过载160%进行正、反转各三分钟。检查:1.2.3.1过载后的减速器,应正带运转:4.2.3.2被速器不应有胶合、烧伤、点蚀、断裂等坏,4.2.3.3试验后的减速器,成清洗千净,换油(脂)重新装配,并按3.1.6、3.2.6,3.27要求检套。
4,3按3.1.3要求进行赚肾测试
用精密声级计族距离碱速器半米处进行测试,4,4按3.1.4要求进行静摩擦力矩测试在输入轴上,用码加载,使输入轴开始转动时的最小力矩,即为静滕擦力辩。4,5按3.1.5要求进行环境温度测试对环境高低温测试-一般成放在控制室温中进行对大型样机,充许用局部控溫环境或控温后的保温条件下进行。要在一·40℃保湿二小时后能正常空载启动:在十55℃保条件下,以额定转速、额定负载运转,其熟平衡温度不超过100℃(温升45℃)。46按3,1.6婴求进行摘滑油温升测试将减速器放在控制溢室中,在十55℃保蕴条件下,以额定转速、额定负载运转,其热乎衡避度不过100即温升为45℃。4.7按3,2,2要求进行摆线齿轮传动误差单脚指标的测试6
4.7.1周节測
SJ2459-84
把摆线齿轮安装在光学分度头上,,期阿贝头或千分裁,在摆线齿轮的拐点附近测最,读出每一个同侧齿廓所指示的数,可算出摆线齿轮的周节。测量时,可以用肉眼估计摆线齿轮的拐点圆半径,亦可按公式精确计算(现附录B)
1、7.?周节累积误差的测量
在扭邻周差测出后,即可算出周节紧积误差。1.7,3齿顶圆范向跳动的测量
用偏摆仪进行测量,
4,7,4齿形误差的测
在万能工具显微镜上,用影象法进行线齿座标测暑。先把摆线齿轮安装在心轴上,并在万能江真显微镜上调正,然后,在摆綫齿轮齿上建立库标进行测最。1.7.5齿向误差测量
问齿形误差的测填。
4.8按3.?.3要求和GB3177-82“光滑1件尺寸的检验”国家标准规定进行捌线齿轮顺根距极限偏测量。
4.9按3.2.4要求和GB3177-82“光滑工件尺寸的检验润家标准规冠进行偏心的偏心距偏差测。
4.10按3.2.5要求和GB3177-82“光滑T.件尺寸的检验”国家标准规定进行摆线轮柱销孔的补偿闻隙测。
4,11接3.2.6要求进行传动误差测试可采用静态测最法。亦可采用动态测量法。静态测最利用常规测最仪器,如光学度、读数显微镜、白准光登、光学多面体、光学径纬仪等。测量时输入轴安装光学多面体,其转角由自准光管读出:输出辅安装经纬仪,以自准光管为瞄准线,从经纬仪上读出输出角转角。输出轴相对于输入轴的论转弟与实际转角之差值即为传动误差。动态测量采用光概式传动链论瓷仪,输入轴连接高频光抵头,输出轴连接低频光概头,其输入与输出的倍号差值,由自动记录仪记录成传动误差曲线,采样点不少于100点。其传动误差应不超过标推规庭值。
4,12按3.2,7要求避行空理误差测试采用点静态测,在输出轴固定的情况下,输入辨正、反转两个方向转的极限转角,即为空程谈差。其用光学度盘安装在输入猫,用读数显微镜读出其转角。或用光摄式传动链检查仪,翰入轴连接高光概头,输出连接低频光栅头。在光栅数字显示仪上读出二极限位經的信母效,然后,换算成空程误差转角值。测试时采样点不少手100点。测得的空误券数值,应不大于标准规定的数值。5捡验规则
SJ2459-84
5,1:所有检验均在制造厂进行。制造厂应提供检验所需的切条件。5.2订货方有权按本标准规定对产品进行验收。5.3对每批诚速器的外形、安装尺寸,密载、负载试验,效率,传动、空程误差,均进行100%检验。检验要求,方法及条件,按 4.2,1、4,2,2、3,1.1、4.1、3,2.6.5.1、3.2.7、5,2进行。
5,交收检验不合时,应退回原制造厂进行返修,返修后仍不合格,应按报废或降级使用处理。
6标志、包装、运输和保管
6.1标志
6,1.1每台减速器必须检验介格后才能出」,并附有格证和使用说明书。B,1.2台减速器应有名牌标记。名牌标记上应标明制造厂名称、产品名称,型号和出厂年、月、日,
6.2包装
减速器检验合格后,按规定加注润谢油或润滑脂。6.2.1
6.2.2减速器的伸出轴上键固率后涂黄油,并包扎防诱纸。6.2.3减速器用加的术箱包装,并附定位和固定措施。6.2.4木箱外侧应标有产品名称、、童量、放方向、防潮标记、制造厂名称和出」日期。
6.3运输
6.3.1运输过程中要小心轻放,切勿倒置。6.3.2避免外力冲击和相互碰摘。6,4保管
6.4.1减速器应在内常温条件下存放。6,4.2减速器在仓库存放期为一年,满一年后,必须逐台进行检验,必要吋,需更换保护伸出轴的黄油和箱体内的润滑油。8
S12459-84
附录A
(补荒件)
摆线齿轮误差术语、定义及代号见表A囊A
误差术语及示
商节限积误差区1动
最大负偏差
最大正的糖
理想位量
t最大正偏差一或天偏差
周节误4t
奥际节
理地周书
齿孤国径向跳动Aer
将点圆上,任两个同侧齿
面闻的实除驱长与理论驱长之
差的最大绝对值(充许在拐点
近),
在摄点离上实际周节与理
论阔节之差(允许在拐点
面附近量)。
在齿轮一鞍趋国内,测头
在齿项处,箱对于齿轮轴
心线的晕大变动量,
公鎏代号
误慈术语及图示
齿形误整J
理蛇齿胎
齿向误差
响合间腺4,
SJ2459-84
在勘高工作部分内,容纳
实除齿形的两最接近理论
齿形间的法向距离。
在拐点面柱面上全齿宽商
围内,包容实际齿向线的
两条最接近理论齿向线间
将增距商
摆线放轮与针齿在理论位
量哒合时,在针齿中心与
节点尸连线上的间腺量。
公望代号
误差术语及函示
顶根距编差
$J2459-84
倾根距的实际尺寸与理论
尺之。
公婆代专
小提示:此标准内容仅展示完整标准里的部分截取内容,若需要完整标准请到上方自行免费下载完整标准文档。