首页 > 电子行业标准(SJ) > SJ 2511-1984 紧固件 绝缘垫圈
SJ 2511-1984

基本信息

标准号: SJ 2511-1984

中文名称:紧固件 绝缘垫圈

标准类别:电子行业标准(SJ)

标准状态:现行

发布日期:1984-09-04

实施日期:1985-03-01

出版语种:简体中文

下载格式:.rar.pdf

下载大小:58454

相关标签: 紧固件 绝缘 垫圈

标准分类号

中标分类号:机械>>机械综合>>J01技术管理

关联标准

替代情况:SJ 749-1973

出版信息

页数:3页

标准价格:8.0 元

相关单位信息

标准简介

SJ 2511-1984 紧固件 绝缘垫圈 SJ2511-1984 标准下载解压密码:www.bzxz.net

标准图片预览

SJ 2511-1984 紧固件 绝缘垫圈
SJ 2511-1984 紧固件 绝缘垫圈
SJ 2511-1984 紧固件 绝缘垫圈

标准内容

中华人民共和国电子工业部部标准绝缘垫圈
SJ2511--84
代替SJ749-73
本标准规定了公称尺寸为1.4~10mm、产品等级为A级的绝缘垫圈型式、尺寸。引用标准
GB1302—77
JB2182—77
GB1303—77
3020酚醛层压纸板:
3027酚醛层压布板
3240环氧酚醛层压玻璃布板;
HG6-408-711164硫化胶板;
GB3103.3—82
紧固件公差螺栓,螺钉和螺母用垫圈;HG2-—574-74
表面F01-6醇溶酚醛烘漆处理;
GB90.1—84
GB90.2—84
紧固件验收检查;
紧固件标志与包装。
电子工业部1984-09-04发布
1985-03-01实施
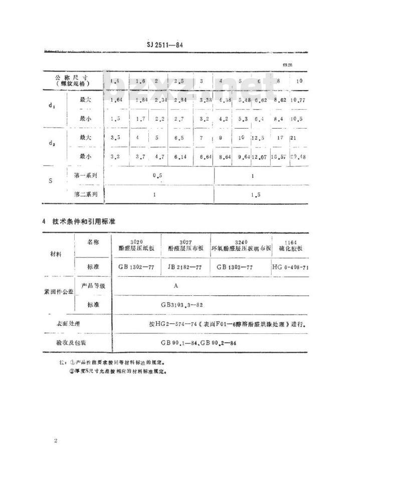
公称尺寸
(螺纹规格)
第一系列
第二系列
技术条件和引用标准
紫固件公差
产品等级
表面处理
验收及包装
SJ2511-84
酚醛层压纸板
GB1302—77
酚醛层压布板
JB2182—77Www.bzxZ.net
GB3103.3--82
9,6412.07
8.6210.77
环氧酚醛层压玻璃布板
GB1303-77
硫化胶板
HG6-408-71
按HG2—574—74《表面F01—6醇溶酚醛烘漆处理》进行。GB90.1—84.GB90.2-84
注,①产品性能要求按同等材料标准的规定。③厚度S尺寸允差按相应的材料标准规定。2
标记示例
SJ2511-84
公称尺寸10mm,厚度S为1.5mm、材料为酚醛层压布板的绝缘垫圈:10×1.5
垫圈SJ251184
附加说明:
本标准由电子工业部提出,由电子工业部标准化研究所归口。本标准由七九O厂等提出。
本标准于1955年首次发布,第一次修订于1960年,第二次修订于1973年。3
小提示:此标准内容仅展示完整标准里的部分截取内容,若需要完整标准请到上方自行免费下载完整标准文档。