首页 > 电子行业标准(SJ) > SJ 2739-1986 微型控制电机用齿轮减速器通用技术条件
SJ 2739-1986

基本信息

标准号: SJ 2739-1986

中文名称:微型控制电机用齿轮减速器通用技术条件

标准类别:电子行业标准(SJ)

标准状态:现行

发布日期:1986-12-20

实施日期:1987-10-01

出版语种:简体中文

下载格式:.rar.pdf

下载大小:562034

相关标签: 微型 控制 电机 齿轮 减速器 通用 技术

标准分类号

标准ICS号:机械系统和通用件>>轴和联轴器>>21.120.01轴和联轴器综合

中标分类号:机械>>机械综合>>J01技术管理

关联标准

出版信息

出版社:电子工业出版社

页数:13页

标准价格:18.0 元

出版日期:1987-09-01

相关单位信息

起草人:吴启伦、田澄中、蒋品佐、林潮泳等

起草单位:八八三厂、电子部二十一所、四所、上海交通大学

发布部门:中华人民共和国电子工业部

标准简介

本标准适用于结构公称尺寸不大于72mm微型控制电机用的圆柱齿轮定轴轮系和行星轮系减速器。 SJ 2739-1986 微型控制电机用齿轮减速器通用技术条件 SJ2739-1986 标准下载解压密码:www.bzxz.net

标准图片预览

SJ 2739-1986 微型控制电机用齿轮减速器通用技术条件
SJ 2739-1986 微型控制电机用齿轮减速器通用技术条件
SJ 2739-1986 微型控制电机用齿轮减速器通用技术条件
SJ 2739-1986 微型控制电机用齿轮减速器通用技术条件
SJ 2739-1986 微型控制电机用齿轮减速器通用技术条件

标准内容

中华人民共和国电子工业部部标准SJ2739-86
微型控制电机用齿轮减速器通用技术条件1986-12-20发布
1987-10-01实施
中华人民共和国电子工业部批准中华人民共和国电子工业部部标准微型控制电机用轮减速器通用技术条件SJ2739-86
本标准道用于结构公称尺寸不大丁72加切微型控制电机用的圆柱齿轮定轴轮系和行屋轮系减速器(以下简称减速器)。本标灌引用下列标推
GB7346-87
GB7345-87
GB2363-80
《微型控电机基本外形结构型式》《微型控制电机基本技术要求》《小模数渐开线圆柱齿轮精度制》GB2423.5-81(电工电子产品基本环境试验规程冲击试验方法》GB2423.10-81《电工电子产品基本环境试验规程振动(正弦)试验方法》GB2423·15-81《电工电子产品基本环境试验规程恒加速度试验方法》GB2423·22-81《电工电子产品基本环境试验规程温度变化试验方法Na》GB2806-81
GB2826-81bZxz.net
GB191-85
S12738-86
-1型号命名
11型号
《电机噪声测定方法》
“逐批检查计抽样程序及抽样表包装、储运指示标志》
《微型控制电机用齿轮减速器基本参数》微型控制电机用齿轮减速器型号1
电子工业部1986~12-20发布
由下列部份组成
结构特年代号
越速比
诚速器名称代号
结构公称尼寸
1387-10-01实施
1,2结构公称尺寸
SJ2739-86
减速器结构公称尺寸应符合SJ2738-86《微型控制电机用齿轮减速器基本参数》中的规定。
1.3诚速器名称代梦
减速器名称代号:由二个大汉语排音字母组成,第一个学每代丧减邀器的用逾分类(见表1):第二个字母代表减速器传动类型(见表2)1
用选分类
表求学
传动类塑
表示代号
1.4滋速比
普遮级
瓣密级
泛轴轮系传动
减速器的速比出阿拉伯数字表示。1.5结构特征代号
高精密缀
行轮系转动
戏速器的结构特征代号由陶拉伯数字和大写汉语拼音字母组成,应符合SJ2738-BB《微型控制电机用齿轮减速器基本参数》功规定。第一个网拉伯数字代表减速器结构型式(见表3),第二个大写汉语矫音字母代表减速器伸型(见表4),右下角流阿拉伯字装示偏心值,右下角末注网拉伯字表示偏心值为,表3
结构型式
表东代号
辑型式
表示代号
1.6型号示例
北轨御
单科软假
螺饺销钉孔批
键轭蚀
例135MD280-1G表示结构公称尺寸为39的精密级定辑轮系减速器,减速比为280,结2
SJ2739-86
构型式为1型,轴伸型式为光轴伸,无偏心输出。例228PD80-2B,表示结构公称尺寸为28的普通级定轴轮系减速器,速比为80,结构型式为2型,轭伸型式为单乎输伸,偏心输出,其偏心值为3,5m扭。例345M×140-4X表示结构公称尺寸为45的密级行垦轮系减速器,减速比为140,结构型式为4型,轴伸型式为螺纹销钉孔轴伸,无偏心输出。例445GD280-3J表示结构公称尺寸为45的高精密级定轴轮系诚速器,减速比为280,结构型式为3型,轴伸型式为键槽轴伸,无偏心轭出。2使用环境条件
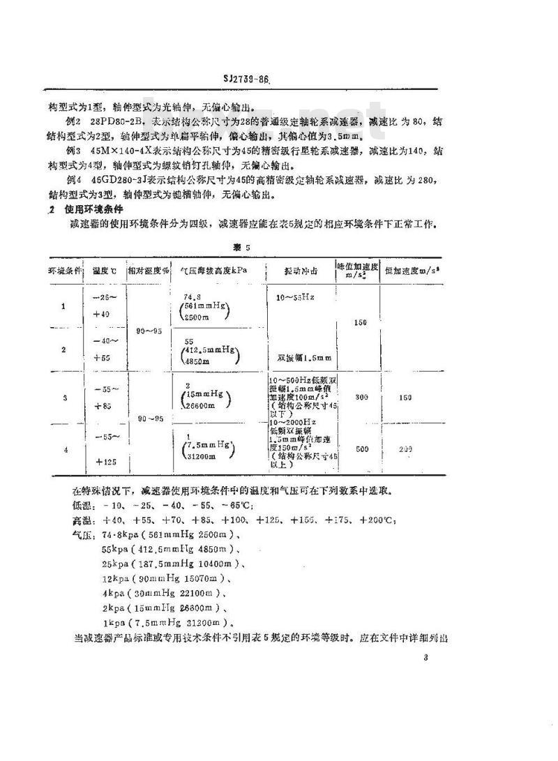
减速器的使用环境条件分为四级,减速器应能在表5规定的相应环境条件下正常工作。表5
环境条件
温度℃
相对湿度器
t压海拨高度kPa
1561mmHg
(2500m
412.5mmHg)
(4850m
(ismmHg)
126600m
(31200m
振动冲击
10~5:Hz
双频橘1,5可m
晓值加速度
~500Ha低频双
握1.5mm峰篇
送度100m/5
(站构公称尺寸15
环频效琢瓣
5m扭蜂鸡
(结构公称尺宁45
恒加速度m/s*
在特殊情说下,减速器使用环境条件中的温度和气压可在下刻数系中选取。低温: 10、-25、-40、-55、65℃:高溢:+40、+55、+70、+85、+100、+125、+155、+175、+200℃,气压:74·8kpa(561mmHg2500m)55kpa(412.5mmlg 4850m)
25kpa(187,5mmHg 10400m)
12kpa(90mmHg 15070m)
4kpa(30mlmHig 22100m),
2kpa(15mmHg 26800m)
1kpa(7,5mmHg 31200m)。
当减速器产品标准或专用技术条件不引用表5规定的环境等级时。应在文件中详细列出3
环境条件的各种参数、
3技术要求
3.1减速器晕件材料
SJ2738-86
减速器选用的零件材料应与工作条件及工作环境相适应,应符含产品标准或专用技术条件中的规定。
3.2减速器的外观和外形
3.2.1外观应乎整光滑、无划痕、压伤、变形、锈蚀现象,涂复层不得脱落。3.2.2名牌粘接牢,字迹和内容应清楚无误。3.2.3紧圖件连接应牢固,无松动现象。减速器结构公称尺寸应符合SJ2738-86《微型控制电机用齿轮减速器基本参数》3.2.4
中规定。
3.3传动齿轮精度
减速器传动齿轮的精度符合GB2363-80《小模数渐开线厕柱齿轮精度制》普通级应不低于8级。
精密级应不低手7级。
高精密级应不低丁6级,
3.4减速比
诚速器的减速比应符应SJ2738-86微型控制电机用齿轮减速器基本参数中的现定3.5传动效率
减速器的传动效率应符合SJ2738-86《微型控制电机用齿轮减速器基本参数》中的规。
3.6运转及润游
减速器应运转平稳、灵活,润滑应符合产品标推或专用技术条件中的规定。3.7输出轴度
诚速器翰出轴硬度应为:HRC20~323.8输出轴的要求
减速器输出轴的要求应符合表6中的规定。表 6
普级(不人)
精密级(不大丁)
窝密級(不大丁)
径向國既动
轴向闻
径尚间
3.9旋转方向
SJ2739-86
减速器输出轴的旋转方向应符合产品标准或专用技术条件中规定。3.10减速器的噪声
诚速器的躁产应符含产品探准或专用技术条件中的规定.3.11减速器输出轴的空程应符合表7中的规定。表了
空程(不夫于)
3.12减速器输出轴的许用转矩
普通级
猜密级
商精密级
减速器的输出轴的许用转矩,分长期:作许用转矩利短时超载诈用转矩应符合SI2738-86《微型控制电机用齿轮减速器基本参数》中的规定3.13寿命
全郝装置滚动轴承的减速器寿命应不低于1000小时。部分装或不装置滚动轴承的减速器寿命应不低于500小时。3.14重量
诚速器的重量应符合产品标准或专用技术条件中的规定。海试验方法
4.1试验的气候条件
4.1.1正常的试验大气条件
所有试验若无其它规定,均应在下列大气条件下进行:环境温度:15~35℃;
相对湿度:45%~75%:
大气压力:86.7~106.7ka(650~800mmHg)4.1.2仲裁试验的大气条件
当因大气条件对试验结果有争议时,则以于述条件的试验结果作为裁定产品的依据环境温度:20±1%:
相对湿度:63%~67%;
大气压力,86.7~106.7kpa(650~800mmHg)。4,1.3基准的标准大气条件
作为计算依据的蒸推条件如下,环境温度:20℃t
相对凝度:65%;
火气:101.3kpa(780mmHg)。
4.2减速器零件材料的检查
112739-86
用化学分析的方法查零件材料应符合3.1条的规定。4,3 臧速器外观和外形的捡查
4.3.1目测减速器表面应符合3.2.1,3.2.2款中的规定。4.3.2用旋紧工具检查紧固件应符合3.2.3献中的规定。4.3.3用长度测量器其检查速器结构公称尺寸,应符合3.2.4款中的规定。4,4传动齿轮精度的检查
齿轮加工后用租应的检查仪器和方法检查齿轮精度应符合3,3条的规定。4.5减速比的检查
用能够间时测出减速器输入轴转数,和输出轨转数马,的方法来检套减速比:应符会3.条的规定。
其诚比i按下式计算:
4.6 传动效率的检查
用转矩测定装置测出减速器转矩T1、T,再计算传动效率应符合3.5条的规定。T2--x100%
n-—传动效率
1,-——-辅入轴转矩
T2——输出轴转矩
i-—减速比
4.7运转及润滑的检查
减速器与动力源连接并运转,测试转速、电流、电压应符合产品标准或专用技术条件的规定。
根据产品标准或专用技术条件所规定的用于减速器的润滑油和润滑脂应具有可靠的质量保证书。
4.8輪出轴硬度的检查
热处理后用硬度计检查硬度应符合3.7条的规定4.9输出轴的检查
输出轴径向圆跳动的检在:将碱速器与微型控电机连接,水平安装于试验支架上,并运转,用千分表触头在距轴端2~3m11处,测出该处径向圆跳动,其值应符合3-8条的规定。输出轴轭的闻隙的检查:将减速器水平紧国于支架上,把千分表触头水乎地置放于输出拍端面(平行于轴心线),并在诚速器轴伸端施灿一个按产品标准或专用技术条件规定的轴向力,记下千分表读数,在想反方而上施加一个间样大小的轴向力,再记下于分表读数,两次读数之差即为轴向间鼠,其慎应符合3.8条的规定。输出轴径而闻隙的检查:将减速器水乎紧固于支架上,把千分表触头放在轴上并尽董靠近6
SJ2739-86
轴承位置,垂直施加一个按产品标准或专用技术条件规定的力,首先前一个方问,然后是柑疫方向,千分表两次读数之差即为输出的径向间隙,其值应符合3.8条的规定。4.10旋转方向的检查
目测减速器输出轴旋转方向应符合3.9条的规定。4.11减速器噪声的检弯
按GB2806-81《电机骤声测定方法》测定减速器的A计权声功率级。在半消声或其它行合要求的测试场所内测试。测点配置按GB2806-81第61条,测量表面采用半球面。测量半轻o.4m。
测试时电机及减速器在额定的条件下空载运转,再分别测出电机与减速器一起运转的A计权总声功率级及电机单独运转的A计权声坊率级。其减速器的A计权声功率级用下式计算。IwzLwT+10 1g[1-10-0*1(L#T-Iwo)式中:Lz—一减速器的A计权声功率级dB(基准值:1PM),LwT一一电机与减速器一起运转的A计权声功率级dB(基准值:1PM):pMLwo-—一电机单独运转的A计权声功率级dB(基准值:1PM)。4.12减速器输出轴空程的检查
按空程测试装置的安装要求,将减速器与微型控制电机连接成一体装于该装暨上,以该装置所规定的操作方法进行空差测试,测试值应符合3.11条的规定。4.13减速器输出轴许用转矩的检查将溅速器与徽型控制电机或其它动力源连接后,在空载状态下以工作方珂运转1小时后试下列参数:
长期工作许用转短检查,将减速器水平安装于转矩測试仪或转矩测试装置上,按3.12条的规定,在碱速器输出轴上载荷,减速器应能正常工作。短时超载许用转矩检查,在长期工作许用转矩检查之后,立即按3.12条的规定加载,运转5秒减速器应能正常工作,
4.14寿命试验
减速器寿命按表8顺序进行试验,其结果应符合产品标准或专用技术条件的规定。4.15重量的检查
用适当的衡器秤量减速器重量:应符合3,14条的规定。4.16低温试验
减速器与微型控制电机连接,安装在试验支架上,不工作放暨于低温试验室(箱)中,温度逐渐降至产品标准或专用技术条件规定的低温极限值,温差土2℃,并保温2小时,然后按减速器产品标谁或专用技术条件规定进行测试,并符合要求。4.17高温试验
减速器与微型控制电机连按,安装在试验支架上,不工作放置于高温试验室(箱)中,温度逐渐升高至产品标推或专用技术条件规定的高温极限值,温差土2℃,并保溢2小时,然后按减速器产品标准或专用技术条件规定迹行测试,并符合要求。7
安装位叠
轴神水
轨伸垂真上
轨伸45℃上
轴悔45℃向下
轨垂直间下
辑钾水平
神水平
温度?
SJ273-86
时简1
112±1
412±2
长期工作许印转矩百分时间
注①L是出产品标雅或专用投条件规定的环境溉度极限佩湿。②H是内产菌标准或专用技术存规定的环就温度圾限商温。4.18蕴度变化试验
长期工作许用转矩百
分数mN·m究
824±2
本试验适用于表6巾的3级、4级环境条件及产品标准或专用技术条件有奠求的减连器按表9选取规定的试验条件,试验方法按GB2423.22~81《电工子产品基本环境试验规程温度变化试验方法Na》进行。试验时减速器与微型控制准机连接,安接在试酸支架上不工作,试验结束后恢复到稳定温度,按产品标谁或专用技术条仆的规定进行试并应符合要求
试条件
4.19振动试验
溢度镀值
将减速器与微型控制电机连接成:体,安装在试验支架上,根据产品标推或专用技术条件的规定,选表10中规定的振动美型及试验条件,按GB2423.10-81《电工电子产品基本环境试验规程振动试验方法》进行试验,试验时减速器空载运转:并在试验中及试验统束后按产品标准或专用技术条件规定进行测试,应符合要求。8
振动类型
低频动
商额振动
试验条件
.20神击(规定脉神)试验
SJ2739-86
颜率范围H2
10-500
10~2000
振幅mm
加速度/S!
将减速器与微型控制电机连接成一体,安装在试验支架上,根产品标推或专用技术条件的规定,选取表11中规定的试验条件,按GB2423.5-81电汇电子产品基本环境试验规程冲击试验方法》进行试验,试验时减速器空载运转,并在试验中及试验结束后按产品标谁或专用技术条件规定进行测试应符合要求。11
试验条件
峰值加速度m/S1
4.21恒加速度试验
脉种持续时间ms
半正离波相应的速度变化量m/S
本试验适用于表5中的3级,4缓环境条件及产品标准或专用技术条件有要求的减速器,恒加速度等级从下列数值中选取,150、200m/S2。试验方法按GB2423.15-81《电工电子产品基本环境试验规恒加速度试验方法》进行试验,试验时减速器空裁运转,在试验中及试验绍束后按产品标准或专用技术条件规定进行测试:成合要求。东验收规则
5.1试验分类
试验分为四种:
检查试验
验收试验
鉴定试验
周期试验
5.2检查试验项目及规卿
检查试验项自包括4,2,4.3,4.4,4.5,4.7,4.9,4.10,4.13,藏速講全部检查项目合格后,方能作为合格入库。
5.3验收试验项目及规购
SJ3739-86
验收试验项目包括4.3,4.5,4.7,4.8,4.9,4.10,4,13。验收时按GB2828-81逐批检查计数抽样程序及抽样表》规定的一般检查水平Ⅱ,合格质水平(AQL)为2.5,一款正常枪查抽样方案进行。
若验收试验合格,则除抽验中不合格减速器之外,使用方应整批接收。5.4鉴定试验项目及规则
鉴定试验应在质量认证机构批准的试验室内进行。百,4,1鉴定试验应在下列情况下实施新产品定型
定型的产品,其机械设计或制造工艺和所崩材料的变更足以影产品性能和参数。5.4.2样机
鉴定试验样机应成能代表相应各个断段的产品中抽取六台:其中四台作为试验样机,台作为存放对比样机。
5.4,3鉴定试验结果的评定
只要有一台碱速器任一项不合格,则定试验不合格。当鉴定部门确认减速器某一不合格项目璃于孤立性质,允许用新的同等数量的减速器代替,薪减迷器补作已经做过的项目,然后继续试验并应通过。第二次出现不合格则拒绝鉴定审批。
5.4.4鉴定试验项目和基本顺序
客种减速器的鉴定试验项日,基本顺序及样机编号原则上按表12规定进行。拟定产品标准或专用技术条件时允许增减项目。表 12 鉴定试验和关期试验
检查试验项目
传动效率
输出轴碰度
鉴定试验
1, 2. 3, 4
1, 2, 3, 4
1. 2. , 4
周期斌验
1, 2, 3. 4
1, 2, 3,4
1, 2, 3.4
恒速度
温度变化
5.5周期试验项有及规则
SJ2739-86
鉴定试验
1, 2, 3, 4
1, 2, 8, 1
1,2,3,4
周期试验出制造单位确定进行,试验按表12规定。机
续表12
因期试验
1. 2, 3,4
1. 2. 3, 4
1 2, 3, 4
样机的抽圾和试验结果的评定同5.1.2,5.4.3,5.4.4,若调期试验不合格,则应停止生产,在明原因,采敢施后重新提交周期试验。6质量保证期
减速器质量保证期系制遭厂对产品正常库存和使用,向用户承担的费任期限。质最保证期为产品从出」之月算起的存放期(包括运输期)与保用期之和,保用期从减速器包装启封开始计算。
存放期分半年,一年和三年,秘据包装方式不同,出制造厂确定。保用期应符合产品标谁或专用技术条件规定,在正确存放和使月减速器的情况下,制造单位应保证减速器在保用期内正常工作,如在保用期内因制造质微不良而发生损坏,或不能正常工作,则制造单拉应负责任,7包装,运输和贮存
7.1包装
减速器包装前紧固件应有点封,轴及安装止口熙合表面要进行防锈处理,并应有防尘防潮措施。
小提示:此标准内容仅展示完整标准里的部分截取内容,若需要完整标准请到上方自行免费下载完整标准文档。