首页 > 电子行业标准(SJ) > SJ 2877-1988 电视接收机用偏转磁芯空白详细规范 评定水平A
SJ 2877-1988

基本信息

标准号: SJ 2877-1988

中文名称:电视接收机用偏转磁芯空白详细规范 评定水平A

标准类别:电子行业标准(SJ)

标准状态:现行

发布日期:1988-03-04

实施日期:1988-10-01

出版语种:简体中文

下载格式:.rar.pdf

下载大小:145890

相关标签: 电视 接收机 磁芯 空白 详细 规范 评定 水平

标准分类号

中标分类号:机械>>机械综合>>J01技术管理

关联标准

采标情况:苏联PQC54-85 MOD

出版信息

页数:5页

标准价格:8.0 元

出版日期:1988-09-01

相关单位信息

提出单位:中华人民共和国电子工业部

发布部门:中华人民共和国电子工业部

标准简介

本空白详细规范是依据SJ2876-88《电视接收机用偏转磁芯 分规范》编制。本规范规定了起草详细规范的要求,这些规定应作为最低的强制性要求列入详细的规范中。编制详细规范时,应考虑分规范第五章的内容。 SJ 2877-1988 电视接收机用偏转磁芯空白详细规范 评定水平A SJ2877-1988 标准下载解压密码:www.bzxz.net

标准图片预览

SJ 2877-1988 电视接收机用偏转磁芯空白详细规范 评定水平A
SJ 2877-1988 电视接收机用偏转磁芯空白详细规范 评定水平A
SJ 2877-1988 电视接收机用偏转磁芯空白详细规范 评定水平A
SJ 2877-1988 电视接收机用偏转磁芯空白详细规范 评定水平A
SJ 2877-1988 电视接收机用偏转磁芯空白详细规范 评定水平A

标准内容

1范围
中华人民共和国电子工业部部标准电视机接收机用偏转磁芯
空白详细规范
评定水平A
(可供认证用)
SJ2877--88
本空白详细规范是依据SJ2876一88《电视接收机用偏转磁芯分规范》编制。本规范规定了起草详细规范的要求,这些规定应作为最低的强制性要求列入详细规范中编制详细规范时,应考虑分规范第五章的内容。2详细规范
按分规范和本规范规定的规则填完列在后面的空白详细规范时,就形成了有关的详细规范。
3详细规范首页表格编排的说明
首页(见表1)括号内的序号对应于下列内容,这些内容应填入指定的位置。详细规范的识别
【1】受权发布详细规范的机构名称:【2】详细规范号、年代号和按国家标准体制要求的其他资料;【3】总规范号及其年代号;
【4】引用的空白详细规范号;
磁芯的识别
【5】磁芯型式简述:
【6】磁芯材料类别简述,即磁芯材料有关的电磁特性【7】外形图和尺寸,用mm为单位表示,并表明主要尺寸。当这些尺寸符合已出版的某个标准时,应加以说明:【8]应用或应用类别以及质量评定水平的说明【9】为了对预定用于相同或类似用途的各种型式元件进行比较,要给出磁芯重最要性能参数的内容。这些内容包括,但不限于:电磁参数:
4标志
工作条件:
中华人民共和国电子工业部1988-03-04批准贮存条件,
1988-10-01实施
SJ2877-88
偏转磁芯和包装件的标志应按SJ2876—88分规范第5,4条的要求在详细规范中规定其详尽内容。
5订货单内容
订购本规范规定的偏转磁芯应以明的方式列出下列内容:磁芯规格:
材料的类别;
详细规范号及其年代号:
订购数量:
生产厂用来识别产品所需的其它内容。6有关文件
GB9623(IEC7231):通信用电感器和变压器磁芯第一部分:总规范SJ2876电视接收机用偏转磁芯分规范,放行批证明记录
需要或不需要,
8补充资料(不用于检验)
若需要,例如针对应用,生产厂可给出图表曲线、典型特性、磁芯材料的物理性能及其机械、电气性能数据等补充资料9检验要求
质量一致性检验见表2.
磁芯的质量按……进行评定
外形图
引用的标准号
电视接收机用偏转磁芯
电磁多数:μapp=
极限条件(不用于检验)
工作条件:最高温度:
贮存条件,温度范围,一
相对湿度,≤
SJ2877-88
详细规范首页的格式
评定水平A
按本详细规范鉴定合格的磁芯的有效资料见有关合格产品一览表【8]
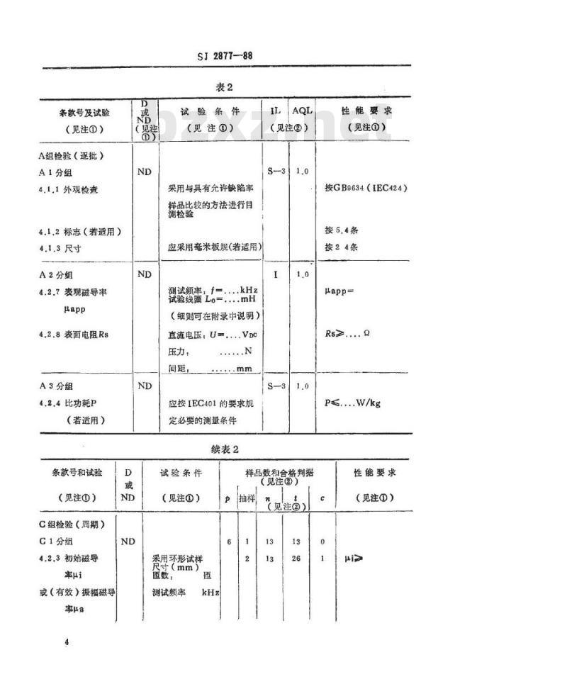
条款号及试验
(见注①)
A组检验(逐批)
A1分组
4,1,1外观检查
4.1.2标志(若适用)
4.1.3尺寸
A2分组
4.2.7表观磁导率
4.2.8表面电阻Rs
A3分组
4.2.4比功耗P
(若适用)
条款号和试验
(见注)
C组检验(周期)
C1分组
4.2.3初始磁导
或(有效)振幅磁导
SJ2877-88
试验条件
(见注①)
采用与具有允许缺陷率
样品比较的方法进行目
测检验
应采用毫米板规(若适用)
测试频率,f....kHz
试验线圈Lo-
(细则可在附录中说明)
直流电压U=....VDc
压力:
间距:
应按IEC401的要求规
定必要的测量条件
续表2
试验条件
(见注①)
采用环形试样
尺寸(mm)
函数:
测试频率
(见注?)
样品数和合格判据
(见注②)
(见注?)
性能要求
(见注①)
按GB9634(IEC424)
按5.4条
按24条
Rs≥....2
P≤....W/kg
性能要求
(见注①)
条款号和试验
(见注①)
4.2.5矫顽力HcB
4.2.6居里温度Tc
C2分组
4.3.1抗压强度W
4.3.2跌落
C3分组
4.4.2干热
4.4.3低温
4.4.4温度变化
4.4.5稳态湿热
SJ2877-88
续表2
试验条件
(见注①)
见SJ/Z9072.3
(IEC401)规定
同试验条件
下落高度:...cm
自由下落次数:下载标准就来标准下载网
暴露时间..h
恢复时间
暴露时间...h
恢复时间
CA-...℃
暴露时间
恢复时间
暴露时间
恢复时间
样品数和合格判据
(见注)
(见注?)
性能要求
(见注④)
Hca<.....A/m
Tc≥.....C
不得产生掉块或裂
uapp的变化率士%
无明显损伤
注:①试验和性能要求条款号系指SJ2876《电视接收机用偏转磁芯分规范》。②表中:
p周期试验的间满(月)
n=试样数,
t=总试样数:
C=合格判据(允许的不合格品数):D=破坏性试验;
ND=非破坏性试验:
IL一检查水平:
AQL=合格质量水平。
小提示:此标准内容仅展示完整标准里的部分截取内容,若需要完整标准请到上方自行免费下载完整标准文档。