首页 > 电子行业标准(SJ) > SJ 2880-1988 彩色电视接收机用色纯静会聚磁体组合件空白详细规范 评定水平A
SJ 2880-1988

基本信息

标准号: SJ 2880-1988

中文名称:彩色电视接收机用色纯静会聚磁体组合件空白详细规范 评定水平A

标准类别:电子行业标准(SJ)

标准状态:现行

发布日期:1988-03-04

实施日期:1988-10-01

出版语种:简体中文

下载格式:.rar.pdf

下载大小:142610

相关标签: 彩色电视 接收机 磁体 组合 空白 详细 规范 评定 水平

标准分类号

中标分类号:电工>>电工综合>>K01技术管理

关联标准

采标情况:IECPQC38(苏联) NEQ

出版信息

页数:5页

标准价格:8.0 元

出版日期:1988-09-01

相关单位信息

发布部门:中华人民共和国电子工业部

标准简介

本空白详细规范是依据SJ 2879-88《彩色电视接收机用色纯静会聚磁体组合件总规范》编制的。本规范规定了起草详细规范的要求,这些规定应作为最低的强制性要求列入详细规范中。编制详细规范时,应考虑总规范第五章的内容。 SJ 2880-1988 彩色电视接收机用色纯静会聚磁体组合件空白详细规范 评定水平A SJ2880-1988 标准下载解压密码:www.bzxz.net

标准图片预览

SJ 2880-1988 彩色电视接收机用色纯静会聚磁体组合件空白详细规范 评定水平A
SJ 2880-1988 彩色电视接收机用色纯静会聚磁体组合件空白详细规范 评定水平A
SJ 2880-1988 彩色电视接收机用色纯静会聚磁体组合件空白详细规范 评定水平A
SJ 2880-1988 彩色电视接收机用色纯静会聚磁体组合件空白详细规范 评定水平A
SJ 2880-1988 彩色电视接收机用色纯静会聚磁体组合件空白详细规范 评定水平A

标准内容

中华人民共和国电子工业部部标准SJ2880--88
彩色电视接收机用色纯静会聚磁体组合件空白详细规范
评定水平A
1范围
本空白详细规范是依据S」287988《彩色电视接收机用色纯静会磁体组合件总规范》编制的,本规范规定了起草详细规范的要求,这些规定应作为最低的强制性要求列入详细规范中。编制详细规范时,应考虑总规范第五章的内容2详细规范
按总规范和本规范规定的规则填完列在后面的空自详细规范时,就形成了有关的详细规范。
3详细规范前页表格编排的说明(见表1)括号内的序号对应于下列内容,这些内容应填入指定的位置。详细规范的识别
【1]受权发布该详细规范的机构名称:【2】详细规范号、年代号以及按国家标准体制要求的其它资料:【3】总规范号及其年代号:
【4】空白详细规范号及其年代号。色纯静会聚磁体组合件的识别
【5】色纯静会聚磁体组合件型式简述:【6】类别的简要说明;
【?】标有主要尺寸的外形图,这个图形也可以在详细规范的附录中给出;【8】应用范围以及质量评定水平的说明:【9】最重要的特性参考数据,以便在各种不同型号的色纯静会聚磁体组合件之间比较
4.1色纯静会磁体组合件标志
色纯静会聚磁体组合件上应标志下列内容:中华人民共和瑞电子工业部1988-03-04批准1
1988-10-01实旅
产品型号规格:
生产厂的商标。
4.2包装件标志
SJ2880-88
色纯静会聚磁体组合件上应标志下列内容,a.
产品型号规格:
产品名称;
详细规范号及其年代号:
制造厂名称和商标;
检验批号:
产品数量:
生产日期(年份和月份);
监督检查机构名称:
文货单内容
订购本规范规定的色纯静会聚磁体组合件应以明腺的方式列出下列内容:a.产品型号规格:
b.产品名称;
详细规范号及其版本:
订购数量:
生产厂用来识别产品所需的其它内容,e.
。有关文件
SJ2879-88:彩色电视接收机用色纯静会案磁体组合件总规范放行批证明记录
需要或不需要,
B补充资料(不用于检验)
若需要,例如针对应用,生产厂可给出产品成原材料的物理、机械和电气性能数据等补充资料。
检验要求
质量致性检验见表2,
色纯静会案磁体组合件的质量按总规范SJ2879--88评定
色纯静会聚磁体组合件
外形图尺寸(mm)
SJ2880-88
表1详细规范首页
用于彩色电视接收机的色纯静会聚系统电子束调整量(单位:rnm,
磁场最大时
中心束
评定水平A
磁场最小时
中心束
按本详细规范鉴定含格的色纯静会聚磁体组合件的有效数据见有关合格产品一览表3
条款号和试验项目
A组检验(逐批检验)
A1分组
4.3外观质量
4.2结和尺寸
A2分组
44电子束调整量
条款号和试验项目
C组检验(周期检验)
C1分组
4.5高温去磁特性
4.6低温去磁特性
C2分组
4.12自由跌落
4.13装配强度
4.14振动
SI2880--88
表2质量一致性检验一览表
试验条件
采用与外观极限样品比
较方法自测检查
用精度不低于
0.05mm的量具
续表2
试验条件
100℃热水漫30min
恢复2小时
一40℃保持30min
恢复2h
从30cm高度跌落到木
板上三次
重力计测其轴向支承力
转矩表测其旋转转矩
定频:20Hz
振幅:2mm
持续时间:三方向各2h
样品数和合格判据
性能要求
性能要求
无变形、裂纹和损
轴向支承力≥98N
薄转转矩
无变形、松动和损
条款号和试验项目
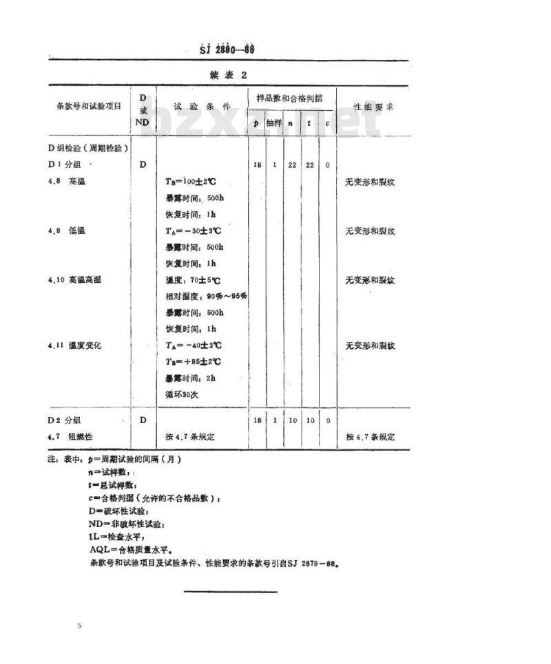
D组检验(周期检验)
D1分组
4.8高温
4.9低温
4.10高温高湿
4.1温度变化
D2分组免费标准bzxz.net
4.7阻燃性
sT2880-88
续表2
试验条件
样品数和合格判据
TB=100±2℃
暴露时间:.500h
恢复时间:1h
TA=-30±3℃
暴露时间:500h
恢复时间,1h
温度:70±5℃
相对湿度:90%~95%
暴露时间:500h
恢复时间:1h
TA—40±3℃
TB=+85±2℃
暑露时间:2h
循环30次
按4.7条规定
注,表中,力一周期试验的间隔(月)n=试样数,
t一总试样数,
C合格判据(允许的不合格品数)D=破坏性试验;
ND=非破坏性试验;
IL=检查水平,
AQL=合格质量水平。
条款号和试验项目及试验条件、性能要求的条款号引自SJ2879-88。5
性能要求
无变形和裂纹
无变形和裂纹
无变形和裂纹
无变形和裂纹
按4.7条规定
小提示:此标准内容仅展示完整标准里的部分截取内容,若需要完整标准请到上方自行免费下载完整标准文档。