首页 > 煤炭行业标准(MT) > MT 400-1995 煤矿用带式输送机滚筒尺寸系列
MT 400-1995

基本信息

标准号: MT 400-1995

中文名称:煤矿用带式输送机滚筒尺寸系列

标准类别:煤炭行业标准(MT)

标准状态:现行

发布日期:1995-08-22

实施日期:1995-11-01

出版语种:简体中文

下载格式:.rar.pdf

下载大小:42793

相关标签: 煤矿 带式 输送机 滚筒 尺寸

标准分类号

中标分类号:矿业>>矿山机械设备>>D93提升、贮运设备

关联标准

采标情况:ISO 1536-75 NEQ ISO 3684-76

出版信息

出版社:中国煤炭工业出版社

页数:2页

标准价格:8.0 元

出版日期:1995-11-01

相关单位信息

起草人:华英芬

起草单位:煤炭科学研究总院上海分院

归口单位:煤矿专用设备标准化技术委员会带式输送机分会

提出单位:煤炭工业部煤矿专用设备标准化技术委员会

发布部门:中华人民共和国煤炭工业部

标准简介

本标准规定了煤矿用带式输送机的传动滚筒、改向滚筒的直径与长度。本标准主要适用于煤矿用带式输送机的滚筒,也适用于选煤等作业场所用带式输送机滚筒。 MT 400-1995 煤矿用带式输送机滚筒尺寸系列 MT400-1995 标准下载解压密码:www.bzxz.net

标准图片预览

MT 400-1995 煤矿用带式输送机滚筒尺寸系列
MT 400-1995 煤矿用带式输送机滚筒尺寸系列

标准内容

中华人民共和国煤炭行业标准
煤矿用带式输送机滚筒尺寸系列本标准参照采用国际标准ISO1536-—1975《槽形胶带输送机此内容来自标准下载网
送机的最小滚简直径的确定》。1主题内容与适用范围
MT 400-1995
滚筒》、ISO3684—1976《带式输本标准规定了煤矿用带式输送机的传动滚简、改向滚简的直径与长度。本标准主要适用于煤矿用带式输送机的滚简,也适用于选煤等作业场所用带式输送机滚筒。2 引用标准
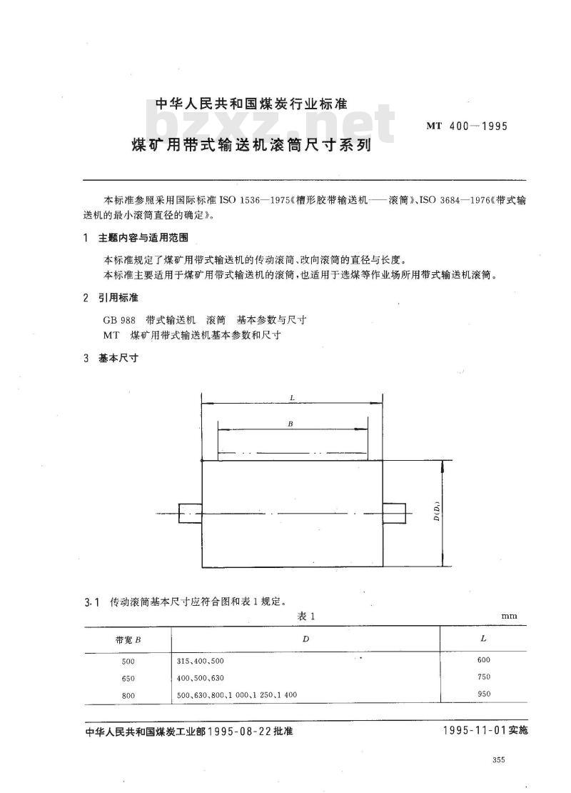
GB988带式输送机、滚筒基本参数与尺寸MT煤矿用带式输送机基本参数和尺寸3基本尺寸
3.1传动滚筒基本尺寸应符合图和表1规定。表1
带宽B
315、400、500
400、500、630
500、630、800、1000、1250、1400中华人民共和国煤炭工业部1995-08-22批准D
1995-11-01实施
带宽B
MT 400--1995
续表1
630、800、1000、1250、1400
630、800、1000.1250.1 400、1 600、1 800、2 000800、1000、1250、1400、1600、1800、20001 000、1 250、1 400、1 600.1800、2 0001 000、1 250、1400、1 600、1800、2 0001 000.1 250.1 400,1 600.1 800.2 0001 000、1 250、1 400.1 600.1 800、2 000注:滚简直径D不包括包层厚度在内。3.2改向滚筒基本尺寸应符合图和表2规定。表2
带宽B
附加说明:
200、250、315、400.500
200、250、315、400、500、630D
200、250、315、400、500,630、800、1000、1250、1400250、315、400、500、630、800、1000、1250、1400250、315、400、500、630、800、1000、1250、1400、1600、1800、2000.400、500、630、800、1000、1250、1400、1600、1800、2000500,630,800,1 000.1 250.1 400,1 600,1 800,2 000500、630、800、1000、1250、1400、1600、1800、2000500、630、800、1000、1250、1400.1600、1800、2000500,630.800、1 000,1 250,1 400、1 600.1 800.2 000本标准由煤炭工业部煤矿专用设备标准化技术委员会提出。本标准由煤矿专用设备标准化技术委员会带式输送机分会归口。本标准由煤炭科学研究总院上海分院负责起草。本标准起草人华英芬。
本标准托煤炭科学研究总院上海分院负责解释。356
小提示:此标准内容仅展示完整标准里的部分截取内容,若需要完整标准请到上方自行免费下载完整标准文档。