首页 > 煤炭行业标准(MT) > MT 624-1996 煤矿用隔爆型控制按钮
MT 624-1996

基本信息

标准号: MT 624-1996

中文名称:煤矿用隔爆型控制按钮

标准类别:煤炭行业标准(MT)

标准状态:已作废

发布日期:1996-12-30

实施日期:1997-11-01

作废日期:2007-07-01

出版语种:简体中文

下载格式:.rar.pdf

下载大小:232425

相关标签: 煤矿 爆型 控制 按钮

标准分类号

中标分类号:矿业>>矿山机械设备>>D98煤矿专用设备器材

关联标准

替代情况:被MT 624-2007替代

出版信息

页数:10页

标准价格:10.0 元

相关单位信息

起草单位:煤矿安全标准化技术委员会

标准简介

MT 624-1996 煤矿用隔爆型控制按钮 MT624-1996 标准下载解压密码:www.bzxz.net

标准图片预览

MT 624-1996 煤矿用隔爆型控制按钮
MT 624-1996 煤矿用隔爆型控制按钮
MT 624-1996 煤矿用隔爆型控制按钮
MT 624-1996 煤矿用隔爆型控制按钮
MT 624-1996 煤矿用隔爆型控制按钮

标准内容

MT624-1996
本标准的防爆性能要求是根据GB3836.1--83《爆炸性环境用防爆电气设备通用要求》和GB3836.2--83《爆炸性环境用防爆电气设备隔爆型电气设备“d”》起草的。本标准的电气性能要求是根据GB/T14048.1一93《低压开关设备和控制设备总则》和
GB14048.593《低压开关设备和控制设备控制电路电器和开关元件第部分机电式控制电路电器》起草的。
本标准由煤炭工业部科技教育司提出。本标准由煤矿安全标准化技术委员会归口。本标准起草单位:煤炭科学研究总院抚顺分院。本标准主要起草人:李双会、陈在学、刘晓波、张德润。本标准委托煤炭科学研究总院抚顺分院负责解释。362
1范围
中华人民共和国煤炭行业标准
煤矿用隔爆型控制按钮
MT 624-1996
本标准规定了煤矿用隔爆型控制按钮的产品分类、技术要求、试验方法、检验规则、标志、包装、运输和贮存。
本标准适用于远距离控制电磁起动器和其他电气线路等的煤矿用隔爆型控制按钮(以下简称“按钮”)。
2引用标准
下列标准所包含的条文,通过在本标准中引用而构成为本标准的条文。本标准出版时,所示版本均为有效。所有标准都会被修订,使用本标准的各方应探讨使用下列标准最新版本的可能性。GB156—93标准电压
GB191—90包装储运图示标志
GB/T228—87金属拉伸试验法
GB/T762—80电气设备额定电流
GB/T2423.4—93电工电子产品基本环境试验规程试验Db:交变湿热试验方法GB3836.1--83爆炸性环境用防爆电气设备通用要求GB3836.2—83爆炸性环境用防爆电气设备隔爆型电气设备“d”GB/T4942.2—93低压电器外壳防护等级GB/T10111一88利用随机数般子进行随机抽样的方法GB/T14048.1-93低压开关设备和控制设备总则GB/T 14048.5—93
3低压开关设备和控制设备控制电路电器和开关元件第一部分机电式控制电路电器
3产品分类
3.1型式
3.1.1防爆型式为矿用隔爆型。
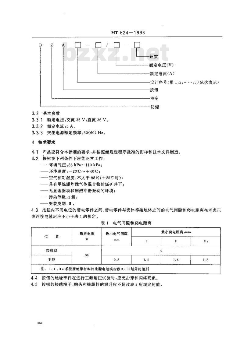
3.1.2按钮数分为1钮、2钮和3钮。3.2型号及含义
中华人民共和国煤炭工业部1996-12-30批准1997-11-01实施
3.3基本参数
3.3.1额定电压:交流36V直流36V。3.3.2额定电流:5A。
3.3.3交流电源额定频率:50(60)Hz。4技术要求
MT 624--1996
额定电压(V)
一额定电流(A)
设计序号(用1,2,..,50依次表示)按钮
一防爆
4.1产品应符合本标准的要求,并按照经规定程序批准的图样和技术文件制造。4.2按钮在下列条件下应能正常工作:环境气压:86kPa~110kPa;
环境温度:—20℃~+40℃;
空气相对湿度:不大于98%(+25℃时);具有甲烷爆炸性气体混合物的煤矿井下;-无显著摇动和剧烈冲击振动的环境;污染等级:3级;
安装类别:耳
4.3按钮内不同电位的带电零件之间、带电零件与壳体等接地体之间的电气间隙和爬电距离在考虑正确连接电缆后应不小于表1的规定。表1电气间隙和爬电距离
接线腔
额定电压
最小电气间隙
注:I、I、Ia系根据绝缘材料相比漏电起痕指数(CTI)划分的组别4.4按钮的绝缘部件在进行工频耐压试验时,应无击穿和闪络现象。最小爬电距离,mm
4.5按钮的接线端子、触头和操纵杆的温升应不超过表2所规定的值。364
接线端子
操纵杆
MT 624--1996
表2极限温升
裸紫铜
裸黄铜
紫铜(或黄铜)镀锡
紫铜(或黄铜)镀银或镀镍
其他金属
动静触头
非金属免费标准下载网bzxz
温升,K
4.6按钮经交变湿热试验后,绝缘电阻值应不小于1MQ,并能承受本标准第4.4规定的工频耐压试验,且隔爆面不应有锈蚀现象。4.7按钮在正常条件下按使用类别的接通和分断能力应满足表3的规定;在非正常条件下按使用类别的接通和分断能力应满足表4的规定。每分钟操作次数均为6次,通电时间均不小于0.05s,正常条件下的操作循环次数为6050次,非正常条件下的操作循环次数为10次。AC-12、AC-13、DC-12、DC-13在产品技术条件中规定。
表3正常条件下的接通和分断能力电流种类
电流种类
使用类别
使用类别
U/U。
表4非正常条件下的接通和分断能力接
4.8按钮的机械寿命以触头元件无负载时的操作次数表示。试后按钮应仍能正常工作。按钮的机械寿命次数按表5选择。
每小时操作次数
机械寿命,万次
MT 624-
机械寿命次数
4.9按钮按使用类别的电寿命试验参数按表6规定。试验次数不得少于机械寿命次数的20%(交流负载)或10%(直流负载)。AC-12、AC-13、DC-12、DC-13在产品技术条件中规定。表6电寿命试验参数
电流种类
使用类别
4.10额定限制短路电流应在试验电压为1.1倍额定值。功率因数在0.5~0.7之间,通以1000A预期电流3次,其间隔时间不小于3min。每次短路后,按钮应处于良好的工作状态。4.11按钮内的接线端子宜选用标准件,扭转试验时不应转动和损坏。4.12按钮隔爆接合面的最小有效长度、螺栓通孔边缘至隔爆接合面内缘的最小有效长度和隔爆接合面的最大间隙(或直径差)6必须符合表7的规定。表7隔爆接合面结构参数
接合面型式
平面、止口或圆简结构
外壳净容积(V),cm2
4.13穿通隔爆外壳壁的操纵杆与杆孔隔爆接合面参数,除必须符合表6规定外,当操纵杆直径不大于25mm时,L。必须不小于操纵杆直径当操纵杆直径大于25mm时,则L。必须不小于25.0mm。4.14按钮隔爆接合面的粗糙度R应不超过6.3μm,但操纵杆隔爆面的粗糙度应不超过3.2um,隔爆接合面应采取防锈措施,但不得涂油漆。4.15按钮隔爆外壳的紧固件应采取防松措施。采用防松垫圈时,螺栓和不透螺孔紧固后还应留有大于2倍防松垫圈厚度的螺纹余量。紧固螺孔不得穿通外壳壁,螺孔周围和底部的厚度应不小于螺栓直径的1/3,但至少为3.0mm。
4.16按钮隔爆外壳零部件进行水压试验时,不得连续滴水(每间隔大于10S滴水-滴即视为不连续滴水)。
4.17按钮隔爆外壳经冲击试验(壁厚大于3mm的钢材外壳除外)后,不得产生影响防爆性能的变形或损坏。
4.18按钮隔爆外壳的防护等级应不低于IP54。4.19引入装置经夹紧试验后,试棒位移应不大于6mm,其结构不应损坏。4.20引入装置经密封试验后,不得滴水和损坏。366
MT 624--1996
4.21引入装置中的橡胶密封圈的邵氏硬度为45~~60度,经老化试验后,其邵氏硬度变化应不超过20%。
4.22用于采掘工作面用的按钮隔爆外壳,当容积大于2000cm2时,必须用钢板或铸钢制成;非采掘工作面用的按钮隔爆外壳,可用抗拉强度不低于HT250的铸铁制成。4.23按钮经强度试验后,不得产生影响隔爆性能的变形或损坏,进行隔爆性能试验时,不应传爆。4.24按钮外壳应按GB3836.1设接地装置。4.25按钮外壳内、外表面应首先涂防锈底漆,然后内表面应均勾地涂耐弧漆;外表面应均匀地涂磁漆。4.26按钮上所有黑色金属零部件应采取防腐蚀措施。4.27按钮操纵杆的操作力由产品的技术条件规定,但最小操作力应足够大,以防止误操作。4.28按钮的操纵部件应灵活、可靠。操作力解除后,操纵杆应回到原来位置,不应有卡滞现象。5试验方法
5.1工频耐压试验按GB/T14048.5进行。工频耐压试验电压值(交流有效值)为1000V,时间为1min。
5.2温升试验按GB/T14048.5进行。5.3交变湿热试验按GB/T2423.4进行。严酷等级为高温+40℃、试验周期12d。5.4通断能力试验按GB/T14048.5进行。5.5机械寿命试验按GB/T14048.5进行。5.6电寿命试验按GB/T14048.5进行。5.7额定限制短路电流试验按GB/T14048.5进行。5.8连接件扭转试验按GB3836.1进行。5.9水压试验按GB3836.2附录进行。时间为1min,压力值见表8。表8水压试验压力值
外壳净容积(V).cm2
试验压力,MPa
V≤500
500V≤2000
5.10冲击试验按GB3836.1进行。冲击能量为20J(非采掘工作面用按钮为7J)。防护试验按GB/T4942.2进行。
5.12引入装置夹紧试验按GB3836.1进行。5.13引入装置密封试验按GB3836.2进行。5.14橡胶材料老化试验按GB3836.1进行。5.15铸铁材质性能试验按GB/T228进行。5.16强度试验和隔爆试验按GB3836.2进行。V>2000
5.17电气间隙和爬电距离、隔爆参数、隔爆面表面粗糙度和防锈、紧固接地、涂漆、装配质量等的检查按GB/T14048.1进行。
6检验规则
6.1出厂检验
6.1.1产品应经制造厂质量检验部门逐台检验,检验合格并签发合格证后方可出厂。6.1.2产品出厂检验项目按表9规定进行。367
MT624—1996
表9按钮检验项目
技术要求条款
出厂检验
表中序号有“*\者为一般项目,有“**”为关键项目,其余为重要项目。2表中对应格内“√\者为应进行的检验项目,“—.\为不检项目6.2型式检验
6.2.1有下列情况之一时,应进行型式检验:一新产品或老产品转广生产的试制定型鉴定;368
型式检验
MT624-1996
正式生产后,如结构、材料、工艺有较大改变,可能影响产品性能时;正常生产时,每五年进行·次;产品停产两年后,恢复生产时;出厂检验结果与上次型式检验有较大差异时;国家质量监督机构提出进行型式检验的要求时。6.2.2产品型式检验项目按表8规定进行。6.2.3抽样:按GB/T10111的规定进行,抽样基数为30台,抽样数量至少为六台。6.2.4判定规则:对关键项目,如有一台项不合格,则判定该批产品为不合格。对重要项目,如有两台项不合格,则判定该批产品为不合格;如有一台项不合格,则对该项目加倍复查,复查中若仍有一台项不合格,则判定该批产品为不合格。对一般项目,不作判定。6.3产品必须经国家煤矿防爆安全产品质量监督检验中心或煤炭工业部指定的检验单位进行检验,并取得其“防爆合格证”后方可生产。6.4按钮中选用的元件若其标准规定的电寿命等于或高于本标准的规定,且已证明符合本标准要求时,则在按钮的型式检验中可不必重复进行。7标志、包装、运输、贮存
7.1按钮外壳明显处应设置清晰的永久性凸纹标志\ExdI”和煤矿安全标志“MA”。7.2按钮外壳明显处应设置厚度不小于0.5mm的铜质或不锈钢质铭牌,并可靠固定。铭牌上应清晰地标注下列内容:
-产品型号和名称;
额定电压和额定电流;
防爆标志(ExdI);
防爆合格证编号和安全标志编号;出厂日期和编号;
制造厂名称。
7.3按钮外壳明显处应设置厚度不小于0.5mm的“断电源后开盖”的铜质或不锈钢质警告牌,并可靠固定。
7.4按钮的操纵杆附近应设有清晰的闭合和断开指示。7.5按钮应装箱出厂。包装箱外壁应有明显的文字和标志,其内容包括:收货单位和地址;
产品型号和名称;
包装箱尺寸和总质量;
—一符合GB191规定的“小心轻放”、“怕湿”等标志;制造厂名称和地址;
一产品执行标准号。
7.6产品装箱文件:
a)装箱单;
b)产品合格证书;
c)产品使用说明书。
7.7包装箱在运输过程中不得受到强烈巅簸、振动,并应防止雨雪侵袭。7.8按钮应贮存于没有雨雪侵入、空气流通的库房中。369
小提示:此标准内容仅展示完整标准里的部分截取内容,若需要完整标准请到上方自行免费下载完整标准文档。