首页 > 煤炭行业标准(MT) > MT 73-1992 煤矿用带式输送机托辊尺寸系列
MT 73-1992

基本信息

标准号: MT 73-1992

中文名称:煤矿用带式输送机托辊尺寸系列

标准类别:煤炭行业标准(MT)

标准状态:现行

发布日期:1992-07-10

实施日期:1992-12-01

出版语种:简体中文

下载格式:.rar.pdf

下载大小:71302

相关标签: 煤矿 带式 输送机 托辊 尺寸

标准分类号

中标分类号:矿业>>矿山机械设备>>D93提升、贮运设备

关联标准

替代情况:代替MT 73-1983

出版信息

页数:4页

标准价格:8.0 元

出版日期:1992-12-01

相关单位信息

起草人:潘志杰、华英芬、程汝范、施卫东、张炳福

起草单位:煤炭科学研究总院上海分院

归口单位:能源部煤矿专用设备标准化技术委员会带式输送机分会

提出单位:煤炭科学研究总院

发布部门:中华人民共和国能源部

标准简介

本标准参照采用国际标准ISO 1537-1975(槽形胶带输送机托辊》,ISO 4123-1979《带式输送机承载托辊缓冲环和回程托辊圆盘主要尺寸》。 MT 73-1992 煤矿用带式输送机托辊尺寸系列 MT73-1992 标准下载解压密码:www.bzxz.net

标准图片预览

MT 73-1992 煤矿用带式输送机托辊尺寸系列
MT 73-1992 煤矿用带式输送机托辊尺寸系列
MT 73-1992 煤矿用带式输送机托辊尺寸系列
MT 73-1992 煤矿用带式输送机托辊尺寸系列

标准内容

中华人民共和国煤炭行业标准
煤矿用带式输送机托辊尺寸系列MT 73--92
代替 MT 73Www.bzxZ.net
本标准参照采用国际标准ISO1537—1975《槽形胶带输送机托辊》、ISO4123-1979《带式输送机承载托辊缓冲环和回程托辊圆盘主要尺寸》。1主题内容和适用范围
本标准规定了煤矿用带式输送机托辊的尺寸系列。本标准主要适用于煤矿用带式输送机托辊,也适用于露天选煤等作业场所用带式输送机托辊。2 引用标准
GB 990TD型带式输送机槽形托辊基本参数与尺寸ZBD93009煤矿井下用带式输送机托辊技术条件3基本尺寸
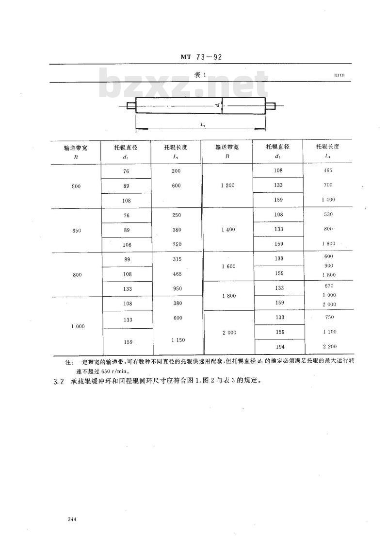
3.1托辊的基本尺寸应符合表1、表2的规定。中华人民共和国能源部1992-07-10批准1992-12-01实施
输送带宽
托辊直径
MT 73--92
托辑长度
输送带宽
托辊直径
托辊长度
注:一定带宽的输送带,可有数种不同直径的托辊供选用配套,但托辊直径d,的确定必须满足托辊的最大运行转速不超过650r/min。
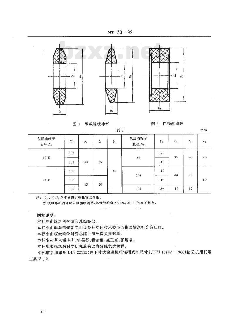
3.2承载辊缓冲环和回程辊圆环尺寸应符合图1、图2与表3的规定。344
MT 73-92
15318168
691°88180168*92
1680168
601806892
包层前辊子
MT73-92
承载辊缓冲环
注:①尺寸D以牢固固定在托辊上为推。b3
包层前辊子
直径D,
回程辊圆环
②缓冲环和圆环应以阻燃胶制造,其性能符合ZBD93009中的有关规定。附加说明:
本标准由煤炭科学研究总院提出。本标准由能源部煤矿专用设备标准化技术委员会带式输送机分会归口。本标准由煤炭科学研究总院上海分院负责起草。本标准起草人潘志杰、华英芬、程汝范、施卫东、张炳福。本标准委托煤炭科学研究总院上海分院负责解释。b
本标准参照采用DIN22112《井下带式输送机托辊型式和尺寸》、DIN15207—1988《输送机用托辑主要尺寸》。
小提示:此标准内容仅展示完整标准里的部分截取内容,若需要完整标准请到上方自行免费下载完整标准文档。