首页 > 煤炭行业标准(MT) > MT 163-1997 直读式粉尘浓度测量仪表通用技术条件
MT 163-1997

基本信息

标准号: MT 163-1997

中文名称:直读式粉尘浓度测量仪表通用技术条件

标准类别:煤炭行业标准(MT)

标准状态:现行

发布日期:1997-12-30

实施日期:1998-07-01

出版语种:简体中文

下载格式:.rar.pdf

下载大小:250249

相关标签: 直读 粉尘 浓度 测量 仪表 通用 技术

标准分类号

标准ICS号:采矿和矿产品>>73.040煤

中标分类号:>>>>D0 仪器、仪表>>物质成分分析仪器与环境监测仪器>>N51物性分析仪器

关联标准

替代情况:MT 163-87 MT 125-1985

出版信息

出版社:中国煤炭工业出版社

页数:8页

标准价格:10.0 元

出版日期:1998-07-01

相关单位信息

起草单位:煤炭工业部安全标准化技术委员会

发布部门:中华人民共和国煤炭工业部

标准简介

本标准规定了直读式粉尘浓度测量仪表的技术要求、试验方法、检验规则、标志、包装、运输和贮存等。本标准适用于直读式粉尘浓度测量仪表(以下简称测尘仪)。 MT 163-1997 直读式粉尘浓度测量仪表通用技术条件 MT163-1997 标准下载解压密码:www.bzxz.net

标准图片预览

MT 163-1997 直读式粉尘浓度测量仪表通用技术条件
MT 163-1997 直读式粉尘浓度测量仪表通用技术条件
MT 163-1997 直读式粉尘浓度测量仪表通用技术条件
MT 163-1997 直读式粉尘浓度测量仪表通用技术条件
MT 163-1997 直读式粉尘浓度测量仪表通用技术条件

标准内容

1范围
中华人民共和国煤炭行业标准
直读式粉尘浓度测量仪表
通用技术条件
General technical condition for direct readinginstrument for dust concentration measurementMT 163- 1997
代替MT 163—87
本标准规定了直读式粉尘浓度测量仪表的技术要求、试验方法、检验规则、标志、包装、运输和贮存等。
本标准适用于直读式粉尘浓度测量仪表(以下简称测尘仪)。2引用标准
下列标准所包含的条文,通过在本标准中引用而构成为本标准的条文。本标准出版时,所示版本均为有效。所有标准都会被修订,使用本标准的各方应探讨使用下列标准最新版本的可能性。GB/T998--82低压电器基本试验方法GB/T2423.1一89电工电子产品基本环境试验规程试验A:低温试验方法GB/T 2423.2--89
GB/T 2423. 3-—89
GB/T 2423.4—93
GB/T 2423. 5—89
GB/T 2423.8--89
电工电子产品基本环境试验规程试验B:高温试验方法电工电子产品基本环境试验规程试验Ca:恒定湿热试验方法电工电子产品基本环境试验规程试验Db:交变湿热试验方法电工电子产品基本环境试验规程试验Ea:冲击试验方法电工电子产品基本环境试验规程试验Ed:自由跌落试验方法GB/T2423.10--89电工电子产品基本环境试验规程试验Fc:振动(正弦)试验方法GB3836.1-83爆炸性环境用防爆电气设备通用要求GB3836.2一83爆炸性环境用防爆电气设备隔爆型电气设备“d”GB3836.4一83爆炸性环境用防爆电气设备本质安全型电路和电气设备\i”GB4792--84放射卫生防护基本标准GB4942.2--93低压电器外壳防护等级GB/T10111一88利用随机般子进行随机抽样的方法MT394—95呼吸性粉尘测量仪采样效能测定方法3定义
本标准采用下列定义。
3. 1 粉尘浓度测量相对误差 relative error in measurment of dust concentration在测尘仪表检验装置内测尘仪测量粉尘浓度值和粉尘采样装置测定值之差与粉尘采样装置测定值之比。
中华人民共和国煤炭工业部1997-12-30批准362
1998-07-01实施
MT 163—1997
3.2测尘仪稳定性相对误差relative error in stationary of dust meters测尘仪对粉尘浓度校准块(板)三次测量的平均值和粉尘浓度校准块(板)的定值之差与粉尘浓度校准块(板)定值之比。
4技术要求
4.1测尘仪应符合本标准的规定,并应按照规定程序审批的图样和文件制造。4.2测尘仪应能适应下列环境条件:a)贮存温度:—40℃~55℃
b)工作温度:井下0℃~40℃,地面10℃~40℃;c)相对湿度:不大于95%。
4.3外观与结构:
4.3.1测尘仪表面和粉尘分离装暨不应有明显凹痕、划伤、裂隙、变形等缺陷;涂、镀层不应起泡、龟裂和脱落;金属零件不应有锈蚀和机械损伤。4.3.2开关、按键应灵活、可靠,零部件应紧固。4.4测尘仪粉尘浓度测量范围由测尘仪产品具体规定,4.5测尘仪粉尘浓度测量相对误差:由测尘仪产品具体规定为土10%或士25%。4.6测尘仪稳定性相对误差:土2.5%。4.7具有抽气装置的测尘仪还应符合以下规定。4.7.1采样流量
由测尘仪产品具体规定。
4.7.2采样流量误差
4.7.2.1总粉尘测尘仪
通过测尘仪采样口的实际流量与该仪器规定的采样流量误差不大于5%。4.7.2.2呼吸性粉尘测尘仪
通过测尘仪采样口的实际流量与该仪器规定的采样流量误差不大于2.5%。4.7.3采样流量稳定性
测尘仪在规定的采样时间范围内,采样流量变化不大于5%。4.7.4采样时间误差
采样时间等于或小于1min时,误差不大于2%;采样时间大于1min时,误差不大于3s。4.8绝缘电阻与耐压:
4.8.1测尘仪带电回路与外壳之间,绝缘电阻不得小于20MQ;耐潮试验后不小于1MQ,经耐压试验应无击穿、无闪烁现象。
4.8.2测尘仪带电回路与外壳之间按其工作电压不同,应能承受表1规定的耐压试验电压。表1测尘仪应能承受的耐压试验电压测尘仪工作电压
>60~125
>125~250
>250~500
耐压试验电压
测尘仪工作电压
>500~750
>750~1 000
耐压试验电压
2U+1000
(U为额定工作电压值)
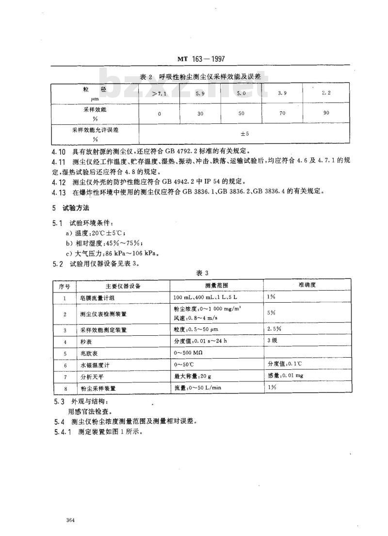
4.9呼吸性粉尘测尘仪的采样效能应符合“BMRC”采样效能曲线,采样效能允许误差应符合表2的规定。
采样效能
采样效能允许误差
MT 163—1997
表2呼吸性粉尘测尘仪采样效能及误差>7.1下载标准就来标准下载网
4.10具有放射源的测尘仪,还应符合GB4792.2标准的有关规定3.9
4.11测尘仪经工作温度、贮存温度、湿热、振动、冲击、跌落、运输试验后,均应符合4.6及4.7.1的规定,湿热试验后还应符合4.8的规定。4.12测尘仪外壳的防护性能应符合GB4942.2中IP54的规定。4.13在爆炸性环境中使用的测尘仪应符合GB3836.1、GB3836.2、GB3836.4的有关规定。5试验方法
5.1试验环境条件:
a)温度:20℃士5℃;
b)相对湿度:45%~75%;
c)大气压力:86kPa~106kPa。
5.2试验用仪器设备见表3。
主要仪器设备
皂膜流量计组
测尘仪表检测装置
采样效能测定装置
兆欧表
水银温度计
分析天平
粉尘采样装置
5.3外观与结构:
用感官法检查,
测量范围
100mL、400mL、1L、5L
粉尘浓度:0~1000mg/m
风速:0.8~4 m/s
粒度:0.5~50μm
分度值:0.01s~24h
0~500Mn
0~50℃
最大称量:20g
流量:0~50L/min
5.4测尘仪粉尘浓度测量范围及测量相对误差。5.4.1测定装置如图1所示。
准确度
分度值:0.1℃
感量:0.01mg
MT163 -1997
1—给尘装置;2—风速传感器;3-粉尘采样装置;4-—风机;5被检测尘仪;6--粉尘测试段图1粉尘浓度试验装置
5.4.2试验条件
a)试验粉尘采用测尘仪表试验粉尘;b)粉尘风洞测试段风速:0.8m/s~4.0m/s;c)粉尘浓度发生范围:0mg/m3~1000mg/m~;d)风速流场均匀性相对标准偏差不大于5%;e)测试段截面粉尘浓度均匀性相对标准偏差不大于5%。5.4.3在粉尘风洞中将风速控制在1.5m/s土0.2m/s,按照测尘仪测量范围取5个均匀分布的测点由小到大进行测定。用粉尘采样装置与被检测尘仪并列同时采样测量,每个点测3次,取其算术平均值,用式(1)计算测尘仪测量相对误差C2
式中:—测尘仪测量相对误差,%;C,--粉尘采样装置测定的粉尘浓度值,mg/m~;C2 ----测尘仪测量的粉尘浓度值,mg /m。5.5测尘仪稳定性相对误差:
用测尘仪配备的粉尘浓度校准块(板)进行测定,测定三次,取其平均值,用式(2)计算稳定性相对误差:
式中:3。-——测尘仪稳定性相对误差,%;C,--—-粉尘浓度校准块(板)的定值,mg/m;C2-—-测尘仪的测量值,mg/m。
5.6采样流量和误差测定:
(2)
按图2所示,将测尘仪采样口连接在皂膜流量计上,启动测尘仪,测量两次采样流量,取其平均值为采样流量,采样流量误差用式(3)计算:. = × 100
式中。~-采样流量误差,%;
q1—-皂膜流量计测量值,L/min;2--—测尘仪采样流量值,L/min。(3)
5.7采样流量稳定性测定:
按照图2所示,在测尘仪产品标准规定的测量时间内,测量开始采样时的流量为93,采样结束时的流量为94,用式(4)计算流量稳定性:365
式中:w——-采样流量稳定性,%;93———开始采样时的流量,L/min,—结束采样时的流量,L/min。
9±3×100
1--皂膜流量计;2—连接胶管;3-采样口,4——被检测尘仪图2测尘仪采样流量及误差的测量方法5.8采样时间误差测定:
(4)
同时启动秒表和测尘仪,测定测尘仪的采样时间2次,并取平均值。用式(5)计算采样时间误差:-t × 100
采样时间误差,%,
式中:
t-—秒表测量时间,s;
t2 ——测尘仪采样时间,s。
5.9绝缘电阻和耐压试验:
按GB/T998规定进行。
5.10采样效能测定:
按MT394规定进行。
5.11工作温度试验:
5.11.1低温试验按照GB/T2423.1试验Ab规定进行。井下使用的测尘仪,严酷程度:温度0℃,持续时间2h;地面使用的测尘仪,严酷程度:温度一10℃,持续时间2 h。5.11.2高温试验按照GB/T2423.2试验Bb规定进行。严酷程度:温度40℃,持续时间2h。5.11.3高、低温试验后,立邸按5.5和5.6规定进行。5.12贮存温度试验:
5.12.1低温试验按照GB/T2423.1试验Ab规定进行。严酷程度:温度一40℃,持续时间16h。5.12.2高温试验按照GB/T2423.2试验Bb规定进行。严酷程度:温度55℃,持续时间16h。5.12.3存温度试验后,均在正常环境中恢复4h,再按5.5和5.6规定进行。5.13热试验:
5.13.1防爆型测尘仪交变湿热按GB/T2423.4试验Db规定进行。严酷程度:温度40℃,周期6d。366
MT 163--1997
5.13.2非防爆型采样器恒定湿热试验按GB/T2423.3试验Ca规定进行。严酷程度:温度40℃,周期2d。5.13.3湿热试验后,均在正常环境中恢复2h,再按5.5、5.6和5.10规定进行。5.14振动试验:
按GB/T2423.10试验Fc规定进行。严酷程度:
频率:10Hz~150Hz,加速度20m/s;每轴线上扫频循环次数10次;
测尘仪振动试验时为非工作、非包装状态,试验后按5.5和5.6规定进行。5.15冲击试验:
按GB/T2423.5试验Ea规定进行。严酷程度:
峰值加速度500m/s,
脉冲持续时间11ms士1ms,
脉冲波形为半正弦波,三个轴向×2个方向共冲击18次,试验后按5.5和5.6规定进行。5.16跌落试验:
根据产品完整包装后的总质量按表4规定确定跌落高度。测尘仪跌落试验高度
毛重,G
跌落高度
G≤10
102550按表4规定的高度,依次将底、前、后、左、右面向平整的水泥地面各跌落-次。跌落试验时应保持初速度为零,包装试验面应与地面平行,试验后按5.5和5.6规定进行。5.17运输试验:
a)将包装后的设备,置于模拟汽车运输试验台上,试验持续2h;b)将包装后的设备置于汽车中部加以固定,汽车的负载应不超过汽车额定载重量的1/3,在三级公路面上行驶100km,行车速度为20~40km/h;c)试验后按5.5和5.6规定进行。5.18外壳防护性能试验:
按GB4942.2规定进行。
5.19安全性能试验:
防爆型测尘仪的防爆检验,按GB3836.1、GB3836.2、GB3836.4规定由国家指定的防爆检验单位进行。
6检验规则
6.1出厂检验
6.1.1出厂检验应由制造厂质量检验部门逐台进行,检验合格并发给合格证书后方可出厂。6.1.2出厂检验项目如表5。
检验项目
外观与结构
测量范围
测量误差
稳定性
采样流量
采样流量误差
流量﹑定性
采样时间误差
绝缘电阻
采样效能
工作温度试验
贮存温度试验
湿热试验
振动试验
冲击试验
跌落试验
运输试验
MT163—1997
表5测尘仪出厂检验和型式试验项目技术要求
试验方法
注:表中“^”为应检验项目,“”为不检验项目,“*”为抽查检验项目。出厂检验
型式试验
6.1.3进行抽查检验项目时,应按GB/T10111的规定在出厂检验合格的测尘仪每50台批次中抽取2台进行检验。
6.2型式试验
6.2.1有下列情况之一者,应进行型式检验:a)新产品或老产品转厂生产的试制定型鉴定;b)正式生产后,如结构、材料、工艺有较大改变可能影响产品的性能时;c)正常生产时,每3年一次;
d)停产一年后的产品恢复生产时;e)出厂检验结果与上次型式检验有较大差异时;f)国家质量监督机构提出进行型式检验要求时6.2.2型式检验项目如表5。
6.2.3按GB/T10111的规定在出厂检验合格的测尘仪中进行抽样,至少抽取3台。6.2.4抽检样品中,只要有1台在表5测尘仪出厂检验和型式试验项目序号中1、13、15、16、17、18有2项不合格,或者其余有1项不合格,则判该批产品不合格。7标志、包装、运输、贮存
7.1标志
应在产品适当、明显的位置上固定产品铭牌,内容包括:a)制造厂名;
b)产品型号和名称;
c)主要技术性能;
d)制造计量器具许可证标志和编号;MT 163--1997
e)防爆型测尘仪应有防爆标志和合格证编号;f)产品编号和制造日期;
g)煤矿用测尘仪应有安全标志和合格证编号。7.2包装
7.2.1测尘仪用木箱包装,四周用减震材料塞紧。7.2.2包装箱内应附有下列文件:a)装箱清单;
b)产品合格证;
c)产品使用说明书。
7.2.3产品包装箱外壳壁标志应清晰、整齐,内容包括:a)产品型号和名称;
b)制造厂名称和发货站名称;
c)收货单位名称和收货站名称;d)“小心轻放”、“怕湿”、“向上”等标志;e)出厂日期;
f)包装箱外形尺寸和毛重。
7.3运输
包装好的产品,可以用任何运输工具运送。7.4贮存
存放产品的库房应保持通风良好,并防止产品与腐蚀性物质接触。369
小提示:此标准内容仅展示完整标准里的部分截取内容,若需要完整标准请到上方自行免费下载完整标准文档。