首页 > 煤炭行业标准(MT) > MT 185-1988 工作面用刮板输送机铲煤板型式、基本参数和尺寸
MT 185-1988

基本信息

标准号: MT 185-1988

中文名称:工作面用刮板输送机铲煤板型式、基本参数和尺寸

标准类别:煤炭行业标准(MT)

标准状态:已作废

实施日期:1991-08-01

作废日期:2004-08-17

出版语种:简体中文

下载格式:.rar.pdf

下载大小:50937

相关标签: 工作面 刮板 输送机 基本参数 尺寸

标准分类号

中标分类号:矿业>>矿山机械设备>>D93提升、贮运设备

关联标准

出版信息

页数:3页

标准价格:8.0 元

相关单位信息

标准简介

MT 185-1988 工作面用刮板输送机铲煤板型式、基本参数和尺寸 MT185-1988 标准下载解压密码:www.bzxz.net

标准图片预览

MT 185-1988 工作面用刮板输送机铲煤板型式、基本参数和尺寸
MT 185-1988 工作面用刮板输送机铲煤板型式、基本参数和尺寸
MT 185-1988 工作面用刮板输送机铲煤板型式、基本参数和尺寸

标准内容

中华人民共和国煤炭工业部部标准工作面用刮板输送机铲煤板型式基本参数和尺寸
适用范围
MT 185-88
本标准适用于煤矿井下工作面刮板输送机用1.5m长中部槽不带齿轨的铲煤板(以下简称铲煤板)。
2产品分类
2.1铲煤板型式
铲煤板分为两种型式:三角形铲煤板和“L形铲煤板,其断面形状见图1和图2。H
2.2铲煤板的基本参数
2.2.1三角形铲煤板
底宽参数B应符合表1的规定;
底宽B
下伸量h应为0~~15mm;
铲角α应为37°~45°。
2.2.2“L”形铲煤板
底宽参数B应符合表2的规定。
中华人民共和国煤炭工业部1988-04-13批准150
1988-08-01实施
底宽B
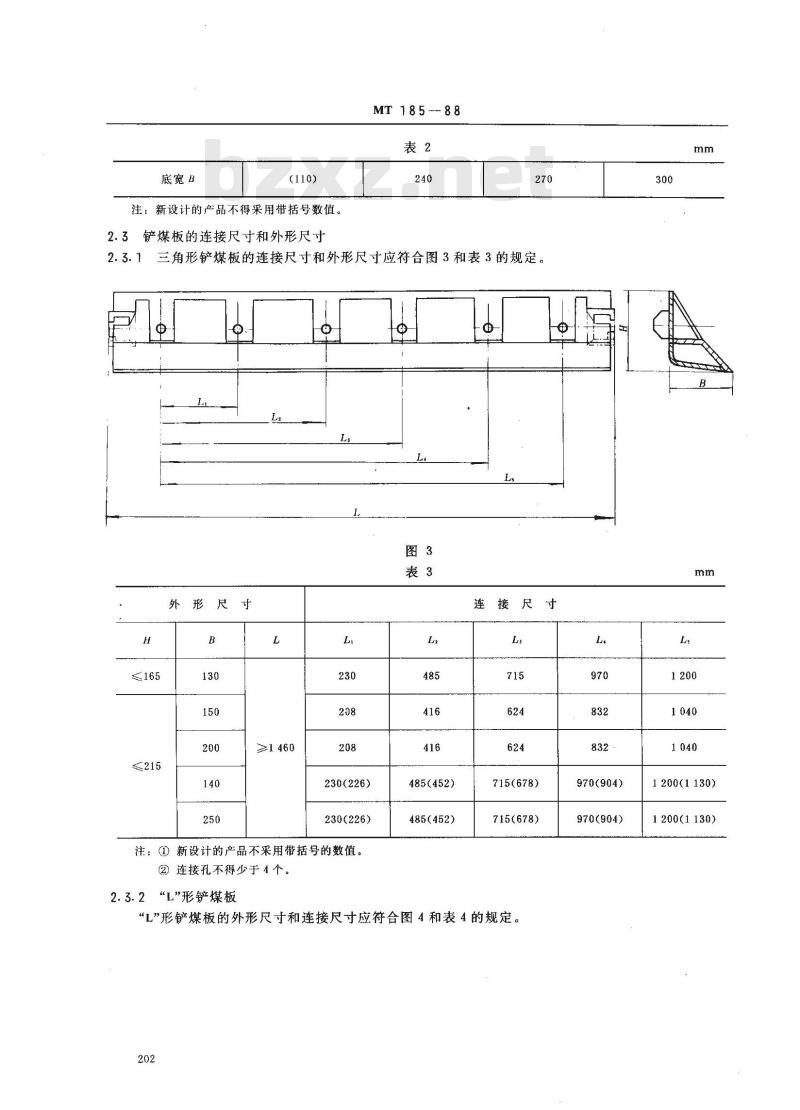
注:新设计的产品不得采用带括号数值。2.3铲煤板的连接尺寸和外形尺寸MT185-88
2.3.1三角形铲煤板的连接尺寸和外形尺寸应符合图3和表3的规定。3
外形尺
≥1460
230(226)
230(226)
注:①新设计的产品不采用带括号的数值。②连接孔不得少于4个。
2.3.2“L\形铲煤板
485(452)
485(452)
连接尺寸
715(678)
715(678)
“L\形铲煤板的外形尺寸和连接尺寸应符合图4和表4的规定。202
970(904)
970(904)
1200(1130)
1200(1130)www.bzxz.net
外形尺寸
≥180
≥1480
≥1490
注:①带*号尺寸为参考尺寸。
208,230
②新设计的产品不采用带括号的尺寸。附加说明:
MT185—88
416,485
本标准由煤炭工业部技术发展司提出。本标准由煤炭科学研究院太原分院负责起草。本标推主要起草人钱观生。
连接尺寸
624,715
本标准委托煤炭科学研究院太原分院负责解释。832,970
(1130)
1040,1200
小提示:此标准内容仅展示完整标准里的部分截取内容,若需要完整标准请到上方自行免费下载完整标准文档。