首页 > 煤炭行业标准(MT) > MT 186-1988 工作面用刮板输送机电缆槽基本参数
MT 186-1988

基本信息

标准号: MT 186-1988

中文名称:工作面用刮板输送机电缆槽基本参数

标准类别:煤炭行业标准(MT)

标准状态:已作废

实施日期:1991-08-01

作废日期:2004-08-17

出版语种:简体中文

下载格式:.rar.pdf

下载大小:21433

相关标签: 工作面 刮板 输送机 电缆 基本参数

标准分类号

中标分类号:矿业>>矿山机械设备>>D93提升、贮运设备

关联标准

出版信息

页数:2页

标准价格:8.0 元

相关单位信息

标准简介

MT 186-1988 工作面用刮板输送机电缆槽基本参数 MT186-1988 标准下载解压密码:www.bzxz.net

标准图片预览

MT 186-1988 工作面用刮板输送机电缆槽基本参数
MT 186-1988 工作面用刮板输送机电缆槽基本参数

标准内容

适用范围
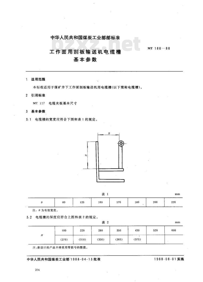
中华人民共和国煤炭工业部部标准工作面用刮板输送机电缆槽
基本参数
本标准适用于煤矿井下工作面刮板输送机用电缆槽(以下简称电缆槽)。引用标准
MT 117
3基本参数
电缆夹板基本尺寸
3.1电缆槽的宽度应符合下图和表1的规定。表1
注:B为有效宽度。
3.2电缆槽的深度应符合上图和表2的规定。表2
注:新设计的产品不得采用带括号的数值。280
中华人民共和国煤炭工业部1988-04-13批准204免费标准bzxz.net
(365)
1988-08-01实施
MT186-88
电缆夹板基本尺寸应符合MT117的规定。3. 3
附加说明:
本标准由煤炭工业部技术发展司提出。本标准由煤炭科学研究院太原分院归口。本标准由煤炭科学研究院太原分院负费起草。本标准主要起草人程新中。
本标准委托煤炭科学研究院太原分院负责解释。205
小提示:此标准内容仅展示完整标准里的部分截取内容,若需要完整标准请到上方自行免费下载完整标准文档。