首页 > 煤炭行业标准(MT) > MT 196-1989 煤水泵
MT 196-1989

基本信息

标准号: MT 196-1989

中文名称:煤水泵

标准类别:煤炭行业标准(MT)

标准状态:现行

发布日期:1989-03-31

实施日期:1989-04-01

出版语种:简体中文

下载格式:.rar.pdf

下载大小:147785

相关标签: 水泵

标准分类号

中标分类号:机械>>通用机械与设备>>J71泵

关联标准

出版信息

出版社:中国煤炭工业出版社

页数:4页

标准价格:8.0 元

出版日期:1989-04-01

相关单位信息

起草人:李忠庶、王文烈、黄家谦、赵家骏

起草单位:煤炭科学研究院唐山分院、北京矿务局机电厂

提出单位:中国统配煤矿总公司技术发展部

发布部门:中华人民共和国煤炭工业部

标准简介

本标准规定了煤水泵的型式、基本参数和技术条件。本标准适用于煤矿中输送煤水混合物的煤水泵。该泵也可用于输送灰渣、精矿、尾矿、盐、砂砾、泥土等。被输送的固体颗粒粒径不大于50mm;固液混合物的体积浓度不大于30%;温度不应超过80℃。 MT 196-1989 煤水泵 MT196-1989 标准下载解压密码:www.bzxz.net

标准图片预览

MT 196-1989 煤水泵
MT 196-1989 煤水泵
MT 196-1989 煤水泵
MT 196-1989 煤水泵

标准内容

中华人民共和国能源部部标准
煤水泵
主题内容与适用范围
本标推规定了煤水泵的型式、基本参数和技术条件。MT 196—89
本标准适用于煤矿中输送煤水混合物的煤水泵。该泵也可用于输送灰渣、精矿、尾矿、盐、砂砾、泥土等。被输送的固体颗粒粒径不大于50mm;固液混合物的体积浓度不大于30%;温度不应超过80℃。2引用标准
GB275滚动轴承与轴和外壳的配合GB699优质碳素结构钢钢号和一般技术条件GB700
GB1299
普通碳素结构钢技术条件
灰铸铁件分类及技术条件
灰铸铁件机械性能试验方法
碳素钢铸件分类及技术条件
合金工具钢分类及技术条件
GB3214
GB3216
GB 7021
水泵流量测定方法
离心泵、混流泵、轴流泵和旋涡泵试验方法离心泵名词术语
农具耐磨零件用钢
JB/TQ380泵的振动测量与评价方法JB2759机电产品包装通用技术条件3型式与基本参数
3.1型式
煤水泵系两级水平中开蜗壳式离心泵。3.2型号意义示例说明:
3.3基本参数
450-150
扬程(m)
流量(m2/h)
煤水泵
泵排送清水时的基本性能参数按表1的规定。中华人民共和国能源部1989-03-31批准1989-04-01实施
M450-150
M450-200
M750-250
M750-300
MT 196-- 89
必需汽蚀余量
(NPSH)r
注:表1中所列流量、扬程数值为设计点的清水性能;效率为设计点的清水效率,必需汽蚀余量是指清水温度为20℃、大气压力为760mmHg时,设计点的必需汽蚀余量。4技术要求
4.1基本要求:
4.1.1煤水泵应符合本标准要求,并按照经规定程序批准的图样及技术文件制造。4.1.2凡本标准未作规定的一般技术要求,应符合国家标准中机械行业有关标准的要求。4.2确定原动机功率时,应按所输固液混合物的重度计算额定轴功率,选配的原动机功率应大于计算额定轴功率的110%。
4.3泵应允许两台就地串联使用。4.4参照性运行条件及使用寿命。4.4.1在煤浆体积浓度低于10%;煤质硬度普氏系数f不大于1;煤中含研率不超过20%的条件下,运行1800h无大修。
4.4.2在煤浆体积浓度为10%~~20%;煤质硬度普氏系数f为1~~1.5;煤中含研率不超过20%的条件下,运行1300h无大修。
4.4.3在煤浆体积浓度大于20%~30%;煤质硬度普氏系数f大于1.5~~2;煤中含研率不超过20%的条件下,运行800h无大修。
4.5轴承的运转温升不得比环境温度超出35℃,极限温度不得超过75℃。4.6主要零件的材料选择:
a:泵壳、连通管的材料为ZG35或优于ZG35的优质碳素钢。b。叶轮、口环、壳体密封环(叶轮密封环)、中间密封套、中间轴套、蜗室衬套、奇形套的材料为高铬系列合金白口铁,如Cr15Mo3或其他耐磨蚀材料。中间隔板的材料为65SiMnCu或其他耐磨蚀材料。c.
d.轴材料为45优质碳素钢,并经调质处理。填料轴套材料为45优质碳素钢喷焊镍基耐磨蚀涂层或其他耐磨蚀材料。e.
4.7材料成分、质量、技术要求和试验方法应符合下列标准GB979、GB976、GB977、GB1299、GB699、GB700.YB13的规定。
4.8与滚动轴承配合的部位应符合GB275的规定。4.9零件主要配合部位的加工表面粗糙度不大于下列规定:4.9.1与叶轮、中间轴套、奇形套、填料轴套、轴承内套及联轴器相配合的泵轴表面:Ral.6μm。4.9.2叶轮、中间轴套、奇形套、填料轴套、轴承内套、联轴器与泵轴配合的内孔表面:Ra3.2um。零件过渡配合表面:Ra3.2μm。4.9.3
上、下泵壳密封平面:Ra3.2μm。4.9.4
轴两端应保留中心孔。
MT196—89
4.11叶轮应做静平衡试验,其不平衡重量应符合JB/TQ380的附录B中G16级平衡精度的要求。切除不平衡重量时,可从外圆处平滑地切割叶片间的盖板;或在后盖板的外表面上平滑地切去产生偏重的金属,但切去的厚度不得超过后盖板名义厚度的四分之一4.12泵壳应使用常温清水作密封性试验和水压强度试验,试验压力应按各承压区实际工作压力的1.5倍同时进行,达到试验压力后的持续时间不得少于5min,试验过程中不得有渗漏现象。4.13泵在装配前,零件过流部位均应涂以防锈漆。4.14泵的所有零件必须经过检验合格后方可进行装配4.15转子部件对轴承外圆表面的径向跳动允差不得超过表2的规定。表2
公称直径
叶轮密封环外圆
>100~270
>270~500
4.16叶轮安装位置应在蜗室衬套中心,偏差不应超过1.5mm。4.17泵装配完后,在未装填料时,转子转动应灵活、均匀。差
轴套外圆
4.18零、部件的各配合部位应保证零、部件能互换。泵的安装尺寸应与图样一致。mm
4.19泵经性能试验合格后,应除净泵内积水,重新作防锈处理和更换新填料。外部表面应打磨平滑,仔细清除铁锈和油污,涂上底漆和面漆。需要时可打腻子。涂漆应均匀,不许有裂纹、脱皮、气泡、淤积等缺陷。外露加工表面应涂以硬化防锈油。泵成套供应范围包括:
装配完整的泵;
电动机,
底座;
联轴器;
泵入口、出口用闸阀;
易损备件;
装拆泵所必需的专用工具。
用户可根据需要,订购成套供应范围内的全部或一部分,并在订货单中注明。4.21在用户选用产品恰当和遵守泵的运输、保管、安装、使用规则条件下,从制造广发货日起12个月内,产品因制造质量不良而发生损坏或不能正常工作时,制造厂应负责免费为用户更换、修理产品或零件。但不包括全部易损零、部件的正常损坏。5试验方法与验收规则
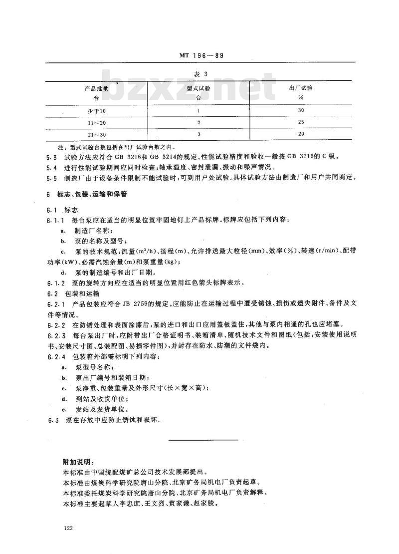
每台泵须经制造厂技术检验部门检查合格,并附有产品质量合格证方可出厂。5.1
5.2按下列规定进行试验:Www.bzxZ.net
新产品试制全部进行型式试验。a.
由于设计或工艺的变更,引起某些特性变化时,全部进行型式试验。b.
批量生产的产品按表3规定的数量进行型式试验,型式试验以外的其余产品,一般均应进行出c.
厂试验,但质量稳定的产品可按表3规定的比例进行出厂试验。试验发现不合格时,则按问题的性质决定加倍抽试或全部进行试验。
产品批量
少于10
注:型式试验台数包括在出广试验台数之内。MT196--89
型式试验
出厂试验
5.3试验方法应符合GB3216和GB3214的规定。性能试验精度和验收一般按GB3216的C级。5.4进行性能试验期间应同时检查:轴承温度、密封泄漏、振动和噪声情况。5.5制造厂由于设备条件限制不能试验时,可到用户处试验。具体试验方法由制造厂和用户共同商定。6标志、包装、运输和保管
6.1.标志
每台泵应在适当的明显位置牢固地钉上产品标牌。标牌应包括下列内容:6.1.1
制造厂名称;
泵的名称及型号,
泵的技术规范:流量(m2/h)、扬程(m)、允许排送最大粒径(mm)、效率(%)、转速(r/min)、配带c.
功率(kW)、必需汽蚀余量(m)和泵重量(kg);d.泵的制造编号和出厂日期。
6.1.2泵的旋转方向应在适当的明显位置用红色箭头标牌表示。6.2包装和运输
6.2.1产品包装应符合JB2759的规定。应能防止在运输过程中道受锈蚀、损伤或遗失附件、备件及文件等情况。
6.2.2在防锈处理和表面涂漆后,泵的进口和出口应用盖板盖住,其他与泵内相通的孔也应堵塞。6.2.3每台泵出厂时,应附带出厂合格证明书、装箱清单、随机技术文件和图纸(包括:安装使用说明书、安装尺寸图、总装配图、易损零件图),并封存在防水、防潮的文件袋内。包装箱外部需标明下列内容:
泵型号名称,
泵出厂编号和装箱日期;
泵净重、包装重量及外形尺寸(长×宽×高);到站及收货单位;
发站及发货单位。
6.3泵在存放中应防止锈蚀和损坏。附加说明:
本标准由中国统配煤矿总公司技术发展部提出。本标准由煤炭科学研究院唐山分院、北京矿务局机电厂负责起草。本标准委托煤炭科学研究院唐山分院、北京矿务局机电厂负责解释。本标准主要起草人李忠庶、王文烈、黄家谦、赵家骏。122
小提示:此标准内容仅展示完整标准里的部分截取内容,若需要完整标准请到上方自行免费下载完整标准文档。