首页 > 煤炭行业标准(MT) > MT 217-1990 立井罐笼用摇台
MT 217-1990

基本信息

标准号: MT 217-1990

中文名称:立井罐笼用摇台

标准类别:煤炭行业标准(MT)

标准状态:现行

发布日期:1990-10-26

实施日期:1990-11-01

出版语种:简体中文

下载格式:.rar.pdf

下载大小:163129

相关标签: 立井

标准分类号

中标分类号:矿业>>矿山机械设备>>D93提升、贮运设备

关联标准

出版信息

出版社:中国煤炭工业出版社

页数:5页

标准价格:8.0 元

出版日期:1990-11-01

相关单位信息

起草人:杨玉芳

起草单位:沈阳煤矿设计院

提出单位:中国统配煤矿总公司基建局

发布部门:中华人民共和国能源部

标准简介

本标准规定了立井罐笼用摇台(以下简称“摇台”)的产品分类、技术要求、试验方法、检验规则和标志、包装、运输、贮存。本标准适用于立井罐笼用摇台。摇台为承接罐笼和进出车场地的一种活动平台,便于罐笼内外空重车顺利替换。 MT 217-1990 立井罐笼用摇台 MT217-1990 标准下载解压密码:www.bzxz.net

标准图片预览

MT 217-1990 立井罐笼用摇台
MT 217-1990 立井罐笼用摇台
MT 217-1990 立井罐笼用摇台
MT 217-1990 立井罐笼用摇台
MT 217-1990 立井罐笼用摇台

标准内容

中华人民共和国行业标准
立井罐笼用摇台
主题内容与适用范围
MT 217-90
本标准规定了立井罐笼用摇台(以下简称“摇台”)的产品分类、技术要求、试验方法、检验规则和标志、包装、运输、贮存。
本标准适用于立井罐笼用摇台。摇台为承接笼和进出车场地的一种活动平台,便于罐笼内外空重车顺利替换。
2引用标准
优质碳素结构钢钢号和一般技术条件GB 1804
公差与配合未注公差尺寸的极限偏差GB1184形状和位置公差未注公差的规定MT154.1煤矿机电产品型号的编制导则和管理办法3产品分类
3.1品种和型式
3.1.1本标准规定摇台的动力方式为气动式。当动力缸发生故障时,可用临时手把操作。不装车时,摇臂以外动力强制抬起,工作位置时摇臂靠自重浮动于罐笼底板上,进行承接工作。3.1.2本标准规定的摇台按轨距和调节高度分为四种规格,其基本参数和主要尺寸应符合表1和图的规定。
3.2产品型号
产品型号标记按MT154.1的规定。型号标记说明:
调节高度,用分米数表示
轨距,用分米数表示
斜面操纵
型号标记示例:
轨距为600mm,调节高度为500mm,斜面操纵的摇台型号为YX6/5。注:本标准规定的产品型号标记与原已形成的产品型号标记方法对照如下,原产品型号标记为CY--/2,本标准产品型号标记为YX/图。4技术要求
4.1摇台产品应符合本标准的要求,并按照经规定程序批准的图样和技术文件制造中华人民共和国能源部1990-10-26批准1990-11-01实施
MT 217—90
4.2本标准未包括的设备制造通用技术要求,可按《煤矿机电修配厂通用技术标准》的规定4.3机械加工制造图样上未注公差尺寸的极限偏差应符合GB1804中IT14级的规定,当未注公差尺寸的另一表面为非加工面时,极限偏差按JS16(js16)。4.4产品制造图样上未注形位公差的机械加工零件的公差值,应符合GB1184中下列公差值:我
直线度、平面度未注公差按D级公差值;同轴度、对称度未注公差按D级公差值;b.
圆度公差值应不大于尺寸公差值;平行度、垂直度未注公差则按其附表3中12级公差值。d.
4.5本标准规定摇台应保证下列工作条件:笼在井口和井底车场停位不得超出摇台规定的调节范围。a.
b。通过笼下大设备时,需将罐笼停在摇台调节高度最低位,使摇臂搭在摇臂前端限位梁上,并在摇臂中部下面加金属支撑。
4.6摇尖本体、摇台轴、摇尖与摇臂连接的销轴材质为45号钢,其化学成分及机械性能应符合GB699的规定。
摇尖本体坏料应锻造加工,锻造后正火处理。4.73
4.8摇臂钢轨必须平直,不允许有扭曲,裂纹,损伤和锈蚀痕迹。4.9进出车侧摇台组装后应符合如下要求:摇臂长度允许偏差为土2.5mm;
摇替轨距允许偏差为1mm
摇臂钢轨侧面直线度在全长内不得大于1.5mm;c.
摇臂两钢轨面高低差:短摇台不得大于2mm,长摇台不得大于4mm。4.10摇尖转动应灵活,在任何工作状态下均应能自动恢复到初始位置。4.11在额定工作压力下,气动操作系统的各部件,工作应灵活、准确、平稳、可靠。工作气缸推动滑车前后移动时,摇臂起落应自如,不得有剧烈冲击。播台在运行时,气动控制系统应使进出车两侧摇臂起落同步。
2对气缸性能的要求:
气缸试运转时动作应灵活,无滞阻现象;气缸启动压力应不高于0.05MPa;气缸内泄漏试验时,要求在工作气压为额定压力下,活塞杆下沉量不得大于1mm/min;气缸耐压试验时,气缸各部联接处不得有外渗漏现象;d.
气缸缓冲试验时,活塞到行程末端处,不得有明显的冲击;e.
气缸在全行程检验时,要求行程符合设计要求。4.13所有零部件必须经检验合格,外购件和外协件必须有合格证明书,方可进行装配。4.14摇臂型钢组装前进行酸洗、钝化或喷砂处理,然后涂一道环氧富锌底漆,组装后再涂二三道环氧沥青防锈漆,其他外表面应涂一道防锈底漆,一道面漆,最后全部涂一层浅色油漆,油漆的其他技术要求按《煤矿机电修配厂通用技术标准》装配分册中涂漆的规定。4.15在用户遵守产品的保管、使用、安装、运输规则的条件下,从制造厂发货日起两年内,其中正式投入使用期不超过六个月,产品因制造质量问题而发生损坏或不能正常工作时,制造广应免费为用户修理,更换零件。
5试验方法
5.1外观检验
对产品外观表面的油漆、铆、焊质量,铸、锻件裸露部分的表面质量,锈蚀程度和摇台的结构造型等164bzxZ.net
进行测评。
5.2外形尺寸及偏差的检验
5.2.1外型尺寸检验
用尺测量摇臂长度和轨距尺寸。5.2.2摇臂钢轨侧面直线度检验
MT 217--90
用直尺和塞尺沿钢轨长度方向测量钢轨直线度。5.2.3摇臂两轨面高低差检验
用测量工具测量摇臂两轨面高低差。5.3空载试验
5.3.1摇台起落灵活性检验
将装配完毕的进车侧或出车侧摇台安装在试验台上,然后向驱动气缸送气,气缸推动滑车往复运动,使摇臂作起落动作。进出车摇台各做起落动作10次以上,检查动作是否灵活。5.3.2摇臂下落冲击检验
试验中的气缸作反向供气,滑车后退,使摇臂下落,摇臂下落至最低位置与限位梁接触时,检查有无剧烈冲击。如试验中发现摇臂下落速度过快,冲击剧烈时,可采用加配重块方法调整摇臂端与配重端的力矩关系,使摇臂端力矩稍大于配重端。5.3.3摇尖转动灵活性检验
用手搬动摇尖,当手轻轻放开后,检查摇尖能否自动复位。5.4气缸性能试验
5.4.1气缸运转试验
将气缸固定在试验台上,气缸处于空载状态,正反向供气,使气缸作全行程往复动作数次,5.4.2最低启动压力试验
被试气缸处于空载状态,缓缓打开气路中调压阀,并向气缸供气,测量气缸活塞刚启动时压力。5.4.3内泄漏试验
在活塞两侧分别通入额定压力的压缩空气,保压5min,检查活塞杆下沉量。5.4.4耐压试验
活塞两端分别进行耐压试验,试验压力为1.5倍额定压力,保压1min,检查渗漏现象。5.4.5缓冲试验
在工作压力为0.7MPa的空载状态下,平均速度为500mm/s时,要求活塞在行程末端无明显冲击现象。
5.4.6满载连续运转试验
满载时,气缸在额定压力下作全行程往复动作数次,检验密封处有无海。5.4.7全行程试验
气缸活塞分别停于两端位置,测量全行程长度。6检验规则
6.1摇台须经生产厂质量检验部门检验合格后方可出厂,并出具产品合格证。6.2产品检验分为出厂检验和型式检验,检验项目见表2。6.3凡摇台有下列情况之时,应进行型式检验:新产品或老产品转厂生产的试制定型鉴定;a.
b.正式生产后,如结构、材料、工艺有较大改变,可能影响产品性能时;c.
正常生产情况下,每两年或积累20台产品时进行一次检验;停产三年以上,再次生产时。
每次型式检验应不低于2台。
7标志、包装、运输、贮存
MT 2i7-—90
7.1每台产品应在摇臂侧面明显位置固定产品铭牌。产品铭牌应标明的内容如下:a.
制造厂名称;
产品名称;
产品型号;
主要技术参数:轨距、播臂长度、调节高度、设备总重量;出广日期与编号。
摇台气缸用箱装应牢固可靠,其他部件包扎应符合水、陆运输要求。7.23
每台产品出厂时应随带的文件包括:7.3
装箱单,
产品出厂合格证,
产品说明书,
产品总图及基础资料图,
备件清单。
随带文件应用塑料袋装
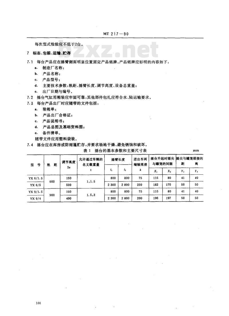
7.4摇台应在库房或防雨贮存,并要求场地干燥、避免锈蚀和破坏。表1播台的基本参数和主要尺寸表调节高度
允许通过车辆的
名义裁量量
摇臂长度
进出车两
蹦轴高差
摇尖与罐笼搭接的
摇台升起时摇尖
与磷笼的间隙
外观检验
外型尺寸与公差的检验
外型尺寸检验
摇臂钢轨侧面直线度检验
摇臂两轨面高低差检验
空载试验
摇台起落灵活性检验
摇臂下落冲击检验
摇尖转动灵活性检验
气缸性能试验
气缸运转试验
最低启动压力试验
内泄漏试验
耐压试验
缓冲试验
满载连续运转试验
全行程试验
附加说明:
MT 21790
型式检验
本标准由中国统配煤矿总公司基建局提出。本标准由沈阳煤矿设计院负责起草。本标准主要起草人杨玉芳。
本标准委托沈阳煤矿设计院负责解释。检验
小提示:此标准内容仅展示完整标准里的部分截取内容,若需要完整标准请到上方自行免费下载完整标准文档。