首页 > 煤炭行业标准(MT) > MT 235-1991 立井多绳罐笼 平衡锤
MT 235-1991

基本信息

标准号: MT 235-1991

中文名称:立井多绳罐笼 平衡锤

标准类别:煤炭行业标准(MT)

标准状态:现行

发布日期:1991-02-02

实施日期:1991-05-01

出版语种:简体中文

下载格式:.rar.pdf

下载大小:356617

相关标签: 立井 多绳 平衡

标准分类号

中标分类号:矿业>>矿山机械设备>>D93提升、贮运设备

关联标准

出版信息

出版社:中国煤炭工业出版社

页数:18页

标准价格:14.0 元

出版日期:1991-05-01

相关单位信息

起草人:景正利

起草单位:兖州煤炭设计研究院

提出单位:中国统配煤矿总公司技术发展局

发布部门:中华人民共和国能源部

标准简介

本标准规定了立井多绳罐笼平衡锤(以下简称“平衡锤”)的产品分类、技术要求、试验方法、检验规则和标志、包装、运输、贮存。本标准适用于立井多绳罐笼配套提升的平衡锤。 MT 235-1991 立井多绳罐笼 平衡锤 MT235-1991 标准下载解压密码:www.bzxz.net

标准图片预览

MT 235-1991 立井多绳罐笼 平衡锤
MT 235-1991 立井多绳罐笼 平衡锤
MT 235-1991 立井多绳罐笼 平衡锤
MT 235-1991 立井多绳罐笼 平衡锤
MT 235-1991 立井多绳罐笼 平衡锤

标准内容

中华人民共和国行业标准
立井多绳罐笼
1主题内容与适用范围
平衡锤
MT 235—91
本标准规定了立井多绳罐笼平衡锤(以下简称\平衡锤\)的产品分类、技术要求、试验方法、检验规则和标志、包装、运输、贮存。本标准适用于立并多绳端笼配套提升的平衡锤。与其配套的缝笼系列有:MT2321t矿车立井多绳笼(以下简称”1t瞄笼\)MT2331.5t矿车立井多绳端笼(以下简称\1.5t罐笼\)MT2343t矿车立井多绳罐笼(以下简称3t罐笼)本标准分窄、宽型,其中,平衡捶窄型适用于首绳悬挂装置XSD60(B)、XSD90(B)、XSD135(B)及组合钢髓道滚轮罐耳L25,L30,L35型;平衡锤宽型适用于首绳悬挂装置XSD170(B)、XSD200(B)及组合钢髓道滚轮髓耳LS30、LS35型。2引用标准
锦钉技术条件
GB 116
优质碳素结构钢钢号和一般技术条件GB 699
普通碳水结构钢技术条件
GB 700
GB1184形状和位置公差未注公差的规定GB1804公差与配合未注公差尺寸的极限偏差钢结树设计规范
JB/ZQ3011工程机械焊接件通用技术条件MT236组合钢道滚轮織耳
MT237.2多绳升容器B型钢丝绳悬挂装置多绳提升容器
B型钢丝绳悬挂装置
MT 237,4
3术语
器:B型钢丝绳魁挂装置
多绳提升容器
多绳提升容器B型制丝绳基挂装置垫块式首绳悬挂装置
圆尾绳悬挂装置
扁愿绝悬挂装室
技术条件
3.1平衡锈窄型:断面尺寸为2500mm×780mm的平衡链。3.2平衡锤宽型,断面尺寸为2500mm×910mm的平衡锂。3.3首绳悬挂装置:平衡锤本体与提升绳之间的连接装置。3.4尾绳最挂装置,平衡钢丝绳与平衡锤本体底部的连接装置(有圆、扁两种尾绳悬挂装置)。3.5制动罐耳:平衡锤过卷时,进入模形道的刚性燃耳。4产品分类
4.1品种
中华人民共和国能源部1991-02-02批准244
1991-05-01实施
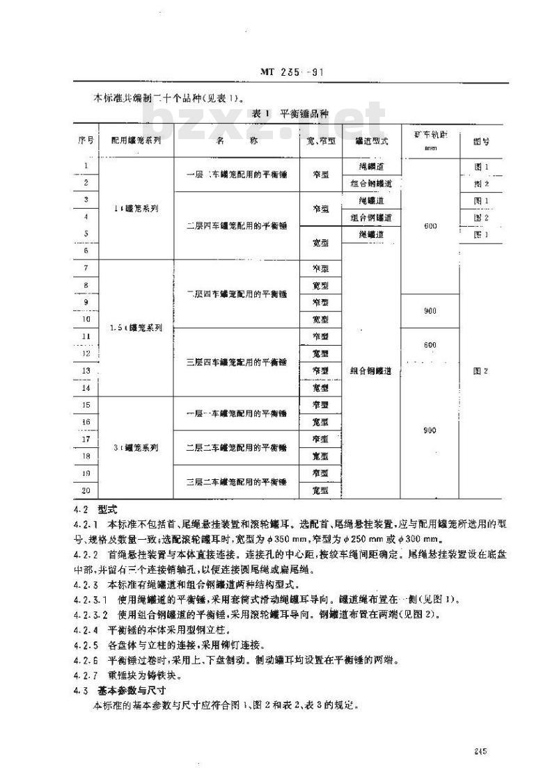
本标准共编制一十个品种(见表1)。序号
配用罐笼系列
11罐笼系列
1. 5 1罐笼亲列
3[笼系列
4.2型式
MT 235 -91
表1平衡锤品种
一层车储笼配用的平衡锤
二层四车谨笼配用的平衡链
一层四车端笼配用的平衡链
三层四车罐笼配用的平衡链
一层--车雌笼配用的平衡体
二层二车雌笼配用的平衡懂
三层二车雌笼配用的平衡锤
宽、窄型
罐道型式
馄潮道
组合钢罐道
绳速道
组合钢储道
绝罐道
组合钢尴道
4.2.1本标准不包括首、尾绳悬挂装置和滚轮鳍耳。选配首、尾绳悬挂装置,应与配用罐笼所选用的型号、规格及数量一致选配滚轮罐耳时,宽型为中350mm,窄型为Φ250mm或300mm。4.2.2首绳悬挂装罩与本体直接连接。连接孔的中心距,按绞车绳间距确定。尾绳悬挂装置设在底盘中部,并翼有三个连接销轴孔,以便连接测尾绳或扁尾绳。4.2.3本标准有绳髓道和组合钢罐道两种结构型式。4.2.3.1使用绳继道的平衡锤,采用套简式滑动绳耳导向。罐道绳布置在:制(见图1)。4.2.3.2使用组合钢罐道的平衡锤,采用滚轮罐耳导向。钢继道布置在两端(见图2)。4.2.4平衡锤的本体采用型钢立柱。4.2.5各盘体与立柱的连接,采用铆钉连接4.2.6平衡锤过卷时,采用上,下盘制动。制动箍耳均设置在平衡锤的两端。4.2.7重锤块为铸铁块。
4. 3基本参数与尺寸
本标准的基本参数与尺寸应符合图1、图2和表2、表3的规定,245
MT 235—91
(高峰长座
图 1 PDS 系,列平衡锤
MT 25—91
上,在体长度)
L(镇事外学)
图 2 PD 系列平衡
平衡蟠型号
PDS1/6/1/2/8.3
PDG1/6/1/2/8. 3
PDS1/6/2/4/14. 2
PDS1/6/2/4/14.2K
PDO1/6/2/4/14.2
PDG1/6/2/4/14.2K
PDG1.5/6/2/4/18,8
PDG1, 5/6/2/4/18. 8K
PDG1.5/9/2/4/19.3
PDG1.5/9/2/4/19.3K
PDG1.5/6/3/4/20.8
PDG1.5/6/3/4/20. 8K
PDG1.5/9/3/4/21.4
PDG1.5/9/3/4/21.4K
PDG3/9/1/1/11. 8
PDG3/B/1/1/11.8K
PDG3/9/2/2/18.7
PDG3/9/2/2/18.7K
FDG3/9/3/2/21
PDG3/9/3/2/21K
配用能型号
GDS1/6/1/2K
GDG1/6/1/2K
GDS1/6/2/4K
GDG1/6/2/4K
GDG1.5/6/2/4K
GDG1.6/9/2/4K
GDG1.5/6/3/4K
GDG1.5/9/3/1K
GDG3/9/1/1K
GDG3/9/2/2K
GDG3/9/8/2K
注:表中首,尾绳及绞车规格均以井1000m计算,供参考。表2
基本参数
平德锤
最大终
瑞裁荷
提升钢丝绳wwW.bzxz.Net
1)选配提升钢丝绳规格时,钢丝维的抗拉独度取0s—17Dkg/mm*,其余均取0z=155kg/mm3
宽×厚
119×20
166×26
127×28
163×27
139×23
177×28
155×26
12×31
117×24
组合钢
蝇蹦道
增道宽度 直径范围
适用的多绳摩擦轮
提升机型号
JKM-2. 8X 4
JKM-1X4
JKM 3. 5×6
JKM-4×4
JKM-3.5×6
JKM-4X4
JKM-3.5>6
JKM-4x
JKM-3. 5×6
JKMD-4.5X4
JKM-3.5×6
JKM-1× 4
iJKM-3.5×
平衡锤型号
PDS1/6/1/2/R.3
PDG1/6/1/2/8. 3
PDS1/6/2/4/14. 2
PDSi/6/2/4/14.2K
PDG1/6/2/4/14.2
PDG1/6/2/4/14. 2K
PIG1.5/6/2/4/18.8
PDG1. 5/6/2/4/18. 8K
PDG1.5/9/2/4/19. 3
PDG1. 5/9/2/4/10. 3K
PDG1. 5/6/3/4/20. 8
PDG1.5/6/3/4/20.8K
PDG1. 5/9/3/4/21. 4
PDG1.5/9/3/4/21.4K
PDG3/9/1/1/11. 8
POG3/9/1/1/11.8K
PDG3/9/2/2/18.7
PDG3/9/2/2/18.7K
PDG3/9/3/2/21
PDG3/9/3/2/21K
4.4型号编制方法
型号编制示例:
MT 235-91
主要尺寸
补充持征代号
主参数代号
第二特征代号
2930500
6560700
J3900500
第一特征代号(立井多绳)
类型代号(平衡锤)
200700280
4001000400
1.5/9 /2 /4 /19.3 k
4. 5组合型号编制方法
MT 235-—91
宽型平衡锤(窄型平衡锤不注)-平衡锤重单 19. 3 t
罐笼装载矿东总数四辆
罐笼层数二层
-900mm轨距矿车
矿车名义载重 1. 5 t
组合钢罐道(绳罐道用S表示)
-立片多绳
平衡锤
轮耳型号
尾绳悬捷装置型号
首绳悬挂装置型号
平衡锤型号
设计选型和订货时·必须注明平衡锤,首、尾绳题挂装置及滚轮瞄耳的组合型号。组合型号编制示例:
例如;19.3t平衡锤宽型,与900mm轨距,1.5t矿车二层四车宽型罐笼,350mm滚轮罐耳、6根1350kN首绳悬挂装置、3根1000kN圆属绳悬挂装置的组合,其组合型号为tPDG1.5/9/2/4/19.3K—XSD135(B)/64. 6装置组合
-XWY100(B)/3—LS35
滚轮罐耳型号
尾绳数量
诺绳总挂装置型号
首绳数量
首绳悬挂装置型号
平衡锤型号
平衡锤与罐笼、首绳悬挂装暨、尾绳悬装置、滚轮耳的组合,由设计单位选定,选用时参照附录A。
5技术要求
5.1平衡锈应符合本标准的要求,并按照经规定程序批推的图样和技术文件制造。5.2本标准未规定的设备制造通用技术要求,应按国家和行业标准的有关规定执行,5.3平衡锤所用材料必须符合国家和行业标准的有关技术规定,并具有供应厂的合格证,否则必须进250
MT23591
行试验,合格者方使用,充许以性能不低于本标准规定的材料代替。重要零作的材料代用,必须征得设计单位的同意。
5.4所有零件必须整料制作。
5. 5所有弯曲,锻造和冲压零件,不得有裂纹、断口和麻点等缺陷。5.6铸、锻件的非切削表面和钢板、型钢的切割面应平整、无缺。5.7焊缝应平滑整齐、不应出现烧穿、裂纹、弧坑等缺陷。5.8焊接成形的零部件,焊后必须憋形。5.9铆钉应固完整、不许有歪斜、裂纹、松动等缺陷。5. 10图样中未注尺小公差,机加工件应符合 GB 1804 中的 IT14级;焊接、铸造件为 1T16级。图样中未注形位公差,机加工件应符合 GB 1184 中的 D级。5.11
5.12各属树件除配合面外,零、部件(不含重锤块)组装前必须进行防处理。5.12.1零,部件涂装前须进行表面处睡·使金属表面清除到仅有轻微的点状或条纹状痕迹的程度,并用干燥的压缩空气或其他工具清理表面,表面呈银灰色。5. 12. 2根据矿并的条件选择合适的防腐涂料。在H大于或等于 6的中,碱性水质条件下,可优先选用环氧(沥育)类涂料。在pH小于6的酸性条件下和地下水含盐量高的地区,可优先选用氯化(氧丁)橡胶类涂料。
5.12.3选用环氧(沥青)类涂料时,可选用环氧富锌底漆作涂层底。选用氧化(氟丁)橡胶类涂料时,可选用氣化(氣丁)橡胶富锌底漆作涂层的底辣。5.12.4底漆涂刷一道,涂膜厚度30um。防护面漆涂刷三道,涂刷总厚度不小于150um。读膜附着力不低于80%。外表面徐刷枯黄色油漆。5.13主梁(悬持板)应用探伤仪检查,检查的内容应符合有关标准的规定。5.14平衡锤本体
衡锤本体的尺寸公差,应符合表4的规定。表4平衡本体尺寸公差
测量对象
长度方向
宽度方间
商度方向
两蝴钢幅耳底面间距
注:表中代号图1、图2。
基本尺寸
650--680
2930~3900
6460-~6600
9±109850
2220-2230
5.14.2平衡锤本体形状、位置公差,应符合表5的规定。极限偏差
配一层噬笼
配二层笼
配三层鞋笼
糖测要素
MT235-91
表5平衡锤本体形状.置公差
公差.mm
十梁(起挂板)品吊孔中心线
配一层禅笼
各盘体平面
各立柱
配二层瑚笼
配三层错笼
配一层笼
配二层键笼
配三层端笼
各盘端罐耳底面
各盘端罐耳两侧面
框架中心线
框媒中心线
框中心线
5.14.3平衡锤制作后,应组装并带重锤块作整体起品平衡试验,其偏心力矩不大于200Nm。5.15平衡锤的所有零件必须检验合格,外购件和外协件必须有合格证,方可进行组装。5.16采用本标准时,应具备下列基本条件:5.16.1并上、下必须设置楔形制动罐道和防撞梁。并在并上设置过卷托懿逆止爪装置。5.16.2在井简内平衡链与罐笼,以及平衡睡,笼与井壁、髓道梁之间的间隙,必须符合煤矿安全规程的有关规定。平衡链在并简的断面布置及尺寸参考附录E。6试验方法
6.1平衡锤主梁(悬挂板)检查
平衡梁(感板)应按第5.13条的规定进行检查,并附有探伤报告单。6.2铆钉质量检查
6.2.1铆钉的检查方法:
a.根据钉直径,选用0.25~0.4kg的小链敲击检查。用样板捡查铆钉的尺寸。
6.2.2目测铆钉的外观质量,检查铆钉是否有裂,残缺、扭曲和变形等缺陷。6.2.3不合格的铆钉应铲掉重铆,但更换有缺陷的铆钉数量不得超过本节点铆钉总数的20%。对重要的部件或部位不允许有缺陷的铆钉。6.2.4铆接后,零件间的密合程度,可用0.1mm的塞尺检查,不紧贴的铆钉必须铲掉重铆,不得用烤铆的方法进行二次铆合。
6. 3 焊缝质重检查
焊缝外观检查应在涂续前进行,其外部缺陷不得超过JB/ZQ3011规定的充许范围。用日测或10倍的放大镜进行检查。是否有裂纹、夹渣,烧穿,飞溅残泄,焊瘤或未焊满,未焊透等缺陷,对重要的部位应用小锤敲山检查是否有气孔和夹渣。6.4几何尺寸检查
几何尺寸检查接表1的规楚,用钢卷尺或钢板尺一次测出。6.5平衡锤起吊平衡试验
6.5.1以平衡锤起吊中心为起吊点,将平衡锤提离地面、调平、挂铅垂线对表5中各项进行测革。6.5.2平衡锤试验应符合本标准第5.14.3条规定。6.6代用材料检查
MT 235 -9]
半衡锤材料代用后,厂家应向用广提供代用材料和被代用材料的型号、规格等,提供平衡链增加或减小的重量值,并测出平衡锤实际重地,记入名牌。6. 7 涂漆质量检查
6.7.1外表涂层应光亮、平担,色泽均匀一致,无裂纹刹落和流痕,无机械杂质,无修整痕迹。6.7.2平衡锤防腐处理应符合本标准第5.12条规定。6.7.3漆膜附肴力采用画格法测试,用单面刀片划1mm×1mm小格100个以上,然后用手轻轻擦抹漆膜,若95%以上的漆膜不脱落,为优良+80%以上不脱落为合格。6.8挂平衡锤谢试
乎衡锤在现场安装时,调整好滚轮道耳与罐道的压力,测盘制动罐耳与道的隙应符合《煤矿安全规程》第351条的规定。不符合规定,应及时整形或调制动罐耳下的垫片,以保证在提升中髓耳不与铺道摩擦。
了检验规则
7.1每台平衡锤必须经制造厂质量检查部门检验合格,并谢有产品质量台格证方可出厂。7.2平衡锤的检验项目分出厂检验与现场检验两种。详见表6。表 6检验项目
检脸项目
平衡谨主梁(悬挂板)捡查
接质量检查
焊续质量检查
几何尺寸检查
平衡锤起吊平衡试验
代用材料检查
徐榛质盈换查
挂平衡谨谢试
注,(1) 表中\V\液示该项日出厂进行检验。表中\\表示该项目现场进行检验。表中\义\表示该项月不验。
梭限神类
出厂检验
现场检验
7.3平衡搓的试运转检查由用户负责在现场进行,制造厂负责处理试运转中出现的制造质量问题。用户有权按照本标准规定,检验产品质是否达到要求,有异议时,应由质量监督部门仲裁。7.4
标志、包装、运输、贮存
在平衡锤上弦梁中部,固定产品铭牌,铭牌应标明以下内容:e.
制造广名称:
产品名称;
产品型号;
平衡锤实际重量;
重锤块数量;
外形尺寸(长×宽×高,mm)
出厂日期及编号。
8.2包装
MT 235.-91
除本体及重锤块裸装外,其余零、部件及备件均应装箱发运。8. 2. 2
本体凸出部分,应用木材等包扎保护。8. 2. 3
平衡锤产品发货时,须随同供应下列空件:产品合格证:
产品说明书:
装箱单:
乎-衡链总图。
8. 3运输
8.3.1平衡锤采用整体运输。
8.3.2.运输时必须设构件加固,防止碰伤或变形。8. 4贮存
8.4.1平衡锤应在井口房、库房或遮撕内存。8.4.2-衡锤一般宜吊挂存放。并应有相应措施,防止变形。8.4.3定期进行涂漆和途防锈油脂。251
PDS1/6/1/2/8.3
PLG1/6/1/2/8.a
PDS1/l1/2/4/14. 2
PDS1/6/2/4/14.2K
PLIG1/6/2/4/14.2
PDGI/6/2/4/14.2K
PIXG1.5/6/2/4/18.8
PDG1.5/6/2/1/18.8K
PDG1. 5/9/2/4/19. 3
PRG1.5/9/2/4/18.3K
PDO1. 576/3/4/20. *
PDG1.5/G/3/4/20.8K
PPG1. 5/9/3/4/21.4
PDG1.5/9/3/4/21.4K
PDG3/9/1/1/11.8
PDG3/9/1/1/11. 8K
PDG3/9/2/2/18. 7
PDGS/9/2/2/18.7K
PDG3/9/3/2/21
PD03/9/8/2/21K
MT 235 - 91
附录A
平衡锤选用参数表
立井多绳笼
(补充件)
思挂板
充许受大使用载荷
注:表中所选参数均按井深1000m计算。平衡輕单包括所配重睡块重盘。单根绳总注装置
允许最人使用载荷
选配的首绳悬挂装查和滚轮谐耳的外形最大宽度不得大于平衡宽度、平衡重
小提示:此标准内容仅展示完整标准里的部分截取内容,若需要完整标准请到上方自行免费下载完整标准文档。