首页 > 煤炭行业标准(MT) > MT/T 634-1996 煤矿矿井风量计算方法
MT/T 634-1996

基本信息

标准号: MT/T 634-1996

中文名称:煤矿矿井风量计算方法

标准类别:煤炭行业标准(MT)

标准状态:现行

发布日期:1996-12-30

实施日期:1997-11-01

出版语种:简体中文

下载格式:.rar.pdf

下载大小:230028

相关标签: 煤矿 矿井 计算方法

标准分类号

中标分类号:矿业>>地质矿产勘察与开发>>D15采矿

关联标准

出版信息

出版社:中国煤炭工业出版社

页数:7页

标准价格:10.0 元

出版日期:1997-11-01

相关单位信息

起草人:姚尔义

起草单位:煤炭科学研究总院抚顺分院

提出单位:煤炭工业部科技教育司

发布部门:中华人民共和国煤炭工业部

标准简介

本标准规定了煤矿矿井、采区和各用风地点的风量计算方法,风量分配和供风量的检验办法。本标准适用于煤矿的新井设计、生产矿井的改扩建和新采区的作业规程的风量计算,以及矿井通风管理中的风量分配与调节。 MT/T 634-1996 煤矿矿井风量计算方法 MT/T634-1996 标准下载解压密码:www.bzxz.net

标准图片预览

MT/T 634-1996 煤矿矿井风量计算方法
MT/T 634-1996 煤矿矿井风量计算方法
MT/T 634-1996 煤矿矿井风量计算方法
MT/T 634-1996 煤矿矿井风量计算方法
MT/T 634-1996 煤矿矿井风量计算方法

标准内容

MT/T634—1996
煤矿矿井的供风是保证矿井工作人员正常劳动和安全生产的基本条件。矿井供风量也是确定矿井主要井巷断面尺寸和主要通风机能力的基础数据。因此,本标准可作为矿井通风设计和日常通风管理工作的依据和检查标准。
本标准由煤炭工业部科技教育司提出。本标准由煤矿安全标准化技术委员会归口。本标准起草单位:煤炭科学研究总院抚顺分院。本标准主要起草人:姚尔义。
本标准委托煤矿安全标准化技术委员会通风技术及设备分会负责解释。179
1范围
中华人民共和国煤炭行业标准
煤矿矿井风量计算方法
MT/T 634--1996
本标准规定了煤矿矿井、采区和各用风地点的风量计算方法,风量分配和供风量的检验办法。本标准适用于煤矿的新井设计、生产矿井的改扩建和新采区的作业规程的风量计算,以及矿井通风管理中的风量分配与调节。
2引用标准
下列标准包含的条文,通过在本标准中引用而构成为本标准的条文。在标准出版时,所示版本均为有效。所有标准都会被修订,使用本标准的各方应探讨使用下列标准最新版本的可能性。TJ36-~79工业企业设计卫生标准煤矿安全规程1992年10月22日中华人民共和国能源部3定义
本标准采用下列定义。
需风量reguired air quantity
为用风地点供给人员呼吸、稀释和排出有害气体、矿尘和创造良好气候条件所需要的风量。4矿井风量计算方法
4.1风量计算依据
供给煤矿井下任何用风地点的新鲜风量,必须依照下述各种条件进行计算,并取其最大值,作为该用风地点的供风量。
4.1.1按该用风地点同时工作的最多人数计算,每人每分钟供给风量不得少于4m\;4.1.2按该用风地点的风流中瓦斯、二氧化碳、氢气和其他有害气体的浓度,风速以及温度等都符合《煤矿安全规程》的有关各项规定要求,分别计算,取其最大值。4.2风量计算原则
无论矿井或采区的供风量,均按该地区各个实际用风地点,按照风量计算依据,分别计算出各个用风地点的实际最大需风量,从而求出该地区的风量总和,再考虑一定的备用风量系数后,作为该地区的供风量。即由采、掘工作面、碱室和其他用风地点计算到各个采区和全矿井总风量。4.3矿并风量计算的基础资料
4.3.1新井设计、生产矿井的改、扩建和新水平延深时的采、掘工作面、碉室和其他用风地点的配置数量、工程设计、平面布置图和地质说明书。4.3.2矿井和采、掘工作面瓦斯涌出量预测资料。瓦斯涌出量可按煤层瓦斯含量预测资料、瓦斯来源和开采条件等因素进行计算,或按矿井实际瓦斯涌出量和瓦斯梯度进行计算。当设计新井瓦斯资料不足时,也可参照邻近生产矿井的瓦斯资料进行计算。4.3.3采、掘工作面和通风巷道风流温度预测资料。按矿井当地的气温、地温、井下机械设备等热源、其中华人民共和国煤炭工业部1996-12-30批准180
1997-11-01实施
MT/T634--1996
他热源和岩石的热物理性能,计算井下各通风巷道和采、掘工作面的风流温度。4.3.4每个机械碱室的装机容量和运转的电动机总功率、爆破材料库的空间总容积和充电碉室中蓄电池机车同时充电的台数和吨数。4.4矿井需风量的计算方法
4.4.1采煤工作面需风量的计算。采煤工作面的风量应按下列因素分别计算,取其最大值。4.4.1.1按瓦斯涌出量按式(1)计算:Q 100gerkgti
式中:Q
第i个采煤工作面需要风量,m/min;第;个采煤工作面瓦斯平均绝对涌出量,m\/min。可根据该采煤工作面的煤层埋藏条件、地质条件、开采方法、顶板管理、瓦斯含量、瓦斯来源等因素进行计算。抽放矿井的瓦斯涌出量,应扣除瓦斯抽放量进行计算。生产矿井可按条件相似的工作面推算;第!个采煤工作面因瓦斯涌出不均匀的备用风量系数,它是该工作面瓦斯绝对涌出量的kx
最大值与平均值之比。生产矿井可根据各个工作面正常生产条件时,在整个工作面开采期间,均匀间隔的选取不少于5个昼夜,进行观测,得出5个比值,取其最大值。通常根据采煤方法可按表1选取;
表1各种采煤工作面瓦斯涌出不均匀的备用风量系数采煤方法
机采工作面
炮采工作面
水采工作面
1. 2~1. 6
当采煤工作面有其他有害气体涌出时,也可按有害气体涌出量和不均匀系数,使其稀释到《煤矿安全规程》规定的最高允许浓度计算之。4.4.1.2按工作面进风流温度计算:采煤工作面应有良好的气候条件。进风流温度可根据风流温度预测方法进行计算。其气温与风速应符合表2的规定:
表2采煤工作面空气温度与风速对应表采煤工作面进风流气温
18~20
20~23
采煤工作面的需要风量按式(2)计算:式中: ti—
Q:- 60v,Stk
采煤工作面风速
1. 0~1. 5
·(2)
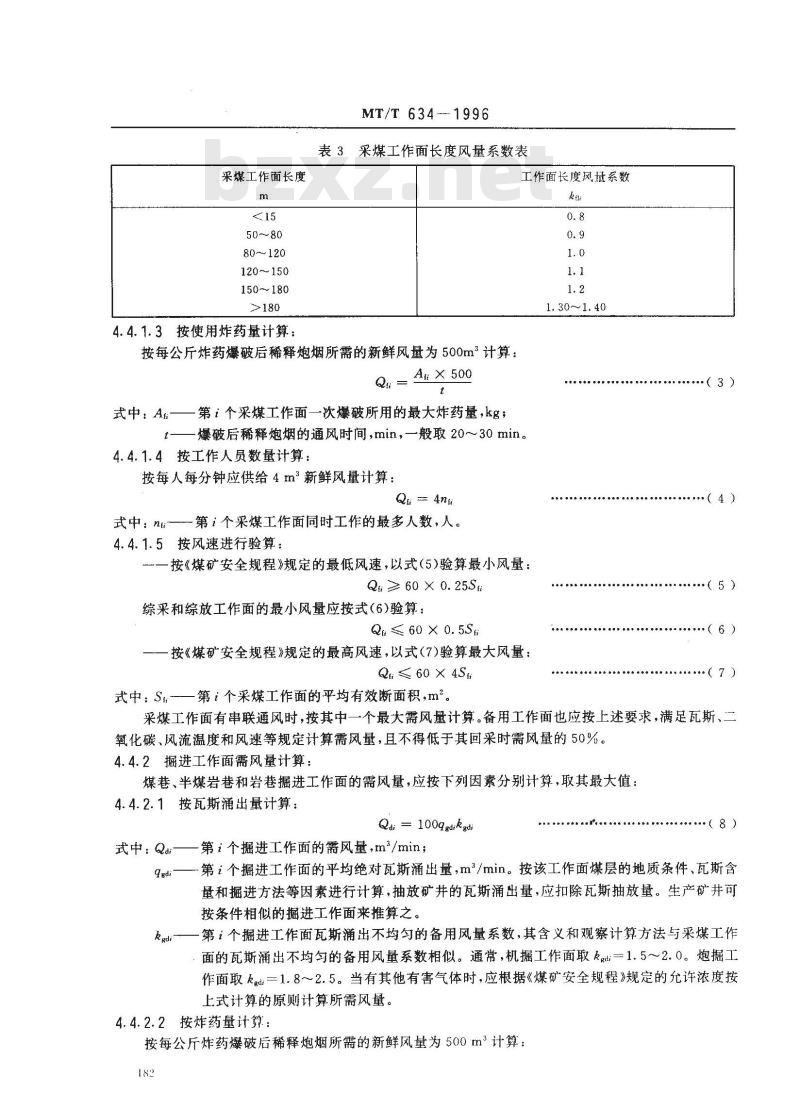
-第个采煤工作面的风速,按采煤工作面进风流温度从表2中选取,m/s;S-第个采煤工作面的平均有效断面,按最大和最小控顶有效断面的平均值计算,m;k——-第i个工作面的长度系数。可按表3选取。181
采煤工作面长度
80~120
120~150
150~180
4.4.1.3按使用炸药量计算;
MT/T 634--1996
表3采煤工作面长度风量系数表
工作面长度风量系数
1.30~1.40
按每公斤炸药爆破后稀释炮烟所需的新鲜风量为500m3计算:A:×500
式中:At——第;个采煤工作面一次爆破所用的最大炸药量,kg;爆破后稀释炮烟的通风时间,min,一般取20~30min。4.4.1.4按工作人员数量计算:
按每人每分钟应供给4m\新鲜风量计算:Q4n
式中:n—第i个采煤工作面同时工作的最多人数,人。4.4.1.5按风速进行验算:
一按《煤矿安全规程》规定的最低风速,以式(5)验算最小风量:Q:≥ 60X 0.25St
综采和综放工作面的最小风量应按式(6)验算:Q≤ 60 × 0. 5St
按《煤矿安全规程》规定的最高风速,以式(7)验算最大风量:Qt≤60×4St
式中:St一一第i个采煤工作面的平均有效断面积,m2。(3)
(4)
(5)
采煤工作面有串联通风时,按其中一个最大需风量计算。备用工作面也应按上述要求,满足瓦斯、二氧化碳、风流温度和风速等规定计算需风量,且不得低于其回采时需风量的50%。4.4.2掘进工作面需风量计算:
煤巷、半煤岩巷和岩巷掘进工作面的需风量,应按下列因素分别计算,取其最大值:4.4.2.1按瓦斯涌出量计算:
Qd:= 100qgdikgdi
式中:Qd:-
第;个掘进工作面的需风量,m\/min;.(8)
第i个掘进工作面的平均绝对瓦斯涌出量,m2/min。按该工作面煤层的地质条件、瓦斯含量和掘进方法等因素进行计算,抽放矿井的瓦斯涌出量,应扣除瓦斯抽放量。生产矿井可按条件相似的掘进工作面来推算之。第讠个掘进工作面瓦斯涌出不均匀的备用风量系数,其含义和观察计算方法与采煤工作面的瓦斯涌出不均匀的备用风量系数相似。通常,机掘工作面取kd1.5~2.0。炮掘工作面取kgdi1.8~2.5。当有其他有害气体时,应根据《煤矿安全规程》规定的允许浓度按上式计算的原则计算所需风量。4.4.2.2按炸药量计算:
按每公斤炸药爆破后稀释炮烟所需的新鲜风量为500m3计算:182
MT/T 634---1996
Ad:X500
第!个掘进1作面一次爆破所用的最大炸药量,kg;式; Ad
爆破后稀释炮烟的通风时间,min,一般取20-30 min。4.4.2.3按工作人员数量计算:
Qd; — 4nd:
式中:ndi
第;个掘进工作面同时工作的最多人数,人。4.4.2.4按风速进行验算:
一按《煤矿安全规程》规定的最低风速,验算最小风量:无瓦斯涌出的岩巷:
Qs. ≥ 60 X 0. 15Sdi
有瓦斯涌出的岩巷,半煤岩巷和煤巷:Qd: ≥ 60 × 0. 25Sai
按《煤矿安全规程》规定的最高风速,验算最大风量:Qa:≤ 60× 4Sai
式中:Sa.—第个掘进工作面巷道的净断面积,m。(9)
.( 10 )
(12)
·(13)
按上述条件计算的最大值,再按配置独立送风(非串联)局部通风机台数和型号的额定吸风量总和计算:
Qd = ZQati X kati
式中:ZQafi-
-同时运转的局部通风机额定风量的总和,m\/min;·(14)
防止局部通风机吸循环风的风量备用系数,进风巷中无瓦斯时取1.15,有瓦斯涌出时取1.25。
4.4.3酮室需风量计算;
各个独立通风室的供风量,应根据不同类型的碉室分别进行计算:4.4.3.1机电室:
一发热量大的机电碱室,按碱室中运行的机电设备发热量进行计算:Q.
pc× 604
式中:Q,-第i个机电室的需风量,m\/min;ZW一机电室中运转的电动机(或变压器)总功率(按全年中最大值计算),kW;.( 15)
8—一机电碉室的发热系数,可根据实际考察由机电碉室内机械设备运转时的实际热量转换为相当于电器设备容量作无用功的系数确定,也可按表4选取;o
空气密度,--般取0=1.2kg/m2;空气的定压比热,一般可取c。=1.0006kJ/(kg×K)。Nt机电酮室进、回风流的温度差,K。表4机电碱室发热系数(9)表
机电酮室名称
空气压缩机房
水泵房
变电所、绞车房
一采区小型机电确室,按经验值确定需风量或取60~80m/min。4.4.3.2爆破材料库:
按库内空气每小时更换四次计算:发热系数
0.15~0.18
0.01~0.03
0.02~~0.04
式中.V—库房容积,m°。
MT/T 634--1996
Q = 4V/60
但大型爆破材料库不得小于100m2/min,中小型爆破材料库不得小于60m/min。4.4.3.3充电碉室:bzxz.net
按其回风流中氢气体积浓度不大于0.5%计算:Q; = 200grht
( 17)
第i个充电碱室在充电时产生的氢气量,m/min,但充电碉室的供风量不得小于式中:qhi——至
100 m°/min.
4.4.4其他用风巷道的需风量计算:其他用风巷道的需风量,应根据瓦斯涌出量和风速分别进行计算,采用其最大值。4.4.4.1按瓦斯涌出量计算:
(1)采区内的其他用风巷道
Qet 100qgerkgei
(2)采区外的其他用风巷道
Qe - 133 X Agei X kge
式中:9ei--一第i个其他用风巷道的瓦斯绝对涌出量,m/min;kg——-第i个其他用风巷道瓦斯涌出不均匀的风量备用系数,一般可取kg—1.1~1.3。4.4.4.2按风速验算:
(1)--般巷道
Q ≥ 60 × 0. 15S
(2)有架线机车行走的巷道
Q. ≥ 60 X 1. 0S.i
式中:S-第i个其他用风井巷净断面积,m。4.4.5采区需风量计算:
(18)
·(19)
·(20)
(21)
采区所需的总风量Q。是采区内各用风地点需风量之和,并考虑适当的备用系数,按式(22)进行计算:
Q=(ZQpfi + ZQpi + ZQpri + ZQpet) X hp(22)
式中:Qp采区所需总风量,m*/min;一该采区内各采煤工作面和备用工作面所需风量之和,m\/min;EQi
ZQpds--该采区内各掘进工作面所需风量之和,m2/min;ZQpri
该采区内各酮室所需风量之和.,m/min;EQ per
-该采区内其他用风巷道风量之和,m2/min;kp一一包括采区的漏风和配风不均匀等因素的备用风量系数。应从实测中统计求得,一般可取1.1~1.2。
4.4.6矿井总需风量计算:
4.4.6.1矿井所需总风量Qm是矿井并下各个用风地点需风量之和,并考虑漏风和配风不均匀等的备用风量系数,按式(23)进行计算:Q =-(ZQm + EQmd + ZQmri + EQmer)km式中:Qm——矿井所需总风量,m/min;ZQmi一一各采煤工作面和备用工作面所需风量之和,m/min;ZQmd;各掘进工作面所需风量之和,m/min;ZQmr -一各碉室所需风量之和,m/min;181
...( 23)
MT/T 634-1996
Qmei一一其他用风巷道所需风量之和,m/min;km-
一矿井内部漏风和调风不均匀等因素的备用风量系数。通常可取1.15~~1.25。4.4.6.2设计新井时,其他用风巷道所需风量难以计算时,也可以采取按采煤、掘进和酮室的总和的0.03~0.05进行计算之,则矿井的总风量也可按式(24)进行计算:ZQm=(ZQmfi + EQmdi+ EQm)km× (1.03~~ 1.05)4.5计算结果表述
4.5.1编写计算报告:
矿井风量计算结果应编写计算报告。报告内容应包括提供的地质、瓦斯、地温、井型、开拓、开采等方面的资料;按本标准规定的采、掘工作面、碉室、其他用风地点和采区与全矿的需风量计算和选用的风量备用系数;以及其他有关说明。4.5.2矿井每五年应结合矿井生产规划,对矿井、采掘工作面、碉室和其他用风地点的需风量进行验算,当矿井地质条件和生产条件发生有较大变化时,应按本标准计算方法重新进行计算。185
小提示:此标准内容仅展示完整标准里的部分截取内容,若需要完整标准请到上方自行免费下载完整标准文档。