首页 > 煤炭行业标准(MT) > MT/T 656-1997 煤矿用带式输送机机架型式与基本尺寸
MT/T 656-1997

基本信息

标准号: MT/T 656-1997

中文名称:煤矿用带式输送机机架型式与基本尺寸

标准类别:煤炭行业标准(MT)

标准状态:现行

发布日期:1997-11-10

实施日期:1998-04-01

出版语种:简体中文

下载格式:.rar.pdf

下载大小:208572

相关标签: 煤矿 带式 输送机 机架 尺寸

标准分类号

标准ICS号:材料储运设备>>连续搬运设备>>53.040.01 连续搬运设备综合73.010

中标分类号:机械>>通用机械与设备>>J81输送机械

关联标准

出版信息

出版社:中国煤炭工业出版社

页数:12页

标准价格:12.0 元

出版日期:1998-04-01

相关单位信息

起草人:史志

起草单位:煤炭科学研究总院上海分院

提出单位:煤炭工业部科技教育司

发布部门:中华人民共和国煤炭工业部

标准简介

本标准规定了煤矿用带式输送机机架型式与基本尺寸。本标准适用于煤矿用带式输送机,也适用于露天煤矿、选煤等作业场所用带式输送机。 MT/T 656-1997 煤矿用带式输送机机架型式与基本尺寸 MT/T656-1997 标准下载解压密码:www.bzxz.net

标准图片预览

MT/T 656-1997 煤矿用带式输送机机架型式与基本尺寸
MT/T 656-1997 煤矿用带式输送机机架型式与基本尺寸
MT/T 656-1997 煤矿用带式输送机机架型式与基本尺寸
MT/T 656-1997 煤矿用带式输送机机架型式与基本尺寸
MT/T 656-1997 煤矿用带式输送机机架型式与基本尺寸

标准内容

MT/T656—1997
在煤矿用带式输送机中,机架是输送机承托胶带、延伸全长的主体部件,在输送机中占有很大的比例,数量相当大,型式也比较多。国外已有井下煤矿用带式输送机机架的标准,如西德标准TDIN221111978《井下煤矿用带式输送机轻型机架》、DIN22114—1977《井下煤矿用带式输送机重型机架》国内尚无相应的标准。本标准的制定对实现带式输送机机架的通用化具有重大的技术经济意义。本标准由煤炭工业部科技教育司提出。本标准由煤炭工业部煤矿专用设备标准化技术委员会归口。本标准起草单位:煤炭科学研究总院上海分院。本标准起草人:史志。
本标准委托煤炭科学研究总院上海分院负责解释。411
1范围
中华人民共和国煤炭行业标准
煤矿用带式输送机机架
型式与基本尺寸
Belt conveyor frame for coal mining-Form and basic size
本标准规定了煤矿用带式输送机机架型式与基本尺寸。MT/T 656--1997
本标准适用于煤矿用带式输送机,也适用于露天煤矿、选煤等作业场所用带式输送机。2引用标准
下列标准所包含的条文,通过在本标准中引用而构成为本标准的条文。本标准出版时,所示版本均为有效。所有标准都会被修订,使用本标准的各方应探讨使用下列标准最新版本的可能性。GB/T707—88热轧槽钢尺寸,外形,重量及允许偏差3定义
本标准采用下列定义。
3.1固接式机架fixed frame
两根纵梁相互用螺栓与前后纵梁连接,并通过落地支架予以连接支撑,上托辊组和下托辊组有选择地用螺栓固定在纵梁上的机架。3.2板式机架insert frame
两根纵梁相互用螺栓与前后纵梁连接,并通过落地支架予以连接支撑,上托辊组为插人型式,直接插人纵梁上的托辊支座,下托辊组安装在支架的托辊支座上的机架。4结构型式和基本尺寸
煤矿用带式输送机机架由上托辑组、下托辑组、纵梁、支架等组成。纵梁标长度有2400mm和3000mm两种,上托辊组间距有1200mm和1500mml两种,下托辊组间距有2400mm和3000mm两种。纵梁长度为2400mm的机架上托辊间距为1200mm,下托辊间距为2400mm。纵梁长度为3000mm的机架上托辊间距为1500mm,下托辊间距为3000mm。上托辊组槽形角主要有25°30°、35°45°等四种。其中槽形角为25°的上托辊组一般为过渡托辑组,本标准不作规定,如设计中遇到槽角为特殊角度的上托组可根据本标准中有关尺寸进行修正。下托辊组有平型和V型两种。煤矿用带式输送机机架按上托辊组的结构型式主要可分为固接式机架和插板式机架两种。机架及其零部件可不必与图示完全相符,只需遵照所给的尺寸。图中尺寸单位:mm。4.1固接式机架
4.7.1型式和尺寸
4.1.1.1纵梁长度1.为2400mm。
中华人民共和国煤炭工业部1997-11-10批准412
1998-04-01实施
MT/T656
a)下托辊组为平型,结构如图1所示;600
b)下托辊组为V型,结构如图2所示。600
4.1.1.2纵梁长度L为3000mm。
a)下托辊组为平型,结构如图3所示,750
b)下托辊组为V型,结构如图4所示。750
4.1.2支架
结构如图5所示,基本尺寸表1中给出。图4
带宽,b
650690
MT/T 6561997
支架基本尺寸
纵梁材料规格
热轧槽钢80x43x5.0
GB/T 707 --88
热轧槽钢100x48x5.3
GB/T 707—88
热轧槽钢120x53x5.5-
GB/T 707-88
热轧槽钢140x58x6.0-
GB/T 707—88
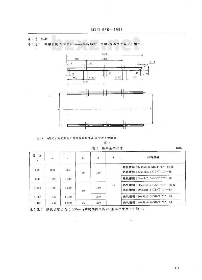
4.1.3纵梁
MT/T656—1997
纵梁长度L为2400mm:结构如图6所示;基本尺寸表2中给出。4. 1. 3. 1
(150)
注:()内尺寸为支架为I型时纵梁尺寸;C尺寸表1中给出。图6
纵梁基本尺寸
材料规格
热轧槽钢80x43x5.0-GB/T707—88或50
热轧槽钢100x48x5.3-GB/T707-88热轧槽钢100x48x5.3-GB/T707-88热轧槽钢100x48x5.3-GB/T707—88或热轧槽钢120x53x5.5-GB/T707—88热轧槽钢120x53x5.5-GB/T707—88热轧槽钢140x58x6.0-GB/T707—88纵梁长度L为3000mm:结构如图7所示;基本尺寸表2中给出。mm
MT/T656-1997
(150)
注:()内尺寸为支架为I型时纵梁尺寸;C尺寸表1中给出。图7
4.1.4上托辊组
结构如图8所示;基本尺寸表3中给出。t
表3上托辊组基本尺寸
入30°
入=35°
入45°
4.1.5下托辊组
MT/T656-—1997
4.1.5.1平型托辊组:结构如图9所示;基本尺寸表4中给出5
表 4平型托辊组基本尺寸
V型托辊组:结构如图10所示;基本尺寸表5中给出。图10
4.2插板式机架
4.2.1型式和尺寸
MT/T656-1997
表5V型托辊组基本尺寸
4.2.1.1纵梁长度L为2400mm,结构如图11所示。600
4. 2. 1.2
纵梁长度L为3000mm,结构如图12所示。750
4.2.2支架
结构如图13所示;基本尺寸表6中给出。418
4.2.3纵梁
1030|1110
116412301310
1 4141 480/1 560
MT/T656-1997
机架基本尺寸
纵粱材料规格
热轧横钢80x43x5.0-GB/T707-88热轧槽钢100x48x5.3-GB/T707--88热轧槽锅120x53x5.5-GB/T707--884.2.3.1纵梁长度L为2400mm:结构如图14所示,基本尺寸表7中给出。419
MT/T 656---1997
I处局部放大
注:()内尺寸为支架为正型时纵梁尺寸;C尺寸表6中给出。图14
纵梁基本尺寸
4. 2. 3. 2
热轧槽钢80x43x5.0-GB/T707—88或热轧槽钢100x48x5.3-GB/T707--88热轧槽钢100x48x5.3-GB/T707—88规
热轧槽钢100x48x5.3-GB/T707—88或热轧槽钢120x53x5.5-GB/T707-—88热轧槽钢120x53x5.5-GB/T707—88格
纵梁长度L为3000mm:结构如图15所示;基本尺寸表7中给出。28
(150)
MT/T 656
1处局部放大
注:()内尺寸为支架为I型时纵梁尺寸;C尺寸表6中给出。图15
4.2.4上托辊组下载标准就来标准下载网
结构如图16所示;基本尺寸表8中给出。0
X向旋转放大
1619161016
Y向放大
4.2.5下托辊组
MT/T656—1997
上托辊组基本尺寸
结构如图 17 所示;基本尺寸表 9 中给出。正
表9下托辊组基本尺寸
小提示:此标准内容仅展示完整标准里的部分截取内容,若需要完整标准请到上方自行免费下载完整标准文档。