首页 > 轻工行业标准(QB) > QB 1153-1991 吉他
QB 1153-1991

基本信息

标准号: QB 1153-1991

中文名称:吉他

标准类别:轻工行业标准(QB)

标准状态:已作废

实施日期:1992-01-01

出版语种:简体中文

下载格式:.rar.pdf

下载大小:167310

标准分类号

中标分类号:轻工、文化与生活用品>>文教、体育、娱乐用品>>Y58乐器

关联标准

替代情况:SG 257-1982;被QB/T 1153-2001代替

出版信息

页数:10页

标准价格:15.0 元

相关单位信息

标准简介

QB 1153-1991 吉他 QB1153-1991 标准下载解压密码:www.bzxz.net

标准图片预览

QB 1153-1991 吉他
QB 1153-1991 吉他
QB 1153-1991 吉他
QB 1153-1991 吉他
QB 1153-1991 吉他

标准内容

中华人民共和国轻工行业标准
1主题内容与适用范圈
QB/T1153--1991
本标准规定了吉它的产品分类、技术要求、试验方法、检验规则、标志、包装、运输、贮存。本标推适用于西班牙古典式和民歌式吉它,不适用于上述两种吉它以外其他类型的吉它。2引用标准
GB/T1931木材含水率测定方法此内容来自标准下载网
GB/T2828逐批检查计数抽样程序及抽样表(适用于连续批的检查)GB/T2829周期检查计数抽样程序及抽样表(适用于生产过程稳定性的检查)GB/T3451
标推调音频率
3产品分类
3.1根据主要用途和外形构造分为古典式吉它和民歌式吉它。古典式吉它如图1所示:民歌式吉它如图2所示。
3.2根据声学品质、外观工艺和主要原材料的不同,分为高级品、中级品、普及品。4技术要求
4.1声学品质
4.1.1律制
采用十二平均律。
4.1.2标准音
小字一组a音为440Hz,应符合GB/T3451的要求。4.1.3音准误差
各音的音准误差应在士20音分之内。4.1.4基本音域如图3所示。
4.1.5检测用定弦音高如图4所示。中华人民共和国轻工业部1991-D6-04批准76
1992-01-01实施
音位标志
QB/T 1153-1991
图1古典式吉它
E弦(第一弦)
B弦(第二弦)
G弦(第三弦)
D弦(第四弦)
A弦(第五弦)
E弦(第六弦)
音孔花園
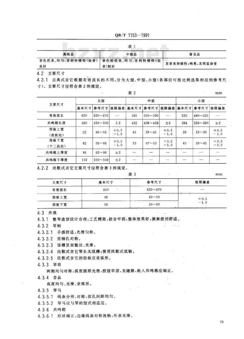
4.1.6音质应符合表1的要求。
QB/T1153—1991
民歌式吉它正面图
高级品
音色优美、均匀,音的持续性(延音)良好
4.2主要尺寸
QB/T1153-1991
中级品
音色较优美、均匀、音的持续性(延音)较好
普及品
发音有持续性;响亮,无明显杂音4.2.1古典式吉它根据有效弦长的不同,分为大型、中型、小型(各部位可按比例选取相应的参考尺寸)。主要尺寸应符合表2的规定。表2
主要尺寸
有效弦长
共鸣箱长度
指板上宽
(弦枕处)
指板下宽
(十三品处)
共鸣箱上厚度
共鸣箱下厚度
基本尺寸参考尺寸
极限偏差基本尺寸
参考尺寸极限偏差
基本尺寸
参考尺寸极限偏差
620670
450~500
100~108
民歌式吉它主要尺寸应符合表3的规定。4.2.2
主要尺寸
有效弦长
指板上宽
指板下宽
4.3外观
基本尺寸
1550~590
408~438
参考尺寸
620~670
40~50
4.3.1整琴造型设计合理,工艺精致,胶合牢固,整体效果好,演奏使用舒适。4.3.2琴柄
4.3.2.1手感舒适,光滑勾称。
4. 3. 2.2
弦轴孔对称。
4.3.2.3弦槽里面整洁、光滑。
4.3.2.4民歌式吉它琴头无弦槽;使用民歌式弦轴。4.3.2.5民歌式吉它的指板应呈弧形。4.3.3琴肩
两侧均勾对称,弧度圆顺光滑,胶接牢固,无缝隙,嵌人共鸣箱应端正。4.3.4音品
高度均匀、光滑、呈弧形。
4.3.5琴马
4.3.5.1线条分明、对称,弦孔间距均勾。4.3.5.2琴马应与琴的型式相适应。4.3.6共鸣箱
4.3.6.1形状端正,边缘线条对称流畅,外表光滑。520
490~525
339~390
极限偏差
4.3.6.2音孔位置端正,箱内清洁。4.3.7油漆
QB/T1153-1991
涂饰美观、协调、耐久,不得妨碍音响效果。4.3.8金属零件
应进行防锈处理。不得有影响使用及外观的缺陷。4.4装配
4.4.1古典吉它第十二品、民歌吉它第十二品或第十四品应位于琴颈和共鸣箱结合处。4.4.2琴弦距品的高度
4.4.2.1在第一品处,金属弦距品的高度不得超过1mm,尼龙弦不得超过1.5mm。4.4.2.2在第十二品处,第一弦距品的高度应为金属弦不得超过4mm;尼龙弦不得超过4.5mm。4.4.2.3在第十二品处,第六弦距品的高度应为金属弦不得超过4.5mm,尼龙弦不得超过5.5mm。4.4.3琴弦应能拧紧,不得松滑。4.4.4弦轴装置端正,转动调节灵活,松紧适宜。4.5耐干性
高级品按第5.5条试验后,不得产生影响演奏及外观质量的缺陷。4.6耐湿性
按第5.6条试验后,不得产生影响演奏及外观质量的缺陷。4.7主要原材料
4.7.1面板
中、高级品应使用纹理基本对称的东北白松木、西南云杉径切胶合板或板材。普及品应使用搬木胶合板或其他材质相同甚至更好的材料。4.7.2背板
中、高级品应使用纹理基本对称的红木、花色木胶合板或单板。普及品应使用木、色木、桦木胶合板或其他材质相同甚至更好的材料。4.7.3琴柄
应使用色木、搬木、桦木或材质相同甚至更好的其他材料。4.7.4不允许使用腐朽变质或有死节疤、树脂囊及断纹的木料。但普及品允许使用少量活节疤直径不大于8mm或直径不大于1mm小孔的本材。4.7.5木材应经过干燥处理,含水率不得超过15%。5试验方法
5.1声学品质
5.1.1按第4.1.5条要求将各弦校准后,用符合GB/T3451要求的频闪仪或与其性能相同的其他仪器检查标准音,任选一组音检查音准误差。5.1.2按第4.1.5条要求将各弦校推后,弹奏检查音质。5.2主要尺寸
计量长度大于96 mm的,用精度不低于0.8mm的长度量具检查;计量长度不大于96mm的,用精度不低于0.1 mm的长度量具检查。5.3外观
感官检查。
5.4装配
计量数据用精度不低于0.1mm的长度量具检查;其余感官检查。5.5耐干性
QB/T 1153—1991
将不张弦的受试琴在温度(35土3)℃,相对湿度30%士5%的恒温、恒器内连续放置24 h后检查。5.6耐湿性
将不张弦的受试琴在温度(35土3)℃,相对湿度85%士5%的恒温、恒湿器内连续放置24h后检查。5.7含水率
按GB/T1931的要求对原材料进行试验。6检验规则
6.1产品应由生产厂质量管理部门检验。合格产品应附产品合格证方可出厂6.2当对产品有特殊要求时,应由供需双方根据合同协商具体的检验项目。6.3产品的检验分为交收检验和例行检验。6.3.1交收检验
6.3.1.1交收检验的抽样方案应符合GB/T2828中关于正常检查一次抽样方案的规定。6.3.1.2交收检验项目、检查水平、合格质量水平(AQL)应符合表4的规定。表4
试验项目
试验方法
特殊检资承平
合格质量水平(AQL)
6.3.1.3交收检验不合格,该批产品退回生产厂,按不合格项目进行整理和调整。整理、调整后的产品可再次提交检验。不合格批的再提交按GB/T2828中4.12b的要求进行。6.3.2例行检验
6.3.2.1产品的例行检验每一年半进行一次;在更改结构、制造工艺及主要原材料,或停产三个月以上恢复生产时,亦需进行。
6.3.2.2例行检验的样品应从当前生产的,经交收检验合格的产品中随机抽取。6.3.2.3例行检验的抽样方案,应符合GB/T2829中判别水平1,-次抽样方案的规定。例行检验所抽取的全部样品应先按交收检验项目检验,若有不合格品,应以合格品换取,同时6.3.2.4
分析原因,但不做为例行检验结果的依据。6.3.2.5例行检验按全部技术指标进行,判别水平为I,不合格质量水平(RQL)为40。6.3.2.6
例行检验合格,则本周期生产的产品为合格品。6.3.2.7
经例行检验的样品,不得做为合格品出厂。7标志、包装、运输、贮存
7.1标志
7.1.1每把琴的音孔内应贴有商标。7.1.2小包装上应有制造厂名、产品名称、商标、品种、规格、产品等级等字样或标志。7.1.3大包装上除应符合第7.1.2条规定的外,还应有制造日期或出厂日期、数量、重量、体积、“防潮”“防震”、“防晒”等字样或标志。7.2包装
7.2.1小包装
每支琴包装。每只小包装应附有产品合格证和产品说明书。产品合格证上应标明产品符合本标准81
规定,并有检验员盖章和厂址。7.2.2大包装
QB/T1153—1991
包装箱内产品的数量及包装箱用材应由订货部门和生产厂协商确定。7.3运输
产品在运输过程中不得雨淋、日晒、受潮,装卸时应小心轻放,不得压以重物。7.4贮存
产品应在相对湿度不超过85%,温度不超过40℃的室内存放,大包装距地面及墙壁至少300mm。7.5产品在符合上述运输和贮存的条件下,一年内如发现因生产厂方面原因造成的质量问题,由生产厂负责。
附加说明:
本标准由轻工业部质量标准司提出。本标准由全国乐器标准化中心归口。本标由广东乐器厂、北京乐器研究所负责起草。本标准主要起草人徐弗、傅思明、路琛。82
小提示:此标准内容仅展示完整标准里的部分截取内容,若需要完整标准请到上方自行免费下载完整标准文档。