首页 > 轻工行业标准(QB) > QB 1157-1991 三弦
QB 1157-1991

基本信息

标准号: QB 1157-1991

中文名称:三弦

标准类别:轻工行业标准(QB)

标准状态:已作废

实施日期:1992-01-01

出版语种:简体中文

下载格式:.rar.pdf

下载大小:70990

标准分类号

中标分类号:轻工、文化与生活用品>>文教、体育、娱乐用品>>Y58乐器

关联标准

替代情况:SG 144-1978;被QB/T 1207.5-1999代替

出版信息

页数:4页

标准价格:8.0 元

相关单位信息

标准简介

QB 1157-1991 三弦 QB1157-1991 标准下载解压密码:www.bzxz.net

标准图片预览

QB 1157-1991 三弦
QB 1157-1991 三弦
QB 1157-1991 三弦
QB 1157-1991 三弦

标准内容

中华人民共和国轻工行业标准
主题内容与适用范围
QB/T 1157--1991
本标准规定了弦鸣乐器三弦的部位名称、产品分类、技术要求和试验方法等。本标推适用于各种规格的三弦。本标准未列入的同类产品可参照执行。2引用标准
QB/T1207民族弦鸣乐器通用技术条件3产品分类
3.1三弦的部位名称应符合图1的规定。弦枕
3. 2根据琴鼓的规格应分为大三弦、中三弦、小三弦三种。3.3根据产品的用材和工艺分为高级品、中级品、普及品。3.4产品标记
3.4.1产品名称部分应直接标明大三弦、中三弦、小三弦。允许采用曲艺三弦、评弹三弦的命名,但必须兼用规格名称。
3.4.2技术特性部分由琴鼓尺寸、质量等级两个项目标明,应符合下述要求:中华人民共和国轻工业部1991-06-04批准92
1992-01-01实施
QB/T1157-1991
数字·数字·数字-字母
例:琴鼓尺寸为长228mm,宽205mm,高90mm,高级品。标注为228·205·90-G
4技术要求
4.1声学品质
高音清脆明亮,低音浑厚有力,上下把位协调。4.1.1三弦总音域应符合图2要求。图2
2大三弦检测用定弦音高应符合图3要求。4. 1. 2
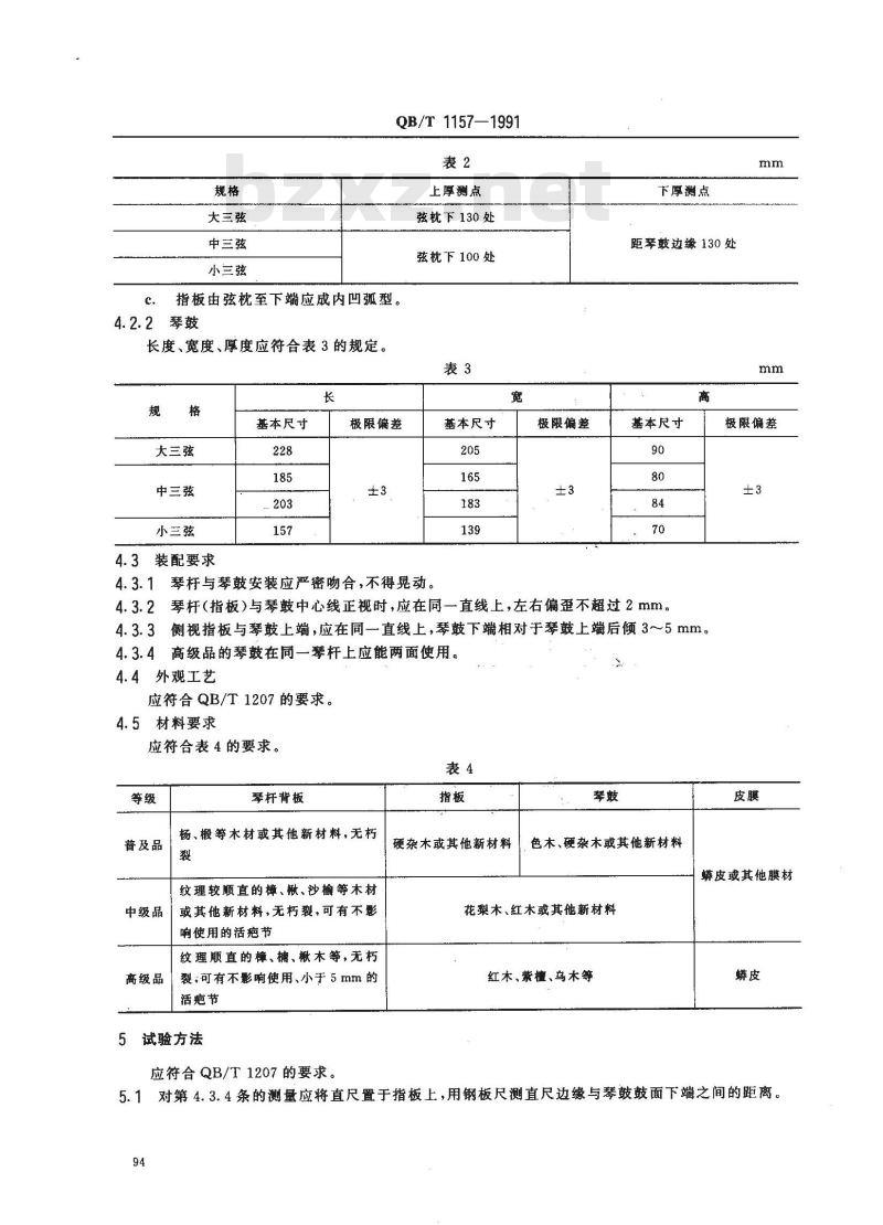
4.2主要部位尺寸
4.2.1琴杆
宽度与厚度应符合表1的规定。
大三弦
中三弦
小三弦
基本尺寸
极限偏差
基本尺寸
厚度的测定位置应符合表2的规定。极限偏差
质量等级
琴鼓尺寸
基本尺寸
极限偏差
基本尺寸
1极限偏差
大三弦
中兰弦
小三弦
QB/T 1157—1991
上厚测点
弦枕下130处
弦枕下100处
指板由弦枕至下端应成内凹弧型。4.2.2琴鼓
长度、宽度、厚度应符合表3的规定。表3
大三弦
中三弦
小三弦
4.3装配要求
基本尺寸
极限偏差
4.3.1琴杆与琴鼓安装应严密吻合,不得晃动。基本尺寸
极限偏差
下厚测点
距琴鼓边缘130处
基本尺寸
4.3.2琴杆(指板)与琴鼓中心线正视时,应在同一直线上,左右偏歪不超过2mm。4.3.3侧视指板与琴鼓上端,应在同一直线上,琴鼓下端相对于琴鼓上端后倾3~5mm。4.3.4高级品的琴鼓在同一琴杆上应能两面使用。4.4外观工艺
应符合QB/T1207的要求。
4.5材料要求
应符合表4的要求。
普及品
琴杆背板
杨、搬等木材或其他新材料,无朽裂
纹理较顺直的樟、楸、沙榆等木材或其他新材料,无朽裂,可有不影中级品
啊使用的活疤节
纹理顺直的樟、、楸木等,无朽裂:可有不影响使用、小于5mm的高级品
活疤节
5试验方法
硬杂木或其他新材料
色木、硬杂木或其他新材料
极限偏差
鳞皮或其他膜材免费标准下载网bzxz
花梨木、红木或其他新材料
红木、紫檀、乌木等
应符合QB/T1207的要求。
5.1对第4.3.4条的测量应将直尺置于指板上,用钢板尺测直尺边缘与琴鼓鼓面下端之间的距离。94
检验规则
应符合QB/T1207的要求。
标志、包装、运输、贮存
应符合QB/T1207的要求。
附加说明:
本标准由全国乐器标准化中心归口。QB/T1157—1991
本标准由北京乐器研究所、北京民族乐器厂、上海民乐一厂、苏州民乐一厂负责起草。本标准主要起草人傅思明、路琛、李伯寿、方荣林等。95
小提示:此标准内容仅展示完整标准里的部分截取内容,若需要完整标准请到上方自行免费下载完整标准文档。