首页 > 轻工行业标准(QB) > QB 1657.1-1992 铜管气鸣乐器通用技术条件
QB 1657.1-1992

基本信息

标准号: QB 1657.1-1992

中文名称:铜管气鸣乐器通用技术条件

标准类别:轻工行业标准(QB)

标准状态:已作废

实施日期:1993-09-01

出版语种:简体中文

下载格式:.rar.pdf

下载大小:187796

相关标签: 铜管 乐器 通用 技术

标准分类号

中标分类号:轻工、文化与生活用品>>文教、体育、娱乐用品>>Y58乐器

关联标准

替代情况:SG 344-83 SG 345-83 SG 346-83;被QB/T 1657.1-2002代替

出版信息

页数:6页

标准价格:12.0 元

相关单位信息

标准简介

QB 1657.1-1992 铜管气鸣乐器通用技术条件 QB1657.1-1992 标准下载解压密码:www.bzxz.net

标准图片预览

QB 1657.1-1992 铜管气鸣乐器通用技术条件
QB 1657.1-1992 铜管气鸣乐器通用技术条件
QB 1657.1-1992 铜管气鸣乐器通用技术条件
QB 1657.1-1992 铜管气鸣乐器通用技术条件
QB 1657.1-1992 铜管气鸣乐器通用技术条件

标准内容

中华人民共和国轻工行业标准
铜管气鸣乐器通用技术条件
1主题内容与适用范围
QB/T 1657.1—1992
本标准规定了铜管气鸣乐器通用技术要求、试验方法、检验规则、标志、包装、运输、贮存等。本标准适用于管气鸣乐器。
引用标准
GB/T 1527
拉制铜管
挤制铜管
GB/T 1528
GB/T 1529
GB/T1530
GB/T 2828
GB/T 2829
GB/T 3451
GB 5926
GB 5938
GB5944
3术语
3.1号嘴
拉制黄铜管
挤制黄铜管
逐批检查计数抽样程序及抽样表(适用于连续批的检查)周期检查计数抽样程序及抽样表(适用于生产过程稳定性的检查)标准调音频率
轻工产品金属镀层和化学处理层的外观质量测试方法轻工产品金属镀层和化学处理层的耐腐蚀试验方法中性盐雾试验(NSS)法轻工产品金属镀层腐蚀试验结果的评价呈杯口形,是吹奏发音的零件。3.2调音管
为校准标准音设置的可改变管长的管。3.3附管
随活塞运动改变管长的管。
3.4活塞
改变管长的运动装置。
3.4.1立式活塞:垂直运动的活塞。3.4.2回转式活塞:旋转运动的活塞。3.5喇叭口
传导和扬声的喇叭体。
4产品分类
4.1产品根据形状、音域、用途的不同分为高音号类、中音号类、低音号类。4.1.1高音号类:如小号(Trumpet)、短号(Cornet)等。4.1.2中音号类:如中音号(Alto)、次中音号(Barltone)、长号(Trombone)、圆号(Horn)等。中华人民共和国轻工业部1993-01-15批准30
1993-09-01实施
QB/T 1657.1--1992
4.1.3低音号类:如倍低音号(Doublebasstube)、苏萨风(Suxphone)、上低音号(Euphonlum)等。4.2产品根据音质、演奏性能、外观工艺、主要原材料的不同,分为高级品、中级品、普及品。5技术要求
5.1声学品质
5.1.1律制
采用十二平均律。
5.1.2标准音
小字一组a音为440Hz,应符合GB/T3451的要求。5.1.3音谁误差
在产品标准所列音域范围内,音准误差应符合表1的要求,C*除外。表1
高音号类
中音号类
低音号类
5.2演奏性能
5.2.1发音灵敏,吹奏通畅,富有表现力。5.2.2手感舒适,便于演奏。
最大允许公差
5.2.3活塞运动灵敏,快速演奏时无阻滞现象和机械噪音。5.2.4立式活塞轴孔配合最大间隙应符合表2的要求。表2
活塞公称直径
最大间隙
极限偏差
5.2.5调音營、附管内外配合最大间隙不大于0.25mm。5.2.6活塞轴孔配合面、附管内外管配合面的表面粗糙度R。值不得大于3.2um。活塞载荷应符合产品标准要求,但其最大载荷应不大于2.9N。5.2.7
活塞在经过第6.3.5条试验后,其载荷比试验前变化范围应在士0.29N之内;应保持运动流5.2.8wwW.bzxz.Net
畅、无阻滞。
5.2.9号嘴与产品等级相适应。
5.2.10,调音管操作方便,润滑自如。5.2.11
当活塞键钮除去外力时,应能迅速复位。5.2.12长号两滑动管构成的平面垂直于水平面向下倾斜不超过60°时,其伸缩管应能轻柔、平稳地下滑。
5.3外观工艺
5.3.1管体表面光滑、无明显加工痕迹和其他伤痕。5.3.2镀层或漆层应光亮、均匀、牢固,色泽一致,不得有变色、脱落现象。5.3.3产品金属镀层腐蚀试验结果的评价应符合GB5944中第5.5~5.6.3条的要求,高级品的耐腐蚀等级应为10级,中级品不低于8级,普及品不低于6级。5.4装配要求
装配准确,吻合严密,内外清洁。5.4.1
QB/T1657.1-1992
各部件的装配不得因错位而影响音程关系或音质,除本标准规定外,零部件的配合精度可由产品标准确定。5.4.3
5.4.4各附管应能保证在小字一组a音调至440Hz后各音程关系准确,不影响合奏。5.4.5水门、指钩、谱夹座应安装在便于使用的部位。5.4.6各附管、调音管的结合部应严密,不得漏气,拆卸方便,拉动自如。5.4.7号嘴表面不得有砂眼、气孔、蜂窝等铸造缺陷。5.5主要原材料
5.5.1管体应使用符合GB/T1527~~1530要求的铜管或性能相同甚至更好的其他铜材。5.5.2活塞应使用锌白铜管、黄铜管或性能相同甚至更好的其他材料。号嘴应使用符合要求的合金铜或性能相同甚至更好的其他料材。5.5.3
弹簧应使用弹簧钢丝或性能相同甚至更好的其他材料。缓冲用的零部件应使用优质的毛毡、软本或橡胶材料。6试验方法
6.1音准试验应在常温下进行。
6.2音谁误差
6.2.1由演奏员对受试乐器先吹奏5~10min。6.2.2正式试验前,应将受试乐器管长调整到音程关系处于最佳状态。试验时演奏员不得了解试验数据。
6.2.3从标准音开始,按先上行,后下行进行试验。试验中不得使用泛音。6.2.4在试验中,以音准仪的读数为准,并做出记录。以一人演奏两次或两人各演奏-~次的方法,取两次试验数据的平均值。
6.2.5当对试验结果有争议时,以在(20士2)℃时的试验结果为准。6.3演奏性能
6.3.1正式试验前,应向演奏员说明受试产品的等级。6.3.2在进行演奏性能试验时,允许演奏员使用自选号嘴。6.3.3演奏员通过不同速度、不同情感、不同强度的乐曲进行演奏后,按表3的要求对演奏性能进行感官评价。
演囊性能要求
吹奏省力,发音灵敏,手感舒适、通畅,能充分表现强、弱音吹奏省力,发音灵敏,手感舒适、通畅,能充分表现强音吹奏较省力,发音较灵敏,手感较舒适,强、弱音变化幅度小6.3.4对受试乐器的演奏性能评价不得少于两次。6.3.5活塞疲劳试验
将活塞套垂直固定,以100~200次/min的速度使活塞连续运动i0000次。6.3.6零部件的配合精度用符合计量要求的量具测量6.3.7使活塞套垂直固定,将精度不低于0.1g的克力计或磁码放在音键上,测量活塞的载荷。6.4音质感官评价
6.4.1根据产品标准的具体要求进行。6.4.2试验应在透声幕后进行。在进行实物样品对比时,应统一编出顺序号。32
QB/T1657.1—1992
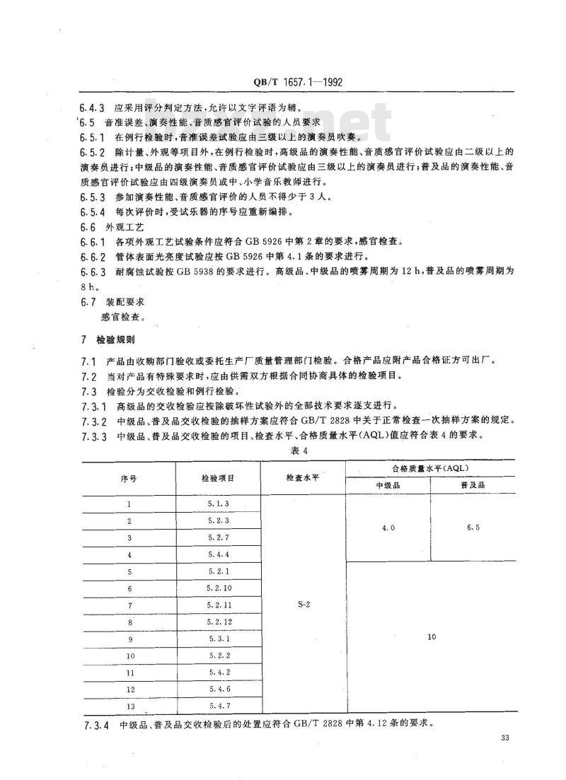
6.4.3应采用评分判定方法,允许以文字评语为辅。6.5音准误差、演奏性能、音质感官评价试验的人员要求6.5.1在例行检验时,音准误差试验应由三级以上的演奏员吹奏。6.5.2除计量、外观等项目外,在例行检验时,高级品的演奏性能、音质感官评价试验应由二级以上的演奏员进行;中级品的演奏性能、音质感官评价试验应由三级以上的演奏员进行,普及品的演奏性能、音质感官评价试验应由四级演奏员或中、小学音乐教师进行。6.5.3参加演奏性能、音质感官评价的人员不得少于3人。6.5.4每次评价时,受试乐器的序号应重新编排。6.6外观工艺
6.6.1各项外观工艺试验条件应符合GB5926中第2章的要求,感官检查:6.6.2管体表面光亮度试验应按GB5926中第4.1条的要求进行。6.6.3耐腐蚀试验按GB5938的要求进行。高级品、中级品的喷雾周期为12h,普及品的喷雾周期为8h。
6.7装配要求
感官检查。
7检验规则
7.1产品由收购部门验收或委托生产厂质量管理部门检验。合格产品应附产品合格证方可出厂。7.2当对产品有特殊要求时,应由供需双方根据合同协商具体的检验项目。7.3检验分为交收检验和例行检验。7.3.1高级品的交收检验应按除坏性试验外的全部技术要求逐支进行。7.3.2中级品、普及品交收检验的抽样方案应符合GB/T2828中关于正常检查--次抽样方案的规定。7.3.3中级品、普及品交收检验的项目、检查水平、合格质量水平(AQL)值应符合表4的要求。表4
检验项目
检查水平
合格质量水平(AQL)
中级品
中级品、普及品交收检验后的处置应符合GB/T2828中第4.12条的要求。7. 3. 4
普及品
QB/T 1657.1-1992
7.3.5产品的例行检验每二年进行一次。在更改结构、制造工艺及主要原材料或停产半年以上恢复生产时亦需进行。
7.3.6中级品、普及品例行检验的样品应从本周期生产的、经交收检验合格的某个批中抽取。7.3.7中级品、普及品例行检验的抽样方案应符合GB/T2829中判别水平1的一次抽样方案的规定。7.3.8例行检验所抽取的全部样品应先按交收检验项目检验,若有不合格品,应以合格品换取,同时分析原因,但不做为例行检验结果的依据。7.3.9中级品、普及品例行检验按全部技术指标进行(在一般情况下,可以用质量性能不低于受试产品的样板进行破坏性试验),中级品、普及品的不合格质量水平(RQL)分别为65,80,判定数组为(1,2)。7.3.10中级品、普及品例行检验后的处置应符合GB/T2829中第4.12条的规定。7.3.11高级品般可以不做例行检验,但当需要进行例行检验时应按全部技术指标进行,原则上应用质量性能不低于受试产品的样板进行破坏性试验。其抽样方法和检验样本的数量应由检验机构根据具体情况同生产厂协商确定。
7.3.12经过破坏性试验的样品,不得做为合格品出厂。8标志、包装、运输、贬存
8.1标志
8.1.1每支产品上应有商标。
8.1.2大包装上应有制造厂名、产品名称、商标、厂址、制造日期或出厂日期、数量、重量、体积、“防潮”、“防”“易碎”及放置方向等字样或标志。8.2包装
8.2.1小包装
8.2.1.1每支产品装人与其等级相适应的乐器盒。乐器盒应牢固、安全。8.2.1.2每支小包装应附有产品合格证和产品说明书。产品合格证上应标明本产品执行的标准编号,并有检验员盖章和厂址、厂名。8.2.2大包装
包装箱内产品数量及包装箱用材应由订货部门和生产厂协商确定。8.3运输
产品在运输过程中不得雨淋、日晒、受潮。装卸时应小心轻放,不得压以重物。8.4贮存
产品应在相对湿度不超过85%,温度不超过40℃的室内存放,大包装距地面及墙壁至少300mm。8.5产品在符合上述运输、贮存的条件下,一年内如发现因生产厂方造成的质量间题,由生产厂负责。附加说明:
本标准由轻工业部质量标准司提出。本标准由全国乐器标准化中心归口。本标准由北京乐器研究所、全国西管乐器专业委员会负责起草。本标准主要起草人傅思明、路琛。自本标准实施之日起,原轻工业部部标准SG344—1983《铜管乐器、木管乐器检验规则》、SG3451983《铜管乐器、木管乐器的试验方法》SG346一1983《铜管乐器、木管乐器、标志、包装、运输、贮存》作废。
小提示:此标准内容仅展示完整标准里的部分截取内容,若需要完整标准请到上方自行免费下载完整标准文档。