首页 > 轻工行业标准(QB) > QB/T 3851.3-1999 夹扭钳 圆嘴钳
QB/T 3851.3-1999

基本信息

标准号: QB/T 3851.3-1999

中文名称:夹扭钳 圆嘴钳

标准类别:轻工行业标准(QB)

标准状态:已作废

实施日期:1999-04-21

作废日期:1999-12-01

出版语种:简体中文

下载格式:.rar.pdf

下载大小:55471

标准分类号

中标分类号:机械>>工艺装备>>J47手工工具

关联标准

替代情况:原标准号GB 6293.3-86;被QB/T 2440.3-99代替

采标情况:ISO 5745-82 NEQ

出版信息

页数:3页

标准价格:8.0 元

相关单位信息

标准简介

QB/T 3851.3-1999 夹扭钳 圆嘴钳 QB/T3851.3-1999 标准下载解压密码:www.bzxz.net

标准图片预览

QB/T 3851.3-1999 夹扭钳 圆嘴钳
QB/T 3851.3-1999 夹扭钳 圆嘴钳
QB/T 3851.3-1999 夹扭钳 圆嘴钳

标准内容

中华人民共和国国家标准
夹扭钳
圆嘴钳
GrippingpliersRoundnosepliers本标准适用于圆嘴钳。
当产品有特殊要求时,可不受本标准的限制。UDC 621.881.4
GB 6293.3-86
本标准参照果用国际标准[SO5745—1982《夹扭钳和剪切钳—--夹扭操作针——尺寸》。1型式和基本尺寸
1.1型式
阅嘴封的型式如下图所示。
1.2基本尺寸
圆嘴钳的基本尺寸按表「规定。表】
125±6
140 ± 7
180± 8
180 ± 9
200±10
国家标准局1986-04-17发布
1987-09-01实施
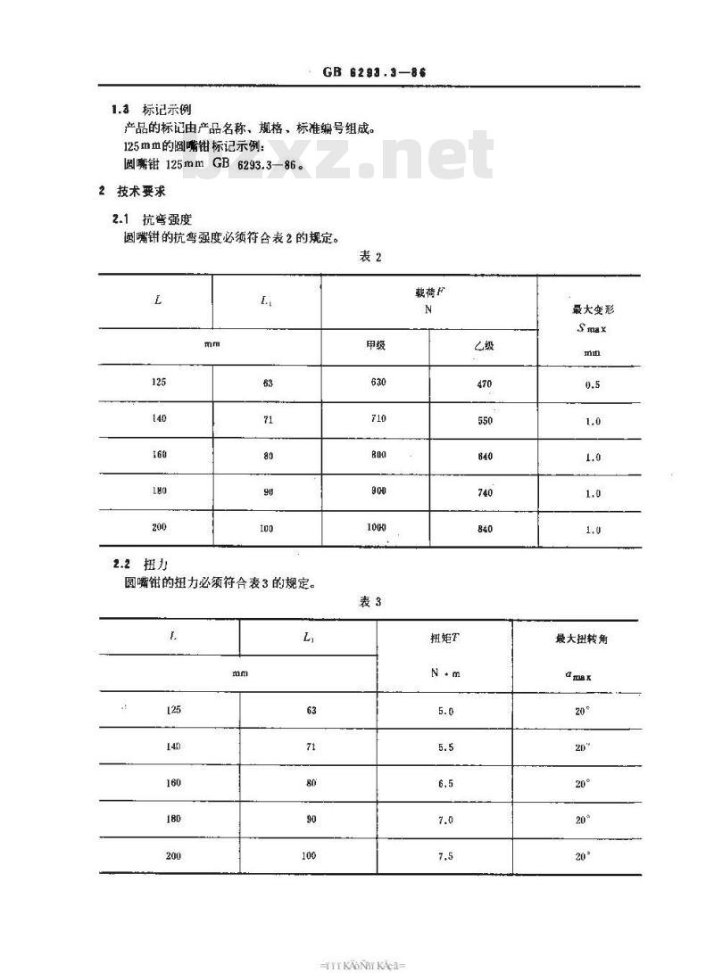
1.3标记示例
GB 6293.3—86
产品的标记由产品名称、规格、标准编号组成。125mm的脑嘴钳标记示例:
圆嘴钳125mmGB6293.3—86。
2技术要求
2.1抗弯强度
圆嘴钳的抗弯强度必须符合表2的规定。表2
2.2扭力
圆嘴钳的扭力必须符合表3的规定。t.此内容来自标准下载网
KAONTKAca-
载荷F
扭短T
最大变形
最大扭转角
2.3嘴顶缝隙
GB6293.J-86
自嘴顶起在不小于3mm的区域内,圆嘴钳的嘴顶缝隙最大值应不超过0.08mm2.4其他技术要求应符合GB6290-86《夹扭钳和剪切钳通用技术条件》的规定。附加说明:
本标准由中华人民共和国轻工业部提出,由全国工具五金标准化中心归口。本标准由钳子国家标准起草工作组负责起草。本标准主要起草人白静、林美德、吴建申、季溯豪。
小提示:此标准内容仅展示完整标准里的部分截取内容,若需要完整标准请到上方自行免费下载完整标准文档。