首页 > 轻工行业标准(QB) > QB/T 1207.8-1999 二胡
QB/T 1207.8-1999

基本信息

标准号: QB/T 1207.8-1999

中文名称:二胡

标准类别:轻工行业标准(QB)

标准状态:现行

发布日期:1999-10-14

实施日期:2000-03-01

出版语种:简体中文

下载格式:.rar.pdf

下载大小:1147344

标准分类号

中标分类号:轻工、文化与生活用品>>文教、体育、娱乐用品>>Y58乐器

关联标准

替代情况:QB/T 1159-1991

出版信息

出版社:中国轻工业出版社

页数:9页

标准价格:12.0 元

出版日期:2000-03-01

相关单位信息

起草人:方荣林、庆亚娅、王殿宝、王伟

起草单位:苏州民族乐器一厂、上海民族乐器一厂

归口单位:全国乐器标准化中心

提出单位:国家轻工业局行业管理局

发布部门:国家轻工业局

标准简介

本标准规定了弦鸣乐器二胡的产品分类、技术要求等。本标准适用于琴筒前口形状为圆形、等边六角和等边八角的二胡、未列入本标准的同名产口可参照执行。 QB/T 1207.8-1999 二胡 QB/T1207.8-1999 标准下载解压密码:www.bzxz.net

标准图片预览

QB/T 1207.8-1999 二胡
QB/T 1207.8-1999 二胡
QB/T 1207.8-1999 二胡
QB/T 1207.8-1999 二胡
QB/T 1207.8-1999 二胡

标准内容

分类号Y58
备案号4256-1999
中华人民共和国轻工行业标准
QB/T1207.8-99
1999-10-14发布
国家轻工业局发布
2000-03-01实施
QB/T1207.8-99
本标准是对QB/T1159一91《二胡》的修订。二胡的结构和制造技术未有重大的变化,为了有利于生产和需求,本次修订除保留了QB/T1159一91中适用的部分,同时也对原标准中的部分内容作了必要的调整。本次修订的主要内容有:
产品分类:增加琴筒规格;以琴筒形状替代以琴筒简长度的分类方法,技术代号也作相应调整。
-技术要求:调整扁形琴杆和琴弓的尺寸范围。本标准由国家轻工业局行业管理司提出。本标准由全国乐器标准化中心归口。本标准由苏州民族乐器一厂、上海民族乐器一厂、北京民族乐器厂、北京乐器研究所起草。
本标准主要起草人:方荣林、庄亚娅、王殿宝、王伟。自本标准实施之日起,原轻工业部发布的行业标准QB/T1159一91《二胡》废止。1范围
中华人民共和国轻工行业标准
本标准规定了弦鸣乐器二胡的产品分类、技术要求等。QB/T1207.8-99
本标准适用于琴筒前口形状为圆形、等边六角和等边八角的二胡。未列入本标准的同名产品可参照执行。
引用标准
下列标准所包含的条文,通过在本标准中引用而构成为本标准的条文。本标准出版时,所示版本均为有效。所有标准都会被修订,使用本标准的各方应探讨使用下列标准最新版本的可能性。
QB/T1207.1-99
产品分类
民族弦鸣乐器通用技术条件
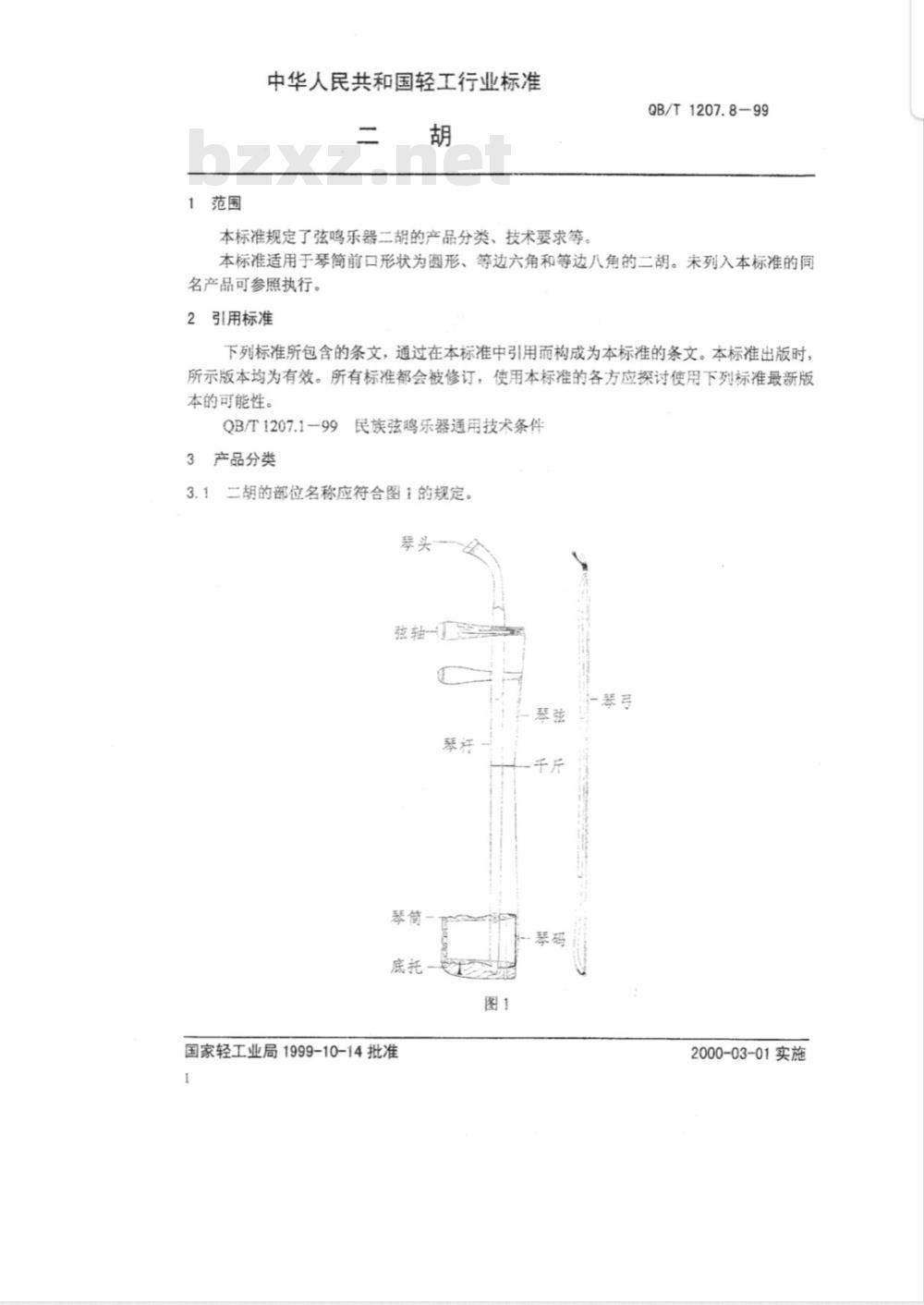
3.1二胡的部位名称应符合图1的规定。琴头
底托一
国家轻工业局1999-10-14批准
一琴弓
2000-03-01实施
QB/T1207.8-99
3.2根据琴筒前口形状,分为圆筒二胡、六角二胡、八角二胡等。3.3根据产品的用材和工艺,分为高级品、中级品、普及品三种。3.4产品标记
3.4.1产品名称部分应直接用文字标明。3.4.2琴筒前口几何形状代号圆形为Y,六角形为L,八角形为B。3.4.3技术特性代号由琴简前口几何形状、质量等级两个项目组成,应符合下述的要求。字母
质量等级
琴筒前口几何形状
例:六角形琴筒,高级品。
标注为:L-G
4技术要求
4.1基本音域
d~a2。
4.2检测时定弦音高为:d',a。4.3主要结构尺寸
4.3.1琴体尺寸应符合表1的要求。表1
琴筒类型
六角形
八角形
前端口对边
@86±2
圆形琴杆尺寸应符合表2的要求。部位名称
下轴眼中心至琴筒上眼处长
基本尺寸
467505
上直径(下轴眼中心至70mm处)17.5~18.5
扁形琴杆尺寸应符合表3的要求。表3
部位名称
基本尺寸
下轴眼中心wwW.bzxz.Net
467~505
琴筒上眼横向最大处
琴简长度
124134
下直径(琴筒上眼处)
16.5~17.5
剖面纵向最大处
高级品的琴弓长应不小于800mm。4.3.4中级品、普及品的琴弓长应不小于670mm,4.4装配要求
琴杆与琴筒应严密吻合。
材料应符合表4的要求。
普及品
中级品
高级品
试验方法
QB/T1207.899
色木、硬杂木或性能相似的木材和其它新材料
蟒皮或性能相似的其它
酸枝木、花梨本或性能相似的其材料
它材料
酸枝木或性能相似的其它材料,材质坚实
应符合QB/T1207.1第6章的规定。检验规则
应符合QB/T1207.1第7章的规定。7标志、包装、运输、贮存
应符合QB/T1207.1第8章的规定。3
较坚实竹材
坚实竹材
中华人民共和国
轻工行业标准
QB/T1207.8-99
轻工业标准化编辑出版委员会
地址:北京朝外光华路12号
邮政编码:100020
电话:(010)65810022--2309
内部资料不准翻印
印数:1-200册
定价:5.00元
中华人民共和国
轻工行业标准
民族弦鸣乐器通用技术条件
琵琶筝阮三弦月琴京胡二胡
QB/T1207.1~1207.8-99
轻工业标准化编辑出版委员会
地址:北京朝外光华路12号
邮政编码:100020
电话:(010)65810022—2309
内部资料
印数:1-200册
不准翻印
定价:40.00元
小提示:此标准内容仅展示完整标准里的部分截取内容,若需要完整标准请到上方自行免费下载完整标准文档。